Will not start after replacing the battery with a weaker battery

Tiny
JONATHAN HANKINS
  • MEMBER
  • 2000 CHEVROLET S-10
  • 2.2L
  • 4 CYL
  • 2WD
  • MANUAL
  • 200,000 MILES
I replaced the fuel pump, fuel control module, and the fuel pump relay, and my vehicle still won't start. When you turn the key over, the pump won't kick on or anything. The only change is, they put a different battery in the truck. A weaker battery. Could that be my problem?
Wednesday, March 23rd, 2022 AT 4:18 PM

1 Reply

Tiny
JACOBANDNICKOLAS
  • MECHANIC
  • 110,192 POSTS
Hi,

This is straightforward as to what needs to be checked. First, here is how it works:

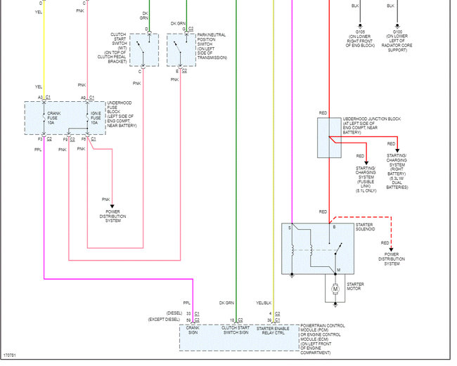
Power is supplied via the ECM B fuse under the hood to the fuel pump relay. At that point, the relay is open and the power stops.

For the relay to actuate, it has to receive power from the PCM fuel pump relay circuit. When that power is applied via a dark green wire with a white tracer, the relay actuates and allows power from the ECM B fuse to travel to the fuel pump.

So, start by checking and testing the ECM B fuse in the under-hood fuse box. If it is good, confirm there is power to and from it.

Here is a link you may find helpful:

https://www.2carpros.com/articles/how-to-check-a-car-fuse

IF that checks good, go to the starter relay in the same box. Remove the relay and check to confirm there is power to pin 3. If there is power, you need to confirm a voltage signal to the dark green/white wire at the relay (pin 2) when the key is in the start position. (See pic 1 below)

IF both have power, inspect the G119 and G416 ground for continuity to ground. See pic for ground locations.

Here is a link you may find helpful:

https://www.2carpros.com/articles/how-to-check-wiring

Do this and let me know what you find.

Take care,

Joe

See pics below.
Was this
answer
helpful?
Yes
No
Wednesday, March 23rd, 2022 AT 6:24 PM

Please login or register to post a reply.