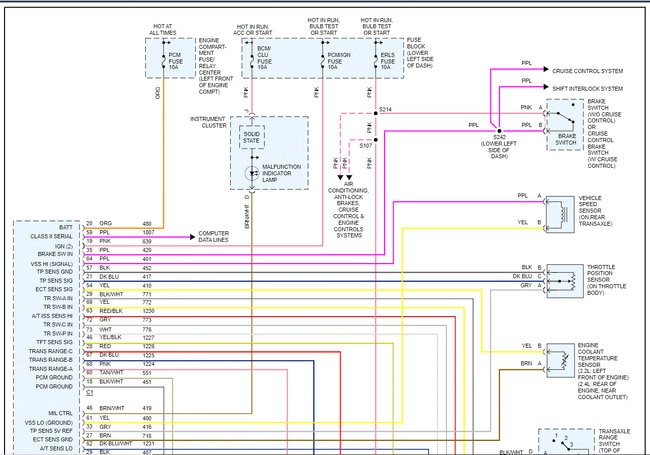
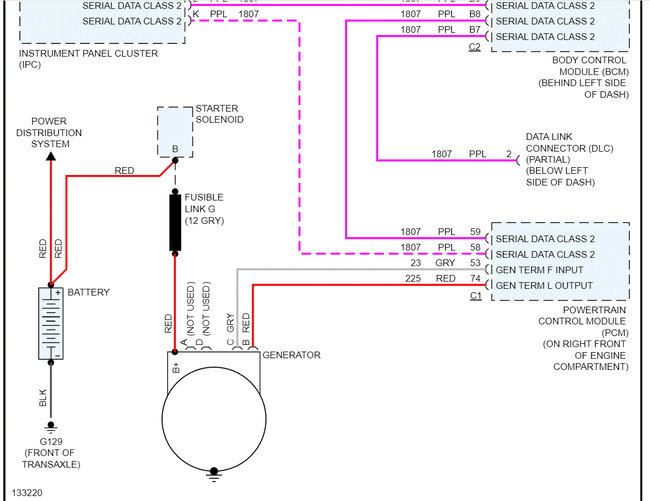
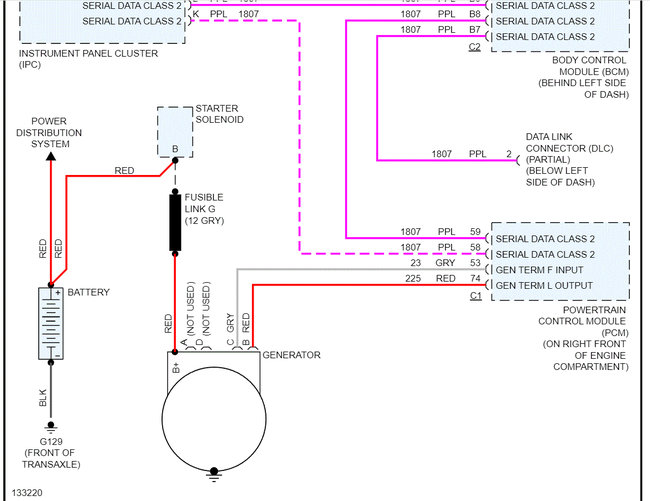
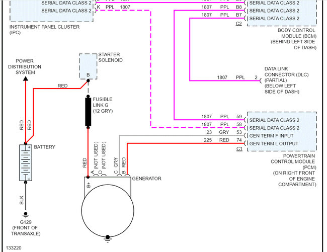
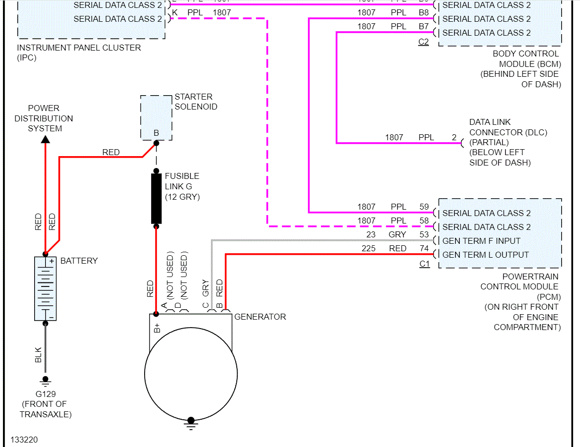
I had a roadside mechanic take a look and it wasn't my starter, alternator, nor battery. And my car would only start I think while being placed in neutral while he worked something under the hood. He stated it's my gearbox. I could only drive it back home and while placing it in park, I cannot restart it.
Also, the check-engine light was on for months and I also took it to a transmission specialist months ago who stated there were slips I think in the second gear.
At this point I'm not sure of the issue and the cost of fixing.
Wednesday, May 11th, 2022 AT 5:07 PM





















