coolant fans don't come on?

1998 CHEVROLET VENTURE
100,000 MILES • 6 CYL • 2WD • AUTOMATIC
Avatar
CONNIE1
  • MEMBER
  • 4 POSTS
electrical coolant fans don't come on. does mini relays go bad?
Mar 11, 2009 at 8:56 AM
Repair Safety Notice: This information is for general instructional purposes only. Vehicle repair can be dangerous. Verify all information, follow manufacturer service procedures, use proper tools and safety equipment, and consult a qualified repair shop when needed.
Advertisement
Avatar
SQM
  • CAR REPAIR CONTRIBUTOR
  • 6,383 POSTS
Hello,

A cooling fan might not come on for few reasons. First of all it can be a bad fan motor, it could be the ran relay or it could be the temperature sensor.

https://www.2carpros.com/articles/how-an-electric-cooling-fan-works
https://www.2carpros.com/articles/replace-electric-fan-motor

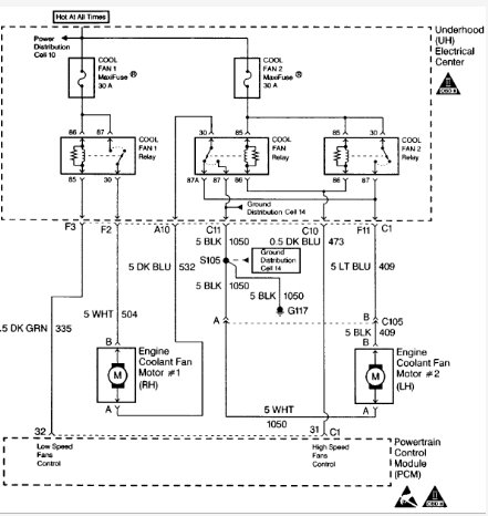
The relay for the cooling fan is located in the junction box under the hood.
You need to test the relay and make sure if it is good. Sometimes you will have the pin(s) on a relay burnt.

Here is how to test the relay:

https://www.2carpros.com/articles/how-to-check-an-electrical-relay-and-wiring-control-circuit

It could also be a wiring issue.
I have attached the cooling fan wiring schematics for your reference.

Please let me know of any questions.

Thank you.
Aug 5, 2021 at 8:49 PM
Advertisement