No brake lights?

Tiny
BUSYMAN3
  • MEMBER
  • 2006 CHEVROLET TRUCK
  • V8
  • 4WD
  • AUTOMATIC
  • 95,122 MILES
Changed bulbs, checked fuses, no power at light, is there a module in circuit? Regular lights work
Monday, December 21st, 2009 AT 8:30 PM

30 Replies

Tiny
ASEMASTER6371
  • MECHANIC
  • 52,796 POSTS
Good evening,

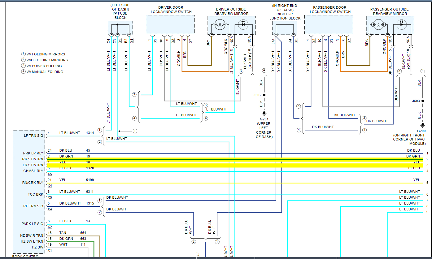
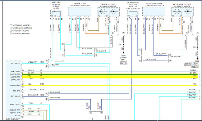
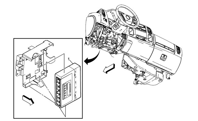
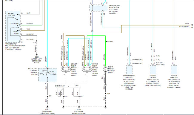
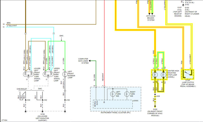
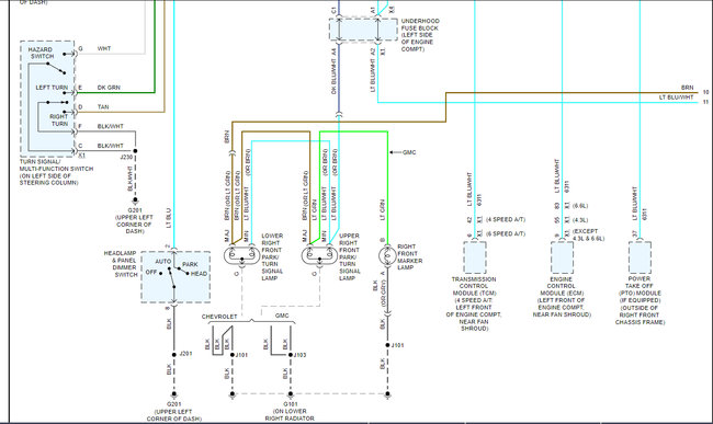
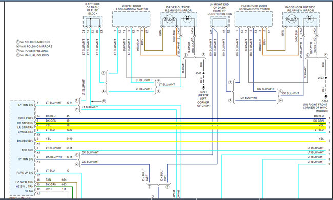
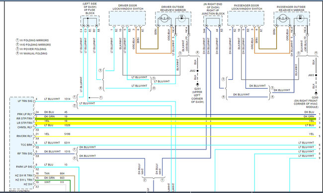
I attached a wiring diagram below for you to view.

There is a fuse for the brake light switch. Check for power there and at the switch. They are in the diagrams I attached. Make sure there is power on both sides.

https://www.2carpros.com/articles/how-to-check-a-car-fuse

The power goes to the stop light switch and then off to the body control module. The switch sends a signal to the body control module and the module sends voltage to the brake lights, all of them.

You need to start with checking the fuses and check for power at the stop light switch both in and out.

https://www.2carpros.com/articles/how-to-check-wiring

Roy

Was this
answer
helpful?
Yes
No
Saturday, November 21st, 2020 AT 4:55 PM
Tiny
DAMIEN F
  • MEMBER
  • 1 POST
  • 2002 CHEVROLET TRUCK
Electrical problem
2002 Chevy Truck V8 Four Wheel Drive Automatic

no brake lights on 2002 chevy silverado, put in new fuse, press brakes fuse blows.
Was this
answer
helpful?
Yes
No
Saturday, November 21st, 2020 AT 5:08 PM (Merged)
Tiny
DOCFIXIT
  • MECHANIC
  • 18,828 POSTS
Is the truck wired for towing? If so often this added wiring will chafe and go to ground. So check this out.
If no hitch wiring check the bulbs they can short and cause the problem.
Good luck
Was this
answer
helpful?
Yes
No
Saturday, November 21st, 2020 AT 5:08 PM (Merged)
Tiny
ACLCRC
  • MEMBER
  • 1 POST
  • 2000 CHEVROLET TRUCK
I have a 2000 cavilier and the third light brake light works but the other two don''t.I replaced the bulbs and checked the fuse. What else could be the problem?
Tthank You
Was this
answer
helpful?
Yes
No
Saturday, November 21st, 2020 AT 5:08 PM (Merged)
Tiny
SERVICE WRITER
  • MECHANIC
  • 9,123 POSTS
Wouldn't surprize me if the sockets were bad.
Was this
answer
helpful?
Yes
No
Saturday, November 21st, 2020 AT 5:08 PM (Merged)
Tiny
CHEVY22
  • MECHANIC
  • 1,375 POSTS
Yup, we went through so many of them at the dealer I was at we couldnt keep them in stock
Was this
answer
helpful?
Yes
No
-1
Saturday, November 21st, 2020 AT 5:08 PM (Merged)
Tiny
SCULLY
  • MEMBER
  • 3 POSTS
  • 1999 CHEVROLET TRUCK
Have no brake lights. Have changed the bulbs and fuses and the part above the brake pedal. The rear light on top of the back hatch door does not work either.

Any suggestions. Thank you.
Was this
answer
helpful?
Yes
No
Saturday, November 21st, 2020 AT 5:08 PM (Merged)
Tiny
SDALTON19
  • MECHANIC
  • 87 POSTS
Next step is to check the wiring going back to the brake lights also check the connectors to see if any are unplugged see if anything else is not working to as this could be an indication of a wiring connector coming unplugged
Was this
answer
helpful?
Yes
No
Saturday, November 21st, 2020 AT 5:08 PM (Merged)
Tiny
BOBBYHALL69
  • MEMBER
  • 1 POST
  • 1998 CHEVROLET TRUCK
  • 4.3L
  • V6
  • 2WD
  • AUTOMATIC
  • 190,000 MILES
The third brake light on the cab works. I have replaced the brake light switch, but it still doing the same thing?
Was this
answer
helpful?
Yes
No
Saturday, November 21st, 2020 AT 5:09 PM (Merged)
Tiny
JACOBANDNICKOLAS
  • MECHANIC
  • 110,194 POSTS
Hi and thanks for using 2CarPros.

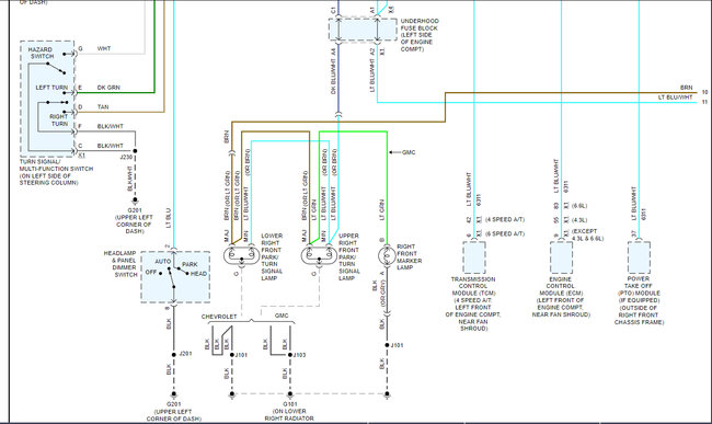
The first thing I suspect is a bad ground. Both tail lights have a common ground. However, the third brake light has a different one.

What I suggest is this. First, remove the light assembly and locate the wiring to the brake light bulb. Have a helper press the brakes while you check for power to the yellow wire on the left light assembly and dark green one on the right side assembly. Make sure you have a good ground for the test light. If it turns on when the brake is applied, then you have a bad ground.

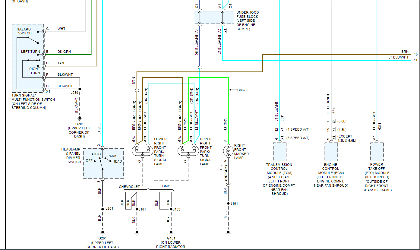
I attached a picture for you to see the brake lights and their ground. It indicates where the ground is located and the color of the wires.

Here are a few links you may find helpful when performing the test:

https://www.2carpros.com/articles/how-to-use-a-test-light-circuit-tester

https://www.2carpros.com/articles/how-to-use-a-voltmeter

https://www.2carpros.com/articles/how-to-check-wiring

Let me know if this helps or if you have other questions. And, I hate to ask this, but are you certain the bulbs are good and the correct ones?

Let me know.

Joe

Was this
answer
helpful?
Yes
No
Saturday, November 21st, 2020 AT 5:09 PM (Merged)
Tiny
TEAM ROPER
  • MEMBER
  • 1 POST
  • 1998 CHEVROLET TRUCK
  • V8
  • 4WD
  • AUTOMATIC
  • 218,000 MILES
I have no brake lights, turn signals work great, changed bulbs, changed brake light switch, checked the pig tail, only the third brake light works, where do I go now?
Was this
answer
helpful?
Yes
No
Saturday, November 21st, 2020 AT 5:09 PM (Merged)
Tiny
INTERNETMECHANIC
  • MECHANIC
  • 700 POSTS
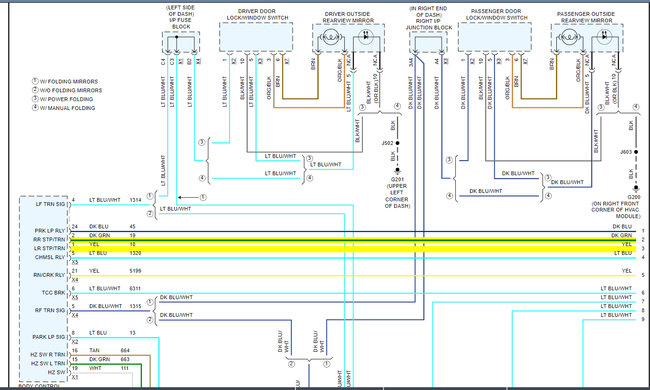
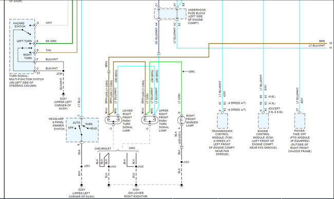
Your lower brake lites are wired through the turn signal switch. At the lower rear, brake and turn use same bulb filament, just not at the same time. The white wire carries voltage to turn switch for lower brake lites. The high-mount brake lite is not wired through the turn switch. The brake lite feed from turn switch, dark green for right side, yellow for the left.
Was this
answer
helpful?
Yes
No
Saturday, November 21st, 2020 AT 5:09 PM (Merged)
Tiny
SAMPSON TEMPLE
  • MEMBER
  • 2 POSTS
  • 1997 CHEVROLET TRUCK
  • V8
  • 4WD
  • AUTOMATIC
  • 115,000 MILES
The brake lights come on and are working fine when I first apply the brakes, as I push harder on the brake the relay trips and cuts them out. Release the brake slightly and relay closes back and brake lights come back on. I have change the relay thinking it was weak and that has not cured the problem. There is no third brake light. Checked all wiring and can not find a problem. Truck is equipped with trailer brake controller, I have unhooked it completely and problem is still accuring.
Was this
answer
helpful?
Yes
No
Saturday, November 21st, 2020 AT 5:09 PM (Merged)
Tiny
KNOWYOURAUTO
  • MECHANIC
  • 113 POSTS
The relay you replaced, is it the brake switch at the brake pedal or another one under the hood somewhere?

It sounds like you are describing a failed brake pedal switch. Also, the third brake light is on a separate circuit than your rear brake lamps so will not be a symptom.
One follow up question, do either of your turn signals work properly? Try them with the headlamps turned on and off and we'll see what we can do.

Regards.
Was this
answer
helpful?
Yes
No
Saturday, November 21st, 2020 AT 5:09 PM (Merged)
Tiny
SAMPSON TEMPLE
  • MEMBER
  • 2 POSTS
It was the relay under the hood, and yes all the turn signals work fine.
Was this
answer
helpful?
Yes
No
Saturday, November 21st, 2020 AT 5:09 PM (Merged)
Tiny
KNOWYOURAUTO
  • MECHANIC
  • 113 POSTS
That's great news! You have a simple fix of replacing your brake pedal switch located on the lever part of your pedal. It is easy to install, practically just pops out and in, and can be found at any parts store.

Make sure it is adjusted properly once you put it in. With the brake pedal at rest (not depressed) move the switch towards the pedal until the plunger is fully depressed.

Regards.
Was this
answer
helpful?
Yes
No
Saturday, November 21st, 2020 AT 5:09 PM (Merged)
Tiny
TONY WORSHAM
  • MEMBER
  • 1 POST
  • 1997 CHEVROLET TRUCK
Electrical problem
1997 Chevy Truck V8 Two Wheel Drive Automatic

My brake lights and rear turn signals do not work
Was this
answer
helpful?
Yes
No
Saturday, November 21st, 2020 AT 5:09 PM (Merged)
Tiny
JDL
  • MECHANIC
  • 16,098 POSTS
Hi, your lower brake lites and turn signals, use the same bulb filament at the rear, just not at the same time. They are wired through the multifunction/turn switch. You can go ahead and check voltage and ground at the rear. Ground wire is black, it may be a dual filament bulb, the other filament is tail lamp, brown wire, the other color wire has to be turn/brake. The high mount brake lite, where applicable, is wired differently.
Was this
answer
helpful?
Yes
No
Saturday, November 21st, 2020 AT 5:09 PM (Merged)
Tiny
CLUELESS00
  • MEMBER
  • 1 POST
  • 1997 CHEVROLET TRUCK
I have a 1997 chevy truck and the brake lights, back up lights, and signal lights in back arn't working. I checked the fuses and relay box under hood and everything looks ok. Had a bulb out in back and it has been replace but still nothing. When I turn lights on at night, I do have lights in back of truck, but still no brake lights, reverse light, or signal lights.
Was this
answer
helpful?
Yes
No
Saturday, November 21st, 2020 AT 5:09 PM (Merged)
Tiny
JDL
  • MECHANIC
  • 16,098 POSTS
Use a voltage tester on the proper wire in the diagram. At the rear, brown wire is voltage for tail lamps, The other color wires are voltage for brake/turn. The info I looked at was for c1500.

Check the black wire in the diagram for proper ground.
Was this
answer
helpful?
Yes
No
Saturday, November 21st, 2020 AT 5:09 PM (Merged)

Please login or register to post a reply.