Relay opening and closing and at the same time his alternator light came on?

Tiny
DHAYES31
  • MEMBER
  • 1998 CHEVROLET TRUCK
My son was driving the other day and he could hear what he said was a relay opening and closing and at the same time his alternator light came on. So when I went to jump his car when I put the hot post on the car wanted to turn over with the key in the ignition if you removed the key or turned it to the on position it would stop turning over. Then if you jump across the starter solenoid it will start and run for a while then the charge light will start going on and off again then it will stall.

Thankyou

Dan
Wednesday, February 28th, 2007 AT 11:57 AM

1 Reply

Tiny
KASEKENNY
  • MECHANIC
  • 18,907 POSTS
If there is a relay clicking along with the charging light then the most common issue is a weak battery and possibly an alternator issue.

Here are a couple guides that will help with this. However, the relay clicks rapidly when it fails or the battery is weak.

https://www.2carpros.com/articles/car-battery-load-test

https://www.2carpros.com/articles/how-to-check-a-car-alternator

Please run through these tests and let us know what questions you have.

However, if they check ok, then we need to test the relay.

https://www.2carpros.com/articles/how-to-check-an-electrical-relay-and-wiring-control-circuit

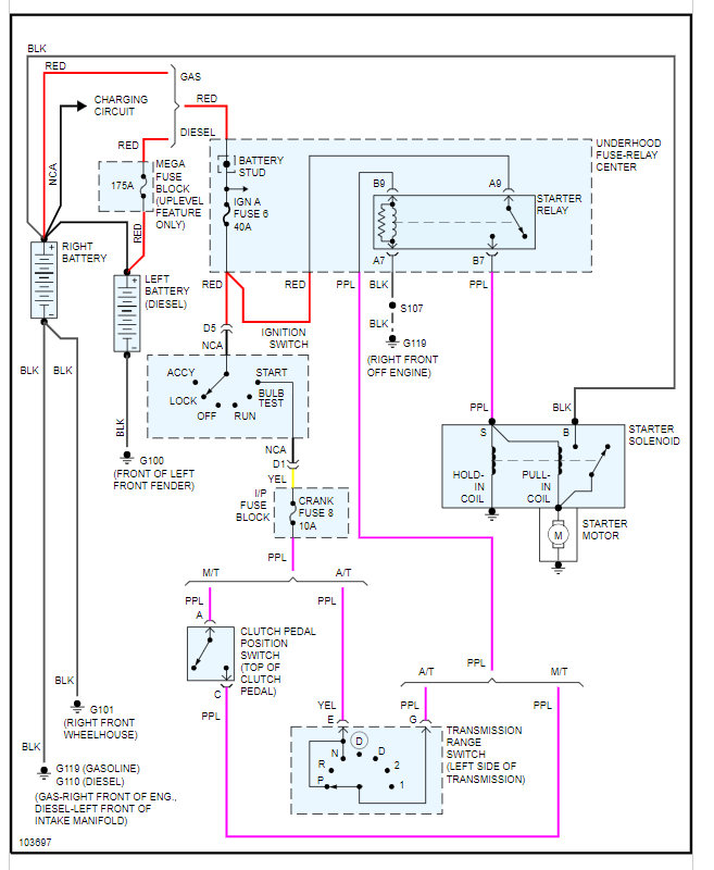
I am attaching the wiring diagram below because if just jumping the starter caused it to start then we need to also check voltage at the starter but I suspect the issue will be the battery so let's start with this and go from there. Thanks
Was this
answer
helpful?
Yes
No
Thursday, August 19th, 2021 AT 7:52 PM

Please login or register to post a reply.