Hazard flasher switch replacement

Tiny
LEGHOLD
  • MEMBER
  • 1995 CHEVROLET TAHOE
How do you replace the hazard flasher switch and is there a relay that may need to be replaced? My flashers do not work
Friday, July 13th, 2007 AT 9:22 AM

1 Reply

Tiny
KASEKENNY
  • MECHANIC
  • 18,907 POSTS
You do have a flasher relay and switch so we need to check the flasher relay and see if it has failed which is the most common failure. Here is a guide that will help you test a relay:

https://www.2carpros.com/articles/how-to-check-an-electrical-relay-and-wiring-control-circuit

If the flasher is okay then it is the turn switch that is most likely the issue so here is a guide that will help replace that:

https://www.2carpros.com/articles/turn-signal-switch-replacement

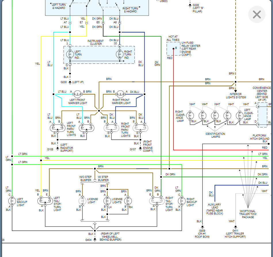
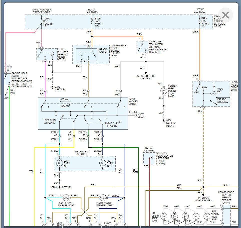
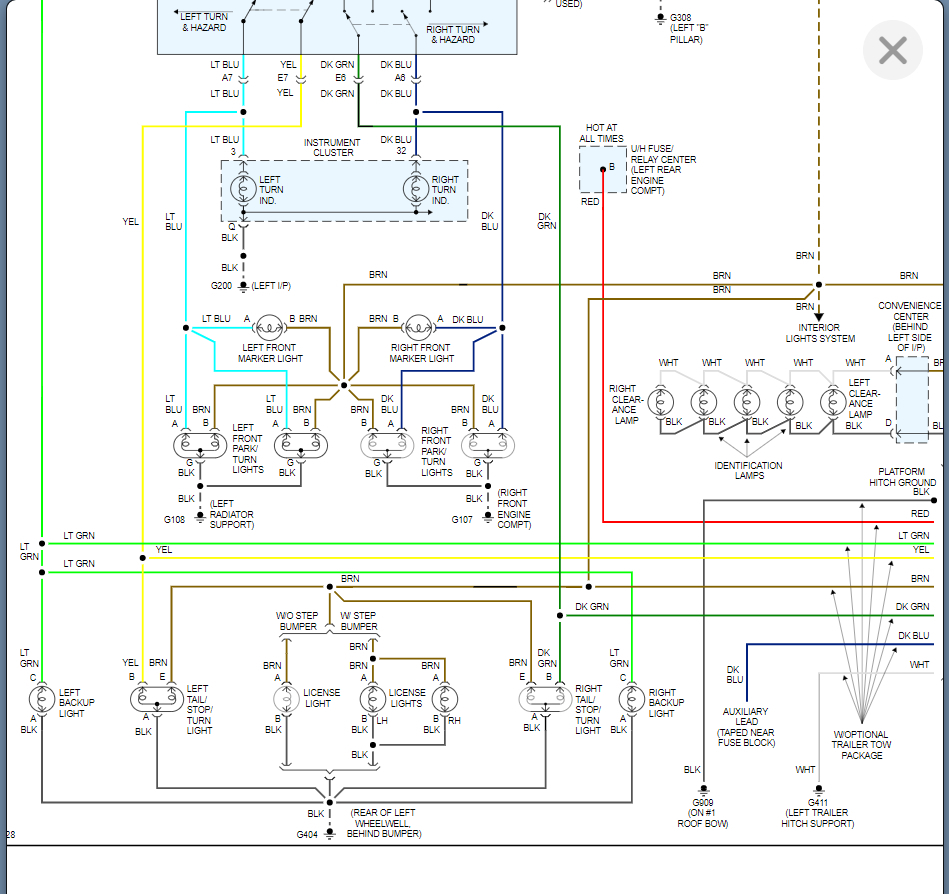
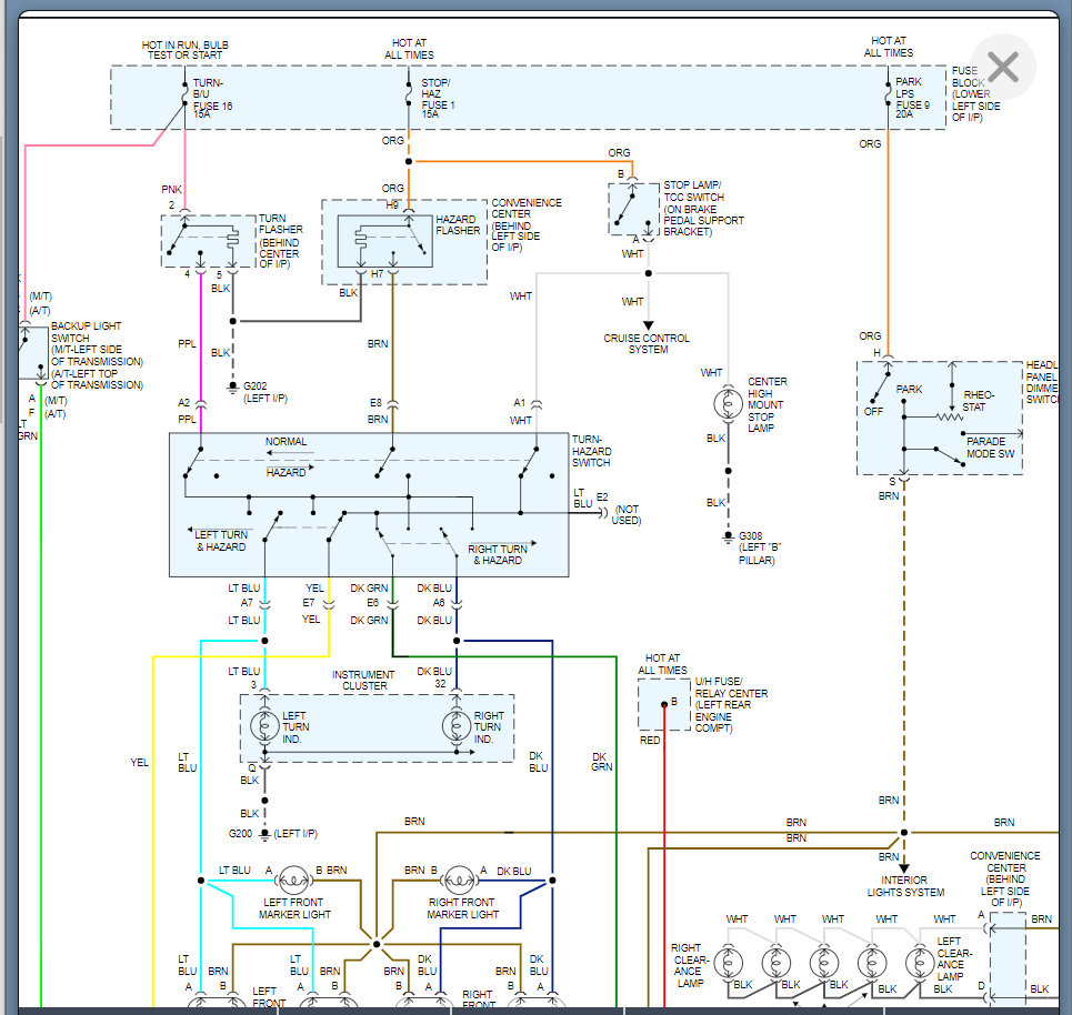
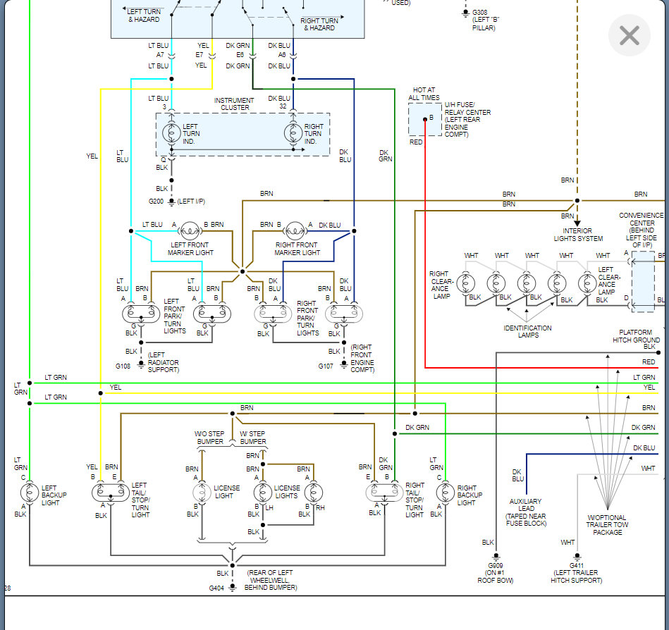
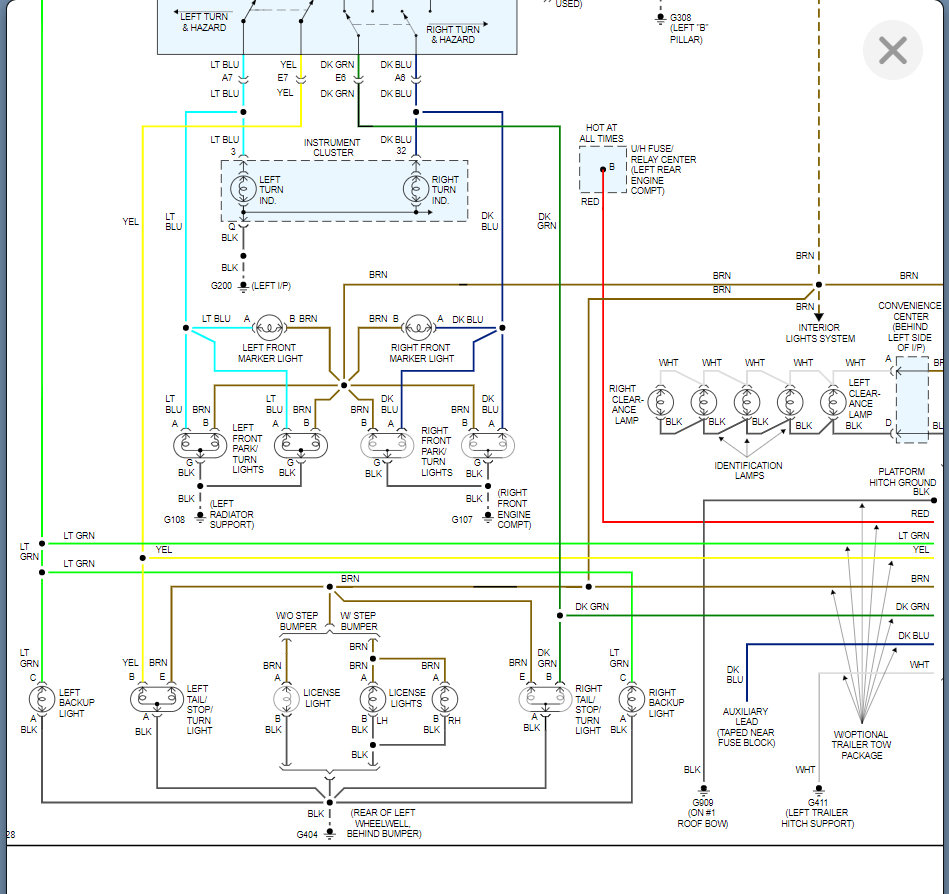
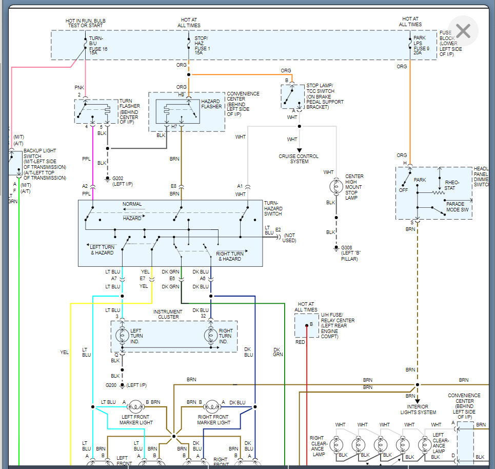
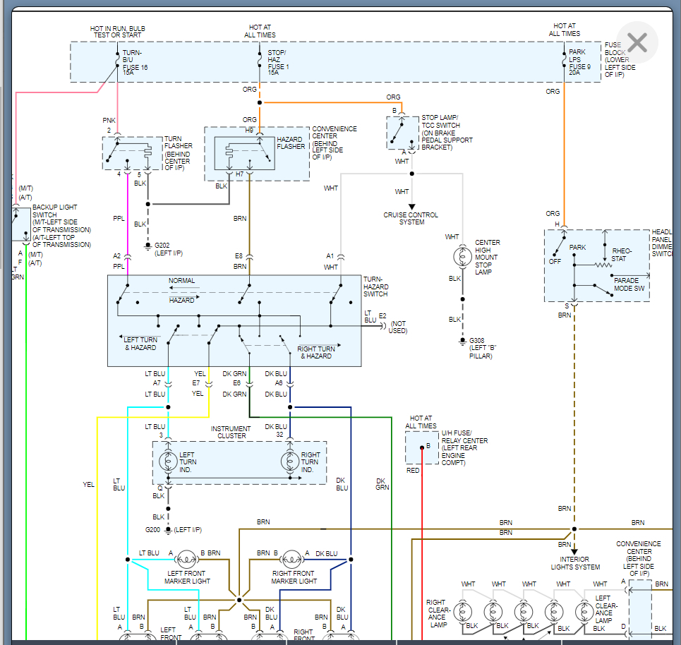
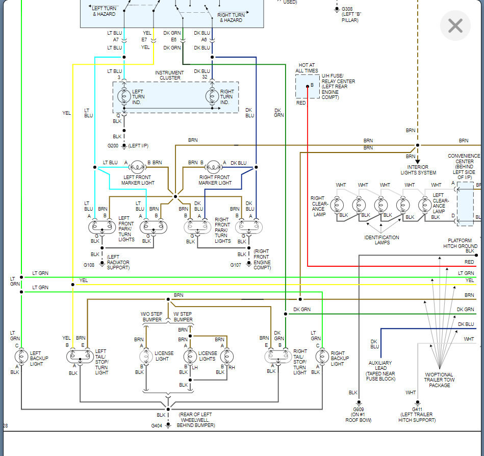
However, I am including the wiring diagrams below that will provide the info needed in order to test the switch to see if you have voltage coming out when the flashers are turned on.

https://www.2carpros.com/articles/how-to-check-wiring

Below you will find the process from the manual on how to replace the switch and the location of the flasher.

Please run through this info and let us know if you have questions. Thanks
Was this
answer
helpful?
Yes
No
Saturday, July 24th, 2021 AT 6:41 AM

Please login or register to post a reply.