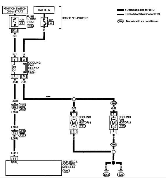
Engine stalls while driving?

Tiny
BENZ20JR
  • MEMBER
  • 1 POST
  • 2003 CHEVROLET SUBURBAN
  • V8
  • 2WD
  • AUTOMATIC
  • 120,000 MILES
V8 two wheel drive automatic 120,000 miles.

Engine stalls when I come to a stop.
Was this
answer
helpful?
Yes
No
Thursday, May 18th, 2017 AT 11:53 AM (Merged)
Tiny
JACOBANDNICKOLAS
  • MECHANIC
  • 110,192 POSTS
Has the check engine light come on? Have you checked for vacuum leaks? Fuel pump pressure?
Was this
answer
helpful?
Yes
No
Thursday, May 18th, 2017 AT 11:53 AM (Merged)
Tiny
JANETTEYOUNG
  • MEMBER
  • 1 POST
  • 2003 CHEVROLET SUBURBAN
  • V8
  • 4WD
  • AUTOMATIC
  • 87,000 MILES
V8 four wheel drive automatic 87,000 miles.

My truck stalls while I am driving it. I have to wait about ten minutes before it will restart. I have taken it to two mechanics and they cannot find what is causing the problem. It has been connected for diagnostic testing and their were no default codes.
Was this
answer
helpful?
Yes
No
Thursday, May 18th, 2017 AT 11:54 AM (Merged)
Tiny
BLACKOP555
  • MECHANIC
  • 10,386 POSTS
I would like you to try some starting fluid sprayed directly in the throttle body when the truck has its ten minute period that it will not start. Post back.
Was this
answer
helpful?
Yes
No
Thursday, May 18th, 2017 AT 11:54 AM (Merged)
Tiny
BVWHITCOMB
  • MEMBER
  • 1 POST
  • 2003 CHEVROLET SUBURBAN
  • V8
  • 2WD
  • AUTOMATIC
  • 105,000 MILES
V8 two wheel drive automatic 105,000 miles.

Runs great come to a light or slow down in parking lot car should idle but stalls. The check engine light is not on. As car's rpm's start dropping loss of power and voltage.
Was this
answer
helpful?
Yes
No
Thursday, May 18th, 2017 AT 11:54 AM (Merged)
Tiny
RASMATAZ
  • MECHANIC
  • 75,992 POSTS
Check the PCV and EGR valves and also the idle air control valve and throttle position sensor/MAF.
Was this
answer
helpful?
Yes
No
Thursday, May 18th, 2017 AT 11:54 AM (Merged)
Tiny
BILL POOLE
  • MEMBER
  • 1 POST
  • 2003 CHEVROLET SUBURBAN
  • V8
  • 4WD
  • AUTOMATIC
  • 144,000 MILES
I have an SUV that quits running. I have changed fuel pumps three times by different shops in three days. What is really wrong?
Was this
answer
helpful?
Yes
No
Thursday, May 18th, 2017 AT 11:54 AM (Merged)
Tiny
JDL
  • MECHANIC
  • 16,098 POSTS
Use a gauge and check fuel pressure, before you do anything. Check voltage and ground for fuel pump motor. Check fuel pump amp draw. Are you using OEM pumps?
Was this
answer
helpful?
Yes
No
+1
Thursday, May 18th, 2017 AT 11:54 AM (Merged)
Tiny
LILANGELSRO4
  • MEMBER
  • 2 POSTS
  • 2003 CHEVROLET SUBURBAN
My SUV has started shutting off after I push the gas pedal to accelerate. It shuts off and we try about a minute later and it restarts has if nothing was wrong. Any clue what it can be?
Was this
answer
helpful?
Yes
No
Thursday, May 18th, 2017 AT 11:54 AM (Merged)
Tiny
JDL
  • MECHANIC
  • 16,098 POSTS
Hi, I would use a gauge and check fuel pressure when the problem is ongoing. I might also take the throttle-body off and give it a cleaning.
Was this
answer
helpful?
Yes
No
Thursday, May 18th, 2017 AT 11:54 AM (Merged)
Tiny
LILANGELSRO4
  • MEMBER
  • 2 POSTS
Thanks, whatever can help. Hopes it is just not major!
Was this
answer
helpful?
Yes
No
Thursday, May 18th, 2017 AT 11:54 AM (Merged)
Tiny
PAULDANIELS34
  • MEMBER
  • 1 POST
  • 2003 CHEVROLET SUBURBAN
  • V8
  • 2WD
  • AUTOMATIC
  • 106,000 MILES
V8 two wheel drive automatic 106,000 miles.

While driving the SUV just cuts off. Wait about ten minutes and it starts right up. Would go about a quarter mile and repeats the process. Shakes like it is not getting gas.
Was this
answer
helpful?
Yes
No
Thursday, May 18th, 2017 AT 11:54 AM (Merged)
Tiny
MHPAUTOS
  • MECHANIC
  • 31,937 POSTS
Hi there,

Change the fuel filter and have the fuel pressure and flow rates checked, start here.

Mark (mhpautos)
Was this
answer
helpful?
Yes
No
Thursday, May 18th, 2017 AT 11:54 AM (Merged)
Tiny
  • MEMBER
  • 0 POST
  • 2003 CHEVROLET SUBURBAN
  • 150,000 MILES
My SUV shut off the other day while I was at work, nothing was left on, now when I start the SUV and switch gears, it stalls and will not stay running. I have a half of tank of gas in it, and it starts so I do not think it is the fuel pump. Please help. :)
Was this
answer
helpful?
Yes
No
Thursday, May 18th, 2017 AT 11:54 AM (Merged)
Tiny
ASEMASTER6371
  • MECHANIC
  • 52,796 POSTS
Check fuel pressure, start there.

Roy
Was this
answer
helpful?
Yes
No
Thursday, May 18th, 2017 AT 11:54 AM (Merged)
Tiny
DEATHCARRIER
  • MEMBER
  • 1 POST
  • 2003 CHEVROLET SUBURBAN
Six cylinder two wheel drive automatic.

The engine shuts off when I put it in park. Starts up just fine runs good just when I put it in park it shuts off. I checked the cables they are tight and the battery is good.
Was this
answer
helpful?
Yes
No
Thursday, May 18th, 2017 AT 11:54 AM (Merged)
Tiny
SCOTTY DEE
  • MECHANIC
  • 592 POSTS
I hate it when they do weird stuff. The first thing to be done is to scan the PCM (powertrain control module) and the BCM (body control module) for any trouble codes. The only thing that should happen when you put it in park is unlock the doors.

Let me know if/what the codes are. This ought to be fun.
Was this
answer
helpful?
Yes
No
Thursday, May 18th, 2017 AT 11:54 AM (Merged)
Tiny
CASHFLOW50$
  • MEMBER
  • 13 POSTS
It is the ECBM that is located under under the drivers seat on the exterior. My Yukon was acting exactly what was described. Moves then sputters and shuts off. Lights came on like Christmas lights on Christmas. Researched all over the net for answers and all along it was the ECBM going bad. Sent it to module masters. My Yukon runs like a champ after install.

Or it can be the TCC solenoid in the Transmission. Have it meter tested. Should be registering at least 25. It is easy to remove and install. Fairly cheap as well.
Was this
answer
helpful?
Yes
No
Tuesday, July 18th, 2017 AT 10:06 AM
Tiny
KEN L
  • MASTER CERTIFIED MECHANIC
  • 54,884 POSTS
Nice work, we are here to help. Please use 2CarPros anytime.

Cheers, Ken
Was this
answer
helpful?
Yes
No
Tuesday, July 18th, 2017 AT 3:21 PM
Tiny
R.SAMS
  • MEMBER
  • 1 POST
  • 2003 CHEVROLET SUBURBAN
  • V8
  • AWD
  • AUTOMATIC
  • 77,615 MILES
V8 two wheel drive automatic 77,615 miles.

I just replaced the fuel pump a few months ago because it did not seem like the truck was getting enough fuel to the fuel line. Now the same problem persists.
Was this
answer
helpful?
Yes
No
Friday, August 18th, 2017 AT 10:27 PM (Merged)

Please login or register to post a reply.