Brake light wiring diagrams I do not wish for the third brake light to blink

Tiny
MARC GRAHAM
  • MEMBER
  • 2010 CHEVROLET SILVERADO
  • V8
  • 4WD
  • AUTOMATIC
  • 400 MILES
I purchased a new cap for my pick up truck, where do I connect the wiring for the third brake light, the one in the cap? The rear brake lights and turn signals run off the same wires & I do not wish for the third brake light to blink with th eturn signals.
Tuesday, July 13th, 2010 AT 8:39 PM

20 Replies

Tiny
2CARPRO JACK
  • MECHANIC
  • 11,533 POSTS
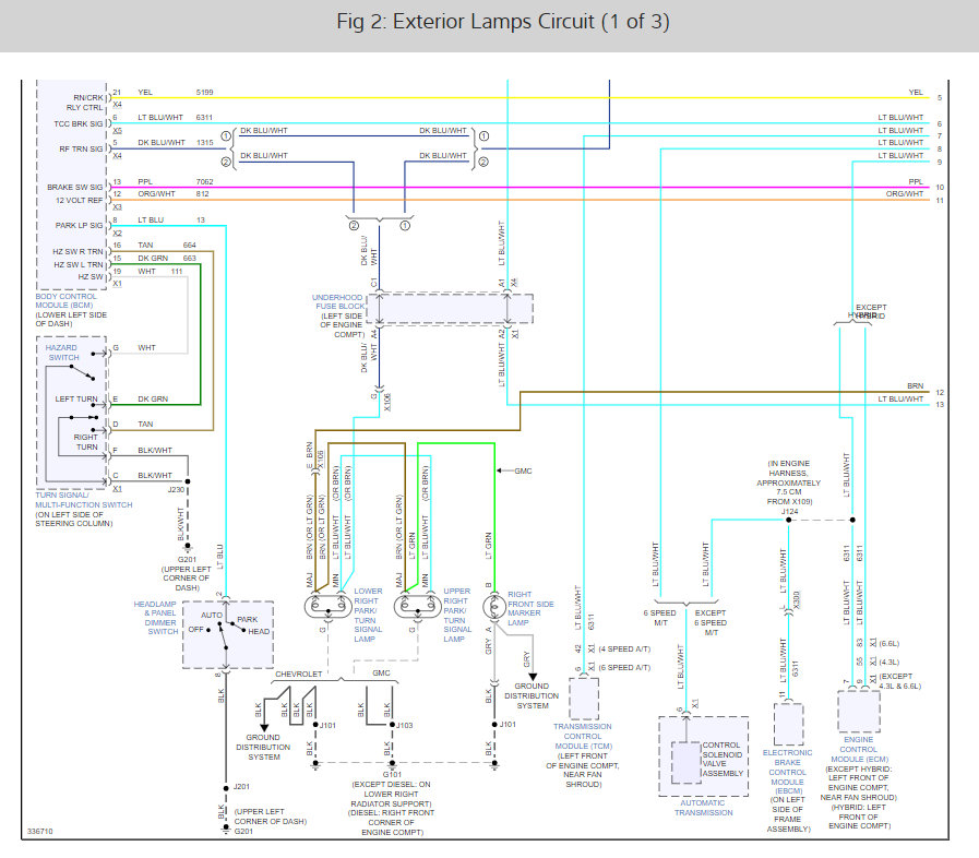
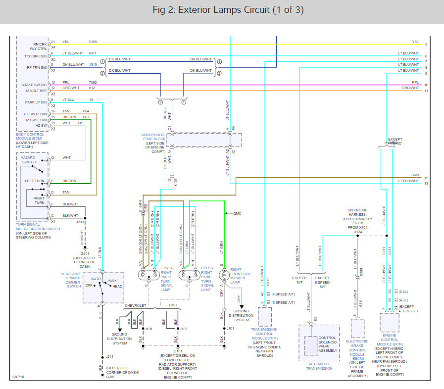
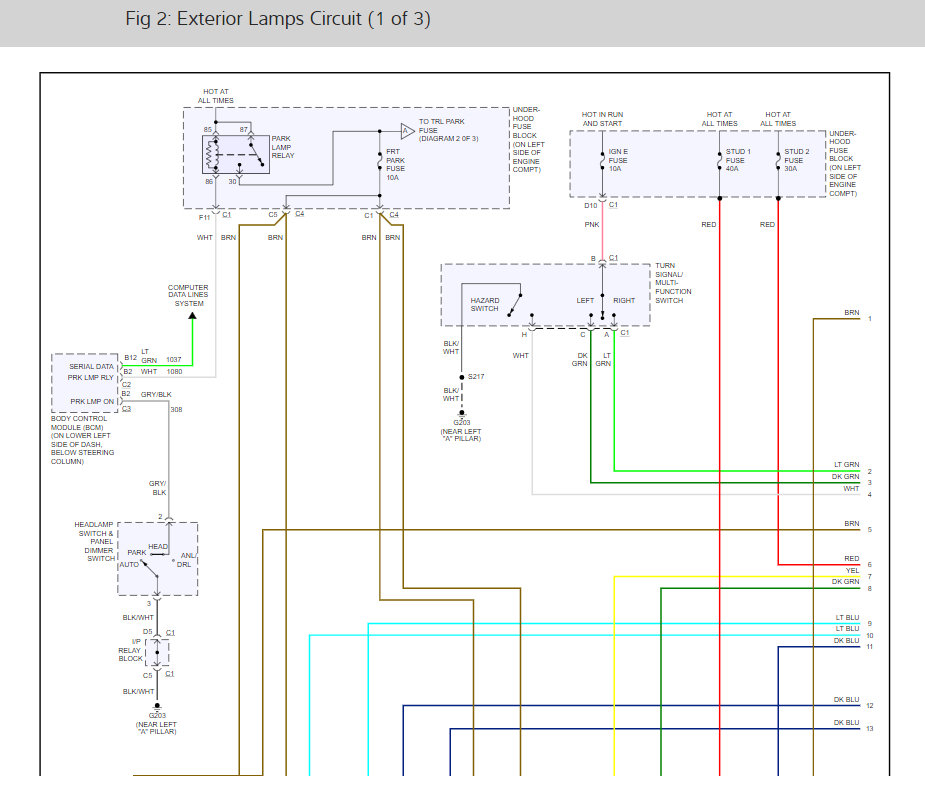
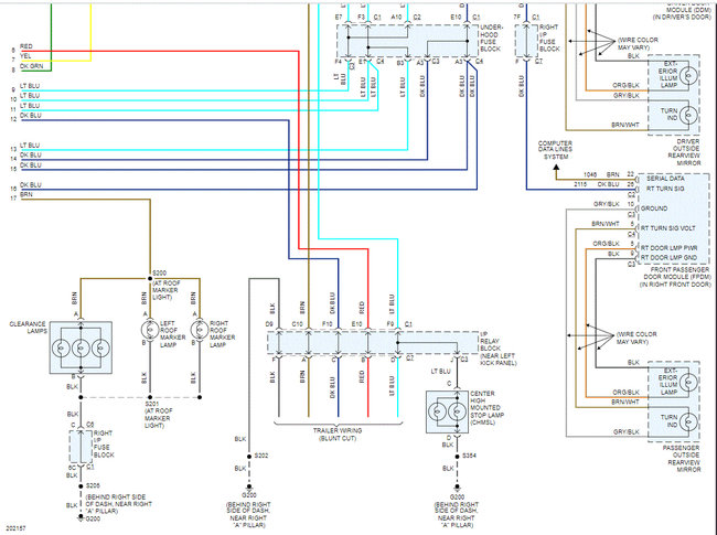
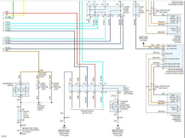
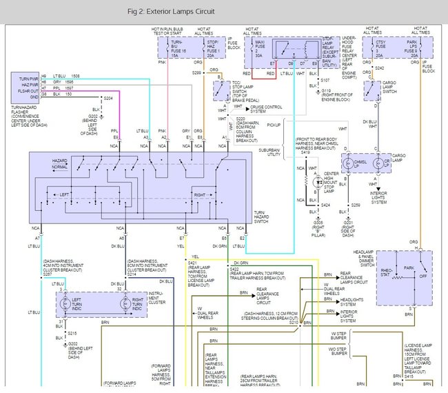
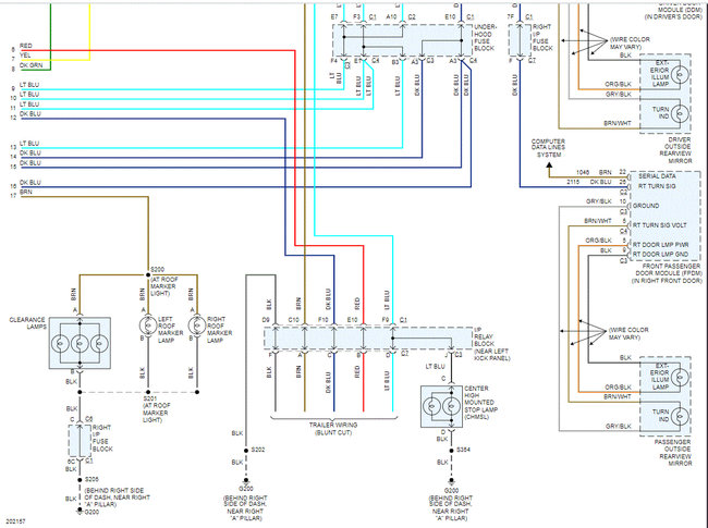
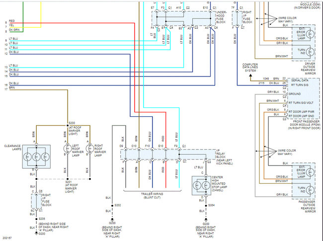
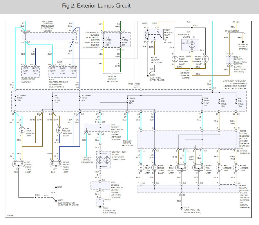
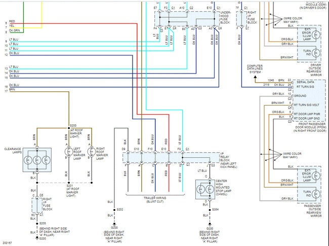
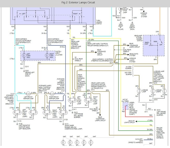
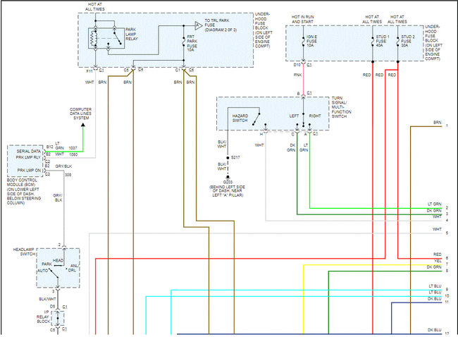
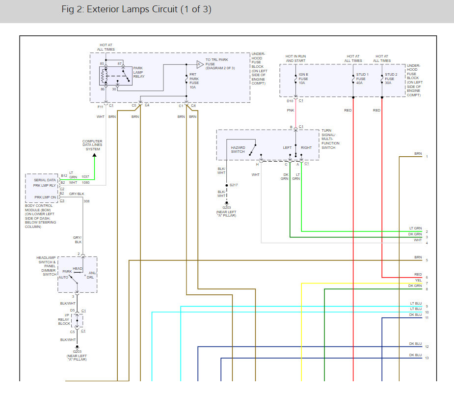
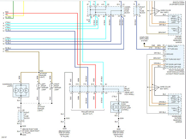
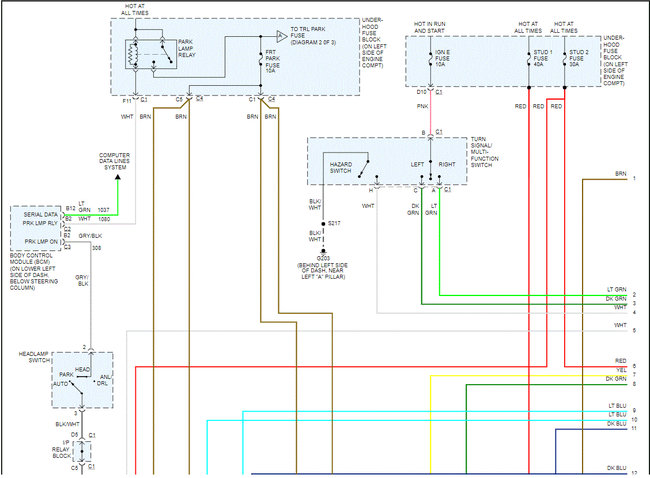
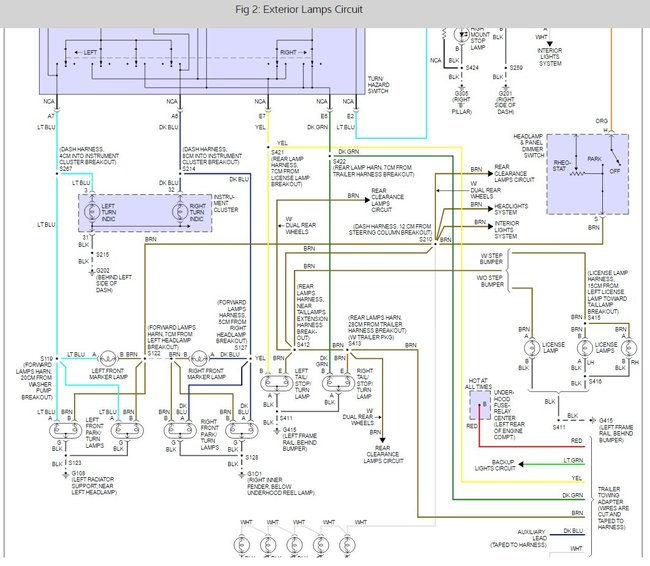
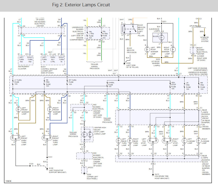
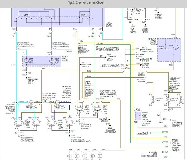
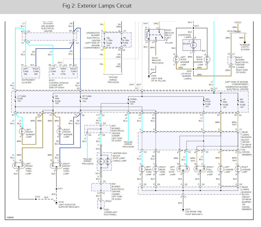
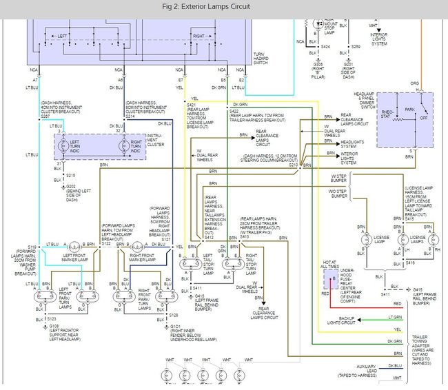
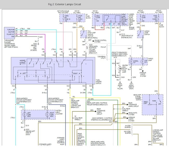
Then you may have to tap into the 3rd light wires to get just brake light if they use the same wiring as the turn signals. Here is a guide to help fix the problem with the brake light wiring diagrams below.

https://www.2carpros.com/articles/how-to-check-wiring

here are the brake light wiring diagrams witht he trailer two diagrams as well.

Check out the diagrams (Below). Please let us know if you need anything else to get the problem fixed.
Was this
answer
helpful?
Yes
No
Wednesday, July 14th, 2010 AT 8:18 AM
Tiny
2CARPRO JACK
  • MECHANIC
  • 11,533 POSTS
Try using a test light on the brake light switch to see which one goes hot when you hit the brakes.
Was this
answer
helpful?
Yes
No
+2
Tuesday, July 20th, 2010 AT 7:36 AM
Tiny
WILLIEDYNAMITE11
  • MEMBER
  • 37 POSTS
  • 2007 CHEVROLET SILVERADO
  • 5.3L
  • V8
  • 2WD
  • AUTOMATIC
  • 120,000 MILES
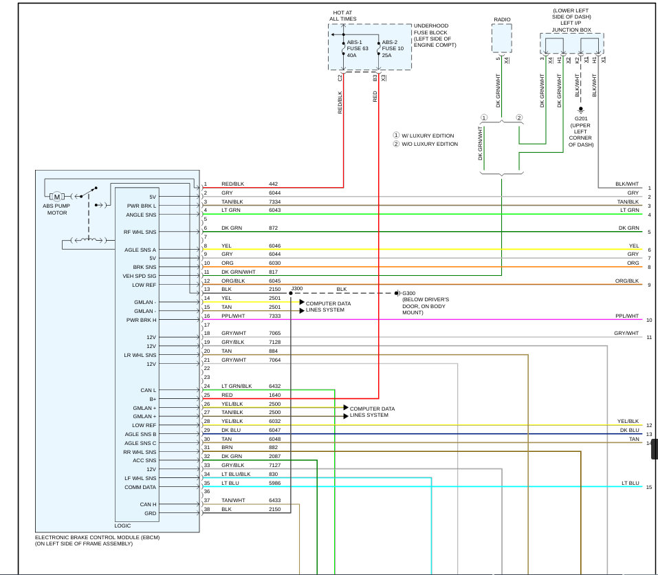
What would cause my ABS and e brake light to stay on?
Was this
answer
helpful?
Yes
No
Friday, February 26th, 2021 AT 9:49 AM (Merged)
Tiny
SCGRANTURISMO
  • MECHANIC
  • 4,897 POSTS
Hello,

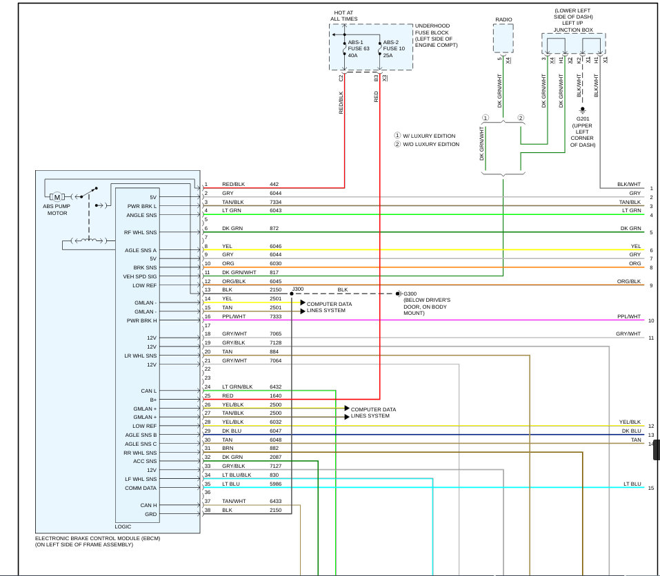
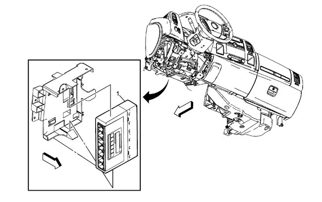
I would recommend first checking the brake fluid and ensuring that it is at the appropriate level. If this doesn't remedy the situation then you could possibly have a problem with your vehicle's Body Control Module[BCM]. In the diagrams down below I have included the likely reasons for the warning lights to stay illuminated, the wiring diagrams for your vehicle's brake system, and the instructions from the vehicle manufacturer for the removal, installation, and reprogramming of the BCM. Please go through these guides and get back to us with what you are able to find out.

Thanks,
Alex
2CarPros
Was this
answer
helpful?
Yes
No
Friday, February 26th, 2021 AT 9:49 AM (Merged)
Tiny
TOMINLEX
  • MEMBER
  • 1 POST
  • 2006 CHEVROLET SILVERADO
  • 5.8L
  • V8
  • 4WD
  • MANUAL
  • 122,000 MILES
At some point in the last couple months the lower brake lights quit working. When I do press the pedal the brake light on top of the cab lights but the lower brake lights do nothing. The hazard lights and turn signal lights use the same bulbs and both of them work fine. I diagnosed it as a bad multi-switch Which I replaced a couple weeks ago but still nothing. I replaced all the fuses.

I haven’t used a test light on the wiring in the steering column. That would be my next step.

Any other ideas?
Was this
answer
helpful?
Yes
No
Friday, February 26th, 2021 AT 9:49 AM (Merged)
Tiny
ASEMASTER6371
  • MECHANIC
  • 52,796 POSTS
Good evening,

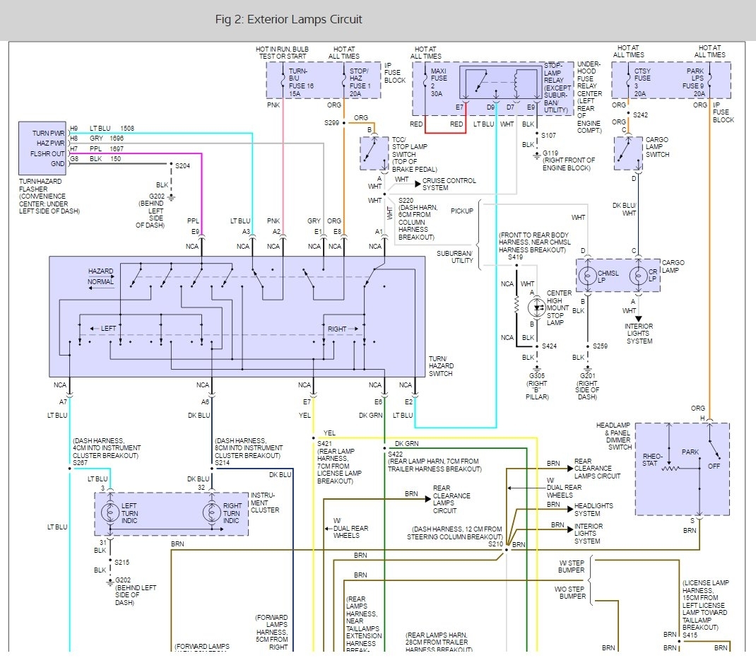
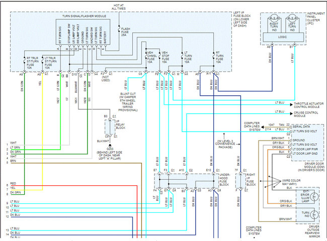
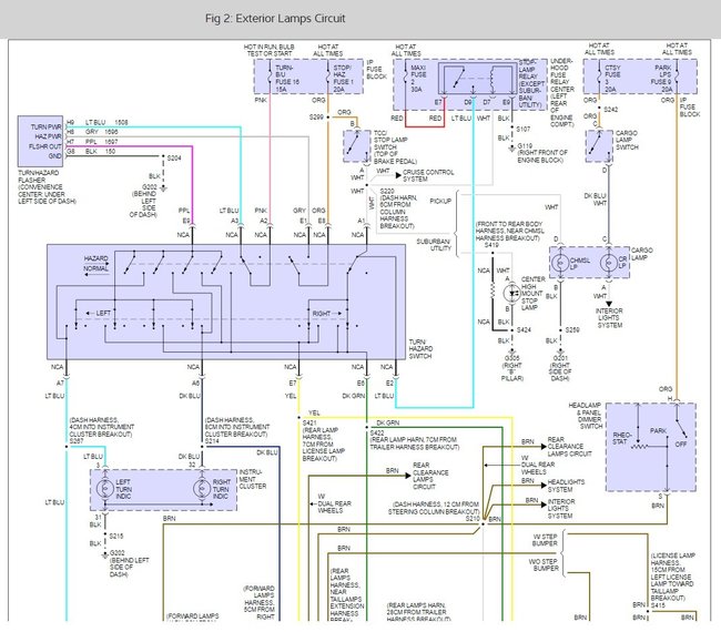
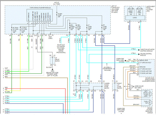
The stoplight switch wire goes to the flasher module as in the diagram I sent to you. Check the 4-way module for power into it from the switch. It could be the module or it could be the wiring from the switch to the module.

Roy

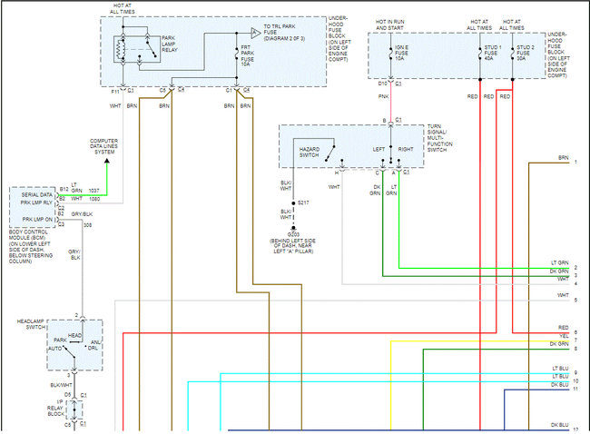
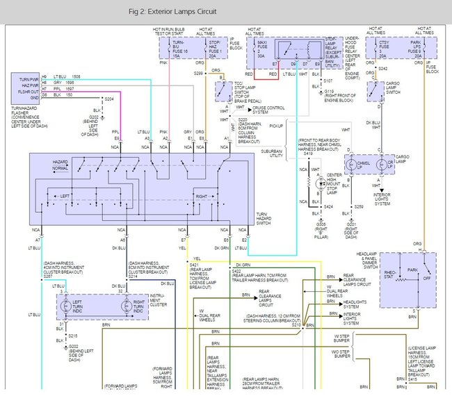
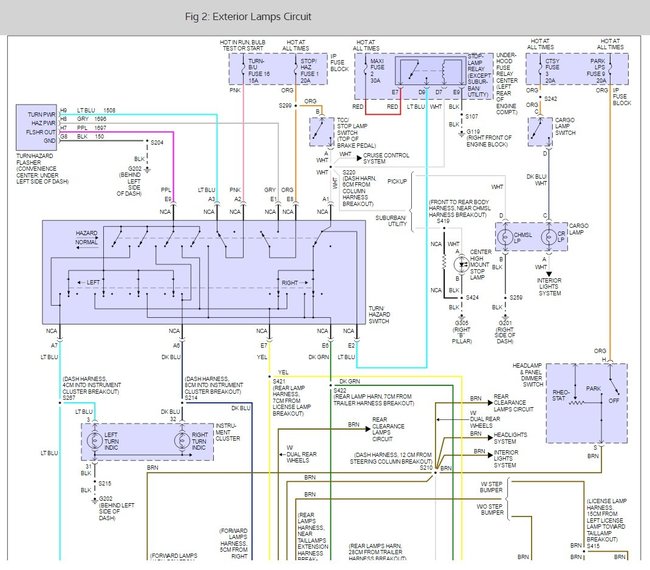
TURN SIGNAL/HAZARD LAMPS

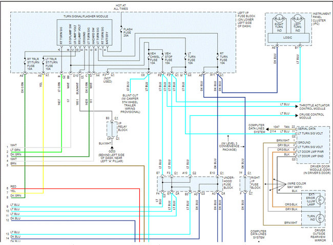
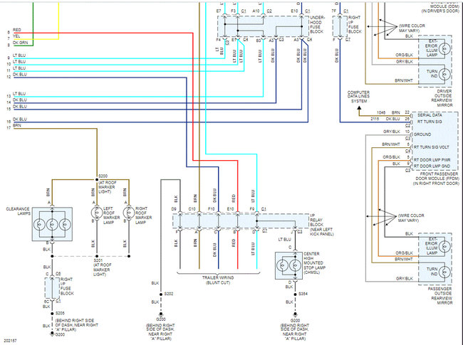
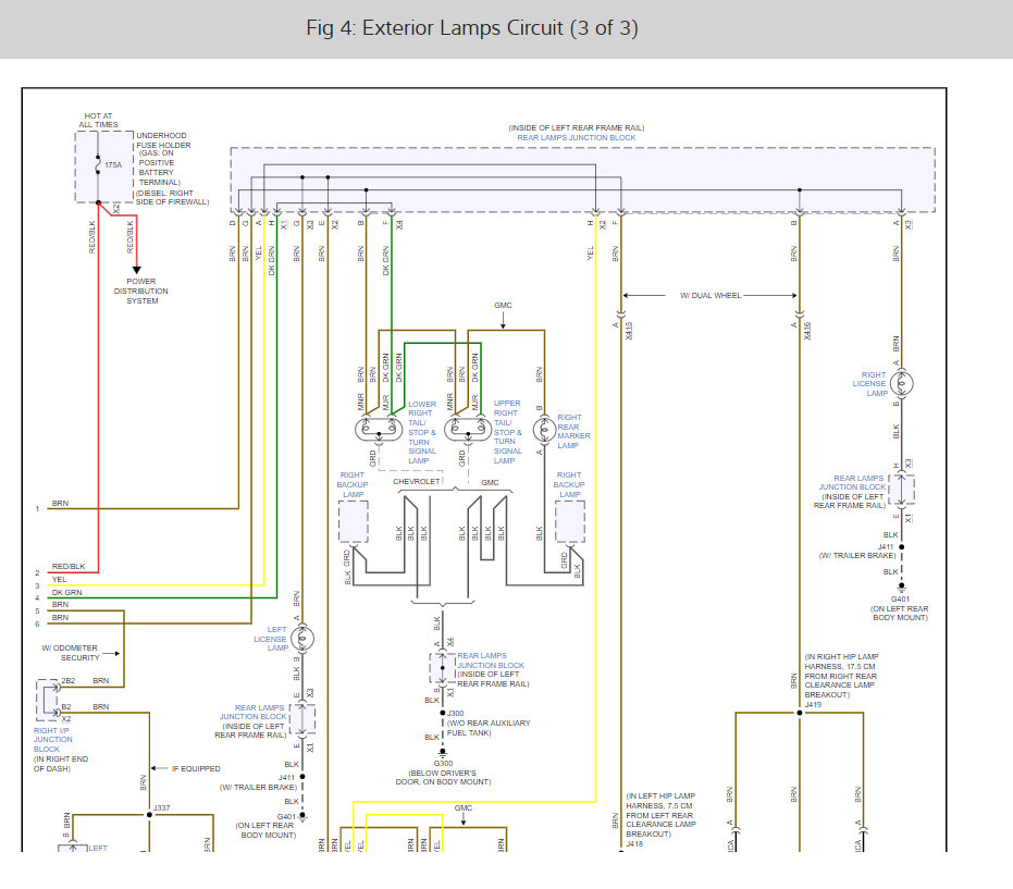
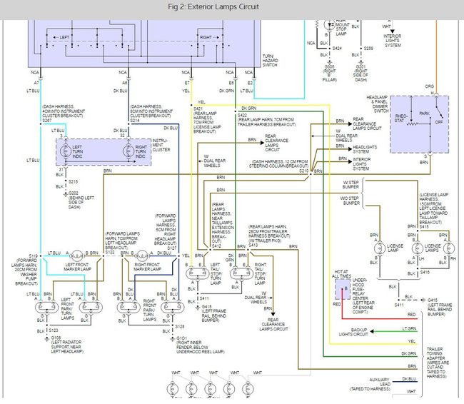
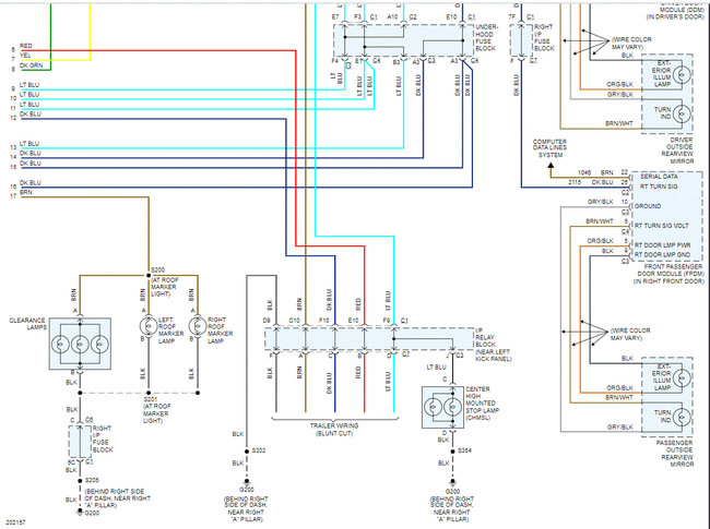
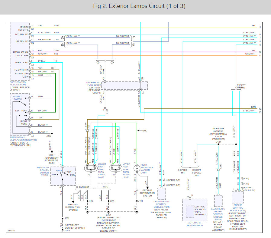
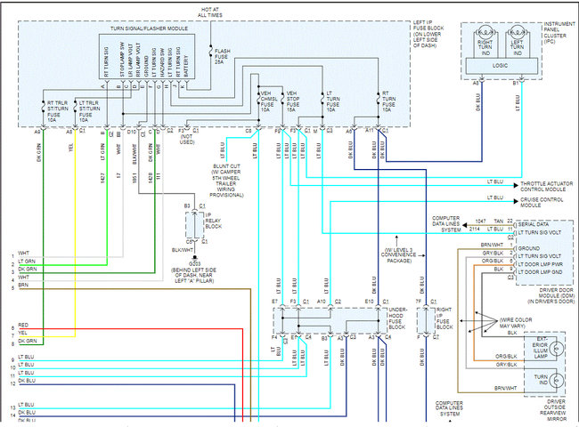
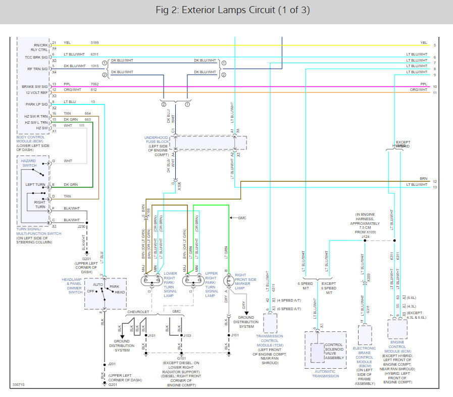
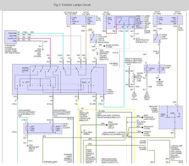
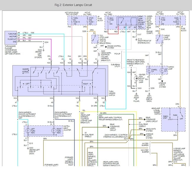
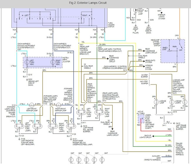
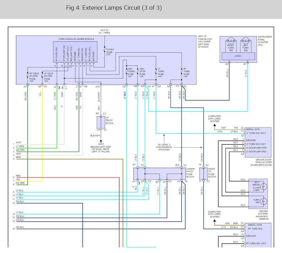
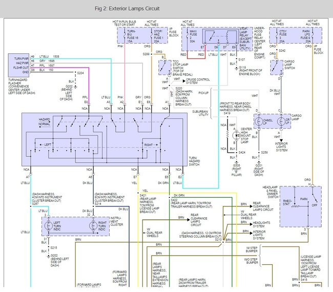
The IGN E 10-amp fuse in the under-hood fuse block supplies battery positive voltage to the turn signal/hazard switch assembly. The FLASH 25-amp fuse in the instrument panel (I/P) fuse block supplies battery positive voltage to the turn signal/flasher module and ground is supplied at G200. When the turn signal switch is placed in either the LEFT or RIGHT position, a voltage signal is completed from the turn signal switch to the turn sign/flasher module. When the hazard flasher switch is activated, a ground signal is completed from the turn signal/hazard switch to the turn sign/flasher module. The turn sign/flasher module then sends an on-off voltage signal through the LT TRLR, RT TRLR, LT TURN or RT TURN 10-amp fuses in the I/P fuse block to the appropriate turn signal or to all 4 fuses for hazard operation. The instrument panel cluster (IPC) indicators receive voltage from the LT TURN and RT TURN fuses as well as the driver door module (DDM)/passenger door module (PDM) for the mirror turn signals. The DDM/PDM has no function or control of the mirror turn signals other that a pass through connection for the circuits. The audio chime is also activated when the turn signals are ON. When the hazard switch is pressed, all turn signal lamps will flash including both IPC turn indicators. The front turn signals are grounded at G100. The rear turn signals are grounded at G401. The Mirror turn signals are grounded by the DDM/PDM.
Was this
answer
helpful?
Yes
No
Friday, February 26th, 2021 AT 9:49 AM (Merged)
Tiny
TIM DAVIS4
  • MEMBER
  • 15 POSTS
  • 2005 CHEVROLET SILVERADO
  • 5.3L
  • V8
  • 2WD
  • AUTOMATIC
  • 110,000 MILES
I'm trying to find the correct part number for my crew cab Silverado LT's driver's side brake harness. I tried replacing the bulb plug ends with aftermarket ones and now the brake lights and tail lights are reversed. With the headlights/tail lights on the brake light is lit. With the brakes pressed down the tail light is on. I wired it with the three wire plugs just like it showed but now it's backwards. I've switched the wire ends but still it doesn't work right and the tail lights and brake lights are backwards.
I am trying to find the correct part number to order a new harness completely. Mine has the three wires on the three larger ones for, 3157. Top brake/tail light, middle blinker, bottom reverse, then at the bottom is the smaller plug side indicator that I think was a 194.
The plugs are all brown and burnt pretty bad on both sides. So if you know and could what is the part number for the passenger side, also. I'll just replace the entire harnesses for both sides instead of worrying and trying to get the new sockets to wire in and screw the passenger side up also.
Thanks.
Was this
answer
helpful?
Yes
No
Friday, February 26th, 2021 AT 9:49 AM (Merged)
Tiny
JACOBANDNICKOLAS
  • MECHANIC
  • 110,194 POSTS
Welcome to 2CarPros.

I will have to know which section of the harness is needed. Is it the part between the rear lamp junction box and the lamps?

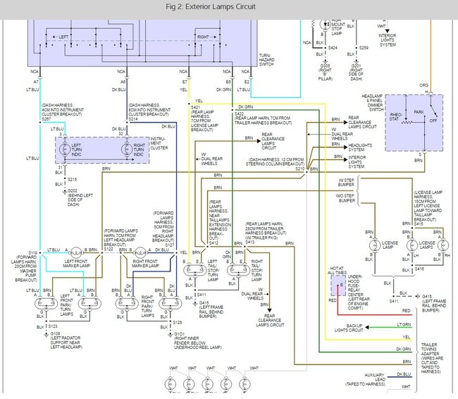
I have to be honest, it sounds like you have the light blue and brown wires reversed. Take a look the the portion of schematic I attached. There are a total of three wires. Black is ground. Light blue is for the brake lights and brown is parking lights. Switch the light blue and brown wires and see if it works.

I did some digging. I believe the part number is 16531401 See if that is what you are looking for.

Let me know.

Joe
Was this
answer
helpful?
Yes
No
+1
Friday, February 26th, 2021 AT 9:49 AM (Merged)
Tiny
TIM DAVIS4
  • MEMBER
  • 15 POSTS
Thanks for your reply. I found after thorough digging and checking with my tester that the top brake/tail light uses all three wires on the new socket. The pink center hooks to brown and the blue hooks to blue. Of course the black is ground. But on the original second, blinker socket it uses two blacks and a blue. Those 2 black wires are connected together to continue the ground up to the top brake/tail light socket. The center wire on that one of my new one isn't used. So I dropped and taped up that center wire, took the black on the new sockets for both top brake/tail light and second blinker and connected them together, and using some spare wiring connected those 2 ground wires to the black ground going down the harness, which also hooks to the black side of the reverse light at the bottom.
I hope that explains it and I don't confuse you, lol. It looks like the reverse bottom only uses the outer 2 wires. Ground and hot, and center wire of it is the ground connected inside it's socket, also. So reverse bottom and blinker middle are only 2 wire sockets while the top brake/tail light is a 3 wire socket. The same ground continues to be used and extended for all 3 sockets.
Anyway, thanks for your help and advice. I looked at the part number you gave and it does look like the correct part number. Driver's side is 16531401 and passenger side is 16531402 in case anyone asks. It runs from around 2002 thru 2007 or so for that same harness I believe. If this gives me problems i'll change them both and forget changing socket ends. It's a big hassle that's for sure.
Tim

Oh, and the new sockets and old sockets have the same rubber bushing so I put them both on each socket so it seals tightly, although it was a bit hard to push in and twist. The aftermarket taillight lense I got was slightly thinner at the holes so the original sockets and these new ones didn't tighten up enough to be water tight. They are now. And thankfully I now have my 3157 LED's and sockets all brand new and working great.
Was this
answer
helpful?
Yes
No
Friday, February 26th, 2021 AT 9:49 AM (Merged)
Tiny
JACOBANDNICKOLAS
  • MECHANIC
  • 110,194 POSTS
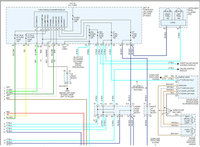
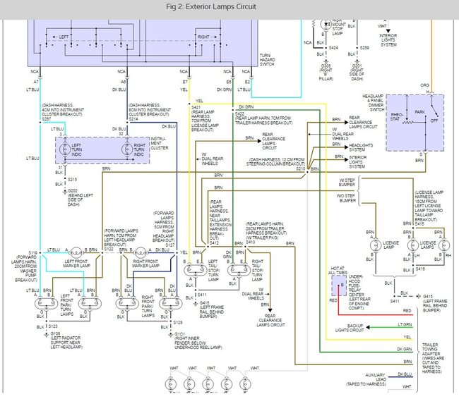
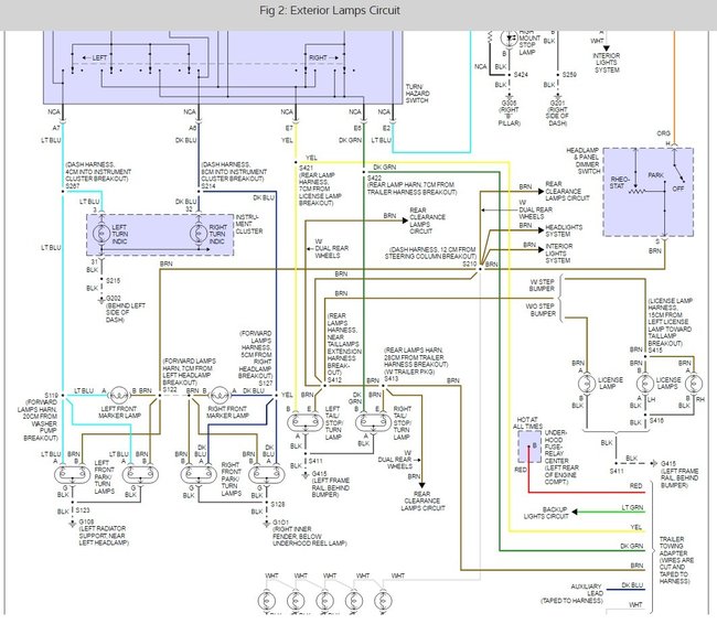
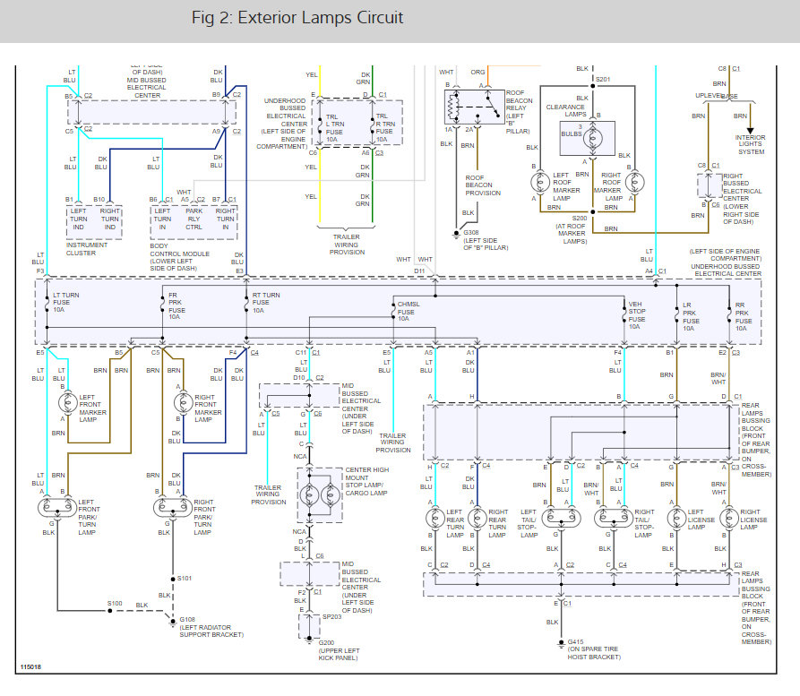
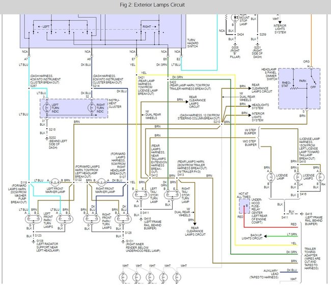
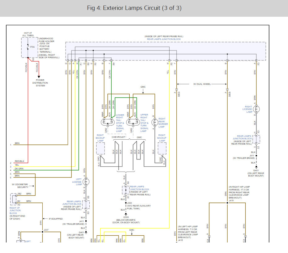
That's good news. As far as the back up lights and the middle bulbs they are single element bulbs. That's why they have only two wires (power and ground). And you nailed it with the ground. They all have one common ground, so they splice from one socket to the next. Wiring can be a nightmare, but for some reason, I enjoy working on electrical issues. I must be nuts. Just as a reference, here are the wiring schematics for the exterior lighting system. Hopefully, you won't need them, but better safe than sorry.

I cut each page in half so it was more readable. I did overlap them so you can follow them. I hope everything is still properly working.

Check out the diagrams (below). Please let us know what happens.
Was this
answer
helpful?
Yes
No
+1
Friday, February 26th, 2021 AT 9:49 AM (Merged)
Tiny
IDHARWELL1
  • MEMBER
  • 1 POST
  • 2004 CHEVROLET SILVERADO
  • 5.3L
  • V8
  • 4WD
  • 87,000 MILES
My rear brake lights do not work. Bulbs have been replaced, brake light switch has been replaced, junction box has been replaced. Fuses have been checked all are good. Still no brake lights the brake light on the cab does work but no brake lights in the rear. Please help.
Was this
answer
helpful?
Yes
No
Friday, February 26th, 2021 AT 9:49 AM (Merged)
Tiny
KEN L
  • MASTER CERTIFIED MECHANIC
  • 55,481 POSTS
Hello,

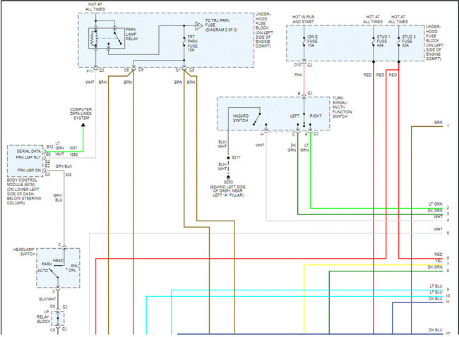
There is a flash fuse that needs to be checked for power. Here is a guide to help us get started with the blinker wiring diagrams so you can see how it works with the fuse location as well:

https://www.2carpros.com/articles/how-to-check-a-car-fuse

It sounds like the flasher module might be out. Check out the diagrams (below). Please let us know what happens.

Cheers, Ken

Was this
answer
helpful?
Yes
No
Friday, February 26th, 2021 AT 9:49 AM (Merged)
Tiny
DMRUIZ
  • MEMBER
  • 1 POST
  • 1998 CHEVROLET SILVERADO
My brake lights on my chevy p/u do not work. I have backup lights taillights blinkers but no brake lights. I have ckd the bulbs changed the blk electrical circuit board in the rear. Also chkd all fuses and changed the one under the brake pedal. Help im at my witts end and driving dangerously.

Thanks deb
Was this
answer
helpful?
Yes
No
Friday, February 26th, 2021 AT 9:49 AM (Merged)
Tiny
KEN L
  • MASTER CERTIFIED MECHANIC
  • 55,481 POSTS
Hey Deb,

There is a brake light relay that sounds like it has gone out. Here are a couple of guides and a wiring diagram to help you get the problem fixed. Test for power using a test light.

https://www.2carpros.com/articles/how-to-use-a-test-light-circuit-tester

and

https://www.2carpros.com/articles/how-to-check-an-electrical-relay-and-wiring-control-circuit

Please run some tests and get back to us so we can continue helping you.

Best, Ken

Was this
answer
helpful?
Yes
No
Friday, February 26th, 2021 AT 9:49 AM (Merged)
Tiny
LANCASTERED
  • MEMBER
  • 2 POSTS
  • 1998 CHEVROLET SILVERADO
  • V8
  • 4WD
  • AUTOMATIC
  • 141 MILES
I have no voltage or fluctuating voltage going to the third brake light. It appears to be a short. I have recently replacedthe brake light switch and turn signal switch cluster. I cannot find an accurate wiring diagram for the brake circuit even though I have purchased Clymer and Haynes manuals for this truck. The regular bed brake lights work fine. It does not appear to b a problem in the wiring harness that runs to the rear speakers and brake light. There are no fuses being blown. Does anyone have a suggestion or a wiring diagram that includes the third brake light.
Was this
answer
helpful?
Yes
No
Friday, February 26th, 2021 AT 9:49 AM (Merged)
Tiny
JDL
  • MECHANIC
  • 16,098 POSTS
At the chmsl, white wire is voltage black is ground.
Was this
answer
helpful?
Yes
No
Friday, February 26th, 2021 AT 9:49 AM (Merged)
Tiny
LANCASTERED
  • MEMBER
  • 2 POSTS
Thank you, this helps immensely
Was this
answer
helpful?
Yes
No
Friday, February 26th, 2021 AT 9:49 AM (Merged)
Tiny
JDL
  • MECHANIC
  • 16,098 POSTS
Hope you get it going your way.
Was this
answer
helpful?
Yes
No
-1
Friday, February 26th, 2021 AT 9:49 AM (Merged)
Tiny
NATE OLDENBURGER
  • MEMBER
  • 1 POST
  • 1992 CHEVROLET SILVERADO
  • 5.7L
  • V8
  • 4WD
  • AUTOMATIC
  • 115,000 MILES
I have running lights, turn signals, and hazard lights, but no brake lights when the pedal is pushed. The fuse is intact, we replaced the brake light switch on the brake pedal as well, but the brake lights still will not turn on. We also checked the ground which is good.
Was this
answer
helpful?
Yes
No
Friday, February 26th, 2021 AT 9:50 AM (Merged)
Tiny
KEN L
  • MASTER CERTIFIED MECHANIC
  • 55,481 POSTS
Hello,

It sounds like the turn signal switch is out, but to be sure let's follow this guide and the wiring diagrams to test for power through the switch (green and yellow wire).

https://www.2carpros.com/articles/how-to-use-a-test-light-circuit-tester

Check out the diagrams (below). Let us know what happens and please upload pictures or videos of the problem.

Cheers, Ken
Was this
answer
helpful?
Yes
No
Friday, February 26th, 2021 AT 9:50 AM (Merged)

Please login or register to post a reply.