Code 43

Tiny
JASONNOBLE24
  • MEMBER
  • 1993 CHEVROLET SILVERADO
  • V8
  • 4WD
  • AUTOMATIC
  • 207,000 MILES
My truck shows code 43 but had no plug for the electronic spark control or the control its self on my motor I do believe its code 43 I ran it earlier to day what do I need to do to fix this it just has a little bit of a rough idle.
Thursday, February 25th, 2010 AT 11:08 PM

9 Replies

Tiny
RASMATAZ
  • MECHANIC
  • 75,992 POSTS
Hello,

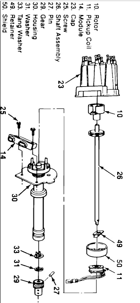
This code is for the knock sensor which is located by the starter here is the location in the diagrams below. Check out the diagrams (Below). Please let us know if you need anything else to get the problem fixed.
Was this
answer
helpful?
Yes
No
+6
Thursday, February 25th, 2010 AT 11:14 PM
Tiny
JASONNOBLE24
  • MEMBER
  • 5 POSTS
So I should buy a new knock sensor? So I should get a new knock sensor or is there a way to bypass it?
Was this
answer
helpful?
Yes
No
+6
Thursday, February 25th, 2010 AT 11:46 PM
Tiny
RASMATAZ
  • MECHANIC
  • 75,992 POSTS
I would replace the sensor first to see what happens here is the location. Check out the diagrams (Below). Please let us know what happens.
Was this
answer
helpful?
Yes
No
+5
Friday, February 26th, 2010 AT 2:28 AM
Tiny
JASONNOBLE24
  • MEMBER
  • 5 POSTS
I replaced the sensor and the same codes up?
Was this
answer
helpful?
Yes
No
+4
Friday, February 26th, 2010 AT 10:41 AM
Tiny
RASMATAZ
  • MECHANIC
  • 75,992 POSTS
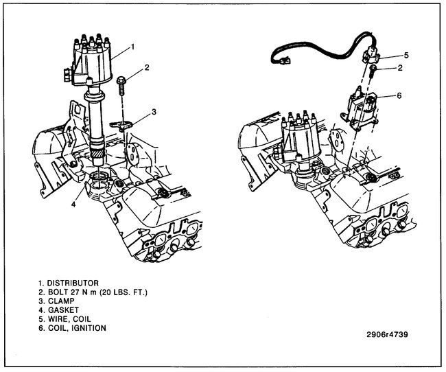
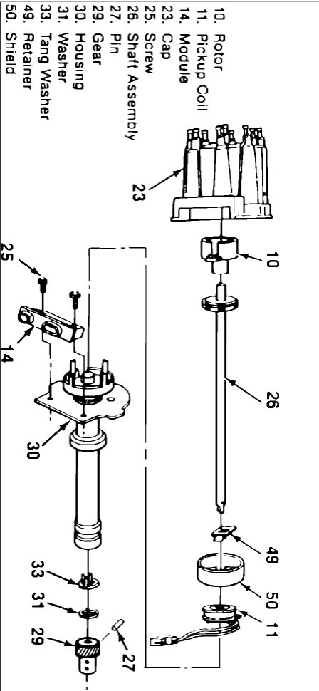
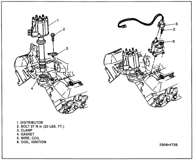
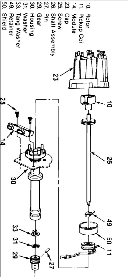
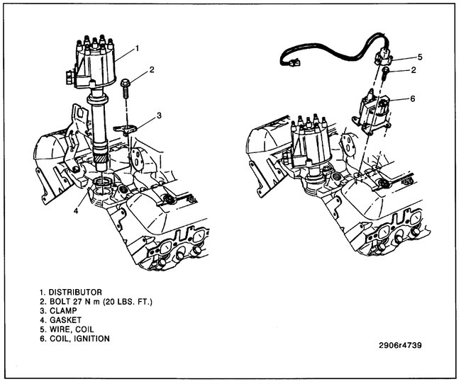
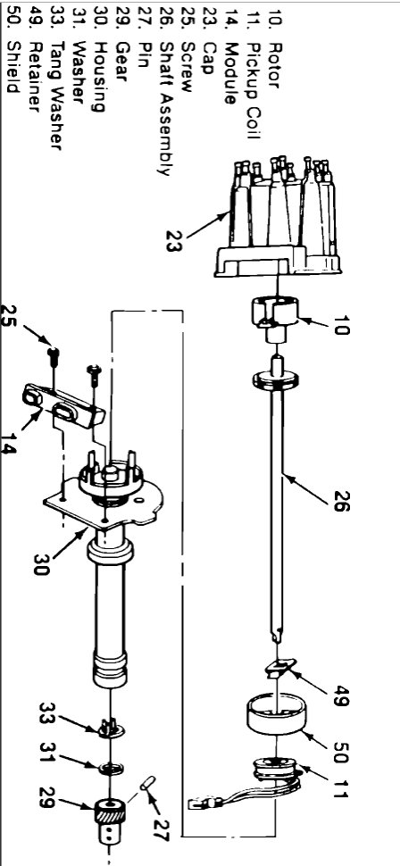
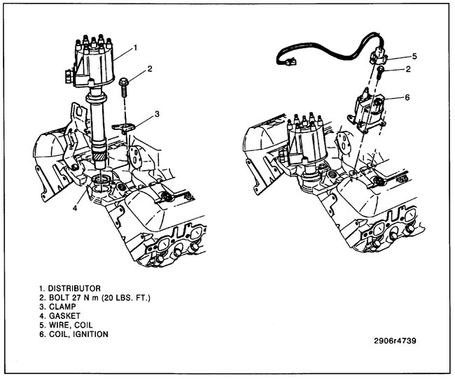
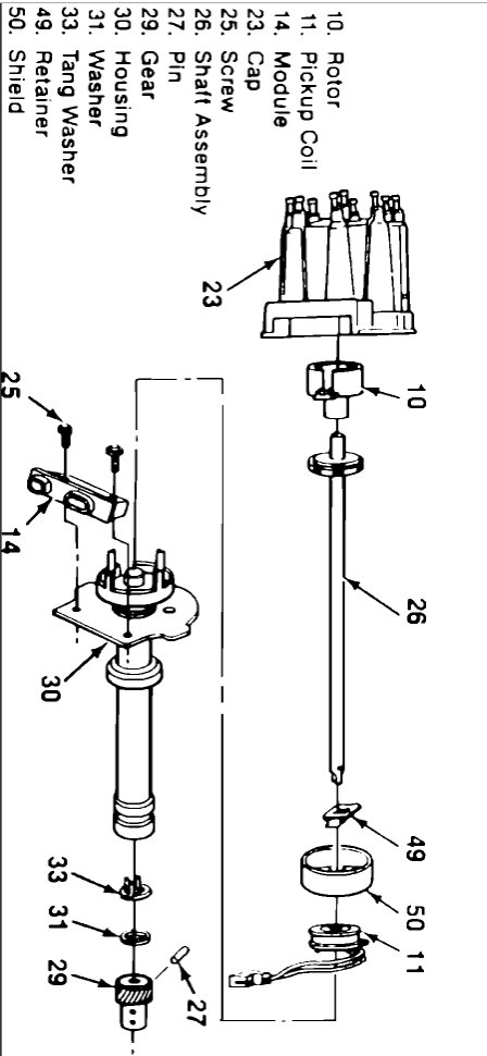
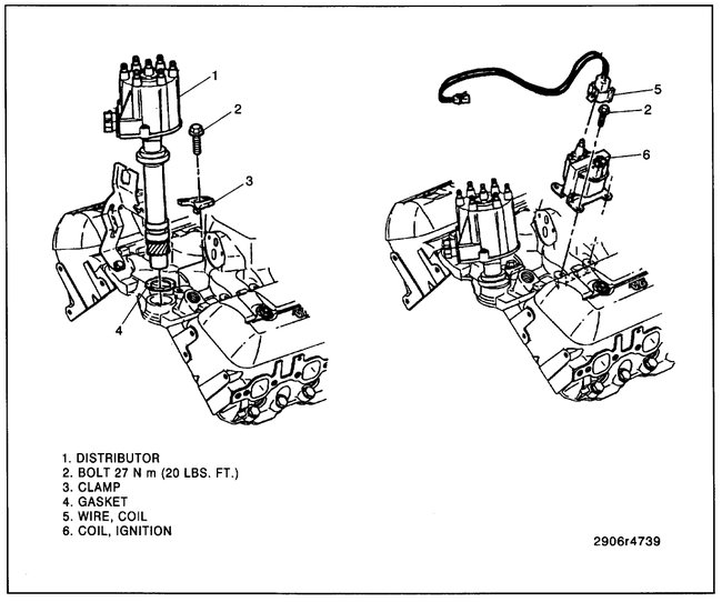
I would swap out the distributor with a rebuild unit here are diagrams to help you Below.
Was this
answer
helpful?
Yes
No
+8
Friday, February 26th, 2010 AT 2:02 PM
Tiny
JASONNOBLE24
  • MEMBER
  • 5 POSTS
That did it :) thanks so much for helping me solve the problem.
Was this
answer
helpful?
Yes
No
+7
Tuesday, March 2nd, 2010 AT 7:16 PM
Tiny
RASMATAZ
  • MECHANIC
  • 75,992 POSTS
Nice work, we are here to help, please use 2CarPros anytime.

Cheers
Was this
answer
helpful?
Yes
No
+9
Friday, March 5th, 2010 AT 12:58 PM
Tiny
JOSEPH24
  • MEMBER
  • 1 POST
I have 1995 Chevrolet 5.7 with same code P43. I have changed knock sensor, connector and distributor light still comes back on with Code P43.
Was this
answer
helpful?
Yes
No
Tuesday, June 8th, 2021 AT 7:47 AM
Tiny
JACOBANDNICKOLAS
  • MECHANIC
  • 110,194 POSTS
Hi,

This code is set when there is low or high voltage sent from the knock sensor. Since the module has been replaced, chances are either it is a wiring issue or the ignition control is bad (part of PCM).

If you look at the attachments below, they provide the diagnostics for determining if there is a voltage issue or if it is a sensor. Since the code is still present, you can most likely skip step one and jump to step 2.

Here is a link you may find helpful:

https://www.2carpros.com/articles/how-to-check-wiring

Let me know what you find or if you have other questions. Also, the directions below are for a truck having an automatic transmission. If your vehicle is a manual, let me know. Also, the third pic is more or less a description of the circuit and what causes the code to set.

Take care,

Joe

See pics below.
Was this
answer
helpful?
Yes
No
+1
Thursday, June 10th, 2021 AT 6:25 PM

Please login or register to post a reply.