1996 Chevy S-10 6 cyl Four Wheel Drive Automatic 170K miles
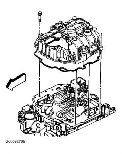
Engine was running sluggish and lost power at times. Got worse over time. Replaced the fuel filter which was FILTHY! A friend of mine said he had a similar problem, and had to replace the fuel "spider". I replaced that, as well as a top end gasket set. After that I get no response from the fuel pump. Before, I had checked the pressure at the fuel rail and it read 60 PSI which I was told was good. Alll fuses and relays APPEAR to be working, so where do I check the voltage going to the fuel pump, and what should it read? Where are the fuses and relays I should check in case I've missed something? If I put fuel into the throttle body, the truck will start momentarily, so where else can I check for the reason of no power to the fuel pump? PLEASE HELP!
Wednesday, February 18th, 2009 AT 4:34 PM



