Fuel gauges stays on full

Tiny
JASONWOODARD
  • MEMBER
  • 1996 CHEVROLET S-10
  • 4 CYL
  • 2WD
  • MANUAL
  • 99,000 MILES
I put new fuel pump and new cluster still didn't help fix. What is wrong with it?
Thursday, September 17th, 2009 AT 7:53 PM

1 Reply

Tiny
SQM
  • MECHANIC
  • 6,383 POSTS
Hello,

If you have replaced the fuel level sensor as well as the gauge, then the issue is likely a faulty wire that is triggering the gauge to stay on full.

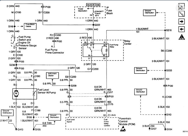
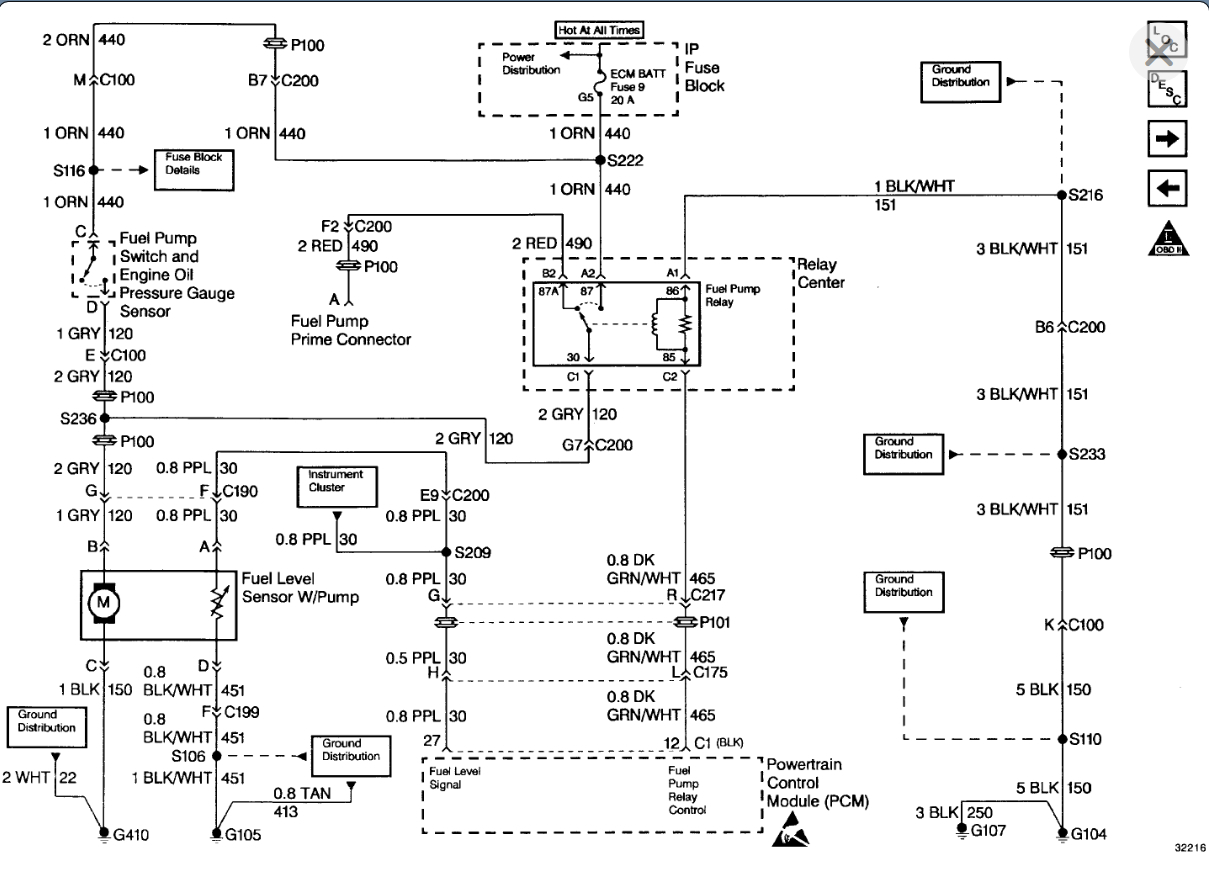
Tracing the fuel level sensor wire should help to determine the issue.

https://www.2carpros.com/articles/how-to-check-wiring

I have attached the fuel pump wiring schematics below. Take a look at the part that shows the level sensor to the gauge. The issue is likely that wire.

Please let me know of any questions.
Thank you.
Was this
answer
helpful?
Yes
No
Monday, November 29th, 2021 AT 6:50 AM

Please login or register to post a reply.