Monday, August 7th, 2006 AT 3:52 PM
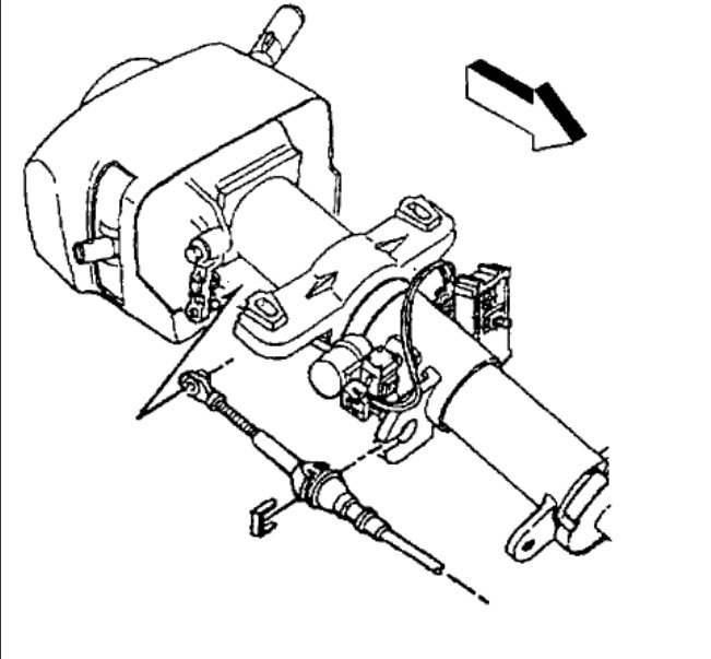
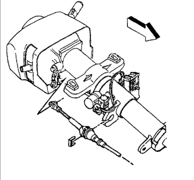
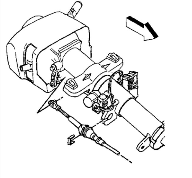
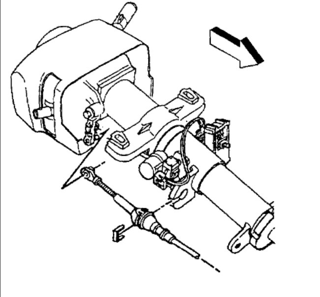
1998 S10 pickup two wheel drive with a four cylinder engine automatic 88,000 miles. Truck will not set in park and will only start in neutral. The problem just started all of a sudden, I stopped for gas truck was fine got back in and went to crank and it would not crank. When you put the truck in park, the P in the dash does not light up and the truck will roll and you do not have to press the brake to move the gear shifter. I have to put the truck in neutral to crank it.



