Brake light switch replacement?

Tiny
PAPA1ONE
  • MEMBER
  • 1998 CHEVROLET MALIBU
  • 6 CYL
  • 2WD
  • AUTOMATIC
  • 71,000 MILES
I need to replace the brake light switch. I have the new switch but can't seem to find it under the dash.
Saturday, January 5th, 2008 AT 8:19 PM

2 Replies

Tiny
DANNY L
  • MECHANIC
  • 5,648 POSTS
Hello, I'm Danny.

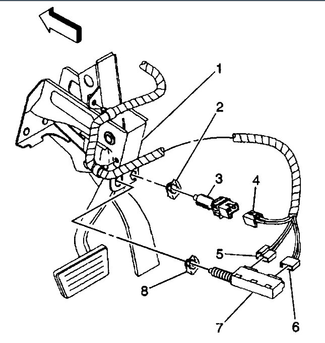
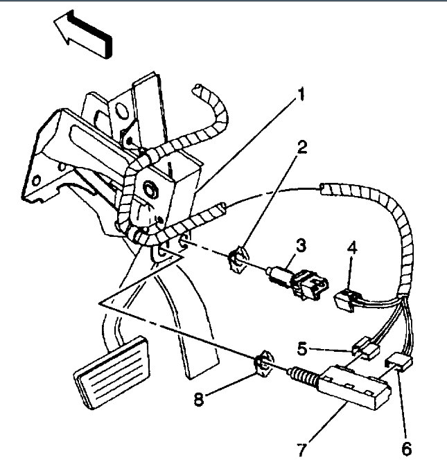
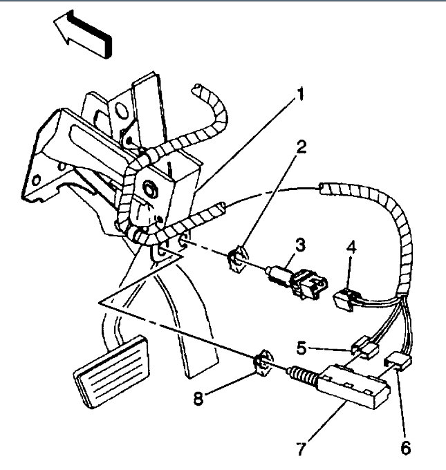
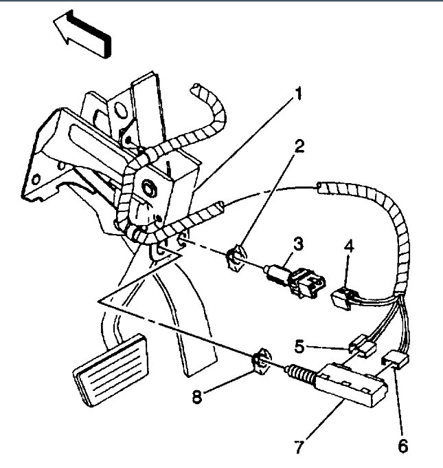
I've attached picture brake light switch replacement steps below. This includes the location for the switch located near the brake pedal on your car. Hope this helps and thanks for using 2CarPros.
Was this
answer
helpful?
Yes
No
Friday, November 27th, 2020 AT 7:55 PM
Tiny
KASEKENNY
  • MECHANIC
  • 18,907 POSTS
It is located on the shaft of the brake pedal. I attached the information from the manual below for your review.

Let us know if you need more info. Thanks
Was this
answer
helpful?
Yes
No
Friday, November 27th, 2020 AT 7:58 PM

Please login or register to post a reply.