brake light stay on?

2008 CHEVROLET MALIBU
55,000 MILES • 6 CYL • 2WD • AUTOMATIC
Avatar
WHBONHAM
  • MEMBER
  • 1 POST
brake lights stay on until you step on brake pedal
Apr 27, 2010 at 2:35 PM
Repair Safety Notice: This information is for general instructional purposes only. Vehicle repair can be dangerous. Verify all information, follow manufacturer service procedures, use proper tools and safety equipment, and consult a qualified repair shop when needed.
Advertisement
Avatar
BMRFIXIT
  • CAR REPAIR CONTRIBUTOR
  • 19,053 POSTS
Hello,

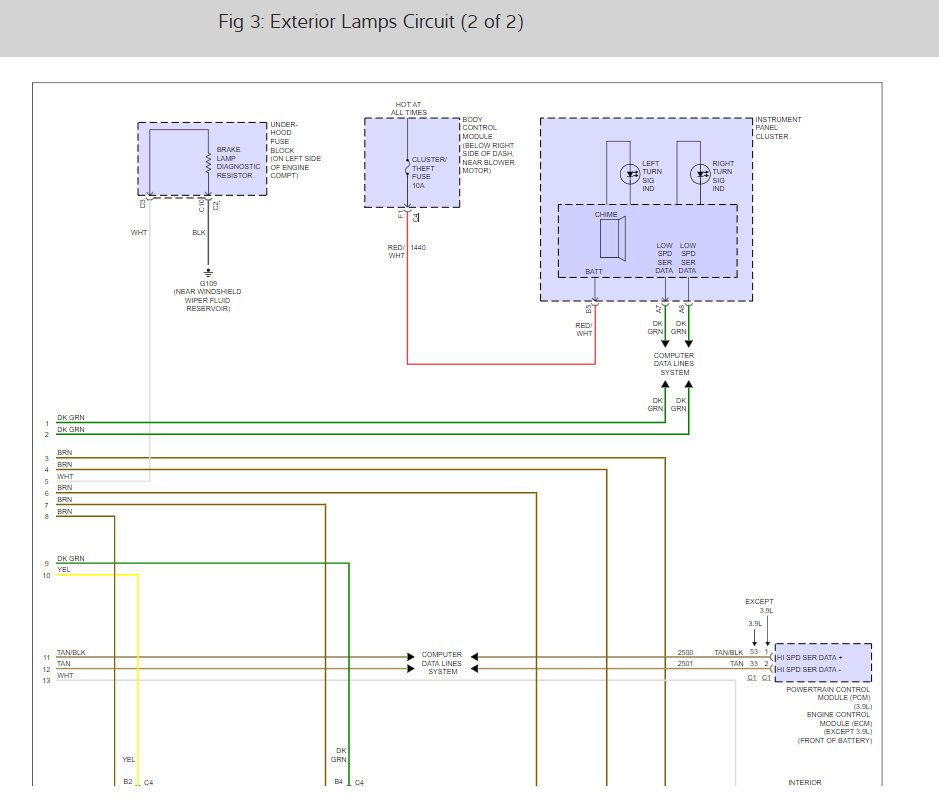
This sounds like a problem witht eh BCM but to be sure here is the brake light wiring diagrams so you can see how the system works. Check out the diagrams (Below). Please let us know what happens.
Jan 3, 2019 at 9:53 AM
Advertisement
Avatar
ASEMASTER6371
  • CAR REPAIR CONTRIBUTOR
  • 52,796 POSTS
Here is how you replace the BCM in the diagrams below.

Roy
Jan 6, 2020 at 12:23 PM (Merged)
Avatar
ANNEMCG1986
  • MEMBER
  • 1 POST
While driving my brake lights stay on, and then when i break they go off. I'm not sure what causes this or what i should do. I'm worried i will get rear ended because of this so i would like to get it fixed as soon as possible. Thank you for your advise.
Jan 6, 2020 at 12:23 PM (Merged)
Avatar
HMAC300
  • CAR REPAIR CONTRIBUTOR
  • 48,601 POSTS
check for a faulty or broken brake light switch
Jan 6, 2020 at 12:23 PM (Merged)
Avatar
POSTWICK
  • MEMBER
  • 5 POSTS
With the brake pedal released, the brake lights (on the back of the car) stay on. If I press the pedal slightly they go off...then if I press it further down (how you would if you were stopping a little quickly) they come on. I have read a number of people online having the same problem, and the answer is to "adjust the brake light switch at the top of the brake pedal". However, on my car there is no switch there. There is a metal rod that sticks about 6 inches off the left side of the brake pedal, perpendicular to the brake pedal lever. When you press the pedal it turns a white plastic switch (looks like if you make a "peace" sign with your fingers). That is the only switch I see anywhere near the brake pedal under the dash.
Jan 6, 2020 at 12:23 PM (Merged)
Avatar
RASMATAZ
  • CAR REPAIR CONTRIBUTOR
  • 75,992 POSTS
There is a brake pedal switch that needs to be checked first to see if the adjustment is off. If the adjustment is okay unplug the switch tio see if the brake lights stay on if so the BCM is bad and needs to be replaced. You can get a used unit and plug it in but you may need to get it programmed to the car which will cost about $130.00 at a shop. Here are wiring diagrams for the brake lights so you can see how they work and the BCM location with the brake light switch location as well. Check out the diagrams (Below). Please let us know what you find. We are interested to see what it is.
Jan 6, 2020 at 12:23 PM (Merged)
Avatar
POSTWICK
  • MEMBER
  • 5 POSTS
This is what the switch I'm talking about looks like. it's the only switch I see. on the 2006 have they combined the sensor that allows you to shift out of park with the sensor for the rear brake lights? this is the only switch I see that is affected by pressing the brake pedal.


https://images.2carpros.com/forum/automotive_pictures/228923_untitled_1.jpg

this switch is NOT mounted on the brake pedal or lever. it is to the left about 6 or 8 inches, and is rotated by a metal rod that sticks off the side of the brake pedal lever and inserts between the two arms on the above switch.
Jan 6, 2020 at 12:23 PM (Merged)
Avatar
RASMATAZ
  • CAR REPAIR CONTRIBUTOR
  • 75,992 POSTS
Disconnect the switch and observe the brake lights-The brake switch/sensor are use to control other function such as the cruise control and shift interlock
Jan 6, 2020 at 12:23 PM (Merged)
Avatar
POSTWICK
  • MEMBER
  • 5 POSTS
Hmm, I also noticed the cruise control no longer works. When I press the on/off button the light does not come on on the dash, and the set button doesn't do anything.

I'll try disconnecting it and report back. Thank you so much for your help.
Jan 6, 2020 at 12:23 PM (Merged)
Avatar
CHALL52
  • MEMBER
  • 9 POSTS
postwick,

I had this problem and they had to replace the BCM it cost me $462.00 I wish I saw this post first I would have got a used one.

Thanks,
Chris
Jan 6, 2020 at 12:23 PM (Merged)
Avatar
POSTWICK
  • MEMBER
  • 5 POSTS
no I have not resolved it yet. I just make sure to press the pedal down enough that the brake lights come on when I'm stopping/stopped.

I called the repair shop I usually use and they said the sensor is a dealer-only part, and I know what that means $$$.
Jan 6, 2020 at 12:24 PM (Merged)
Avatar
CHALL52
  • MEMBER
  • 9 POSTS
I've changed the brake switch above the pedal and that cost me about $22 from the dealership and no fix.

I did some troubleshooting last night and I found the fuses and relays that interface the brake light system. I swapped a brake relay with the trunk release relay (they are identical) and so far I haven't had problems with my brakes. I've noticed my trunk not responding as quickly, but that might be wishful thinking.

I'm keeping close eye on it, so if anything changes I'll let you know.
Jan 6, 2020 at 12:24 PM (Merged)
Avatar
TDINMT
  • MEMBER
  • 2 POSTS
I know this question is old but hope someone may be able to use this.
#08-05-22-009: Intermittently Brake Lights (Stop Lamp) Do Not Function Correctly, Extended Travel to Shift Out of Park, Cruise Control Inoperative, DTC C0161/C0277 Set (Perform Repair as Outlined) - (Dec 4, 2008)


Subject: Intermittently Brake Lights (Stop Lamp) Do Not Function Correctly, Extended Travel to Shift Out of Park, Cruise Control Inoperative, DTCs C0161/C0277 Set (Perform Repair as Outlined)


Models: 2004-2007 Chevrolet Malibu, Malibu Maxx

2008 Chevrolet Malibu Classic

2005-2009 Pontiac G6

2007-2009 Saturn AURA




--------------------------------------…

Condition
Some customers may comment that intermittently the brake lights do not function correctly. Other symptoms may include extended pedal travel required to shift out of PARK, cruise control does not function correctly, and DTC C0161 and/or C0277 may be set.

Cause
The most likely cause of this condition is high resistance due to terminal fretting corrosion in the body control module (BCM) C2 connector (specifically pins C2-18, C2-31 and C2-59).

Correction
DO NOT replace the BCM for this condition. Disconnecting the C2 connector, adding dielectric silicone grease and reconnecting the C2 connector per the procedure below will correct the high resistance condition due to terminal fretting corrosion.

Remove the right side front floor console side trim panel to access to the Body Control Module (BCM).
Locate the C2 connector on the BCM.
Unlatch the C2 connector and disconnect the C2 connector from the BCM.
Reconnect the C2 connector back on the BCM and re-latch.
Repeat Steps 3 and 4 (this step cleans up the terminal fretting corrosion).
Using the Tech 2®, verify the brake pedal position sensor (BPPS) voltage is between:
• 0.88V - 2.11V (for 2004-2006 model years)

• 0.73V - 1.47V (for 2007-2009 model years)

Check for proper operation of the brake lights.
• If the brakes lights are operating properly, remove the C2 connector again from the BCM and proceed to Step 8.

• If the brake lights are not operating properly, proceed to Step 12.





Apply dielectric lubricant (clear gel) GM P/N 12377900 (In Canada, use P/N 10953529) on the BCM C2 pins (apply with a one-inch nylon bristle brush) on all the C2 connector pins (this will treat the pins against fretting corrosion).
Reconnect the C2 connector back on the BCM and re-latch.
Reinstall the right side front floor console side trim panel.
Using the Tech 2®, check that the BPPS ratio is equal to BPPS learned home when the brake pedal is not depressed.
• If they are equal, brake lamps should be operating correctly and no further steps are necessary.

• If they are not equal, perform the Brake Pedal Position Sensor Calibration procedure in SI to complete the repair.

Check the brake lights for proper operation. If incorrect, refer to SI and perform normal diagnostics.
Source(s):
gm tech
Jan 6, 2020 at 12:24 PM (Merged)
Avatar
NO KNOWLEDGE
  • MEMBER
  • 2 POSTS
i just realized my brake lights were doing the same thing. can anyone put this in simple terms for me, that i can try myself?
Jan 6, 2020 at 12:24 PM (Merged)
Avatar
TDINMT
  • MEMBER
  • 2 POSTS
what do you want to try yourself, I took mine to a shop with the tsb and it took them about half an hour and no more problems. the connection is in the passenger foot well, in the center console area by the passengers left foot. the c2 connector, my mechanic said was labeled j2. just look for the 2. unplug, plug, unplug, plug and check your brake lights. if they work, unplug one more time add the special grease plug in and forget about it.
Jan 6, 2020 at 12:24 PM (Merged)
Avatar
PARKWAYCOLLISIONSVCINC
  • MEMBER
  • 1 POST
We found the resister fuse in the fuse box next to the left fender and unplugged it several times and the lights started working normally. we coated the terminals with dielectric grease and have our fingers crossed but it seems to have done the trick.
[quote:df8dd054a3="postwick"]Brakes problem
2006 Chevy Malibu 6 cyl Front Wheel Drive Automatic 41000 miles
----------------------------------------------------------------
With the brake pedal released, the brake lights (on the back of the car) stay on. If I press the pedal slightly they go off...then if I press it further down (how you would if you were stopping a little quickly) they come on. I have read a number of people online having the same problem, and the answer is to "adjust the brake light switch at the top of the brake pedal". However, on my car there is no switch there. There is a metal rod that sticks about 6 inches off the left side of the brake pedal, perpendicular to the brake pedal lever. When you press the pedal it turns a white plastic switch (looks like if you make a "peace" sign with your fingers). That is the only switch I see anywhere near the brake pedal under the dash.[/quote:df8dd054a3]
Jan 6, 2020 at 12:24 PM (Merged)
Avatar
CAPTNCOIN
  • MEMBER
  • 1 POST
j2 connector was the trick on one i have fought with all morn. thanks guys. :)
Jan 6, 2020 at 12:24 PM (Merged)
Avatar
MALIBU2006
  • MEMBER
  • 1 POST
My car is currently experiencing this problem. Have been to the shop 5 times over the last 2 weeks and spent LOTS of $$$$$. Has this problem ever reoccurred for you?
Jan 6, 2020 at 12:24 PM (Merged)
Avatar
DOLPHANS1
  • MEMBER
  • 1 POST
Hey guys and Gals, the problem is the brake switch itself, meaning the brake switch sticks. I read this post about a year ago, and the answers many answers I read scared me.

Reason being, all the answers and all the solutions were all over the map. The real issue is the brake switch gets sticky/dirty and needs to be lubricated/cleaned.

I took it to a Chevrolet dealership ($120.00 total charge), they (Chevrolet Dealership)claimed to have replaced the brake switch and not even two weeks went by, and the brake lights started coming on again without notice, rendering the cruise control useless.

I returned the 2006 Malibu back, and they questioned me why didn't I return the car sooner (the lights came on not even 2 days after repair, but not all the time.)

My reply was, well I have to work and why didn't you fix it right the first time.

A few hours later they (Dealership) called and said they couldn't find anything wrong with the car, all they did was lubricate the brake light switch.

It has been about a year since the lubrication and the problem has not returned and the cruise control works like its supposed to.

d-1
Jan 6, 2020 at 12:24 PM (Merged)
Avatar
FAYBY43
  • MEMBER
  • 1 POST
I have a malibu 2006 ,the brake lights were staying on, we replaced the relay switch still wouldn't work.. then we read that the brakes had to be re calibrated with a tech 2 scan tool from a dealership. that worked for a while now another year has passed and they have come back on again.

I have been reading about it and most come to the conclusion,it's a connection on the right side console ,which was stated that even a dealership noted that the c2 connection

Jan 6, 2020 at 12:24 PM (Merged)
Avatar
COURTNEY M. NICKERSON
  • MEMBER
  • 1 POST
Has anyone found a permanent fix for this issue? I've been dealing with this in my 2010 Malibu. Brake lights on while driving, off while braking and then back on when brake is fully compressed to the floor. ESC and traction control lights generally come on while brake light issue is going on (but not always). If cruise is on it will disengage and not allow cruise to be set again while brake lights are messing up.

Things I've tried:

Had the recall done at the dealership (bcm harness and dielectric lubricant). It worked for a moment, then came back within days. Tried to take it back to have them do it again but they wanted to start charging me and said GM would only pay for the recall once.

Had a mechanic friend also do the recall following the tsb several more times over the course of several months. It would work for a bit and come back.

Replaced brake switch and recall fix again. Problem came back again.

I haven't driven the car in over a year because I'm so afraid I'll get rear ended. I'm fed up with it. Just a piece of junk sitting in my driveway that isn't safe to drive anywhere. Just patiently waiting for someone to finally discover what solves this issue once and for all.
Jan 6, 2020 at 12:24 PM (Merged)
Avatar
STEVE W.
  • CAR REPAIR CONTRIBUTOR
  • 15,148 POSTS
Looking at the TSB and recall for this they don't actually replace anything, just add a spacer and some grease. I suspect that it recurs because the wires are corroding inside the crimped area inside of the connector body itself, or inside the wires between the brake pedal position sensor and the body control module. However neither the TSB nor recall replace the wiring section which is probably the root cause of the problem.

The system on the 04 and up are different than the earlier cars. Up until late 03 they used a simple on/off switch. On the 04 and up they used what is basically a potentiometer that sends a variable voltage signal to the BCM instead of just on or off. Almost the same as the gas pedal does to control the throttle. They did this to enable the airbags and ABS as well as traction control to determine how hard the brakes are being applied not just if they are.

As to a repair. I would try escalating the issue up the line to GM directly 1-800-222-1020. Tell them that the dealer has done the recall and it didn't work, as well as the other repair attempts and that you are scared to drive it because of this issue. See what they are willing to do about it.

The other option would be to replace the wiring between the BCM and the brake position sensor by removing the existing connection pins at both ends and replacing them with new. The recall says to check the pin fitment and repair as required, it is more likely that they apply the grease and spacer, stuff it back together and call it done. The repair may work on cars that don't have a bad problem, but if it is corroded or the connections are already damaged I doubt it would do much. Replacement with new connector pins and wire should work as you have had the other repairs work temporarily. Perhaps the mechanic you know could do that.
Jan 6, 2020 at 12:24 PM (Merged)
Avatar
TRESSIE HAYTER
  • MEMBER
  • 1 POST
Hi i was wondering what is wrong with my car i have took it to a lot of places and they all say nothing is wrong. My brake light stay on when i'm driving. they keep telling me not to drive with two feet but i dont drive with two feet. they are on all the time when i tap the drake it goes off for a second then its back on. so i dont know whta to do please help.
Jan 6, 2020 at 12:24 PM (Merged)
Avatar
MHPAUTOS
  • CAR REPAIR CONTRIBUTOR
  • 31,937 POSTS
Hi there,

I would be replacing the brake light switch which is mounted on the top of the brake pedal under the dash.

Mark (mhpautos)
Jan 6, 2020 at 12:24 PM (Merged)
Avatar
POSTWICK
  • MEMBER
  • 5 POSTS
[quote:aa8a3daa85="mhpautos"]Hi there,

I would be replacing the brake light switch which is mounted on the top of the brake pedal under the dash.

Mark (mhpautos)[/quote:aa8a3daa85]

I have the same problem but I see no switch at the top of the brake pedal. there is only a round white switch to the left of the brake pedal lever, that is turned by a metal rod that sticks about 6 inches off the left side of the brake pedal lever.
Jan 6, 2020 at 12:24 PM (Merged)
Avatar
CHALL52
  • MEMBER
  • 9 POSTS
Yes that is your brake switch. I've replaced mine and it did not fix it.

If you found a fix please let me know, if not keep an eye on my post. As soon as I find the fix I will let everyone know.

Chris (chall52)
Jan 6, 2020 at 12:24 PM (Merged)
Avatar
LEADO
  • MEMBER
  • 2 POSTS
Brake lights stay on unless you push pedal hard then lights go off and push a little bit more lights come on again.
Replaced brake sensor switch(some refer as brake switch.)
Brake pads are good and do not have any braking problem that I know about. Jim
Jan 6, 2020 at 12:24 PM (Merged)
Avatar
LEADO
  • MEMBER
  • 2 POSTS
I found the problem. Theres a black electonic module located on top of the transmission with a white plug. I removed blue lock pin, pulled gray lock to let plug to be pulled out of black module. Didn't see anything but sprayed with silicone spray and reconnected everything. Most have been moisture or water in connector. Fixxxxxxxed.

Plug can be seen with hood up. and from looking from drivers fender down between fuse box cover and fire wall. Hope this helps somebody. Jim
Jan 6, 2020 at 12:24 PM (Merged)
Avatar
RMYERS
  • MEMBER
  • 1 POST
Have a 2006 malibu and have replaced the brake position sensor but the brake lights still stay on. Is there an adjustment to be made or do I have another problem?
Jan 6, 2020 at 12:24 PM (Merged)
Avatar
RHALL77
  • CAR REPAIR CONTRIBUTOR
  • 3,361 POSTS
are you sure the brake switch is adjusted correctly
Jan 6, 2020 at 12:24 PM (Merged)
Avatar
NO KNOWLEDGE
  • MEMBER
  • 2 POSTS
someone riding behind me told me that my brake lights stayed on, but when i put the brakes on, the brake lights went out. i tried it a couple of times when the car was in park, but iddling; it would work right a couple of times, but then would stop. what could the problem be?
Jan 6, 2020 at 12:24 PM (Merged)
Avatar
JACOBANDNICKOLAS
  • CAR REPAIR CONTRIBUTOR
  • 110,190 POSTS
Chances are the brake light switch on the peda (at top) is either out of adjustment or bad. Check it to see if it is loose or out of adjustment.
Jan 6, 2020 at 12:24 PM (Merged)
Avatar
SILENTBUTDEADLY
  • MEMBER
  • 2 POSTS
I have a problem with my brake lights. They come on without the pedal being pressed down. I have been on the internet and found some info on it. I replaced the sensor switch but did not adjust it(not sure if that's the problem) I also took the center console apart and took the bcm off and put the special grease on it but very very little. Hooked it back up fine for a week then all over again. I took it to a mechanic who ran diagnostics on it and said I need a new bcm. I can get a used one,but not sure if that is the solution. I guess I'm gonna try to unplug,plug,unplug,plug and put more grease on it. This is soo annoying. Any guidance would be great!!
Jan 6, 2020 at 12:24 PM (Merged)
Avatar
BMRFIXIT
  • CAR REPAIR CONTRIBUTOR
  • 19,053 POSTS
Should start with the switch on the brake pedal 1st
it should be all you need and make sure it is adjusted
if light staying on
if light on and some not
check if 3rd light on when other out and if so check multifunction switch
Jan 6, 2020 at 12:24 PM (Merged)
Avatar
SILENTBUTDEADLY
  • MEMBER
  • 2 POSTS
I have no idea how to adjust the brake sensor if that is what your telling me to do. Any direction would be great. Also when I did the BCM the first time I dont hink I put enough grease I also didnt plug it in and un plug a couple of times to get the grease in there which is why I'm gonna do it a second time. Why would the mechanic hook it up to the computer and say I need a new BCM or show me a place to get used and do it myself? Could that be the problem? Yes all the brake lights are lighting up when I press the brake in and also when it does it on it's own.
Jan 6, 2020 at 12:24 PM (Merged)
Avatar
SUEMON13
  • MEMBER
  • 1 POST
Computer problem
2006 Chevy Malibu 4 cyl Front Wheel Drive 95,000 miles

Hi I am having stange issues with my car,
1. when I fill the car the gas gage goes to empty 2 or 3 times then it stops.
2. my brake lights are on even when I don't put the breaks on.
3. when I try to start my car it won't get out of park for at least 5 minutes after continuing starting my car.
4. humming noice

can you give me a clue of what may be wrong?

thanks!
Jan 6, 2020 at 12:24 PM (Merged)
Avatar
HMAC300
  • CAR REPAIR CONTRIBUTOR
  • 48,601 POSTS
for the gas guage it may be just the float getting knocked around in the tank. the brake lights, disconnect a brake light bulb one at a time and see if the other goes out as it may be a bad bulb. Make sure your brake is aplied before shifting out of gear, but you may have a problem with your abits holding the gear in park. and the humming noise have a pro check that out.that is hard to diagnose on here.
Jan 6, 2020 at 12:24 PM (Merged)
Avatar
EVANWESTEN
  • MEMBER
  • 1 POST
When starting the car with my foot on the brake, get a low rumbling sound from the brake pedal, cannot put the car into gear unless I push down VERY HARD on the brake pedal and the brake lights stay on. Have had the the brake light switch replaced. The brake lights still stay on ! ! Garage has checked several times times, cannot find problem.
Jan 6, 2020 at 12:24 PM (Merged)
Avatar
BLUELIGHTNIN6
  • CAR REPAIR CONTRIBUTOR
  • 16,542 POSTS
there is a technical service bulletin (TSB) on this common issue..not sure why garage would not have checked that.. the most likely cause of the condition is high resistance due to terminal fretting corrosion in the body control module (BCM) C2 connector (specifically pins C2-18, C2-31 and C2-59). the correction is described below..


https://images.2carpros.com/forum/automotive_pictures/261618_Noname_2525.jpg

Jan 6, 2020 at 12:24 PM (Merged)
Avatar
KEAUNA9
  • MEMBER
  • 3 POSTS
When I start my car the brake lights go on and stay on. I have had it in the shop several times, they replaced brake switch which did nothing, I don't know what else to do as I am afraid I am going to have an accident as no one knows when I am really stopping. If I slightly brake they go out, so my only alternative is to drive with my foot on the brake. Any suggestions?
Jan 6, 2020 at 12:24 PM (Merged)