The engine still goes right up too hot

Tiny
JIMTRAPRAT
  • MEMBER
  • 1998 CHEVROLET LUMINA
  • 6 CYL
  • FWD
  • AUTOMATIC
  • 125,000 MILES
My husband changed the thermostat and he changed the water pump and the engine still goes right up too hot, we dont know what to do next could you help us.
Thursday, January 10th, 2008 AT 8:18 PM

1 Reply

Tiny
SQM
  • MECHANIC
  • 6,383 POSTS
Hello,

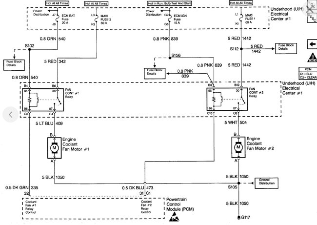
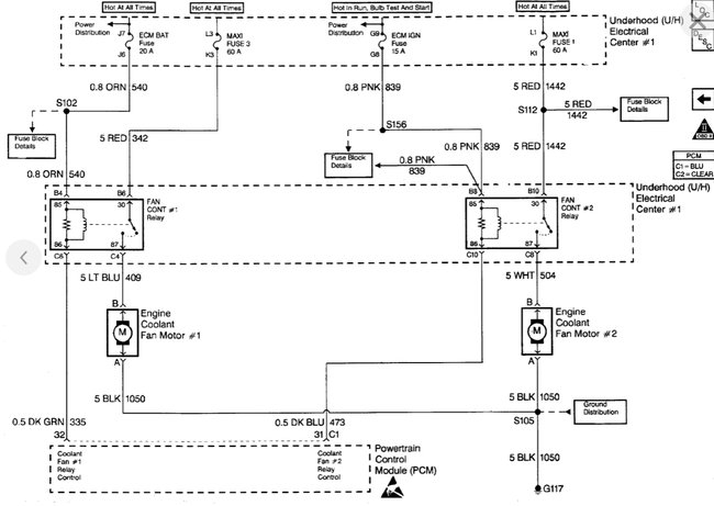
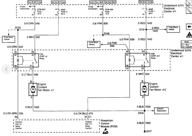
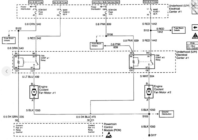
This overheating can be due to inoperative cooling fan.
If the cooling fan fails to come on when the engine reaches its operating temperature it will overheat.

https://www.2carpros.com/articles/how-an-electric-cooling-fan-works

Another possibility is having some type of restriction in the cooling system, which is not allowing the coolant to pass properly.

First check to see if the fan is coming on when the engine warms up.
In operative cooling fan can be due to a bad relay, wiring or a fan motor.
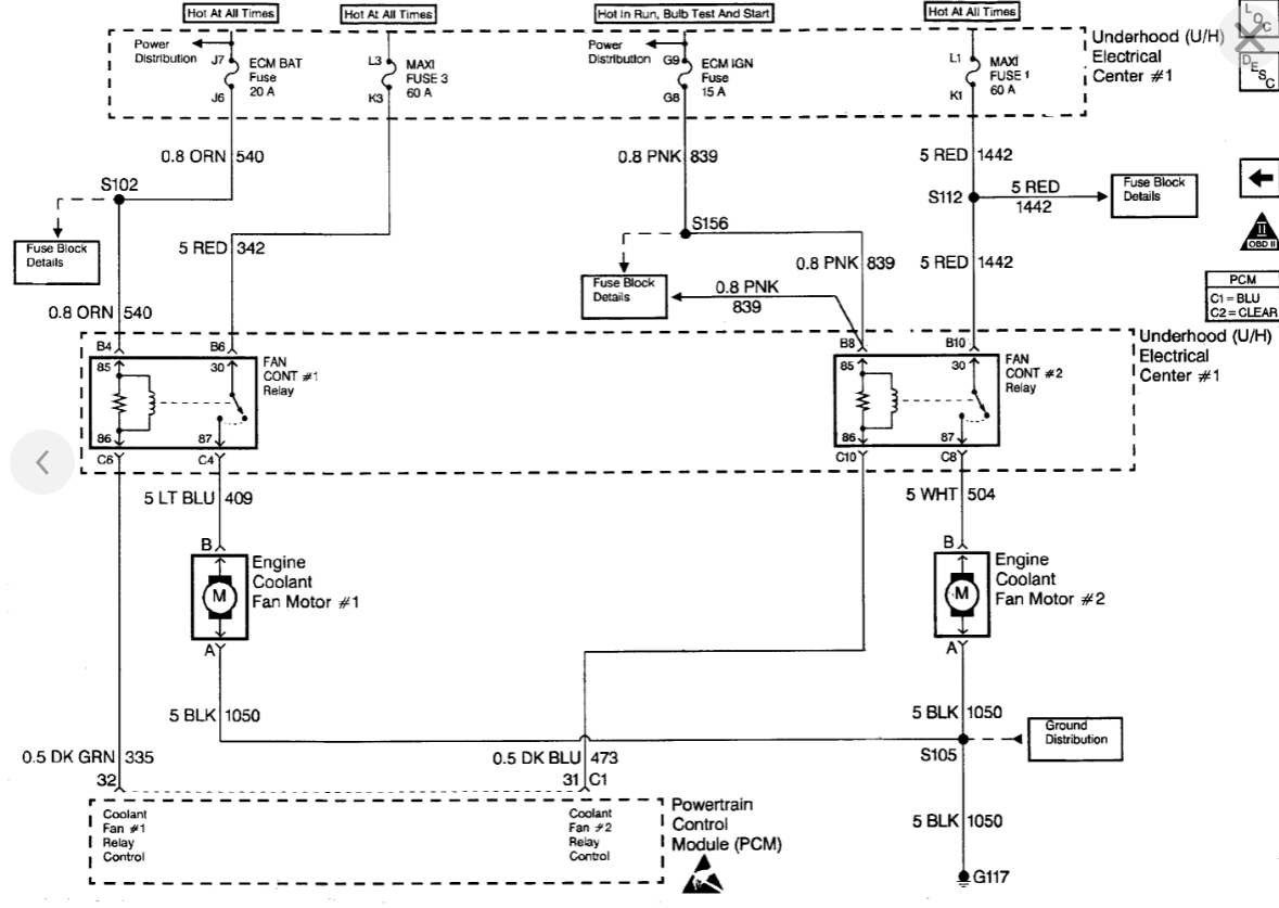
Check the relay, located in the fuse box under the hood (see diagram).
Check for any corrosion or bunt pins.
Here is a guide on how to test the relay:

https://www.2carpros.com/articles/how-to-check-an-electrical-relay-and-wiring-control-circuit

I have attached the cooling fan diagnostics procedure below.

Please let me know if you have any questions.
Thank you.
Was this
answer
helpful?
Yes
No
Thursday, October 28th, 2021 AT 12:38 PM

Please login or register to post a reply.