Whining noise when turning

Tiny
NICHOLASMYLOVE2002
  • MEMBER
  • 2006 CHEVROLET IMPALA
Steering problem 6 cyl Front Wheel Drive Automatic 30,000 miles

Recently had power steering pump and rack and pinion replaced also tire rod and serpentine belt replaced. Now noticing a loud whining noise when you turn the wheel either direction. Why is it making this very loud and annoying whining noise?
Friday, April 30th, 2010 AT 10:34 AM

22 Replies

Tiny
KEN L
  • MASTER CERTIFIED MECHANIC
  • 55,420 POSTS
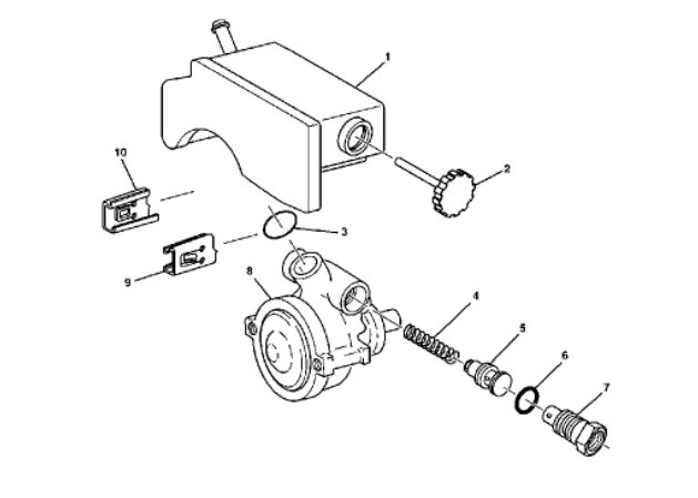
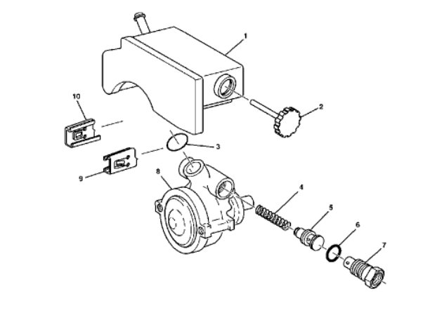
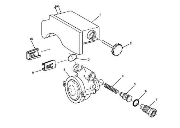
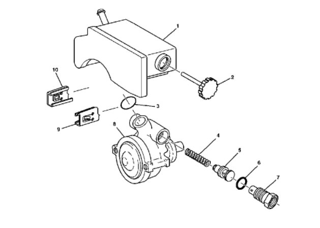
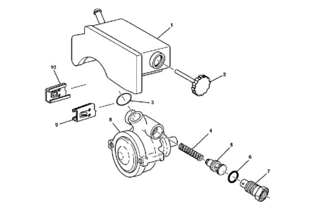
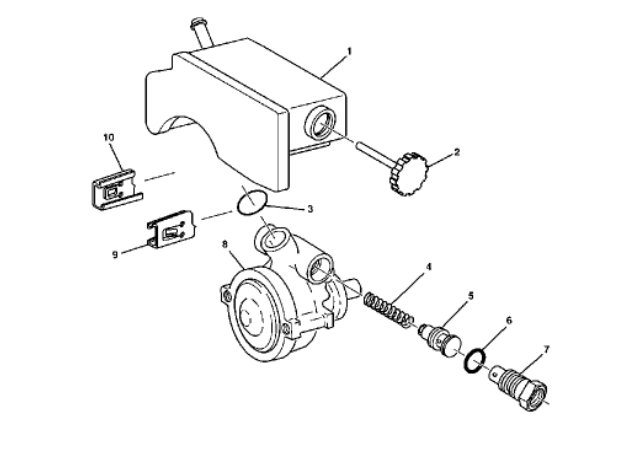
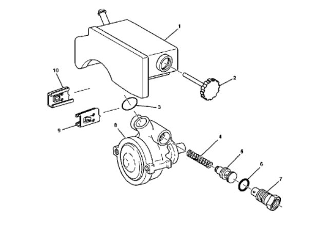
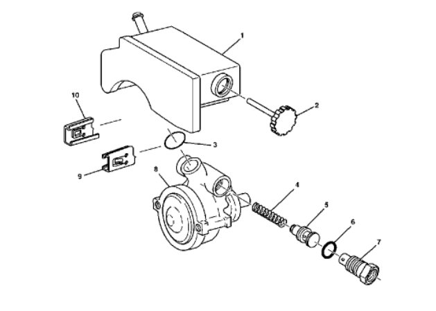
This noise is caused by the power steering system sucking in air from the power steering pump. The seals from the reservoir to the pump are bad allowing air into the system. To fix this problem you will need to replace the pump with a AC delco unit.

Here is a guide to show you what you are in for when doing the job

https://www.2carpros.com/articles/how-to-replace-a-power-steering-pump

Here is how it can be done on your car (below)

Please let us know if you need anything else to get the problem fixed.

Cheers, Ken
Was this
answer
helpful?
Yes
No
+1
Monday, November 13th, 2017 AT 8:44 PM
Tiny
SSWEET_B
  • MEMBER
  • 1 POST
  • 2006 CHEVROLET IMPALA
  • 6 CYL
  • FWD
  • AUTOMATIC
  • 110,000 MILES
Noises problem
2006 Chevy Impala 6 cyl Front Wheel Drive Automatic 110000 miles

For the past two days in the morning, I've noticed a whining noise on start up and accelerating. I have a Chevy Impala 2006 and it's been very cold. This morning backing out of the drive way and turning the wheel it almost felt like it got caught. Other than that I haven't had any problems.
Was this
answer
helpful?
Yes
No
Monday, November 13th, 2017 AT 8:45 PM (Merged)
Tiny
TAKECHARGESARGE
  • MECHANIC
  • 92 POSTS
Hi ssweet-b,

This sounds like the fluid level in your Power Steering Pump has reached the point where it is so low that the pump is trying to pump air. It will probably be o.K. If you have it serviced to the proper level.

TakeChargeSarge
Was this
answer
helpful?
Yes
No
+1
Monday, November 13th, 2017 AT 8:45 PM (Merged)
Tiny
MSTRUELADIE
  • MEMBER
  • 2 POSTS
  • 2006 CHEVROLET IMPALA
  • 6 CYL
  • FWD
  • AUTOMATIC
  • 99,000 MILES
Noises problem
2006 Chevy Impala 6 cyl Front Wheel Drive Automatic 99000 miles

When I crank up my vehicle, there is a whining/squealing sound coming from the area of the water pump and alternator. I allowed the car to run for several minutes to see if this would eliminate the problem due to the cold temps that morninng. The noise eventually subsided and I attempted to drive the car. However, the noise continued on acceleration but was not extremely loud. Once the car had gained a steady speed, noise went away, but came back when I had to slow down and accelerate again. The next day the noise stopped completely. The day after, we had another ice storm, and I started up the car and heard the same noise, I again followed the same routine and the noise stopped and did it on acceleration. I drove a 1/4 of a mile up my street to the stop sign, and when I pressed the gas to turn, the car suddenly made this heavy moaning noise and the tires seemed to no want to move or turn. I turned the car off. Let it sit for a few minutes. Tried it again and it went back to the original complaint. I turned around and drove it back to my house and parked it. I have checked my transmission fluid and that is okay. What could this possibly be?
Was this
answer
helpful?
Yes
No
-1
Monday, November 13th, 2017 AT 8:45 PM (Merged)
Tiny
TAKECHARGESARGE
  • MECHANIC
  • 92 POSTS
Mistrueladie,

Your trouble sounds like the Power Steering System needs to be serviced with fluid. I think if you make sure the fluid in the tank on the Power Steering Pump is at the proper level the whining will stop.

TakeChargeSarge
Was this
answer
helpful?
Yes
No
Monday, November 13th, 2017 AT 8:45 PM (Merged)
Tiny
THATGIRLBEV
  • MEMBER
  • 2 POSTS
  • 2004 CHEVROLET IMPALA
  • 6 CYL
  • FWD
  • AUTOMATIC
  • 119,500 MILES
Noises problem
2004 Chevy Impala 6 cyl Front Wheel Drive Automatic 119500 miles

Car has started making a whining noise. It starts at about 15mph and goes up to about 60mph. The last two oil changes I have gotten were for high mileage cars.
Was this
answer
helpful?
Yes
No
Monday, November 13th, 2017 AT 8:45 PM (Merged)
Tiny
RACEFAN966
  • MECHANIC
  • 5,029 POSTS
Can you tell where it is coming from? Is it coming from the engine or the transmission or what? Give me what info you can so I can better help ok. Thanks
Was this
answer
helpful?
Yes
No
Monday, November 13th, 2017 AT 8:45 PM (Merged)
Tiny
THATGIRLBEV
  • MEMBER
  • 2 POSTS
I am not sure where the noise is coming from. If I had to guess it would be the transmission.
Was this
answer
helpful?
Yes
No
Monday, November 13th, 2017 AT 8:45 PM (Merged)
Tiny
RACEFAN966
  • MECHANIC
  • 5,029 POSTS
When was the last time you did a trans service? Change the fluid and filter?
Was this
answer
helpful?
Yes
No
Monday, November 13th, 2017 AT 8:45 PM (Merged)
Tiny
RIZZYBOC
  • MEMBER
  • 1 POST
  • 2007 CHEVROLET IMPALA
  • 6 CYL
  • 2WD
  • AUTOMATIC
  • 38,000 MILES
Noises problem
2007 Chevy Impala 6 cyl Two Wheel Drive Automatic 38000 miles

My car started making a high pitch whining noise only when I accelerate. The noise goes away at idle, or when I take my foot off of the gas pedal. The noise seems to be coming from the engine on the front passenger side.
Any suggestions?
Was this
answer
helpful?
Yes
No
+3
Monday, November 13th, 2017 AT 8:45 PM (Merged)
Tiny
RHALL77
  • MECHANIC
  • 3,361 POSTS
Check and see if your power steering fluid is full. Also see if there is an alternator bearing or something of that nature going bad. You can remove the belt to see if it is one of these componants
Was this
answer
helpful?
Yes
No
+1
Monday, November 13th, 2017 AT 8:45 PM (Merged)
Tiny
JUSTINPAUL411
  • MEMBER
  • 10 POSTS
  • CHEVROLET IMPALA
I have a 2002 Buick Park Avenue. And I have several questions.

The car has 74,000 miles on it, I bought it with 35Kon it. I do a lot of driving because I love the car so much. Im a very spirited driver and bought it while working for the dealer. I do a lot of fast conering. And I got the model with special suspension to handle it. I do a lot of HOURS ON END driving. A lot of full throttle acceleration as well.

Now I am a nurse so I am ALWAYS working. And have let the cars basic maintence go down hill. And Im having a issue. And wondering if basic maintence will fix it. I pamper the inside and outside with exspensive cleaning products and often clenaing. But the engine and what not I dont have the time to do. Or they are closed when I get home. Working for the dealer I know its terrible. Btu I do it.

1- The car is losing some power.
2- The brakes are pulsating when slowing down now. And never did before. If I get them washed it will stop it. But it comes back.
3- After long LONG extended use the car starts whining. AT a idle it whines. And I cant figure out exactly WHY its whining but it does. It actually sounds like the belt is slightly whining. Then I think maybe the air filter is whining. The car rides fine. And the engine and everything sounds fine. Another thing I noticed is if I stop it from a dead stop even after running for 5 minutes it will whine.

Someone told me that the belt needs to be changed. And because of how much I beat the engine it could be getting lose and whining more, ESP more after romping the motor because of the heat and stretching.

I was also told the filter is clogged. But then why doesnt it do it all the time.

What do you think this whine could be? The steering sounds fine, and feels fine. And it doesnt do it when turning or anything. I know what power steering motors sound like its definately not that. Oh well

1- the whining sound after heavy use
2- the pulsating brakes ( also the brake light blinks now if I slam on my brakes)

they are my two problems.

Justin
Was this
answer
helpful?
Yes
No
Monday, November 13th, 2017 AT 8:45 PM (Merged)
Tiny
2CARPRO JACK
  • MECHANIC
  • 11,533 POSTS
Whining- could be the filter or the front pump in the trans. I would try the service 1st. The pulsating is from warped rotors, caused by overheating
Was this
answer
helpful?
Yes
No
Monday, November 13th, 2017 AT 8:45 PM (Merged)
Tiny
JUSTINPAUL411
  • MEMBER
  • 10 POSTS
How about the belt? I can definately hear some slight whining from the belt that was never there.

That whining sound DEFINATELY whines more after romping the engine. I had the car running for a while today before work. And the motor sounded fine. Then I got to a red light and did a set of three dead stop 0-80 accelerations. When I finally slowed down the motor was doing that odd whining. When I went into work and came back to the car I hit the remote start and let it do its course of 15 minutes, and it sounded fine. Drove home doing 85 the whole way. Got stopped by a trooper ( nursing is great. Free from many tickets) I did some beating on the engine at already 85. Evem went over 100. And once again after heavy beating like that the motor was whining.

It seems pretty much the motor only whines when I romp the hell out of it. Or drive for HOURS UPON HOURS.

Dont know if that helps.

BRakes-

I got the car washed, and had the underbody done and the brakes were smooth as butter. Stopping the car nice and smooth. However on my way home from work I came flying over a backroad and someone had MANGLED a deer in the middle of the road, I locked them up and went off the road through snow and mud. I got the car out of that mess, got out and someone else was going like a bat out of hell and tried hitting their brakes and ended up hitting the deer, and it was a acura which of course is lower then a buick so he grabbed the deer and drug that deer down the road. It sounded awful. Anyways I got out got my gloves and moved the deer. Got back in and sure as can be they were pulsating again.

So I've made it for sure that

Brakes Only dirty.

Whining 6 hours of straight driving, or excessive beating on the motor.

Still think its the same thing.? If so. How much is that pump your talking about? And if its whats broke is their any other signs to look for?
Was this
answer
helpful?
Yes
No
Monday, November 13th, 2017 AT 8:45 PM (Merged)
Tiny
SWF343
  • MEMBER
  • 1 POST
  • 2001 CHEVROLET IMPALA
  • 6 CYL
  • FWD
  • AUTOMATIC
  • 121,000 MILES
Engine Mechanical problem
2001 Chevy Impala 6 cyl Front Wheel Drive Automatic 121000 miles

My car makes a whining noise when it is cold. The noise gets louder when accelerating but goes away once the car is warmed up. I would like to know what is causing this problem.
Was this
answer
helpful?
Yes
No
Monday, November 13th, 2017 AT 8:45 PM (Merged)
Tiny
RHALL77
  • MECHANIC
  • 3,361 POSTS
Sounds like it could be the power steering pump. They tend to make noise when it is cold out. Usually its not a problem but check to be sure its not leaking or anything
Was this
answer
helpful?
Yes
No
Monday, November 13th, 2017 AT 8:45 PM (Merged)
Tiny
FLICKINGER
  • MEMBER
  • 1 POST
  • 2003 CHEVROLET IMPALA
  • 6 CYL
  • FWD
  • AUTOMATIC
  • 95,000 MILES
Noises problem
2003 Chevy Impala 6 cyl Front Wheel Drive Automatic 95000 miles

I have a whining noise that gets louder with acceleration and turning the wheel left to right. It mimics that of low power steering fluid, but the reservoir is at the proper level, replaced power steering pump 3 month's ago and properly bleed system, noise quieted but never went away. Replaced alternator, cause the noise seem to have been coming from there. Noise is still there. I have the original serpentine belt on the vehicle but there are no wear or cracking on the belt? I'm not sure where to go to next, the car is maintaining proper temp with no problems so I don't think it's the water pump. I don't want to keep replacing parts and not getting this noise taken care of my knuckles can't keep taking the beating!
Was this
answer
helpful?
Yes
No
Monday, November 13th, 2017 AT 8:45 PM (Merged)
Tiny
RENAUDTN
  • MECHANIC
  • 636 POSTS
It could be a few things:
*your serpentine belt could be loose or glazed (possibly due to bad tensioner); at 95,000 miles replacing it regardless may not be a bad idea anyway. A belt that looks good on the outside could be worn inside.
Important: when you replace your serpentine belt, scrub ALL the pulleys with scotch brite/wire brush/etc, then spray some brake cleaner on them. That will get rid of the glaze on each pulley. If you don't, the pulleys will glaze the new belt quickly (ruin it) and the noise will come back.
*Your serpentine belt tensioner may be on its way out (with engine on, make sure the tensioner doesn't move up and down too much. If it does replace it).
*One of the pulleys driven by the belt could be misaligned (check with a straight edge).
Here are two quick tests to determine if misalignment is your problem:
- Using a spray bottle filled with water, mist the belt lightly. If the noise level recedes for several seconds, then returns louder, a misalignment problem is likely. If the noise immediately increases after the belt is sprayed, slipping is likely.
- Remove the belt and re-install it so that the belt runs in the opposite direction (flip the belt around). If the noise goes away or diminishes a lot, misalignment is likely your problem. If the noise remains unchanged, the problem is not likely related to drive alignment.
*Bad pulley bearing. You replaced the power steering pump, and alternator; that leaves the water pump, and the compressor as potential culprits. Remove the belt and try to pull the pulleys in and out; they shouldn't move. If you feel some looseness, the bearing is no good.

Hope this helps
Was this
answer
helpful?
Yes
No
+1
Monday, November 13th, 2017 AT 8:45 PM (Merged)
Tiny
GPAYNE
  • MEMBER
  • 10 POSTS
  • 2000 CHEVROLET IMPALA
  • 6 CYL
  • 2WD
  • AUTOMATIC
  • 140,000 MILES
2000 Impala whines when accelerates. Traction control light comes on.
Was this
answer
helpful?
Yes
No
Monday, November 13th, 2017 AT 8:45 PM (Merged)
Tiny
JACOBANDNICKOLAS
  • MECHANIC
  • 110,194 POSTS
First, have the computer scanned. If the TC light is coming on, the computer has identified a problem and needs to be scanned to identify where the problem is coming from.

Let me know what you find so I can better direct you.

Joe
Was this
answer
helpful?
Yes
No
Monday, November 13th, 2017 AT 8:45 PM (Merged)

Please login or register to post a reply.