Low beams stopped working

Tiny
WESTCOASTWAVES66
  • MEMBER
  • 2004 CHEVROLET IMPALA
  • 6 CYL
  • FWD
  • AUTOMATIC
  • 130,000 MILES
I have an '04 Impala and the low beams stopped working. I have high beams, only when I hold down the dimmer switch. Also, when I use the remote entry to lock/unlock the car I only have reverse lights come on. Is the a relay somewhere or do I need to replace the dimmer switch? Please Help, I work nights and it's losing me $$$$$$$
Monday, July 21st, 2008 AT 10:46 AM

13 Replies

Tiny
KEN L
  • MASTER CERTIFIED MECHANIC
  • 55,512 POSTS
Hello,

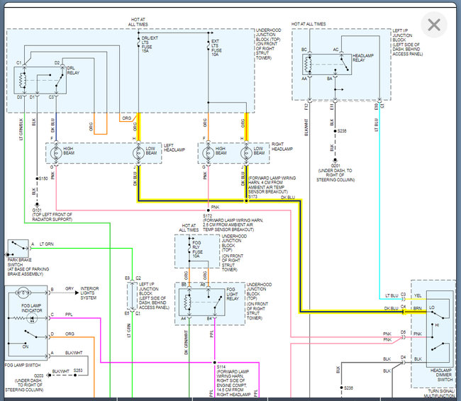
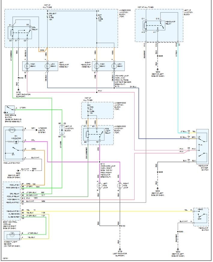
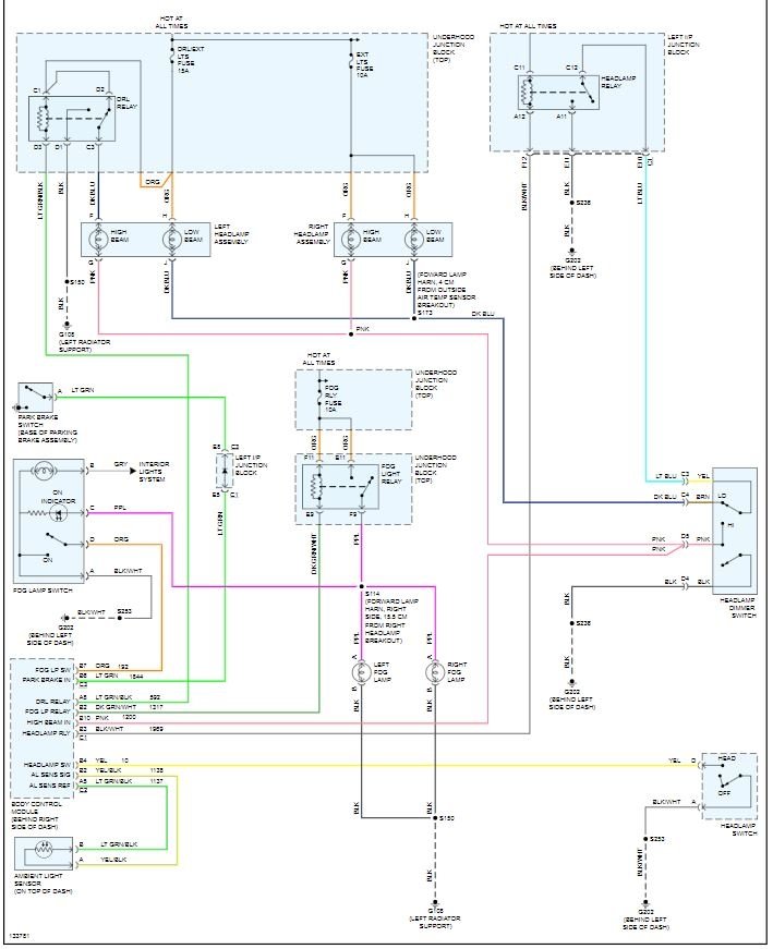
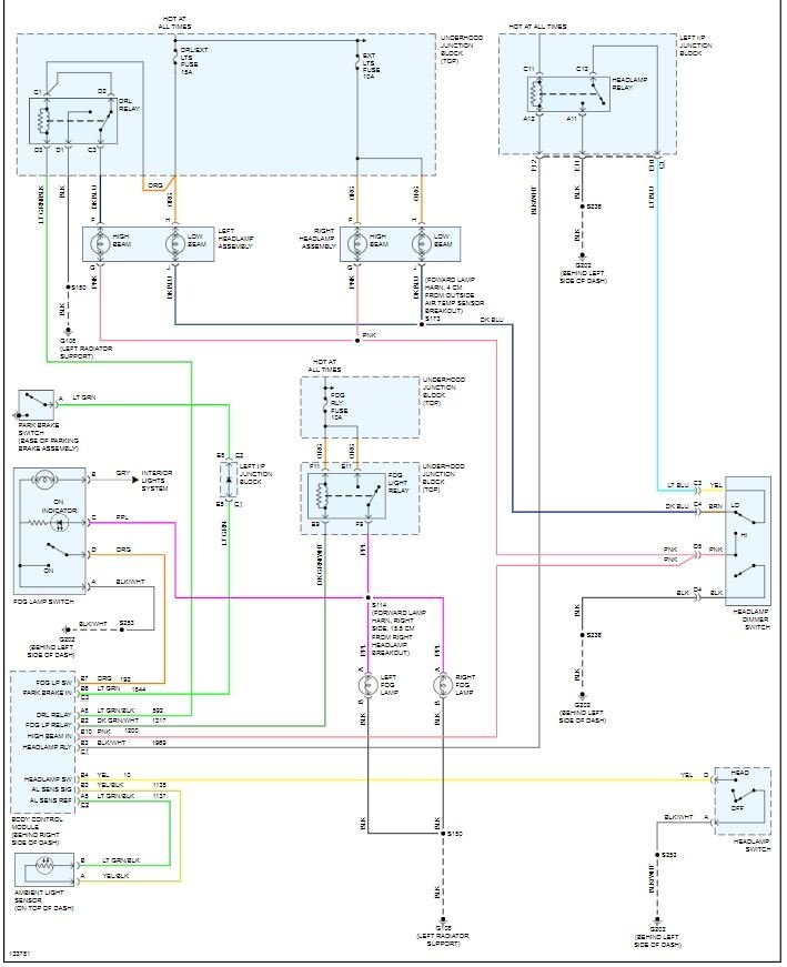
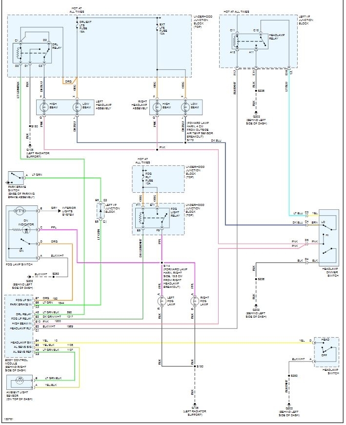
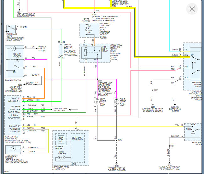
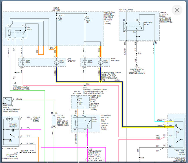
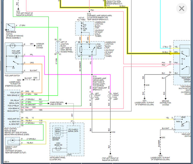
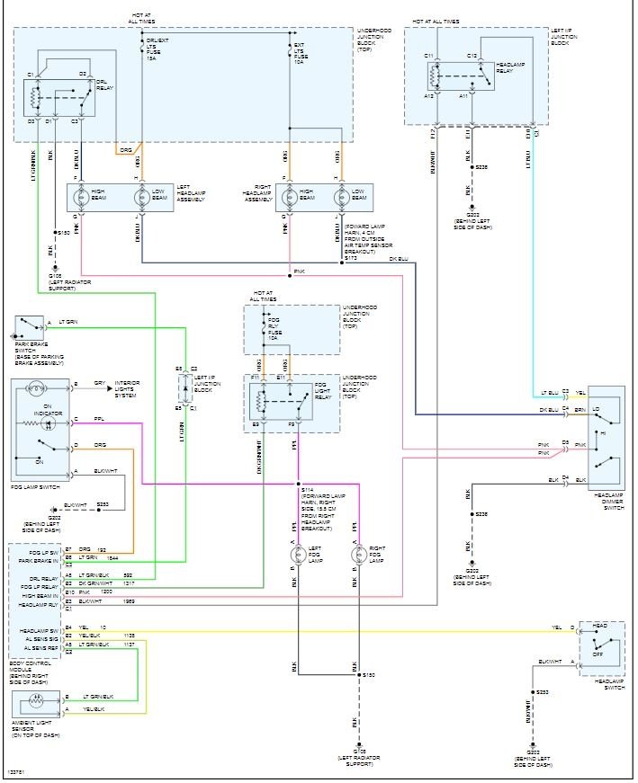
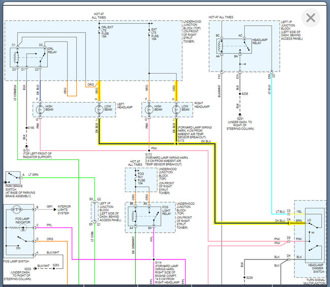
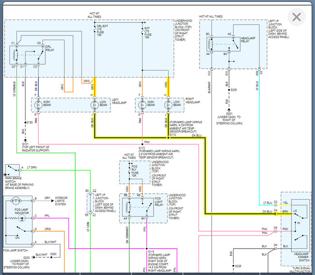
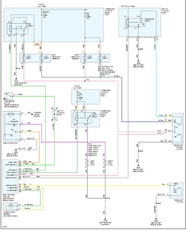
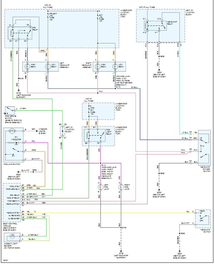
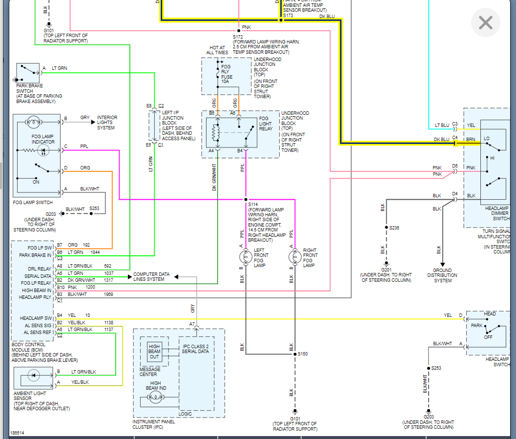
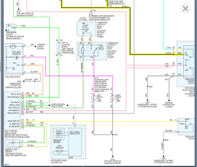
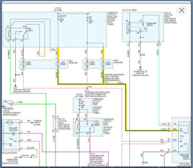
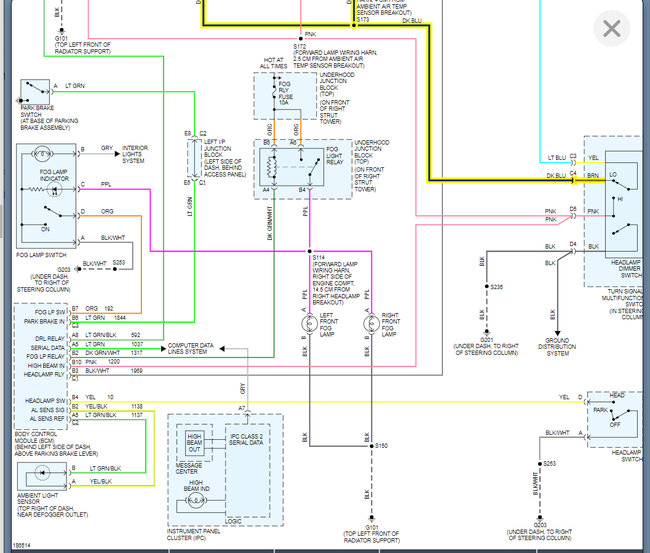
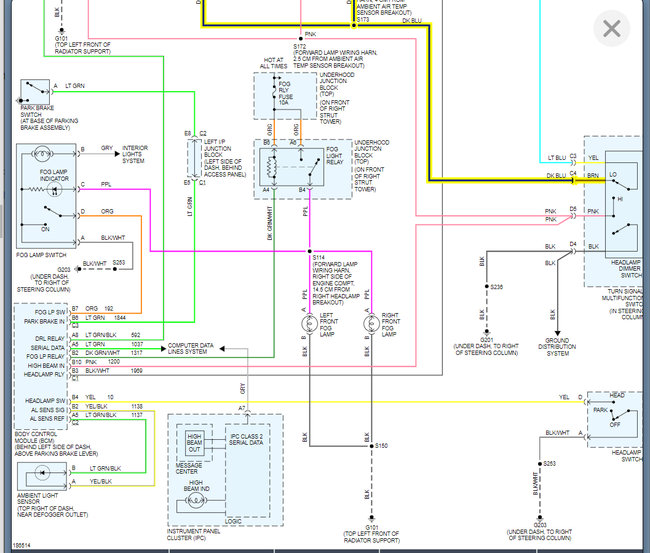
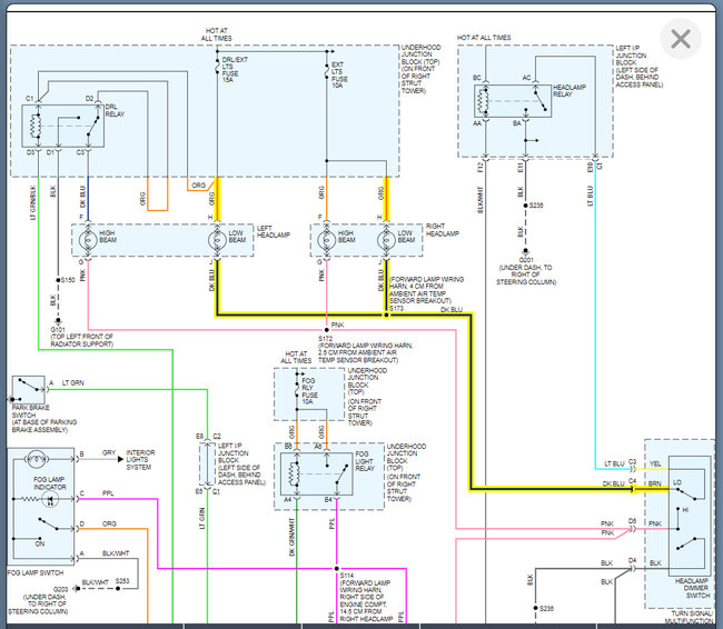
This problem sound like it is a headlight relay has gone out, here is a diagram (BELOW) and a guide to help you get the problem fixed. Also check the system fuses.

https://www.2carpros.com/articles/how-to-check-an-electrical-relay-and-wiring-control-circuit

and

https://www.2carpros.com/articles/how-to-check-a-car-fuse

Please run some tests and get back to us so we can continue helping you.

Cheers, Ken

Was this
answer
helpful?
Yes
No
+1
Monday, May 22nd, 2017 AT 1:00 PM
Tiny
JAMES A. LEU
  • MEMBER
  • 2 POSTS
  • 2004 CHEVROLET IMPALA
  • 131,000 MILES
I Replaced the high beam bulbs in my car to plug it in and now the low beams are not working idk if I blew a fuse or what I cannot find the appropriate fuse for the low beams to see if it even needs replaced and to top it off I have work in the morning
Was this
answer
helpful?
Yes
No
-3
Monday, May 22nd, 2017 AT 1:01 PM (Merged)
Tiny
HMAC300
  • MECHANIC
  • 48,601 POSTS
The headlight fuses are in teh underhood fuse box it should be marked on inside cover.
Was this
answer
helpful?
Yes
No
+3
Monday, May 22nd, 2017 AT 1:01 PM (Merged)
Tiny
ANGIE992
  • MEMBER
  • 1 POST
  • 2004 CHEVROLET IMPALA
Electrical problem
2004 Chevy Impala 6 cyl Front Wheel Drive Automatic

I have no day time runners or low beams.I replaced the dimmer switch and checked the fuses and still no lights. Please any advise would be much appreciated!
Was this
answer
helpful?
Yes
No
+6
Monday, May 22nd, 2017 AT 1:01 PM (Merged)
Tiny
JDL
  • MECHANIC
  • 16,098 POSTS
Welcome to the forum, the quickest way, may be to have all trouble codes checked, manufacturer specific, everything. See if the codes point to anything? When you check a fuse, you also need to use a testlite, see if fuse circuit is hot. Even if the fuse is good, if there is no voltage, the circuit is dead.

On and off, bright and dim are controled on the headlamp ground circuit. There is a headlamp relay in the left instrument panel junction block. When the relay is energized, it completes the ground circuit for the headlamp. There is voltage to coil side of relay, not sure if that is battery voltage, didn't track the circuit, use a dmm. The BCM grounds the coil side of relay. The headlamp switch grounds a signal from the BCM, that is how the bcm knows the switch was turned on. Just speaking for myself, without a code or something to point us in the right direction, it's hunt and peck the wiring circuits.
Was this
answer
helpful?
Yes
No
+1
Monday, May 22nd, 2017 AT 1:01 PM (Merged)
Tiny
LENNYSIMPSON
  • MEMBER
  • 1 POST
  • 2004 CHEVROLET IMPALA
  • 6 CYL
  • 2WD
  • AUTOMATIC
  • 175,000 MILES
Electrical problem
2004 Chevy Impala 6 cyl Two Wheel Drive Automatic 175000 miles

The bright lights work, however, the low beams do not. I have replaced the bulbs and checked all fuses to no avail. Any advice?
Was this
answer
helpful?
Yes
No
+10
Monday, May 22nd, 2017 AT 1:01 PM (Merged)
Tiny
BLUELIGHTNIN6
  • MECHANIC
  • 16,542 POSTS
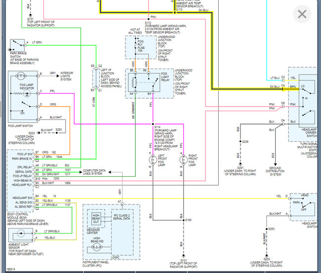
More then likely your issue is the multi function switch because these low beams actually run through this switch as well as the control for the high beams.

We need to check for ground from the lamps as these are all ground side controlled. So basically turn them on and check for ground by putting your meter on battery positive and then touch the ground terminal in the socket.

If the meter shows 12 volts then the switch and ground is good.

However, I suspect you will not find this so we need to then test the switch the same way.

https://www.2carpros.com/articles/how-to-check-wiring

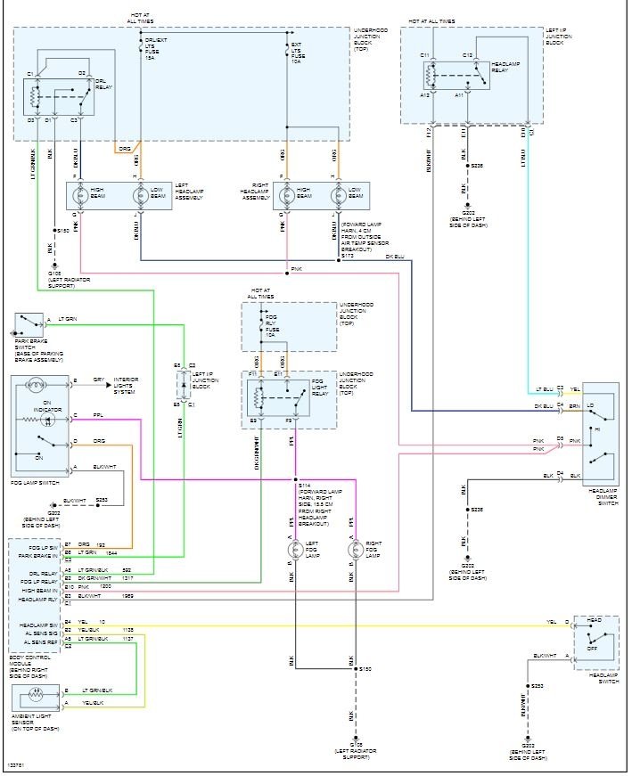
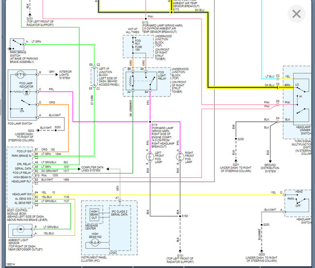
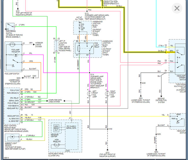
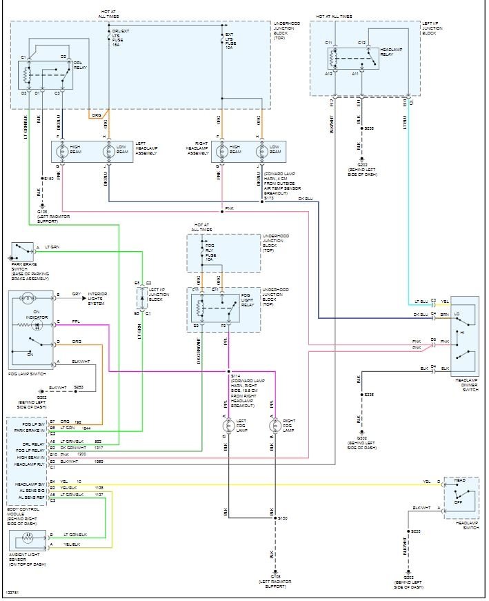
Please see the wiring diagram below that will help with this. However, we need to move past the switch and check the BCM as this is ultimately what grounds the lamps.

Please let us know what you find and what questions you have. Thanks
Was this
answer
helpful?
Yes
No
+3
Monday, May 22nd, 2017 AT 1:01 PM (Merged)
Tiny
CHRISTINA JANE MANNING-PIERCE
  • MEMBER
  • 1 POST
2004 Chevy Impala no low beams. They worked hood got slammed not working now. Amb sensor replace, relay replaced, fuses, and bulbs. Still no low beams high beams if the multi switch is held. Need this fixed have had multiple people throw their hands up. On a rainy day a few weeks ago the turn singals didn't work. Could it be the multi switch? Tired of throwing money at it
Was this
answer
helpful?
Yes
No
+3
Friday, April 13th, 2018 AT 12:47 AM
Tiny
KEN L
  • MASTER CERTIFIED MECHANIC
  • 55,512 POSTS
Hello,

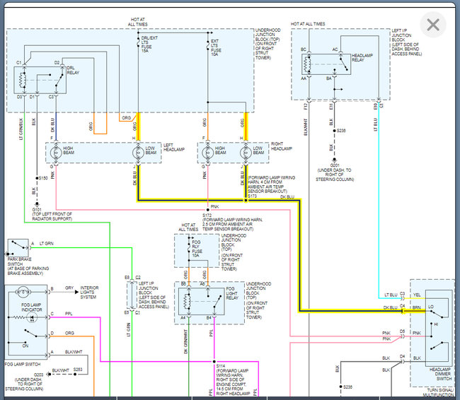
There is a headlight relay and dimmer switch you can see form the wiring diagrams above.

Here is a guide that help help us go step by step until we have it fixed

https://www.2carpros.com/articles/how-to-use-a-test-light-circuit-tester

and

https://www.2carpros.com/articles/how-to-check-an-electrical-relay-and-wiring-control-circuit

Relay 19 and 20

Here is the relay location, check out the wiring diagram above lets see where you are loosing power. We can fix this ourselves.

Check out the diagrams (Below)

Please let us know what you find. We are interested to see what it is.

Cheers, Ken
Was this
answer
helpful?
Yes
No
Friday, April 13th, 2018 AT 10:09 AM
Tiny
OFFICERWANNABE
  • MEMBER
  • 1 POST
  • CHEVROLET IMPALA
I recently purchased a 2004 impala (former) police cruiser with the 3.8 litre engine for my teenager who wants to become a police officer. The car is great it has 41,000 miles, no accidents, and brand new brakes, rotors, battery, new serpentine, tie rods and goodyear eagle rsa's tires. Engine and trans run smooth and it drives like a new car, well almost. After driving for about ten minutes the headlights will shut off. If I hit the highbeam lever they come back on only to cut out again a few minutes later. Keep in mind this car as a survailence mode swith that shuts off the horn and turns on some of the lights. It probably originally turned on the red lights but now only turns on the headlights.

A friend who is a mechanic swapped out the headlight module on the left side dash fuse box with the batterry overload module which is on the right side fuse box just to see if it was the module.

The lights continue to shut off after running for ten minutes or so. When the car is started the drl's don't operate properly. Without pulling the headlight switch out, only the high beams should come on during the day but instead all the lights come on. We also noticed the ignition switch seems loose or slightly bent.

We're not certain if it could be the switch, the module or a maybe a relay. I was also told by a gm technician that he's seen this on several other models and it could be a pcm or bad ground and that a dealer could reprogram the system. What is the best route to go with this? It also appears that the previous battery sparked on the underside of the hood. Could that be realted?

Ps with 41,000, what else can I expect to be replacing soon.
Was this
answer
helpful?
Yes
No
Friday, June 26th, 2020 AT 12:14 PM (Merged)
Tiny
2CARPRO JACK
  • MECHANIC
  • 11,533 POSTS
The previous short might have cooked something
Was this
answer
helpful?
Yes
No
-3
Friday, June 26th, 2020 AT 12:14 PM (Merged)
Tiny
CRABBY_0721
  • MEMBER
  • 1 POST
I have a 2003 Chevy Impala with approximately 40k miles on it. Just last night, while driving home, my headlights cut out. The first time it was a very quick flash, which lasted maybe ten seconds. They came back on for about two minutes and then went right back off again. I had to drive with my hazards on for a source of light. The headlights would go on and off intermintently. I tried switching from high beam to low beam, but it did not make a difference. They eventually came on and stayed on for a solid 2-3 minutes until I arrived home. I immediately called a friend who does mechanical repair on the side. He suggested that it could be the daytime light running module which runs the daytime running lights and both high and low beam lights.
Was this
answer
helpful?
Yes
No
Friday, June 26th, 2020 AT 12:14 PM (Merged)
Tiny
JDL
  • MECHANIC
  • 16,098 POSTS
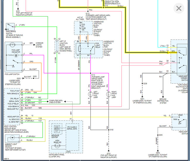
Voltage to the headlamps is hot all the time. On and off, high and low beam is controlled by the headlamp ground circuit. Ground for the low beam is through the headlamp relay. Ground for the high beam is through the dimmer switch. When they decommission these cars they will cut out the light controls for the emergency lights and sometimes they dont get it put back correctly. I have seen this a thousand times with P71 Crown Vics.

Attached below is the wiring diagram for the headlights, be sure everything is hooked up correctly and test the relays to be sure they are good
Was this
answer
helpful?
Yes
No
Friday, June 26th, 2020 AT 12:14 PM (Merged)

Please login or register to post a reply.