Saturday, March 27th, 2010 AT 3:34 PM
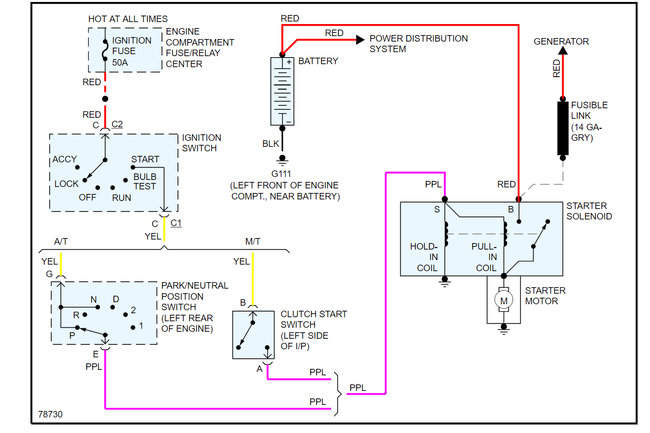
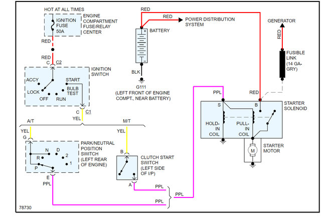
The starter went out of my car. I replaced it with a brand new starter. Everything is hooked up the way it should be. It won't start. Nothing, no click, Nothing. I think the problem is in the starter relay mounted to the radiator support. I tried unplugging the relay and jumping the power over to the plug going to the starter S post and it started. But no go plugged in. I won't be able to be for sure until I get a new relay. Am I on the right path or should there be something else I need to check?



