Gauges

Tiny
TRENTONGEIS
  • MEMBER
  • 2002 CHEVROLET CAMARO
  • 6 CYL
  • 2WD
  • AUTOMATIC
  • 115,000 MILES
I tried to put in a tach and my gauges don't work, why?
Tuesday, March 10th, 2009 AT 9:59 PM

1 Reply

Tiny
KASEKENNY
  • MECHANIC
  • 18,907 POSTS
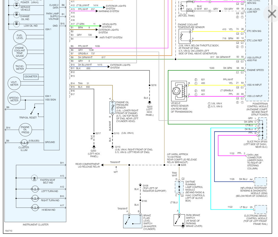
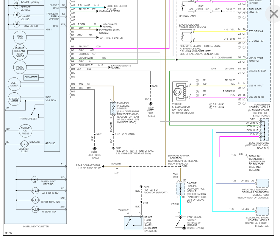
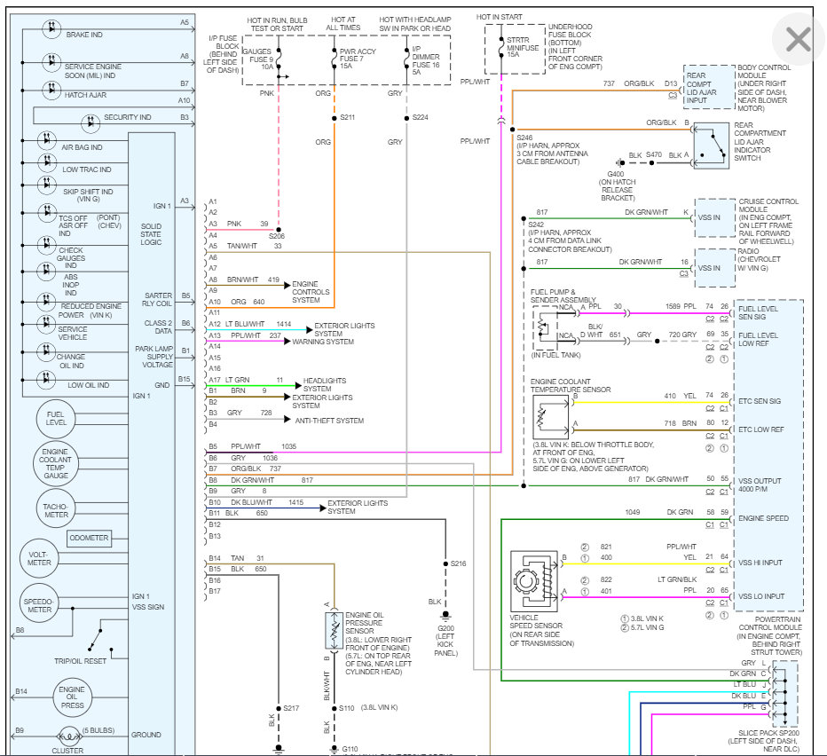
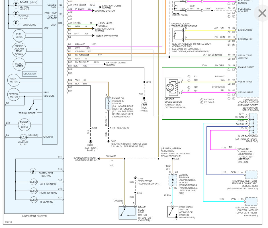
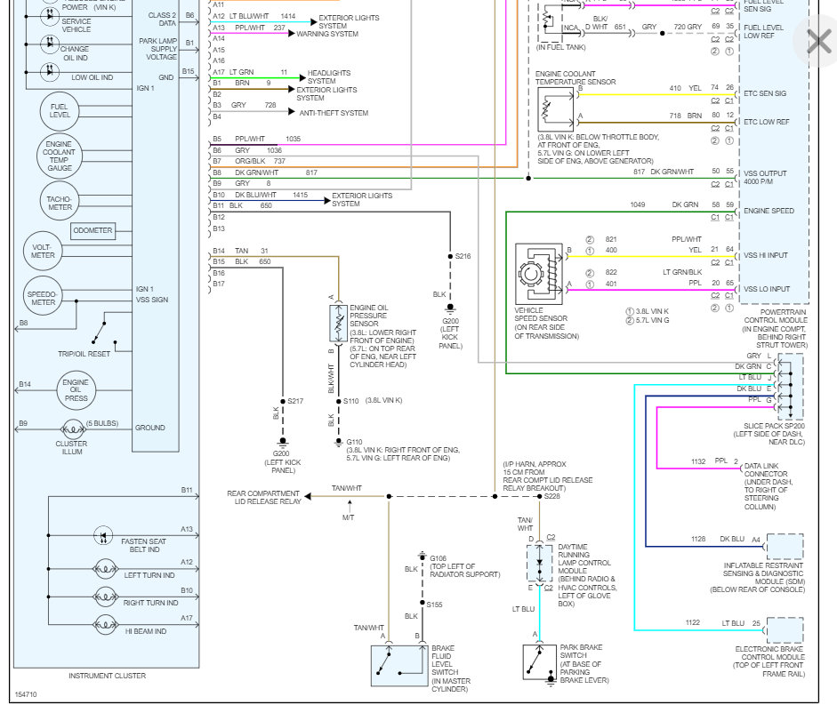
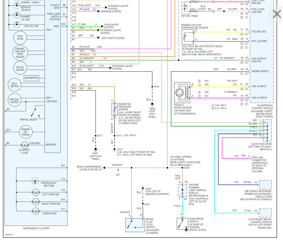
If the all the gauges were working prior to you trying to install the tach then the likely cause of this is, you blew a fuse and now the cluster is not operating.

So, we need to use the wiring diagram below to check the fuses related to the cluster, specifically Fuse 9 in the IP fuse block as this is directly for the gauges.

Here is a guide that will help with this:

https://www.2carpros.com/articles/how-to-check-a-car-fuse

If this fuse is ok, then we need to go to the cluster and make sure you have 12 volts coming in on this circuit. If you do then the cluster is likely the issue.

Please see the wiring diagram below and let us know what questions you have.
Was this
answer
helpful?
Yes
No
Sunday, November 14th, 2021 AT 2:10 PM

Please login or register to post a reply.