Radiator fan

Tiny
JAMIESHULER
  • MEMBER
  • 1998 CHEVROLET CAMARO
  • 6 CYL
  • 2WD
  • AUTOMATIC
  • 132,000 MILES
Radiator fan stopped working what should I do?
Saturday, October 25th, 2008 AT 2:08 PM

45 Replies

Tiny
TEAG
  • MEMBER
  • 158 POSTS
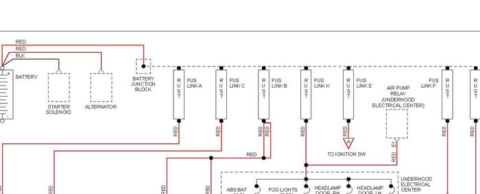
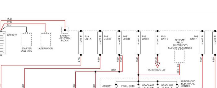
First of all. Check to make sure the fan motor is good. To do this you need to disconnect the fan and run jumper wires to the battery. If the fan works when you hook it up to the battery, the fan motor is good and you need to check and replace the fan switch relay. Here is a guide to help you with the cooling fan wiring diagrams below to show you how the system works and fuse with relay locations.

https://www.2carpros.com/articles/how-to-check-an-electrical-relay-and-wiring-control-circuit

and

https://www.2carpros.com/articles/replace-electric-fan-motor

Check out the diagrams (Below). Please let us know what happens.
Was this
answer
helpful?
Yes
No
+1
Sunday, October 26th, 2008 AT 9:35 AM
Tiny
TURA51481
  • MEMBER
  • 0 POST
Got a new radiator fan motor cost me $98.00 fix it
Was this
answer
helpful?
Yes
No
Thursday, September 5th, 2019 AT 4:25 PM
Tiny
REGEN MOORE
  • MEMBER
  • 8 POSTS
  • 1994 CHEVROLET CAMARO
  • V8
  • 2WD
  • AUTOMATIC
  • 102,200 MILES
Cooling fans not working. I replaced the (3) relays 1 month ago and the fans worked. Driven less than 200 miles. Very hot day yesterday 90 mile trip, again they are not working. I replaced the relays again and now they are NOT working. AC not used. Fans wont turn on! Car tested on computer last week and no codes came up for cooling sys. Could this be a wiring issue? RM in heat!
Was this
answer
helpful?
Yes
No
Thursday, September 5th, 2019 AT 4:25 PM (Merged)
Tiny
RASMATAZ
  • MECHANIC
  • 75,992 POSTS
Power the cooling fan from the battery if I comes on-check and test the coolant temperature sensor/switch if okay-could be a wiring problem or the computer controlled of the fan relays circuit
Was this
answer
helpful?
Yes
No
Thursday, September 5th, 2019 AT 4:25 PM (Merged)
Tiny
REGEN MOORE
  • MEMBER
  • 8 POSTS
Oh yes, I replaced the cooling sensor 1st(underneath water pump). Where does the fan relay wires ( from fusebox) hook to the ECU?
Was this
answer
helpful?
Yes
No
Thursday, September 5th, 2019 AT 4:25 PM (Merged)
Tiny
RASMATAZ
  • MECHANIC
  • 75,992 POSTS
Check and test fusible link C this is the one that powers the fan relays
Was this
answer
helpful?
Yes
No
+1
Thursday, September 5th, 2019 AT 4:25 PM (Merged)
Tiny
REGEN MOORE
  • MEMBER
  • 8 POSTS
Do you havde a diagram/ Schematic? I am so grateful.
Was this
answer
helpful?
Yes
No
+1
Thursday, September 5th, 2019 AT 4:25 PM (Merged)
Tiny
RASMATAZ
  • MECHANIC
  • 75,992 POSTS
I don't have the diagram I've checked it -not available
Was this
answer
helpful?
Yes
No
Thursday, September 5th, 2019 AT 4:25 PM (Merged)
Tiny
REGEN MOORE
  • MEMBER
  • 8 POSTS
Where do I test this? Location? Link C?
Was this
answer
helpful?
Yes
No
+1
Thursday, September 5th, 2019 AT 4:25 PM (Merged)
Tiny
KELLCAMARO
  • MEMBER
  • 1 POST
  • 1995 CHEVROLET CAMARO
  • 6 CYL
  • 2WD
  • AUTOMATIC
  • 166,000 MILES
I just bought a 1995 Chevy Camaro and it smokes from underneath the bottom of the engine. The dealer said there was an oil leak drippin on the manifold. I can't find it, but my cooling fan doesn't work. I replace the busted sensor for just that problem. So do I need a new cooling fan motor? And. What's up with the oil leak? What should I do?
Was this
answer
helpful?
Yes
No
Thursday, September 5th, 2019 AT 4:25 PM (Merged)
Tiny
IMPALASS
  • MECHANIC
  • 3,112 POSTS
For the oil leak, remember oil runs down. With the engine running and you driving it runs everywhere. A little oil makes a big mess. You have to wash the engine. Wash the engine really good. Follow directions for this so you don't spray cleaners/water directly into electrical items, pulleys etc. Make sure the engine is cool when you do this. Once clean start and run. Then look for the leak above the area it was dripping at. This takes time unless it is a really good leak. Look for wet, fresh oil; clean lines that the oil has been running at. Be careful when looking around running items. You will need a strong light also. I had to wash one then actually drive it. Then washed a smaller area again. Then had to drive it. Then traced it down to an area about the size of a dinner plate. Washed that area again. Ran it and just watched. Presto. There it was. Again, just takes time unless it is a really good leak.
For the fan, disconnect the connector from the fan motor and get two wires and go directly from the fan motor to the positive & negative side of the battery. If the fan motor doesn't move the motor is bad. Part is about $40 at Auto Zone.
Was this
answer
helpful?
Yes
No
Thursday, September 5th, 2019 AT 4:25 PM (Merged)
Tiny
RASMATAZ
  • MECHANIC
  • 75,992 POSTS
Check at the battery junction block
Was this
answer
helpful?
Yes
No
Thursday, September 5th, 2019 AT 4:25 PM (Merged)
Tiny
REGEN MOORE
  • MEMBER
  • 8 POSTS
I will check that. Thank you very much!
Was this
answer
helpful?
Yes
No
Thursday, September 5th, 2019 AT 4:25 PM (Merged)
Tiny
PLAYED7
  • MEMBER
  • 1 POST
  • 1995 CHEVROLET CAMARO
Engine Cooling problem
1995 Chevy Camaro 6 cyl Two Wheel Drive Automatic

why do the cooling fans not come on?Changed the cooling sensor already. When termenal is disconnected the fans come on but when I connect the sensor the fans will not come on.
Was this
answer
helpful?
Yes
No
-1
Thursday, September 5th, 2019 AT 4:26 PM (Merged)
Tiny
RASMATAZ
  • MECHANIC
  • 75,992 POSTS
Sounds like the computer controlled of the fan relay circuit-get it checked out-

The computer has to recognize the input signal from the coolant temperature sensor in order for it to activate the fan relays-could be an open wire from the CTS or the computer itself
Was this
answer
helpful?
Yes
No
Thursday, September 5th, 2019 AT 4:26 PM (Merged)
Tiny
KOLE
  • MEMBER
  • 1 POST
  • 1995 CHEVROLET CAMARO
  • V8
  • 2WD
  • AUTOMATIC
  • 90,000 MILES
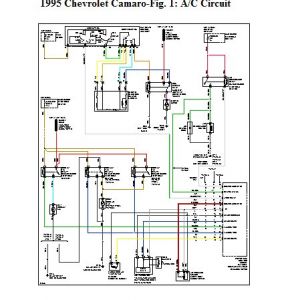
There is no air blowing through the ac vents when I turn on the ac. The switches work because I can hear the compressor turn on, but the fans not? On the relays there's coolant fan #1, 2, 3 and air pump, which one is it? Also where do I check the fuse for it? Where's the fan located? Thanks!
Was this
answer
helpful?
Yes
No
Thursday, September 5th, 2019 AT 4:26 PM (Merged)
Tiny
HMAC300
  • MECHANIC
  • 48,601 POSTS
I'm sending a diagram that shows where the stuff is that you want. you will be able to copy it and blow it up for easier viewing. Your relay for the blower is under the dash on the left tunnel. also check your grounds under the kick panel as well as your resistor as that may be bad as well. the resistor should be on the heater box as well as the blower motor. but check the blower motor for getting ower if it is it's a bad ground or the motor isn't any good.


https://www.2carpros.com/forum/automotive_pictures/406719_blower_relay_1.jpg

Was this
answer
helpful?
Yes
No
Thursday, September 5th, 2019 AT 4:26 PM (Merged)
Tiny
ROGERCUTFORD
  • MEMBER
  • 2 POSTS
  • 1996 CHEVROLET CAMARO
We have chaged the water pump, themistate, the coolant sensor on the water pump, changed all 3 relays for fans whats funny is if you take the relays out and place them right back in the fans will cycle one time time quit but will not start again with out unpluging and repluging the relays. So what could it be? 1996 z28 5.7 lt1
Was this
answer
helpful?
Yes
No
Thursday, September 5th, 2019 AT 4:26 PM (Merged)
Tiny
4THGENZ28
  • MEMBER
  • 10 POSTS
The signal between the temp. Sensor and the PCM are not triggering the relays, apparently.
If you have A/C, turn it on and see if you have low speed fan operation with the engine running. CAUTION: Be careful about not tangling with the serpentine belt, while you are feeling for the air in front of the alternator's location.
This is a good time to have the diagnostics performed rather than guess and pay for parts that, when replaced, don't solve the problem. Check continuity between the coolant temp. Sensor connector and the PCM Harness connector with a Volt-Ohm Meter (VOM) set to 20k ohms and the PCM fuse removed from the fuse block in the engine compartment. Also check the PCM's ground wire usually attached to the ignition coil bracket mounting stud. (Your Z28 may be different.)
DO NOT energize the ignition circuit or any PCM-related sensors, at any time while testing for continuity of the PCM circuitry or PCM wiring harness connections! Permanant and VERY EXSPENSIVE damages may result.
If you DO have a faulty PCM; chances are, it is going tho be a $1.50 voltage feedback resister, the ONE that receives the signal from the coolant temp. Sensor, and sends that signal (with a revised value) on to the PCM logic circuit FOR INTERPRETATION, that probably needs to be replaced by a electronics tech and you'll get your PCM back for about $130 because they don't have an exchange program, and you get to park your car for the 2 or 3 weeks it takes for turn-around.
Better hope that isn't your problem! :(
Was this
answer
helpful?
Yes
No
-1
Thursday, September 5th, 2019 AT 4:26 PM (Merged)
Tiny
2CP-ARCHIVES
  • MEMBER
  • 4,540 POSTS
I have a 1996 Z28 5.7 to. Same thing happen to me I craked my heads I told them my fans were not kicking on but when they tried they would come on. They said my car was fix. I got in my car and before I went 5 mile my car was in the red. I live in vegas and it does get hella hot out here. But this is a Z28 and it is designed to run hot. Anyhow took it back said same thing fans are not kicking on. They said they fixed it, again got in the car the car goes into the red. I paid then 1600.00 for my heads but the car was still over heating. The guy at the shop was freaking out. This time he said he fixed it and he let the car run for hours to see if it would over heat and it did not. So I picked up the car and guess what same dame thing. This guy put a new radiator theromosat water pump in all for free. Took car home and this time the car held up for about 3 weeks. So I figures this fool cant fix my car I then put a rebuild engine in. All the while telling these people my fans are not kicking on but it seamed to kick on for them. I did not take the car to chevy because I did not want to pay there price but I should of by now I have spent around 6 grand on this car. I figured I sank so much into I have to save it. Want I did was I tried to buy a thermosat that would open at 160 degress but all the auto part stores said u cant buy one and if u could it would not work. It would mess with the computer. But I remenber at the car races that when thier cars would start to over heat they would drill holes in the side of thier thermosats, this would open it up by letting more water run through it. This was a long time ago.I almost did that but I was looking on line and it was not hard to find a thermostat that open at 160 degress made just for a 1996 z28. I think auto zone now has one but u might have to order it its not something they would normally have on the self. And I also put in a modification I got at PEp Boy for about $30 buck that would turn on my fans at 175 degress sorry this respones is long and the spelling might not be right but I am typing super fast because I am pissed I ask these guy to do this in the first place but 6 grand latter I did it myself and is has been about a year and no problems. Total coat abut $60 !I wish someone would of wrote this to me a few years ago. This worked for me not telling u to do this but if your car is like mine a damn 1996 when they started to change things it might be worth a try. GOOD LUCK! Let me know
Was this
answer
helpful?
Yes
No
+6
Thursday, September 5th, 2019 AT 4:26 PM (Merged)

Please login or register to post a reply.