No brake lights?

Tiny
CAROLW58
  • MEMBER
  • 2002 CHEVROLET BLAZER
  • 6 CYL
  • 2WD
  • AUTOMATIC
  • 42,000 MILES
No brake lights. I have tail lights, back-up lights, turn signals - but no brake lights.
(The center top brake light works over the hatch.)

I have checked fuses - OK
checked bulbs - OK
Checked exposed wiring - OK

No voltage meter to check switch but brake pedal depressed cause 3rd stop light (on top of hatch) to activate.
Thursday, June 19th, 2008 AT 12:35 PM

1 Reply

Tiny
MOTOR MASTER
  • MECHANIC
  • 279 POSTS
Hello my name is Dave.

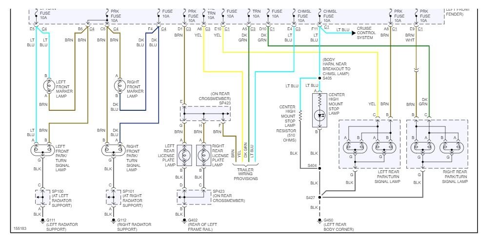
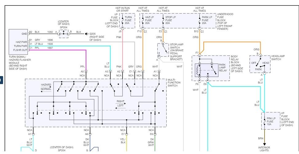
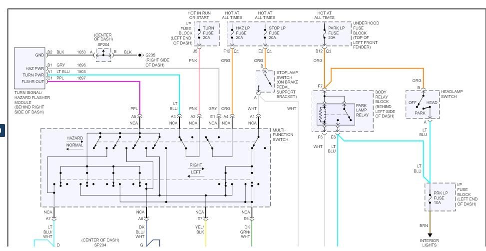
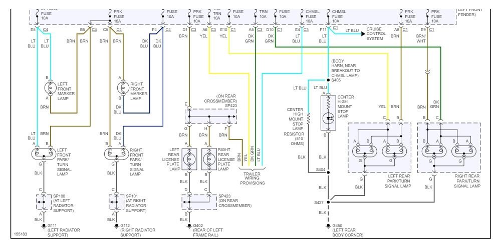
It sounds like you could have a faulty turn signal switch or the circuit from the brake light switch to the turn signal switch. The way the brake lights work on your vehicle is that the third brake light (center) has a direct circuit from the brake light switch to the light. The regular brake lights double as the turn signals so they are routed through the turn signal switch. What the switch does is re-rout the power to the turn/brake element in those lights depending on use, in other words it disconnects the brake light circuit when your turn signal is on, that is why you only have 1 brake light on one side when you have a turn signal on. I would check the wiring to the turn signal (multi function switch).

I am attaching diagrams for the exterior lights of your vehicle, and I know you said you don't have a multimeter to use for testing the wiring but I am also including a link to our tutorial for testing wiring, I am concerned that the issue is the wiring going to the turn signal switch since that is a more likely cause for both sides to fail. Here is the link to our tutorials, both for testing wires and using the multimeter:

https://www.2carpros.com/articles/how-to-use-a-voltmeter

https://www.2carpros.com/articles/how-to-check-wiring

Not knowing what's available in your area I want to show you several options. Please keep us up to date on your progress and thank you for using 2CarPros!
Was this
answer
helpful?
Yes
No
Wednesday, July 28th, 2021 AT 1:34 PM

Please login or register to post a reply.