My heater is not working why?

Tiny
BUNCHFAMILY
  • MEMBER
  • 2001 CHEVROLET BLAZER
My blazer is not throwing any heat, what could be the problem? I can hear the blower motor running. The temperature is at normal operating temp and the hoses under the hood, one feels a little warmer than the other but not a whole lot different.

Please help
Monday, January 5th, 2009 AT 6:43 AM

32 Replies

Tiny
KEN L
  • MASTER CERTIFIED MECHANIC
  • 55,428 POSTS
Hello,

This sounds like you have a temperature blend door actuator that is out and needs to be replaced, Here is a guide to help you get the job done.

https://www.2carpros.com/articles/replace-blend-door-motor

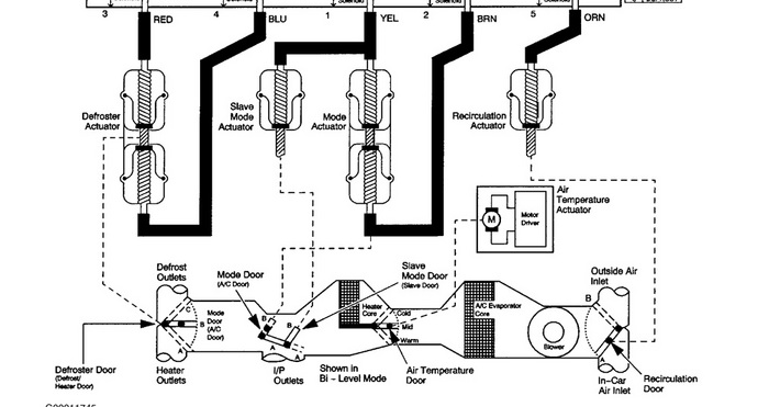
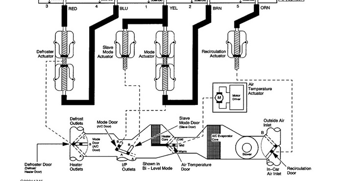
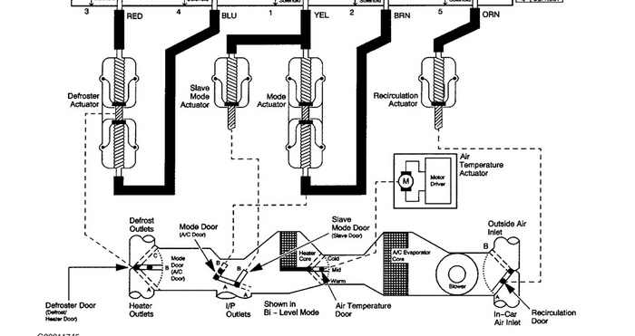
Here is where the actuator is on your car.

Check out the diagrams (Below)

Please let us know if you need anything else to get the problem fixed.

Cheers, Ken
Was this
answer
helpful?
Yes
No
Thursday, July 16th, 2020 AT 10:13 AM
Tiny
BUNCHFAMILY
  • MEMBER
  • 2 POSTS
Yes I can feel the air blowing from the vents and the speed matches the blower setting. I just replaced the thermostat this evening but it is still blowing cold air.
Was this
answer
helpful?
Yes
No
Thursday, July 16th, 2020 AT 10:13 AM
Tiny
JDL
  • MECHANIC
  • 16,098 POSTS
Well, if the engine temp is normal and good circulation through the heater core, I'd have to check the heater control valve, where applicable, and the blend doors.
Was this
answer
helpful?
Yes
No
+1
Thursday, July 16th, 2020 AT 10:13 AM
Tiny
BUNCHFAMILY
  • MEMBER
  • 2 POSTS
Thank you I checked the temperature blend door actuator and had it replaced by my neighbor not he heater works! YA! I love this site.
Was this
answer
helpful?
Yes
No
Thursday, July 16th, 2020 AT 10:13 AM
Tiny
SPOKC3C6
  • MEMBER
  • 2 POSTS
  • 2001 CHEVROLET BLAZER
  • 104,000 MILES
My 2001 Blazer heater will not heat. Engine warms up. Fan works, but only cold air. There were no symptoms -- just started.
Was this
answer
helpful?
Yes
No
Saturday, November 14th, 2020 AT 4:03 PM (Merged)
Tiny
DRCRANKNWRENCH
  • MECHANIC
  • 3,380 POSTS
There are a few possibilities;

The thermostat is stuck open. If you have a temperature gauge you can eleimanate that one.
The heater core valve is stuck or the cable that actuates it is not working. Check for the heater hoses near middle of firewall. One will have a ball valve on it. Someitmes the clamp that holds it in place comes loose or it gets stuck. See if you can move it by hand, only when engione cool, and do so gently. Check under the dash and make sure that the cable from the heater control thatr actuates the temperature is connected and seated properly. Check other cables, especially the heater box door cable, to make sure they are connected and seated in clips.
Was this
answer
helpful?
Yes
No
Saturday, November 14th, 2020 AT 4:03 PM (Merged)
Tiny
SPOKC3C6
  • MEMBER
  • 2 POSTS
Temp guage shows the engine gets up to temp. Neither heater hose has ball valve. Cables seem ok.
Was this
answer
helpful?
Yes
No
Saturday, November 14th, 2020 AT 4:03 PM (Merged)
Tiny
DRCRANKNWRENCH
  • MECHANIC
  • 3,380 POSTS
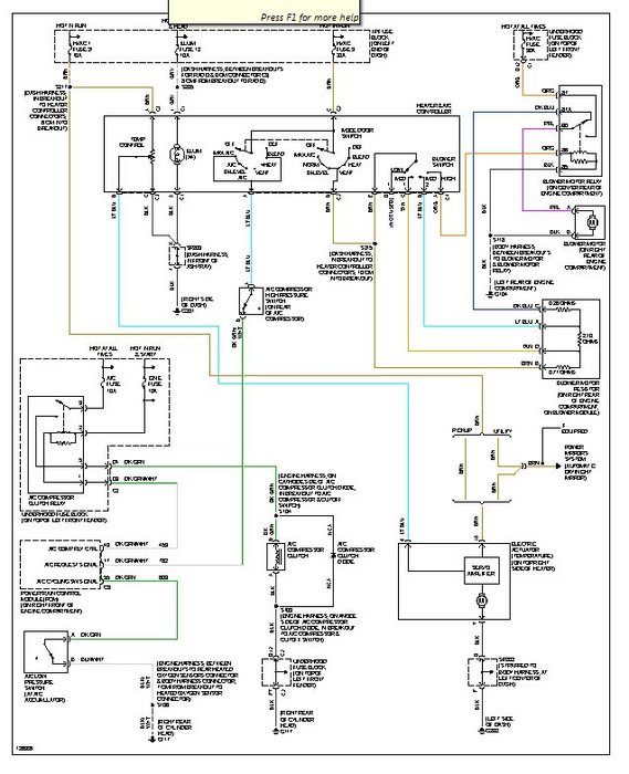
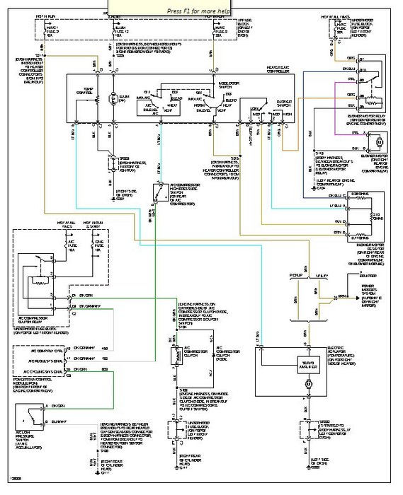
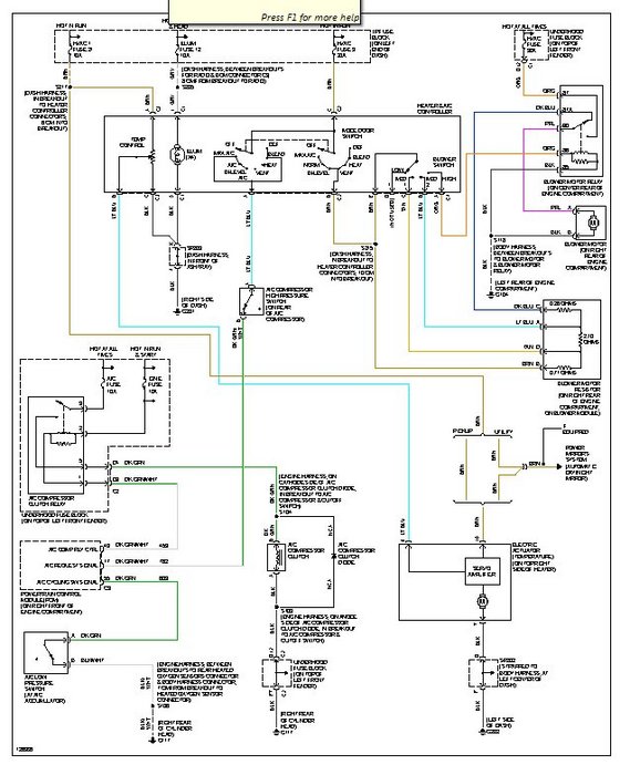
The heater control is actually electric. I am providing you with the wiring diagram. Follow the left most fuse at the top and it will go down to the heater control temperature solenoid wchich has location on it. I believe it is on heater box. So, check the fuse, then the wires and ground for tight corrosion free fits and grounds should contact clean metal. Then I would suspect the control solenoid.
Before replacing it go get the trouble codes pulled. You can get this done for free at any Adavance Auto or Auto Zone.
Was this
answer
helpful?
Yes
No
Saturday, November 14th, 2020 AT 4:03 PM (Merged)
Tiny
DNNBRWR01
  • MEMBER
  • 1 POST
  • 2001 CHEVROLET BLAZER
  • 4WD
  • AUTOMATIC
Heater in 2001 chevy blazer is not working correctly? Blower works but air does not get warm.
Was this
answer
helpful?
Yes
No
Saturday, November 14th, 2020 AT 4:03 PM (Merged)
Tiny
JDL
  • MECHANIC
  • 16,098 POSTS
Does the vehicle reach normal operating temp? Are the heater hoses hot?
Was this
answer
helpful?
Yes
No
-2
Saturday, November 14th, 2020 AT 4:03 PM (Merged)
Tiny
JDL
  • MECHANIC
  • 16,098 POSTS
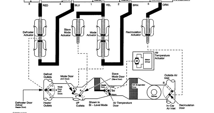
Also check for hvac codes. Below is schematic, problem with air-temp actuator/door, is possibility?
Was this
answer
helpful?
Yes
No
Saturday, November 14th, 2020 AT 4:03 PM (Merged)
Tiny
TOREYGOLDEN
  • MEMBER
  • 2 POSTS
  • 2001 CHEVROLET BLAZER
  • 6 CYL
  • AWD
  • AUTOMATIC
  • 99,100 MILES
It's currently in the low 40s. I start my car to defrost it for 10 minutes. I come back out and the windows are not defrosted. I switch to the fan with the heat on and I get cold air. Same thing when I switch it to the AC. What are some possible causes for this issue and what would I be looking at in cost for repair (Unless it's something any person can fix)? Thanks.
Was this
answer
helpful?
Yes
No
Saturday, November 14th, 2020 AT 4:03 PM (Merged)
Tiny
BLUELIGHTNIN6
  • MECHANIC
  • 16,542 POSTS
There are a few possible causes. Check coolant to ensure it is at the correct level. Also make sure that the coolant is getting warm after engine has been running. Check hoses for leaks/loose fits. If all is good then your car might need a new thermostat or heater core. The first few things you should be able to do yourself. If none of those work and you conclude you need a new heater core or thermostat, the prices for parts are rather low but the labor costs are high due to the difficulty of installation.
Was this
answer
helpful?
Yes
No
Saturday, November 14th, 2020 AT 4:03 PM (Merged)
Tiny
TOREYGOLDEN
  • MEMBER
  • 2 POSTS
Awesome. I'll check that. Thanks!
Was this
answer
helpful?
Yes
No
Saturday, November 14th, 2020 AT 4:03 PM (Merged)
Tiny
MSENZ
  • MEMBER
  • 1 POST
  • 2001 CHEVROLET BLAZER
  • 6 CYL
  • 4WD
  • AUTOMATIC
  • 96,000 MILES
The heater in my chevy is not working. I have changed the thermostat, the coolant level is full. I believe the heater core is fine. I think it may be air mix mode door may be stuck and not shutting all the way. Where can I located? And is this possible?
Was this
answer
helpful?
Yes
No
Saturday, November 14th, 2020 AT 4:03 PM (Merged)
Tiny
JACOBANDNICKOLAS
  • MECHANIC
  • 110,194 POSTS
Hi:
I will assume the engine is running at a normal operating temp, and the blower motor is working. To check the function of the doors, you will need to craw under the dash, identify the HVAC duct work, and remove it to get into the doors. Before doing that, however, with the engine at normal operating temp and the heater on, make sure both heater hoses are getting hot.

Let me know what you find.

Joe
Was this
answer
helpful?
Yes
No
Saturday, November 14th, 2020 AT 4:03 PM (Merged)
Tiny
QUAKER
  • MEMBER
  • 1 POST
  • 2001 CHEVROLET BLAZER
  • 6 CYL
  • 2WD
  • AUTOMATIC
  • 10,100 MILES
Hello,

Having problems with getting heat to blow out of the vents.

When I turn the heat on, I only get cool air.

When the blower motor is turned on, it sends air to where I direct it via the knob. Defrost, leg, etc.

The A/C works properly.

A little more in depth,

- The lines that run off the heater core from the firewall do not get hot at all. The line that should feed coolant into the heater core (off the intake manifold) does not even begin to get warm, needless to say the return line back to the water pump is cool as well.

- The truck is not overheating. It also does not take a real long time for the truck to get up to temp. I don't think it's the themostat.

- I do not smell coolant in the cab of the vehicle.

- I flushed the heater core only a few months ago, with pressure (water nozzle). I was actually surpised that I did not get a lot of nasty gunk coming out like you hear a lot of folks talk about.

- I replaced the thermostat less than 2 months ago.

- The intake manifold was replaced a little before I did the thermostat.

- Coolant levels are full in radiator and overflow tank.

- Upper radiator hose get plenty hot.

I plan on grabbing a new rad cap and reflushing the heater core, just as a "hey, this is the easy stuff to eliminate first" kind of thing.

Will probably take the inlet heater core hose completely off (from firewall and intake) and see if thats clogged.

- This was an intermittant problem when it really first began. I could not get heat to come out the vents on the way to work in the morning but on my way home I was then getting heat.

- Could it possibly be the water pump?

- I have read through a haynes manual (not very useful for this topic) the only thing I did find was a mention of a way to test the water pump was to just basically see if those 2 lines were warm.
Was this
answer
helpful?
Yes
No
Saturday, November 14th, 2020 AT 4:04 PM (Merged)
Tiny
JACOBANDNICKOLAS
  • MECHANIC
  • 110,194 POSTS
If the heater core hoses are not getting hot neither the inlet of out let, there has to be a blockage. If the waterpump was bad, the engine temp would be a problem. Make sure the hoses aren't plugged, remove the hoses make sure where they attach to the engine aren't plugged.
Was this
answer
helpful?
Yes
No
Saturday, November 14th, 2020 AT 4:04 PM (Merged)
Tiny
NLP090979
  • MEMBER
  • 1 POST
  • 2001 CHEVROLET BLAZER
  • 6 CYL
  • 4WD
  • AUTOMATIC
  • 100,750 MILES
My blazer has no heat have changed thermostat2 times flushed everything changed antifreeze heat in hose going to heater core very little heat in hose coming out fuses are fine what's my problem?
Was this
answer
helpful?
Yes
No
Saturday, November 14th, 2020 AT 4:04 PM (Merged)
Tiny
RHALL77
  • MECHANIC
  • 3,361 POSTS
The heater core is plugged. You can either replace the heater core, or you can perform a super flush on it. The super flush is a product made by prestone. It works very well if you follow the directions. It take a couple of hours to do, but it works
Was this
answer
helpful?
Yes
No
Saturday, November 14th, 2020 AT 4:04 PM (Merged)

Please login or register to post a reply.