Heater not working?

Tiny
MOTHERLAGOOSE
  • MEMBER
  • 1995 CHEVROLET BLAZER
  • 100,000 MILES
Radio and Heater not working in my chev blazer (95). Have replaced: the battery, the alternator, the blower motor for the heater. I am wondering if a faulty job installing a remote starter could be the problem with this other stuff not running. My X husband installed the remote starter, I do not remember the thing ever working. So am wondering what to look for in this situtation if indeed it is the remote starter. Also when I put the key into the ignition, I have to give it a good push in before it will engage the starter. Could the stater be causing the problem? If I do not get the key pushed all the way into the ignition, it will just grind when I try to turn the truck over. Before I put the new blower motor into it, if I would hit a bump with it the heater would go out, if I would hit another bump with it. The heater would come back on. Was not the resitor, that was all good. After the installation of the new blower motor (for the heater) it ran good for a while and then just shut off and now will not work. Any help or suggestions would be much appreciated!
Thanks!
Freezing my butt off in Wisconsin!
Wednesday, January 18th, 2012 AT 3:57 PM

14 Replies

Tiny
DRCRANKNWRENCH
  • MECHANIC
  • 3,380 POSTS
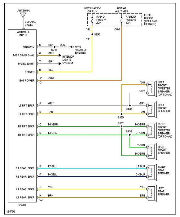
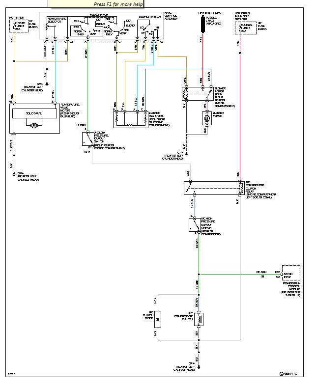
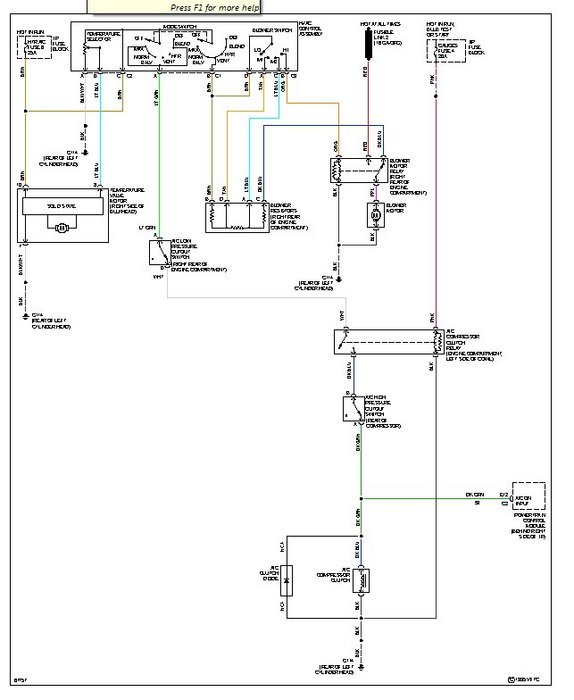
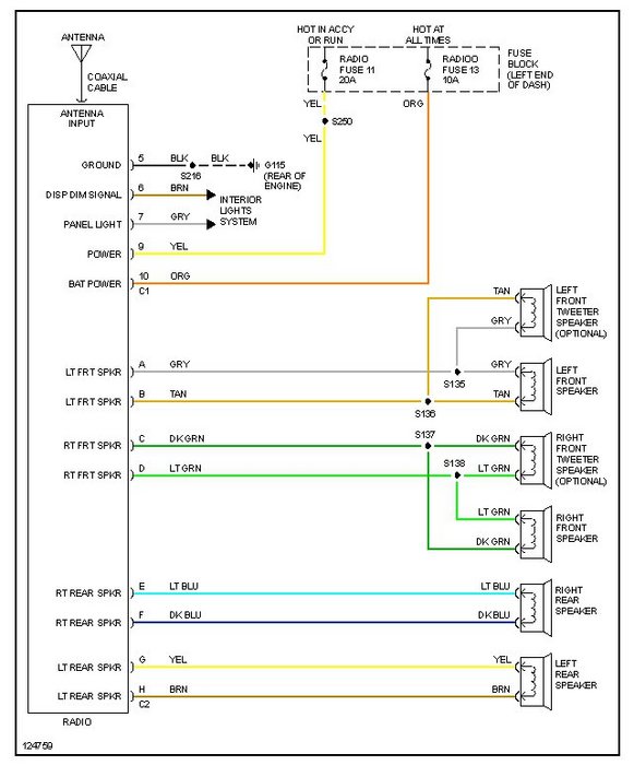
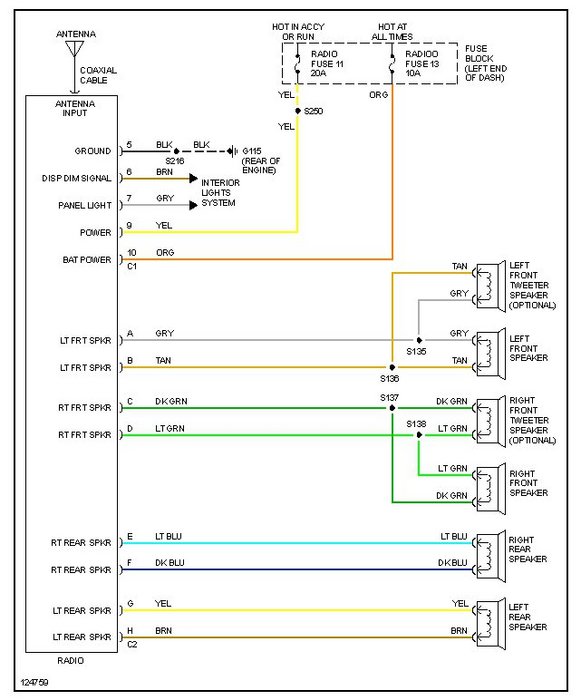
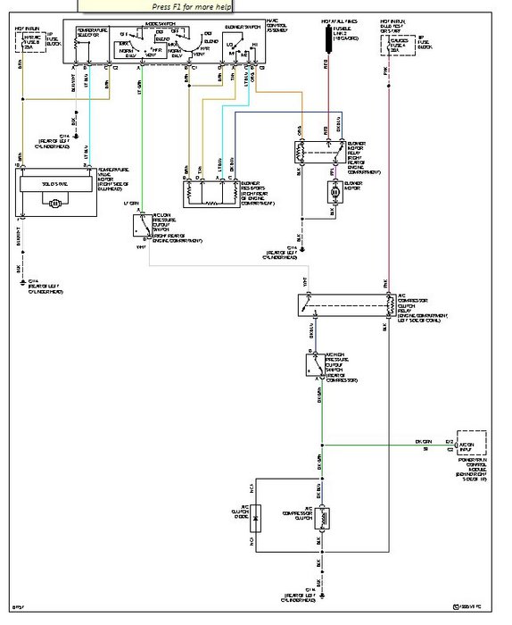
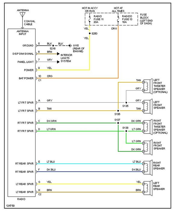
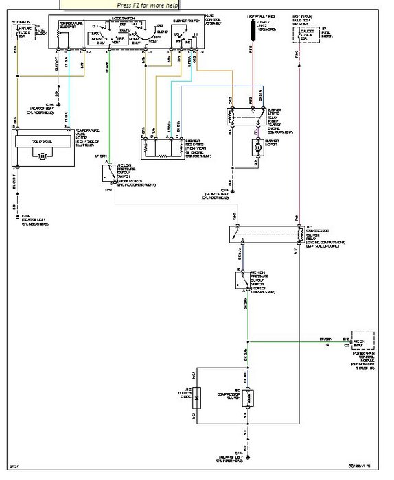
There is a loose connection or a bad ground somewhere. I am giving you the wiring diagrams for the heater circuit and the radio circuit. Look to see if they share a common ground. Check the ground, there location is given at the ground sign, and make sure it is a tight fit, corrosion free with a good metal to metal contact. Wiggle wire connectors around while running, careful not to grab to close to actual connectors to avoid shock and where rubber gloves, to see if there is a loose wire.

This guide can help us fix it

https://www.2carpros.com/articles/car-heater-not-working

Please run down this guide and report back.
Was this
answer
helpful?
Yes
No
Wednesday, January 18th, 2012 AT 5:08 PM
Tiny
MADILL35
  • MEMBER
  • 1 POST
  • 1994 CHEVROLET BLAZER
Heater problem
1994 Chevy Blazer Four Wheel Drive Automatic

Blower was only working periodically. Replaced blower motor, now fan working but not blowing hot air only warm. Replaced thermostat, still only blowing warm air. What could be problem and how would I check it
Was this
answer
helpful?
Yes
No
Thursday, July 16th, 2020 AT 10:30 AM (Merged)
Tiny
RAPTOR660
  • MEMBER
  • 2 POSTS
The first thing I would check is flow through the heater core by letting the car warm up and feeling each heater hose with your hand they both should be hot if one is cooler then you can back flush it or replace it.
Was this
answer
helpful?
Yes
No
Thursday, July 16th, 2020 AT 10:30 AM (Merged)
Tiny
DON RAY
  • MEMBER
  • 1 POST
  • CHEVROLET BLAZER
I own a 1991 chevy S10 blazer 4.3 liter 169'000 miles, I can not get the hot air to blow out. I am wondering if it is the fan switch or the fan. Any help would be appreiciated, Thank you.
Was this
answer
helpful?
Yes
No
Thursday, July 16th, 2020 AT 10:30 AM (Merged)
Tiny
FFAS23
  • MEMBER
  • 25 POSTS
Go and open the hood and unplug the blower motor hot wire at the plug of the blower motor located on the passenger side of the car at the firewall. Get yourself a automotive test light (they are cheap) and ground the wire from your test light and put the opposite end to the hot wire going to the blower motor. Make sure your your key is in the on position or have the car running. If the test light lights up you have power going to the blower motor and the fan should be working, if not you have a defective blower motor. If no power at that hot wire it may just be the switch. I have found that the majority of the time the blower motor is bad. If the switch only works on one speed the heater resistor is bad. Hope I answered your question. Good Luck!

Fred
Was this
answer
helpful?
Yes
No
Thursday, July 16th, 2020 AT 10:30 AM (Merged)
Tiny
BABYEBK
  • MEMBER
  • 6 POSTS
Is this a hard job to replace the blower motor or would we have to take it to the mechanic if I can do it what would be the steps
Was this
answer
helpful?
Yes
No
-1
Thursday, July 16th, 2020 AT 10:30 AM (Merged)
Tiny
CHEVY21
  • MEMBER
  • 1 POST
  • 1991 CHEVROLET BLAZER
  • 6 CYL
  • 4WD
  • AUTOMATIC
I have a 91 chevy blazer s10 4x4 the heater blows alittle warm mostly cold air on max. I put a new water pump, hoses, heater core and a new radiator and its still not working right. What else im I missing here?
Was this
answer
helpful?
Yes
No
Thursday, July 16th, 2020 AT 10:30 AM (Merged)
Tiny
JDL
  • MECHANIC
  • 16,098 POSTS
Does the engine reach normal operating temp? Are the heater hoses hot? Possible thermostat issue? Maybe a temp control door under the dash, isn't operating like it should?
Was this
answer
helpful?
Yes
No
Thursday, July 16th, 2020 AT 10:30 AM (Merged)
Tiny
TERRYNRAY81
  • MEMBER
  • 3 POSTS
  • 1991 CHEVROLET BLAZER
  • V8
  • 4WD
  • AUTOMATIC
  • 103,495 MILES
If my antifreeze is very low would this cause my heater to not blow out any hot air?
Was this
answer
helpful?
Yes
No
Thursday, July 16th, 2020 AT 10:30 AM (Merged)
Tiny
RASMATAZ
  • MECHANIC
  • 75,992 POSTS
Yup, not enough coolant flowing thru the system-the heater core is on a higher level then the radiator. A stuck open thermostat will also do that, also a clogged up hose and heater core.
Was this
answer
helpful?
Yes
No
Thursday, July 16th, 2020 AT 10:30 AM (Merged)
Tiny
ANJ
  • MEMBER
  • 1 POST
  • 1991 CHEVROLET BLAZER
  • 6 CYL
  • 4WD
  • AUTOMATIC
  • 146,000 MILES
I replaced resistor, blower motor and relay now and I have nothing blowing still, no heat no a/c, what could it be? The new motor seems to not be turning so it has no power I assume? This cant be a dash switch issue can it? Why would that cause the blower to have no power? Thats what it seems like because the old motor worked and then just died so I replaced it today, still nothing blows, now what to do?
Was this
answer
helpful?
Yes
No
Thursday, July 16th, 2020 AT 10:30 AM (Merged)
Tiny
BMRFIXIT
  • MECHANIC
  • 19,053 POSTS
Check power supply
place switch on high
with a test light check the blower motor wires
one should have power and the other should be ground
Was this
answer
helpful?
Yes
No
Thursday, July 16th, 2020 AT 10:30 AM (Merged)
Tiny
SGT.TUNA
  • MEMBER
  • 1 POST
  • 1987 CHEVROLET BLAZER
  • V8
  • 4WD
  • AUTOMATIC
  • 141,000 MILES
My heater will blow hot air for about 15 minutes and then the heat stops, the air continues to blow however. My engine temp gauge also is maxed out, but the heat is fine I believe the 2 are connected.
Was this
answer
helpful?
Yes
No
Thursday, July 16th, 2020 AT 10:30 AM (Merged)
Tiny
BMRFIXIT
  • MECHANIC
  • 19,053 POSTS
Check coolant level
Is the car reaching operating temp
Check heater core hoses if both are hot,
if both hoses hot and not enough heat inside suspect blend door actuator
if not one hose hot and the other warm or cold the heater core need to be flushed (very common)
as a 1st step
these are the steps
WARNING: NEVER REMOVE THE PRESSURE RELIEF CAP UNDER ANY CONDITIONS WHILE THE ENGINE IS OPERATING. FAILURE TO FOLLOW THESE INSTRUCTIONS COULD RESULT IN DAMAGE TO THE COOLING SYSTEM OR ENGINE AND/OR PERSONAL INJURY. TO AVOID HAVING SCALDING HOT COOLANT OR STEAM BLOW OUT OF THE COOLING SYSTEM OR DEGAS BOTTLE, USE EXTREME CARE WHEN REMOVING THE PRESSURE RELIEF CAP FROM A HOT COOLING SYSTEM OR DEGAS BOTTLE. WAIT UNTIL THE ENGINE HAS COOLED, THEN WRAP A THICK CLOTH AROUND THE PRESSURE RELIEF CAP AND TURN IT SLOWLY UNTIL PRESSURE BEGINS TO RELEASE. STEP BACK WHILE THE PRESSURE IS RELEASED FROM THE COOLING SYSTEM. WHEN CERTAIN ALL PRESSURE HAS BEEN RELEASED, PRESS DOWN ON THE PRESSURE CAP (STILL WITH A CLOTH), TURN AND REMOVE PRESSURE RELIEF CAP.
Engine cool
lower the coolant level
Locate the two hoses running to the heater core
disconnect them at the engine side leaving hoses connected to heater core throw the firewall
use garden water hose and compressed air if possible
run the water and follow by air throw one side and out the other and vice versa
do that two to three times watching what leaving the heater core you are looking for the good flow and clear water to run throw
reconnect hoses
top off coolant system
good luck
let me know
Was this
answer
helpful?
Yes
No
Thursday, July 16th, 2020 AT 10:30 AM (Merged)

Please login or register to post a reply.