Tuesday, June 15th, 2010 AT 11:41 AM
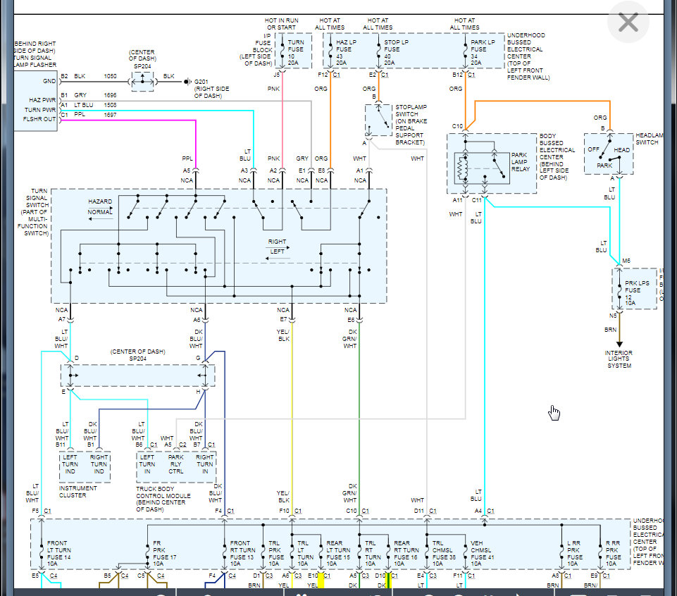
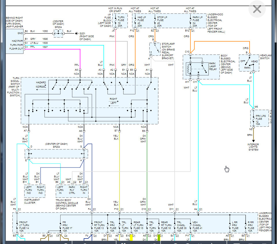
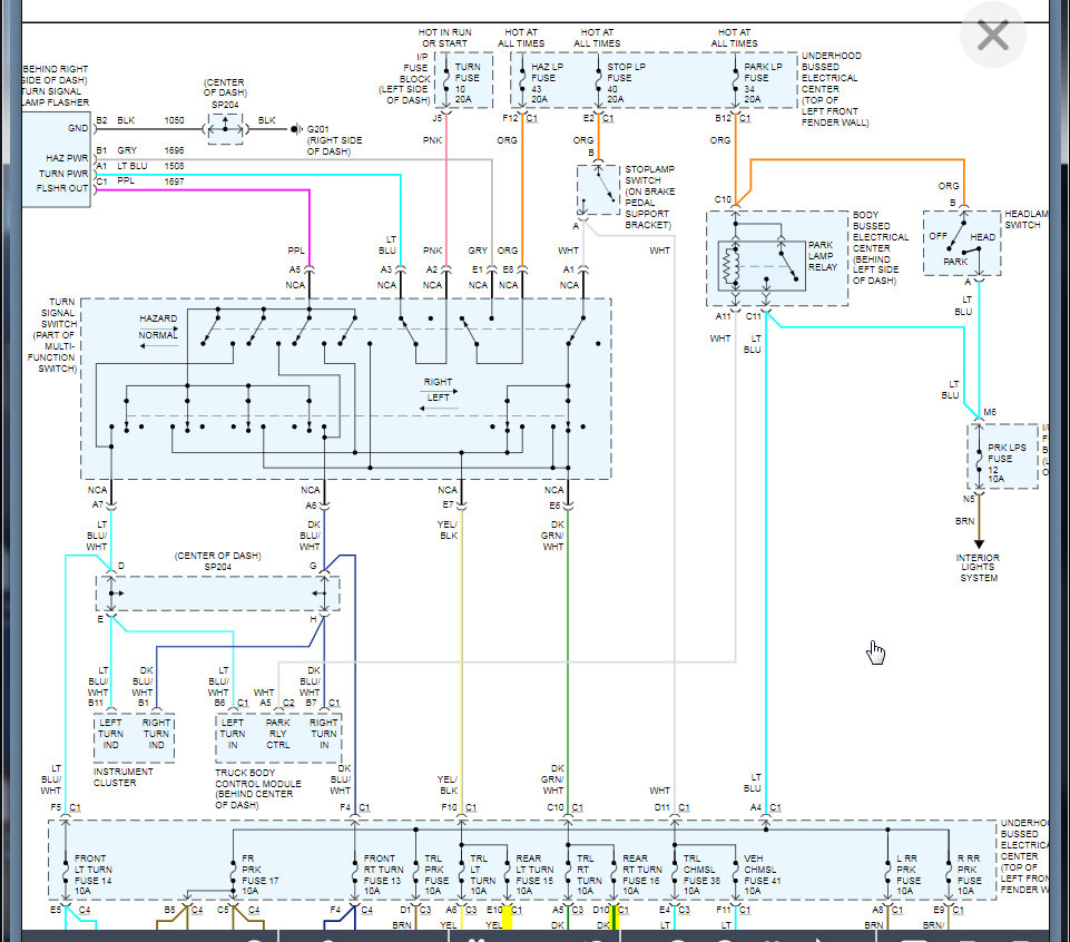
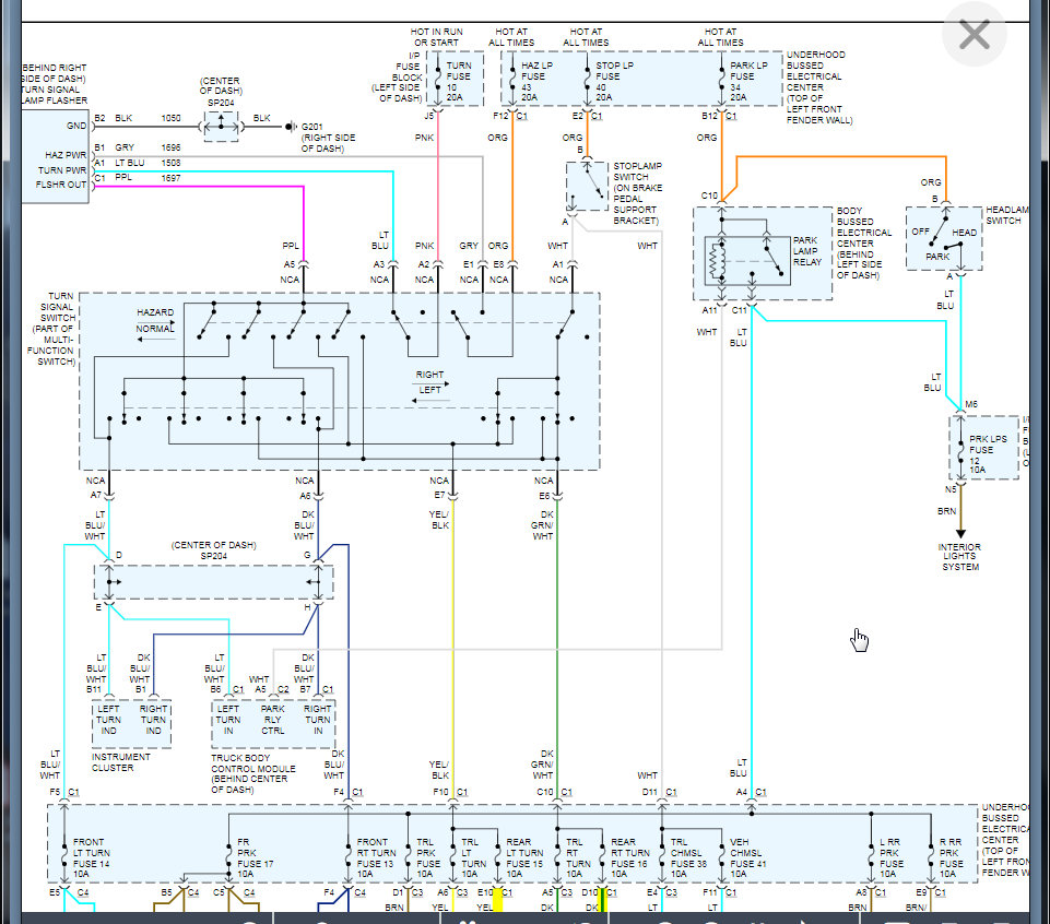
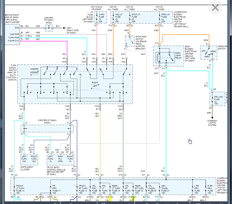
My brake lights are not working. I was told to check turn signals and hazards light. Now they are not working. Checked all fuses both locations all ok.



