The charge light does not come on at all and is not charging?

2008 FORD RANGER
177,000 MILES • 3.0L • V6 • 2WD • AUTOMATIC
Avatar
FIXMYPROBLEM
  • MEMBER
  • 4 POSTS
charging system problem.
May 25, 2023 at 12:26 PM
Advertisement
Repair Safety Notice: This information is for general instructional purposes only. Vehicle repair can be dangerous. Verify all information, follow manufacturer service procedures, use proper tools and safety equipment, and consult a qualified repair shop when needed.
Avatar
CARADIODOC
  • AUTOMOTIVE REPAIR CONTRIBUTOR
  • 34,308 POSTS
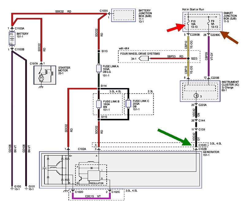
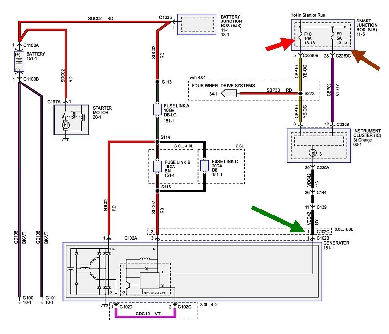
Dandy observation. The dash light is the turn-on circuit for the voltage regulator. There's three things that can cause this. One is a break in the green wire between the dash and the generator's three-wire plug. Most often that break is between the two mating terminals in the connector at the back of the generator. Wiggling the connector while the engine is running usually gets the system working. Once the generator is turned on by the voltage regulator, the system will keep on working even if that connection is broken again, as long as the engine remains running. It can be helpful to turn on the head lights so you can see their increase in brightness when the charging system begins working.

The second defect is a blown fuse, but there's usually other symptoms or clues besides just the charging system problem. The third thing is a failed voltage regulator, but that is less common.

Start by measuring the voltage on the green wire at the three-wire plug at the back of the generator. Normal is to find around 2.0 volts with the ignition switch in "run", but the engine is not running. That should jump up to full system voltage, (between 13.75 and 14.75 volts) when it's working. That's the voltage that turns the warning light off.

If you aren't familiar with using a digital voltmeter, start by looking at this article:

https://www.2carpros.com/articles/how-to-use-a-voltmeter

They're using an "auto-ranging" meter which is an expensive option. If you have a standard meter and need help setting it up, I can help with that.

The preferred method is to leave the connector plugged in, and back-probe through the rubber weather seal alongside the green wire. Let me know what you find there. If you find 0.0 volts with the ignition switch in the "run" position, check fuses 9 and 19 in the inside fuse box. The second drawing shows its location, and the third one points out those two fuses
May 25, 2023 at 7:04 PM