Monday, January 4th, 2021 AT 11:40 PM
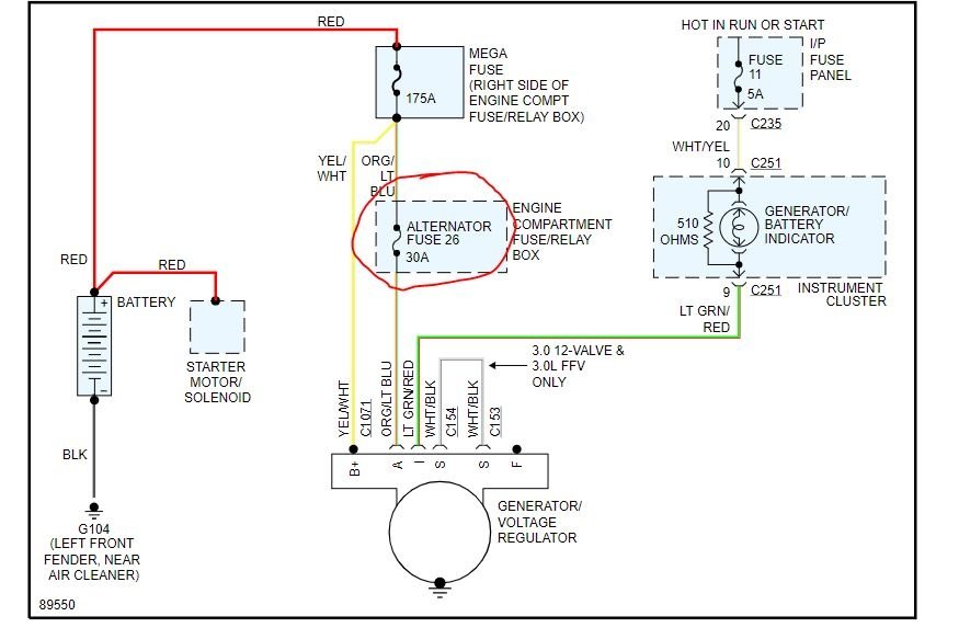
I hooked an inverter into cigarette lighter and plugged in a little heater. When I shut it off I guess I blew the fuse not realizing it I later went to the gas station and on the way back I lost all power lighting blinkers everything in the car eventually shut off. I put a jump pack on it and got it back to the house. Replaced the fuse, tested alternator charge the started the car will not take a charge. They're both good battery multimeter shows that there is a current with key off in between the battery new alternator. I cannot figure it out I need help.


