Central junction box short

Tiny
THROWED18
  • MEMBER
  • 2003 FORD F-150
  • 4.2L
  • V6
  • 2WD
  • MANUAL
  • 204,867 MILES
My truck has a short and it's the fuse #103 under the hood which is the central junction box. But I don't know how to repair it or find it or what and where it is located at?
Tuesday, April 14th, 2020 AT 7:32 PM

9 Replies

Tiny
JACOBANDNICKOLAS
  • MECHANIC
  • 110,194 POSTS
Hi,

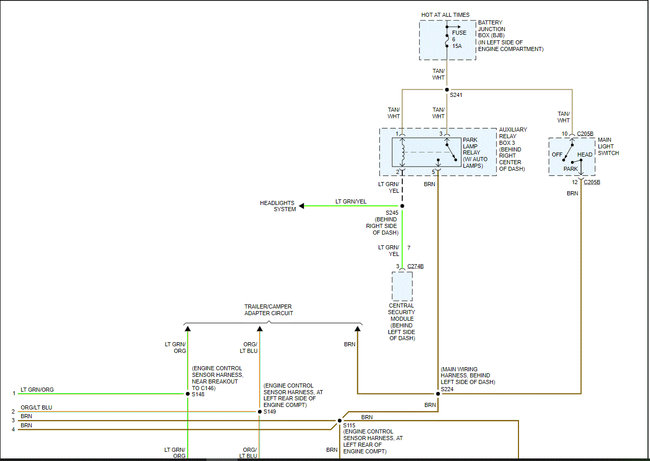
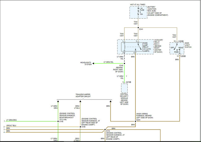
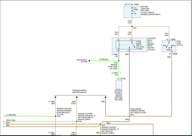
Okay, I have attached two pics below from the wiring schematic. Is fuse 103 a 50 amp fuse? I ask just to confirm we are looking at the same thing.

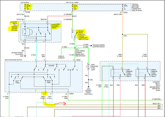
If it is, note that pic 1 shows that fuse and where it sends power. Look at pic 2 and you will see that 50 amp fuse (103) powers many different things. Take a look at the fuses in that pic and see if anything indicated has been causing problems prior to this new problem.

Next, I need to know if any of those fuses are blown as well. If none are, I need you to pull each of those fuses (1, 2, 3, 4, 13, 14, 15) and then install a new fuse in (103) in and see if it blows. If it does, then we have a short at the CJB itself which will require inspection. If it doesn't blow, reinstall one of the 7 fuses back at a time to see which one causes 103 to blow. At that point, we will know which circuit is causing the issue.

I have a feeling it is between 103 and the other fuses just because the others are a lower voltage and should blow before 103.

However, try this and let me know what you find. Also, let me know if the fuse blows as soon as it is inserted or if something is required to be turned on before it will blow.

Let me know what you find.
Was this
answer
helpful?
Yes
No
Tuesday, April 14th, 2020 AT 8:15 PM
Tiny
THROWED18
  • MEMBER
  • 3 POSTS
Yes, 103 is a 50 amp fuse. But no other fuses are blown or blow out. I know the fuse box under driver side dashboard is loose and also number 1 fuse under the dash which is audio it sparked a little the other day and burnt my radio out, but it did not blow the fuse.
Was this
answer
helpful?
Yes
No
Wednesday, April 15th, 2020 AT 1:41 AM
Tiny
JACOBANDNICKOLAS
  • MECHANIC
  • 110,194 POSTS
Is there something that needs turned on before 103 blows or does it happen as soon as you turn the key on or as soon as you put in a new fuse?

Joe
Was this
answer
helpful?
Yes
No
Wednesday, April 15th, 2020 AT 6:43 PM
Tiny
THROWED18
  • MEMBER
  • 3 POSTS
103 fuse doesn't blow out but that's where the shorts coming from.
Was this
answer
helpful?
Yes
No
Thursday, April 16th, 2020 AT 9:21 PM
Tiny
JACOBANDNICKOLAS
  • MECHANIC
  • 110,194 POSTS
Hi,

You lost me on that one. If the fuse is good, how do you know there is a short? Do you see something sparking? If 103 doesn't blow and there is a short, it has to be before the fuse. Otherwise, it should blow the fuse.

Please explain. I'm sorry, but not being there with you makes it difficult. Hope you understand.

Take care,
Joe
Was this
answer
helpful?
Yes
No
Friday, April 17th, 2020 AT 12:12 PM
Tiny
EDDIAZ34
  • MEMBER
  • 2 POSTS
I have this similar problem as this gentleman on my 2003 F150. My right rear turn signal and brake light don't work. There was a power draining from fuse 103. I did all the steps and no fuse blown. What would be my next step?
Was this
answer
helpful?
Yes
No
Wednesday, July 7th, 2021 AT 1:28 PM
Tiny
JACOBANDNICKOLAS
  • MECHANIC
  • 110,194 POSTS
Hi,

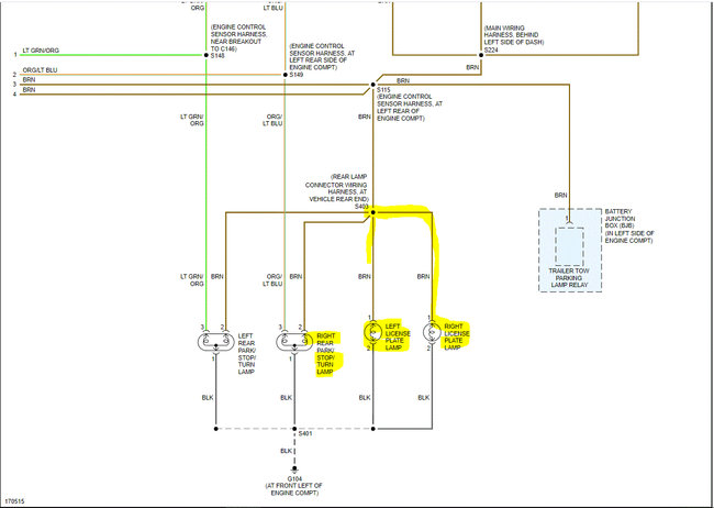
Does the parking light work on the right side? Do the license plate lights work?

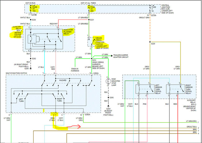
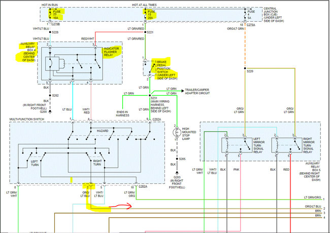
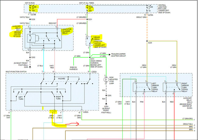
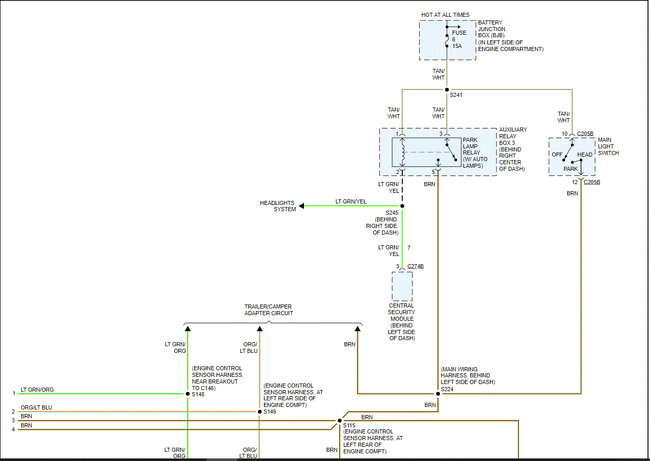
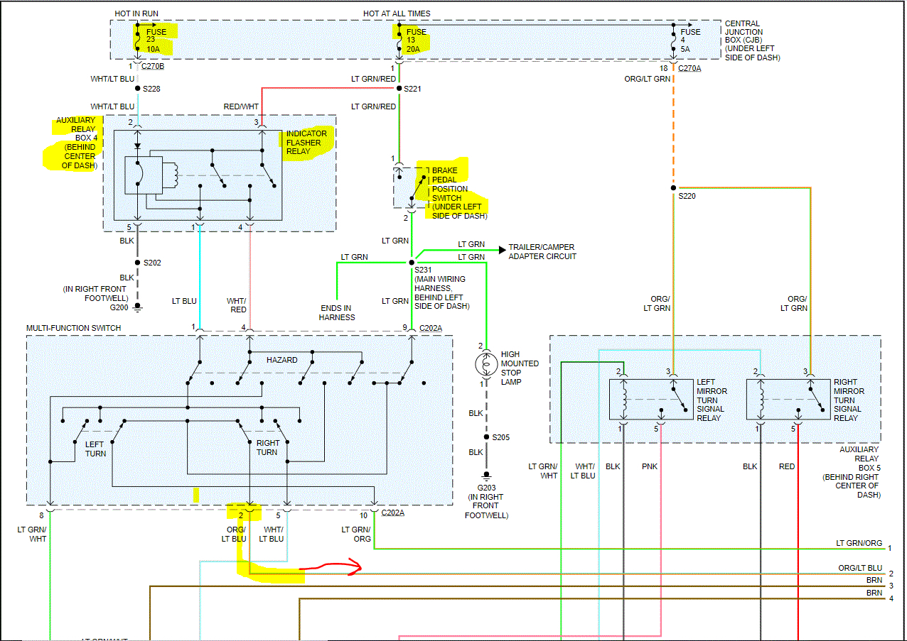
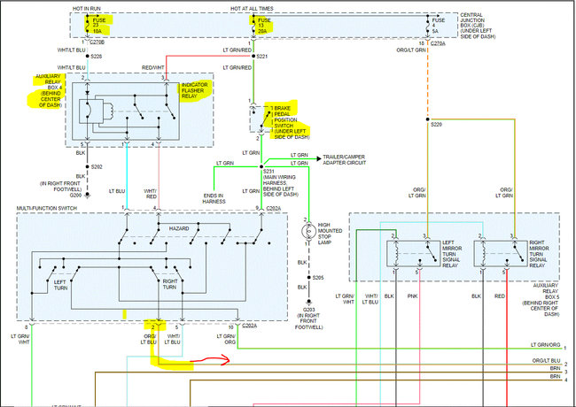
If you look below, I attached the wiring schematic and highlighted key areas to check. Make sure the fuses are good and let me know about the lights I mentioned.

Take care,

Joe
Was this
answer
helpful?
Yes
No
+1
Wednesday, July 7th, 2021 AT 8:18 PM
Tiny
EDDIAZ34
  • MEMBER
  • 2 POSTS
All the fuses are good. Brake light turns on on right rear just no signal light. Checked light bulb and it's not blown. Had removed one of the cables from battery and hooked up multimeter started pulling fuses one by one to bit dropped that's how I found out the was a drain #103. Still curious though as to why no blinking light.

What would I eliminate next?
Was this
answer
helpful?
Yes
No
Wednesday, July 7th, 2021 AT 9:03 PM
Tiny
JACOBANDNICKOLAS
  • MECHANIC
  • 110,194 POSTS
Hi,

How much of a draw on the system was there? There are usually low voltage draws at all times.

I thought it was the brake light as well. Does the right front signal blink fast? Do the license plate lights work as well as the parking light on the right side?

Also, in pic 1 above, the orange/lt blue wire with the arrow pointing to the right is what powers the right rear turn signal light. Go to the light socket and check that wire to see if you get power when the turn signal is on. If you do, replace the socket. If you don't and the right front blinks fast, that wire is likely broken at some point.

To confirm that, you will need to locate the same wire under the dash coming from the multi-function switch and check it there is power when the right signal is on. If there is, the wire is bad. If there is no power right off the switch to the orange/lt blue wire, the switch is most likely bad.

Let me know what you find or if you have other questions.

Take care,

Joe
Was this
answer
helpful?
Yes
No
Wednesday, July 7th, 2021 AT 9:26 PM

Please login or register to post a reply.