Engine does not crank?

Tiny
PURPLEBUTTERFLY613
  • MEMBER
  • 2009 NISSAN ALTIMA
  • 2.5L
  • 6 CYL
  • AUTOMATIC
  • 101,000 MILES
Car won't turn over. Battery is a few weeks old. 1/2 tank of gas.
Thursday, August 31st, 2023 AT 3:36 AM

3 Replies

Tiny
KEN L
  • MASTER CERTIFIED MECHANIC
  • 55,488 POSTS
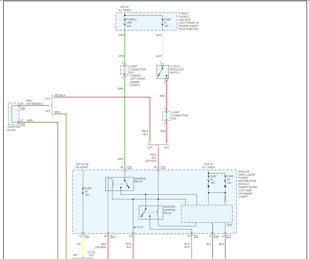
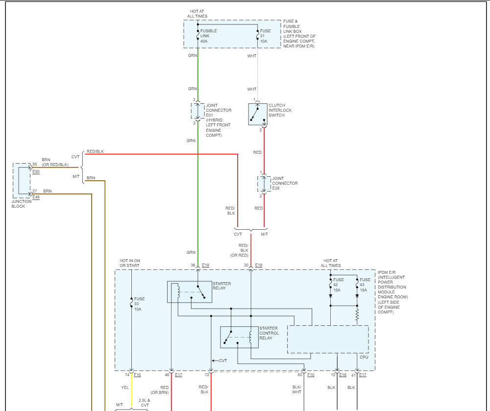
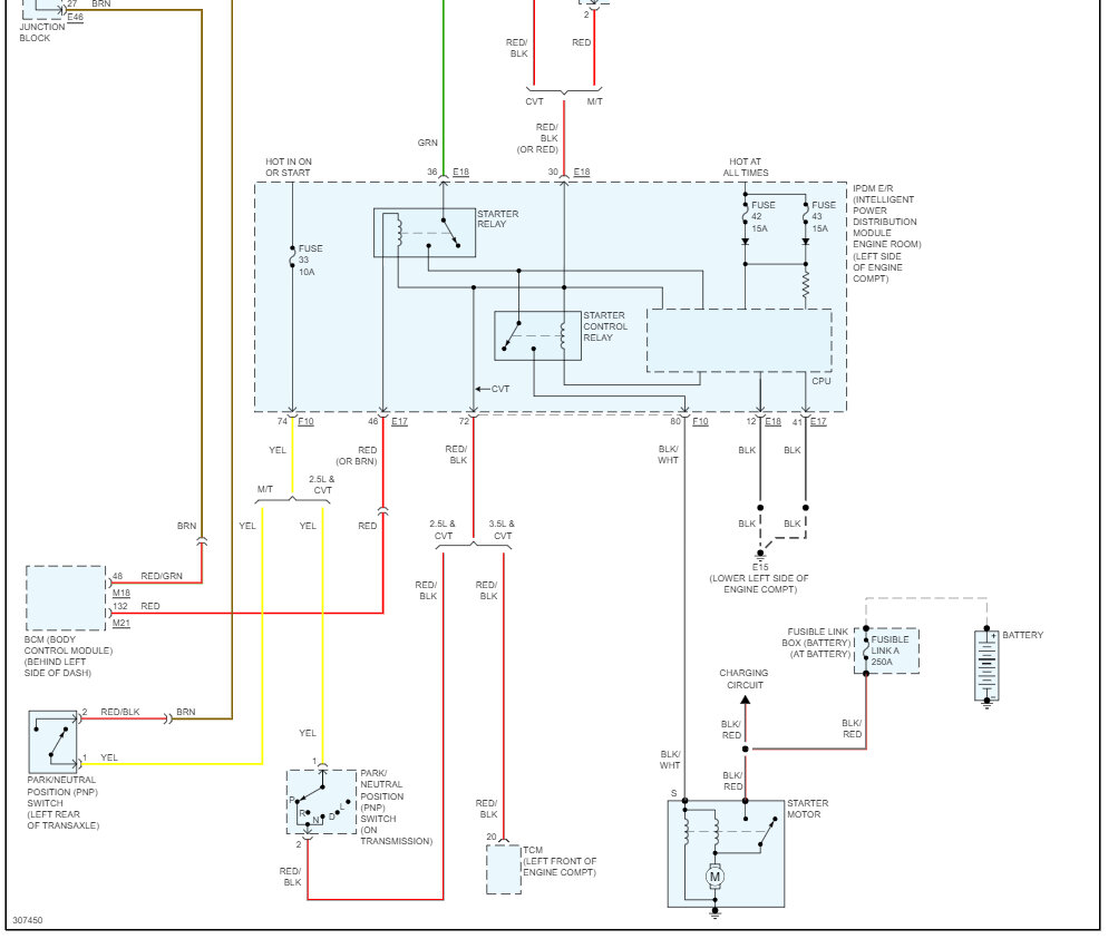
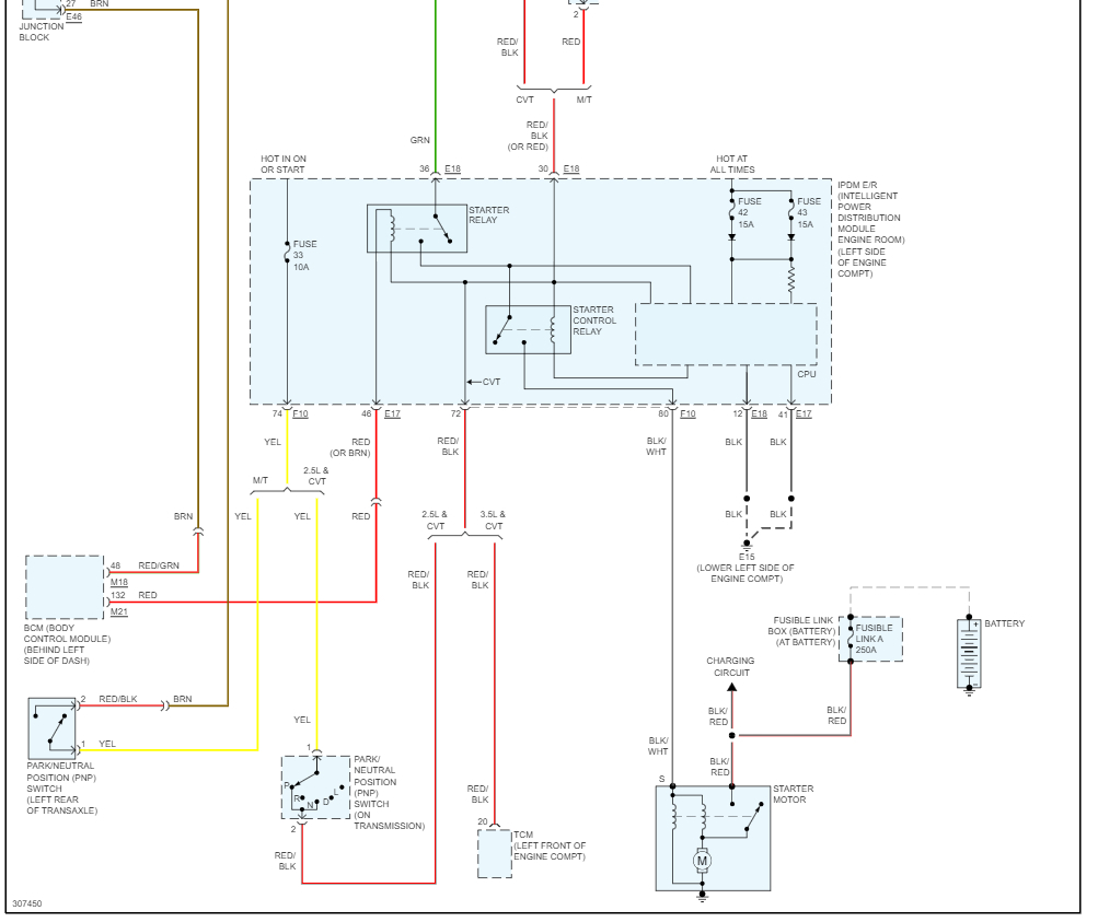
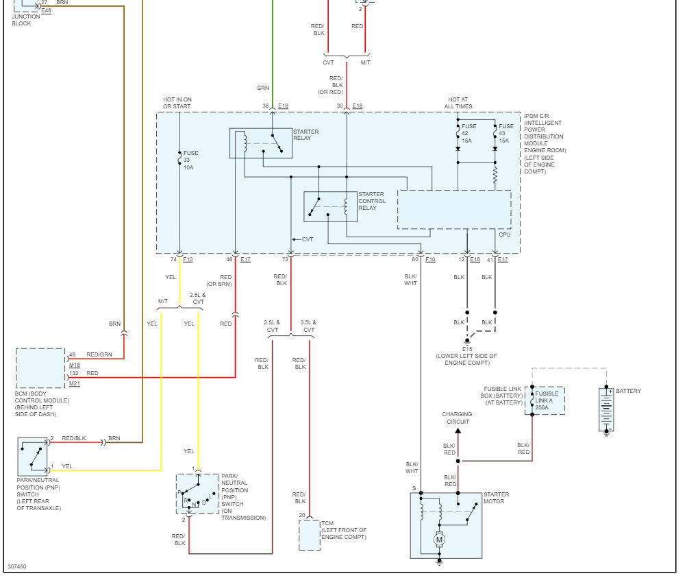
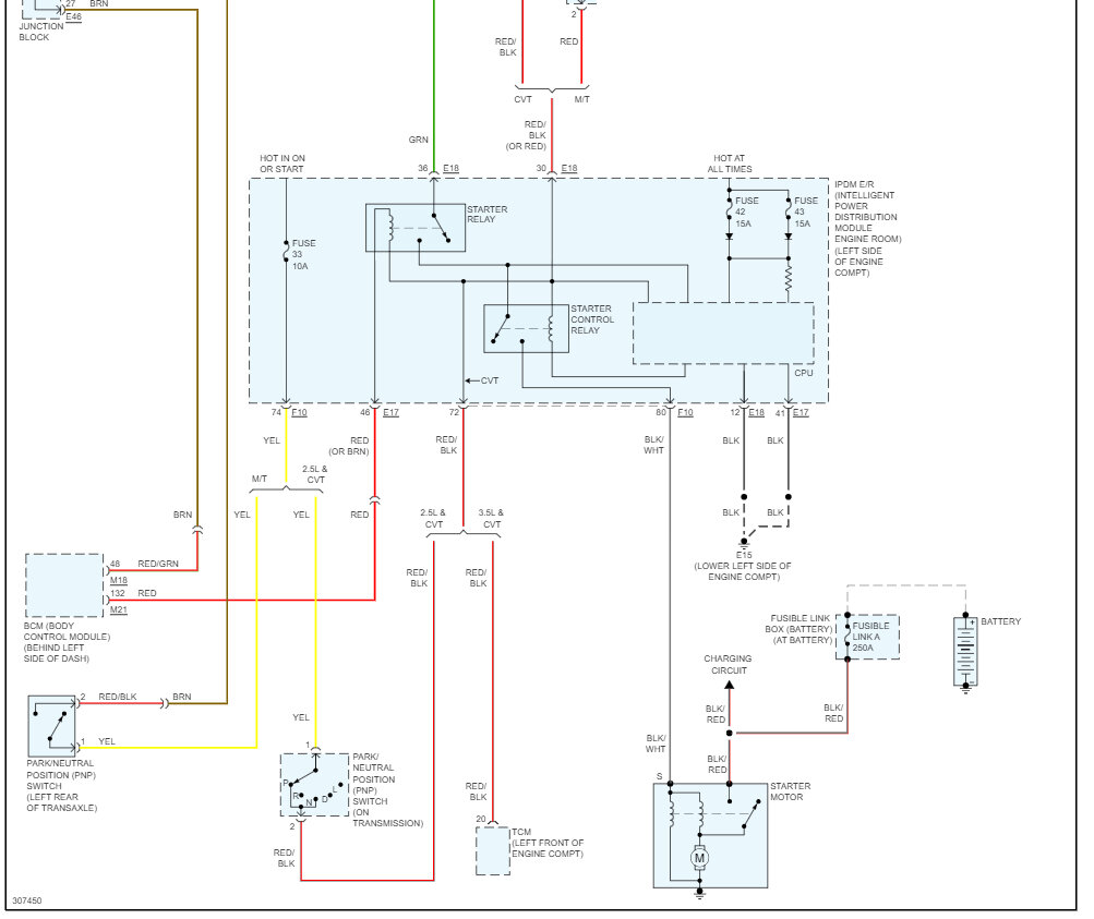
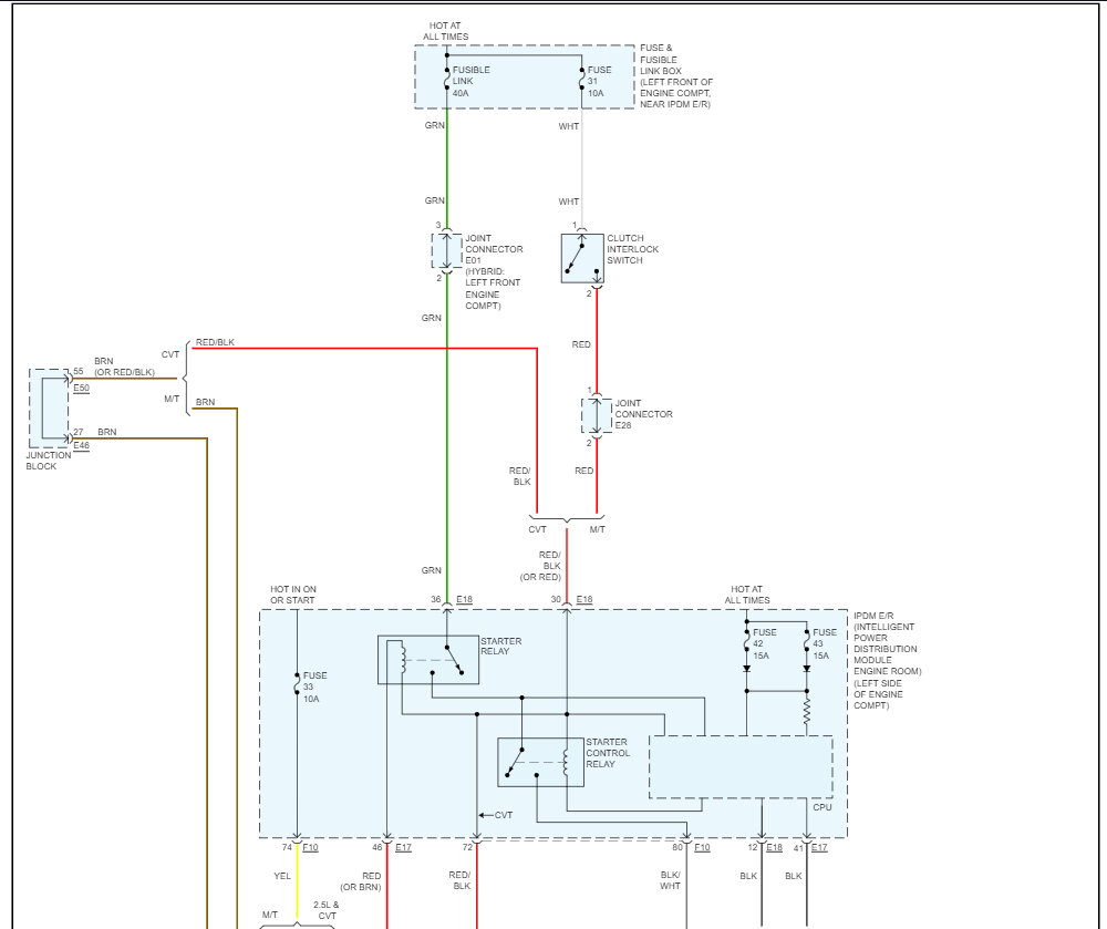
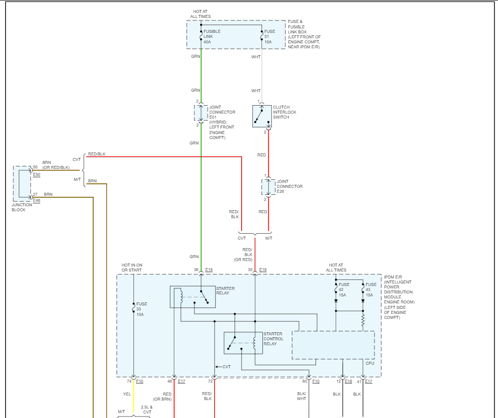
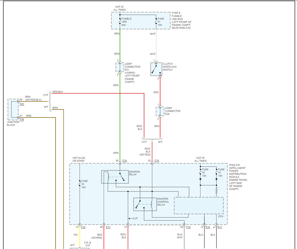
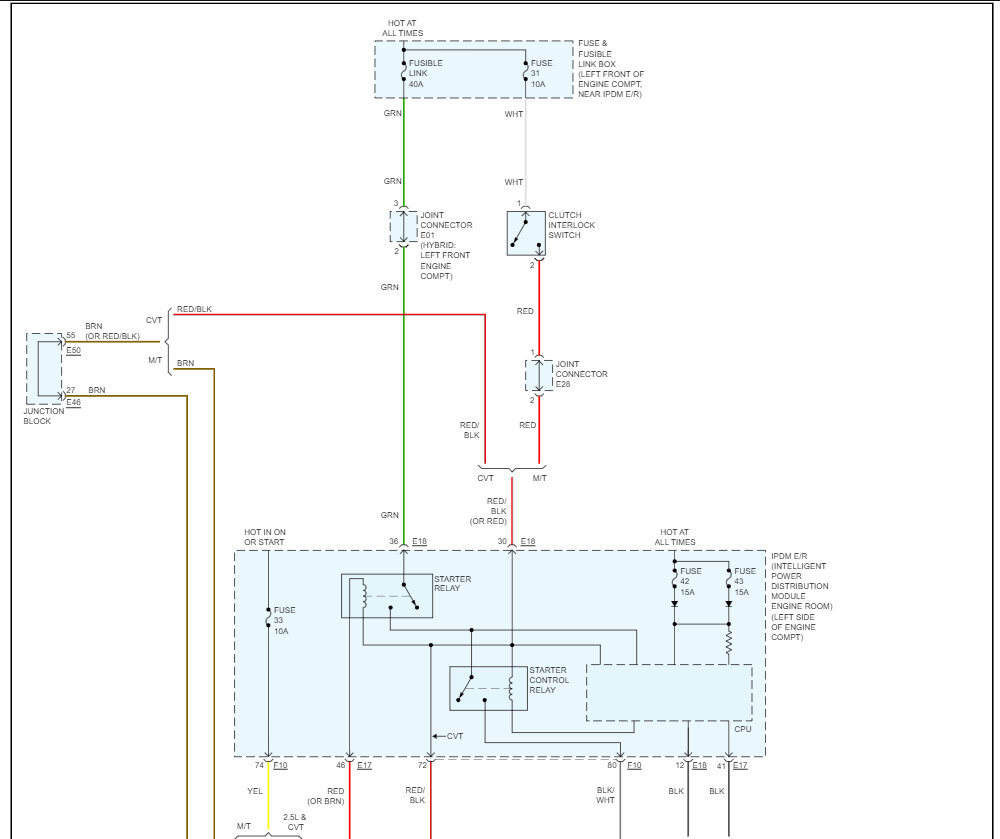
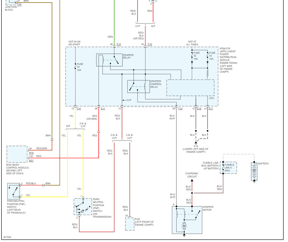
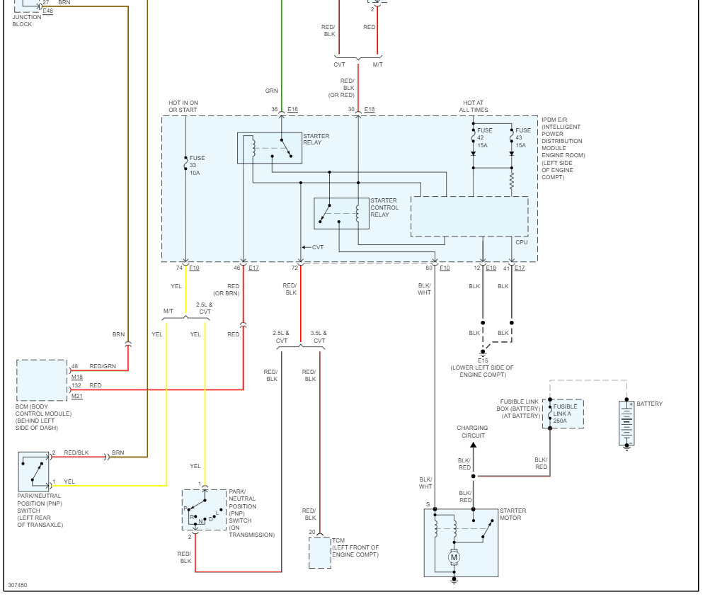
It sounds like the starter has gone bad but to be sure try to crank it over in neutral this will test the gear range sensor. We need to test if the starter trigger wire is getting power to confirm the bad starter.

This guide can help:

https://www.2carpros.com/articles/starter-not-working-repair

We should check the fuses as well. This guide will help with that and show you how the system works and which fuses to test:

https://www.2carpros.com/articles/how-to-check-a-car-fuse

Here is how to change the starter out in case there is power at the trigger wire. Check out the images (below). Please let us know how it goes.
Was this
answer
helpful?
Yes
No
Thursday, August 31st, 2023 AT 3:17 PM
Tiny
PURPLEBUTTERFLY613
  • MEMBER
  • 4 POSTS
Okay. Thanks. It's my son's car. He just installed a new battery within the past month. Today he tried to start it and the dashboard lights sort of flickered and it didn't turn over. He hasn't tested the starter. He's 22. Still learning about cars.
Was this
answer
helpful?
Yes
No
Friday, September 1st, 2023 AT 1:06 PM
Tiny
KEN L
  • MASTER CERTIFIED MECHANIC
  • 55,488 POSTS
So, it looks like the engine is cranking over but not starting. Please start a new thread.
Was this
answer
helpful?
Yes
No
Saturday, September 2nd, 2023 AT 10:37 AM

Please login or register to post a reply.