Firstly, I checked the glow plugs and used starter spray into the air intake and the car started a little before stalling again when I stopped spraying.
So it seems it is getting air and there is spark.
So I am thinking it must have no fuel. Checked the owners manual and noticed the filter had not been changed since day one.
I changed the filter. No luck.
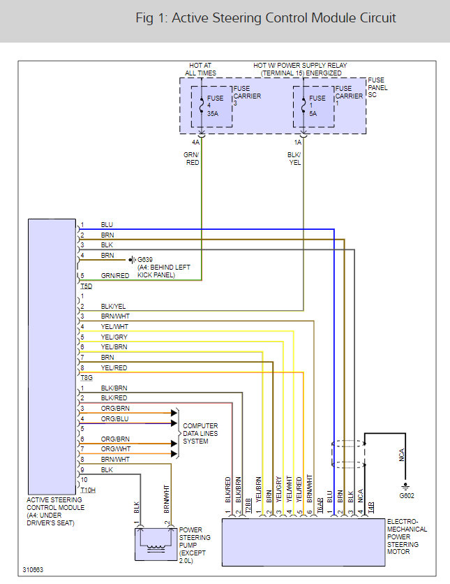
Guessed it then must be one of the pumps ether the high pressure pump on the engine or low pressure pump in the tank. Checked the fuse, no break and checked the electrical to both pumps both okay.
I then removed the fuel fill line, thinking if there is fuel in this then it must be the high pressure rather than the low. But it was bone dry and I had read it should be under pressure so fuel should have come out straight away but seen as I cleared the line when I removed the filter I am not sure would there be fuel there.
There does not seem to be a hum off the low pressure pump when trying to start the car. But it is hard to tell because it is a push button start rather than a key.
Basically I am going to change the pump, but I want to know is it possible for the pump just to go after no symptoms? It was able to drive to where I was going only when I got back in the car after an hour it did not start.
Is there anything else I should check before paying a load for a new pump? Thanks. Apologies for the long message.
Monday, November 13th, 2017 AT 3:34 PM






























