Will not start and code P0335

Tiny
AMANKGUPTA94
  • MEMBER
  • 2001 MITSUBISHI GALANT
  • 2.4L
  • 4 CYL
  • 2WD
  • AUTOMATIC
  • 183,000 MILES
So I bought the carl listed above used about 3 weeks ago.
Now 2 weeks ago I tried starting the car and it wouldn't even start the motor. It just made a clinking noise (similar to a wine glass, but with metal). I tried starting it a couple of times and after the 3rd try it started and worked properly. But the check engine light came on.
Since then every day when I start it, I face the same issue. I got an engine code reader and it says P0335.

Now, I Googled that and it says it is related to the Crankshaft sensor. Could someone tell me where it is so I can replace it? I would really appreciate a video or image on where it is, and which all systems I would have to remove to get to it.
Friday, November 20th, 2020 AT 8:12 AM

5 Replies

Tiny
JACOBANDNICKOLAS
  • MECHANIC
  • 110,192 POSTS
Hi,

The code is related to the crankshaft sensor, but the sensor should have caused a sound as you described. Basically, the code indicates there is no signal from the sensor when the engine is being cranked. However, that is what I need to verify with you. Does the engine now crank normally? Have you tried deleting the code to see if it returns?

I'm asking simply because the crank sensor on this vehicle is a big job. It requires the timing belt to be removed and replaced. I would be happy to provide the directions, but want to be sure the sensor is bad before doing all that work for nothing.

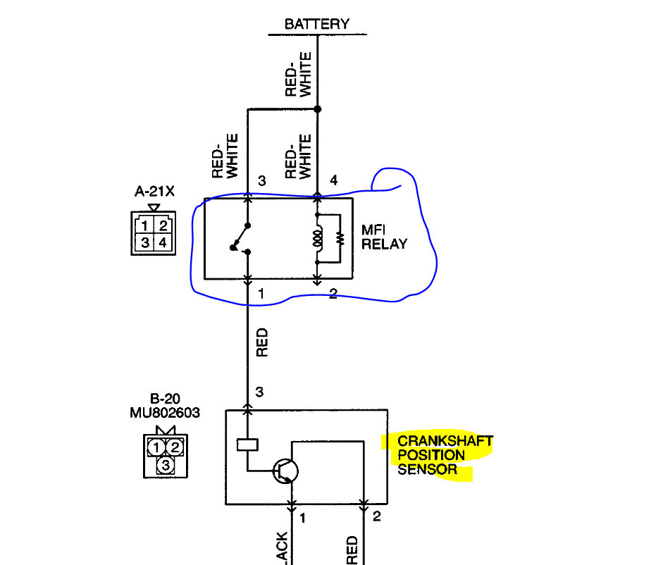
First, I want you to remove the MFI relay and check for corrosion or anything that can cause a weak connection. If you look at the two pics below, you will see how power runs through the relay from the crank sensor. Pic 2 shows relay location (under hood).

If possible, switch that relay with a different one in the box that has the same part number, clear the code, and see if it returns.

If you want, here is a link that explains how to test a relay:

https://www.2carpros.com/articles/how-to-check-an-electrical-relay-and-wiring-control-circuit

Let me know. Also, if it is still making that noise, see if you can record it and upload it for me to hear.

Take care and let me know what you find or if you have other questions.

Joe
Was this
answer
helpful?
Yes
No
+1
Friday, November 20th, 2020 AT 7:15 PM
Tiny
AMANKGUPTA94
  • MEMBER
  • 3 POSTS
Hi Joe,

Thank you so much for the detailed explanation. I am terribly sorry for the delayed response, I thought I would get an email once any reply is posted.

Here are my answers to your questions:

1. The engine cranks properly when the sensor is not causing an issue. Every day, I run the car once, so I have to try turning the car key couple of times. Either I hear a clink (due to the sensor) or the engine starts right up.

2. I have not tried deleting the code yet.

I will test the MFI Relay in the evening (take pictures of it as well) and record the clinking sound when it doesn't start-up.

Regards,
Aman
Was this
answer
helpful?
Yes
No
Monday, November 23rd, 2020 AT 7:40 AM
Tiny
AMANKGUPTA94
  • MEMBER
  • 3 POSTS
Hi Joe,

For the past 2 days, it has been starting right up, without issues.
I went according to your instructions and pulled out the MFI relay for a visual inspection. It is very clean. I see no corrosion on the connections. Some pictures are present below.

I switched it with a relay next to it with the same part number and cleared the code. Drove it about 3 miles and came back to my house and shut it off. It didn't start after that. I tried a couple of times but to no avail. I have uploaded a video as well of the clinking sound.

Please advise when able. I am grateful for your help.

Thanks,
Aman
Was this
answer
helpful?
Yes
No
Monday, November 23rd, 2020 AT 5:00 PM
Tiny
JACOBANDNICKOLAS
  • MECHANIC
  • 110,192 POSTS
Hi,

Do me a favor. When this happens, I need you to check for power to the starter. Please understand I'm hearing this on a computer, but it sounds like the starter is bad.

To do this, you will need a helper. There are two wires at the starter. One will be a much heavier gauge straight from the battery. The other is a smaller/thinner wire that only get 12v power when the key is in the start position.

I need you to check to see if that wire is getting power when trying to start the engine and nothing happens. Have a helper turn the key to the start position when you check.

I attached a pic from the wiring schematic below. I circled the wire you will be checking. Note that the larger wire always has 12v, so make sure not to touch it with anything that can cause it to short.

Here is a link you may find helpful. Also, I can't be 100% sure it isn't related to the code you have, but I am very confident it isn't.

https://www.2carpros.com/articles/starter-not-working-repair

Let me know what you find.

Joe
Was this
answer
helpful?
Yes
No
+1
Monday, November 23rd, 2020 AT 8:36 PM
Tiny
AMANKGUPTA94
  • MEMBER
  • 3 POSTS
Hi Joe,

Thank you for all your help on this issue. I have tested the existing starter with the help of a friend who had tools and battery tester equipment. I took out the old starter and tested it (https://www.youtube.com/watch?v=1-PXBjovZDE&ab_channel=LukesGarage) and it wouldn't fire up certain times. I had ordered the starter from RockAuto and put that in by watching a video on YouTube (https://www.youtube.com/watch?v=KPkyhT6SVmg&ab_channel=XRDanL).

The car starts every time with no issues.
Hope you're having a great holiday break!! Have a happy new year!!

Regards
Aman
Was this
answer
helpful?
Yes
No
Sunday, December 27th, 2020 AT 1:09 PM

Please login or register to post a reply.