AC compressor replacement?

Tiny
MICHELLE LASSERE
  • MEMBER
  • 2008 DODGE CALIBER
  • 2.0L
  • 4 CYL
  • 2WD
  • AUTOMATIC
  • 170,000 MILES
Battery is only a few months old and the alternator is about three years old. Went to start my car this morning and everything lights up and turns on but the car won’t even try to turn over let alone start. Once I turn the A/C off it started right up. Tried again about fifteen minutes later and the same thing happened.
Tuesday, June 4th, 2019 AT 7:42 AM

4 Replies

Tiny
JACOBANDNICKOLAS
  • MECHANIC
  • 110,192 POSTS
Welcome to 2CarPros.

Is the AC working? It sounds like the compressor is locking up and not allowing the starter to crank the engine. Did this happen all at once? Is there any noise from the AC compressor when being used that could indicate it is failing?

If the starter can't even turn the engine when the AC is on, that is my first suspect.

Let me know if that is what is happening. If you want to confirm what I am saying, remove the AC belt, turn the AC on (it won't work) and see if it starts. If it does, the compressor is causing the issue. If it does start, only run it for a couple seconds, just long enough to confirm.

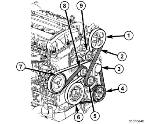
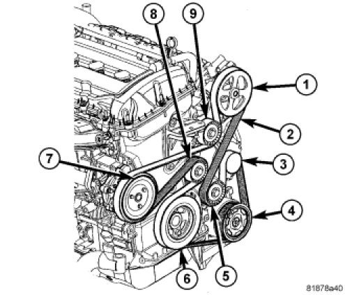
I attached two pics. The first is belt routing for this vehicle, and in the second, I circled the compressor (indicated with AC) and the belt tensioner.

Here are the directions specific for your vehicle for removal and replacement. These directions correlate with picture 1.

_________________________________
Removal

1. Using a wrench, rotate accessory drive belt tensioner (8) counterclockwise until accessory drive belt (2) can be removed from pulleys (5 and 9).
2. Remove accessory drive belt (2).

________

Install

NOTE: When installing drive belt on the pulleys, make sure that belt is properly routed and all V-grooves make proper contact with pulley grooves.

1. Install the accessory drive belt (2) around all the pulleys except for the generator pulley (3).
2. Using a wrench, rotate accessory drive belt tensioner (8) counterclockwise until accessory drive belt (2) can be installed on the generator pulley (3). Release spring tension onto accessory drive belt (2).

__________________________________________

Let me know what you find or if you have other questions.

Take care,
Joe
Was this
answer
helpful?
Yes
No
+2
Tuesday, June 4th, 2019 AT 8:49 PM
Tiny
BEE43
  • MEMBER
  • 1 POST
  • 2007 DODGE CALIBER
  • 50,000 MILES
I have 2008 dodge cablier 2.0 engine the ac compressor want come on.I test the hot wire it has fire. Where is the relay located at.
Was this
answer
helpful?
Yes
No
Wednesday, December 30th, 2020 AT 5:53 PM (Merged)
Tiny
SATURNTECH9
  • MECHANIC
  • 30,869 POSTS
First of all we need to check the pressure in the ac system if its too low the ac compressor wont come on and checking the relay will tell you nothing.

https://www.2carpros.com/articles/air-conditioner-how-to-add-freon

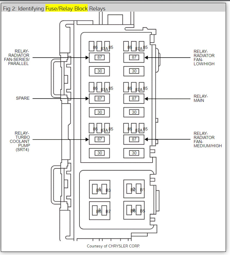
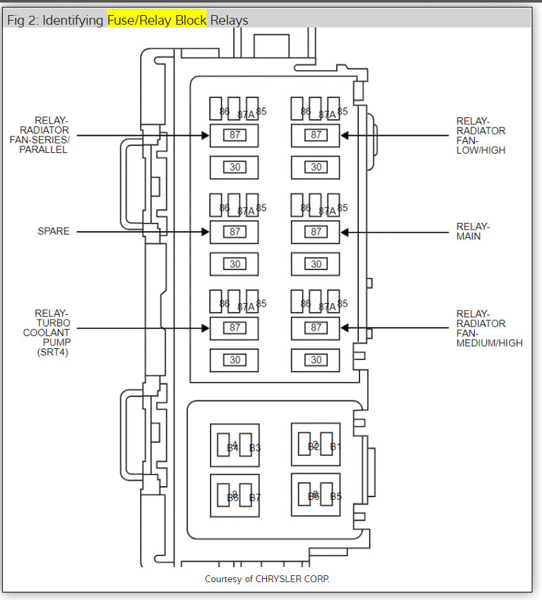
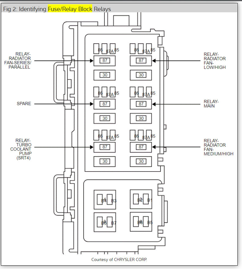
These is no a/c compressor relay it is controlled by the TIPM and the PCM check fuse number 22, 15 and 18. Here are the air conditioner wiring diagrams so you can see how the system works.

https://www.2carpros.com/articles/how-to-check-a-car-fuse

Check out the diagrams (Below)

Please let us know what happens.

Cheers
Was this
answer
helpful?
Yes
No
+5
Wednesday, December 30th, 2020 AT 5:53 PM (Merged)
Tiny
BEE43
  • MEMBER
  • 1 POST
Yep is was fuse 18 40 amp was blown I installed a new one and the system works again, yA! Thanks for your help.
Was this
answer
helpful?
Yes
No
Wednesday, December 30th, 2020 AT 5:53 PM (Merged)

Please login or register to post a reply.