Battery was removed for some reason the car will not start now?

Tiny
CONNIE OTERO
  • MEMBER
  • 2010 CHEVROLET CAMARO
  • 14,000 MILES
When the battery was removed and a new one put in for some reason the car will not start now. The lights, and radio come on. But no clicking
Sunday, March 19th, 2017 AT 2:25 PM

1 Reply

Tiny
JACOBANDNICKOLAS
  • MECHANIC
  • 110,194 POSTS
Hi,

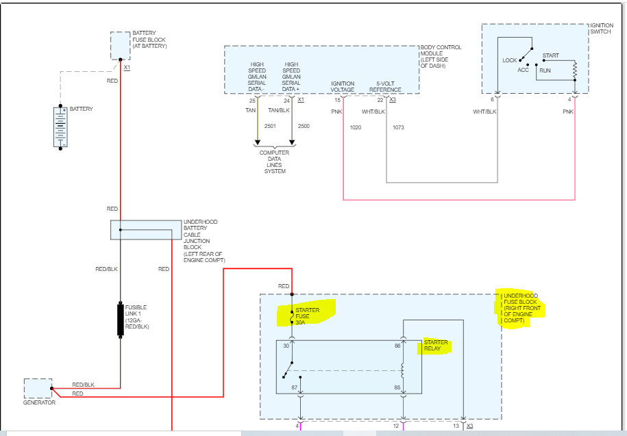
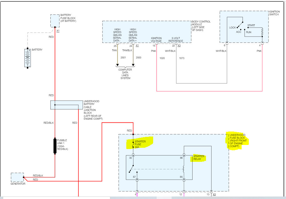
I have a feeling a fuse failed. First, I attached the wiring schematic for the starter circuit. Here is what I need you to do.

First, open the hood and locate the fuse box. Find fuse 12 in the box and check it. See pic 1 for location. In addition to checking the fuse, confirm there is power to and from it. Here is a link you may find helpful.

https://www.2carpros.com/articles/how-to-check-a-car-fuse

If the fuse is good, locate the starter relay. (See K61 in pic 1). Switch it with a different relay having the same part number. If there isn't one, here is a link that explains how to test a relay:

https://www.2carpros.com/articles/how-to-check-an-electrical-relay-and-wiring-control-circuit

If the fuse is good and the relay, I need you to get a helper. If you look at pic 3, I highlighted two wires at the starter motor. One is red and a heavier gauge wire. This will have battery voltage at all times, so be careful not to short it.

The other wire is a smaller gauge wire and is purple. That wire will not have power unless the key is in the start position. Have a helper turn the key to start while you check for power at the purple wire. If there is power, the battery is new and charged, and there is nothing loose, replace the starter.

Do this and let me know what you find or if you have other questions.

Take care,

Joe

See pics below.

Note: The wiring and testing are based on a vehicle with the V6 engine and not the V8. If that is incorrect, let me know.

Was this
answer
helpful?
Yes
No
Tuesday, July 12th, 2022 AT 8:49 PM

Please login or register to post a reply.

Related Engine Not Running Content