No starter

Tiny
SHELBY LOLA WILSON
  • MEMBER
  • 2005 CHEVROLET MALIBU
  • 6 CYL
  • 2WD
  • AUTOMATIC
  • 250,000 MILES
Everytime I try to start my car I turn the key but it makes no sound at all. The lights work on the inside and outside of the car. The windows and locks work. I was thinking the starter but I really don't know.
Tuesday, September 17th, 2019 AT 6:37 PM

2 Replies

Tiny
ASEMASTER6371
  • MECHANIC
  • 52,796 POSTS
Good evening,

Yes, it could be but must be confirmed.

It sounds like the battery is weak or the starter has gone out but to be sure lets check out these guides, they can help us fix it

https://www.2carpros.com/articles/starter-not-working-repair

and

https://www.2carpros.com/articles/car-battery-load-test

Please run down these guides and report back.

Did you try putting it in neutral and trying it again?

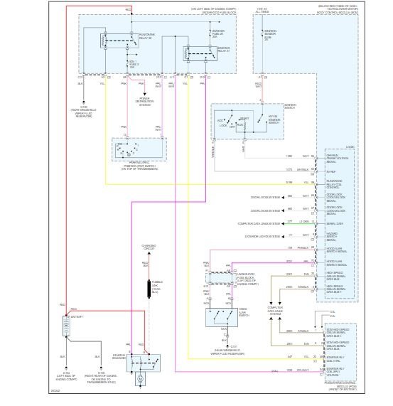
I will attach a wiring diagram for you to view as well.

Does the theft light come on and go out after about 10 seconds with the key on?

https://www.2carpros.com/articles/how-to-reset-a-security-system

Roy
Was this
answer
helpful?
Yes
No
Friday, January 29th, 2021 AT 9:55 AM
Tiny
SCGRANTURISMO
  • MECHANIC
  • 4,897 POSTS
Hello,

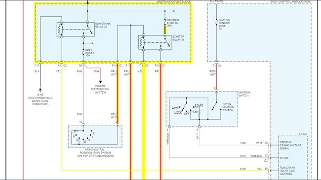
Okay, this could be a problem with the Run/Crank Relay which is located in the Under Hood Fuse Block. I have included a wiring diagram of your vehicle's starting circuit in the diagrams down below as well as a diagram and callout for the Under Hood Fuse Block. You can either swap the relay for a known good one or take a voltage reading with a helper cranking the ignition key at pin #86 of the Run/Crank Relay. I have also included a diagram of a 4 Pin relay for you in the diagrams down below as well. Either way please get back to us with the results and we can go from there.

Thanks,
Alex
2CarPros
Was this
answer
helpful?
Yes
No
Friday, January 29th, 2021 AT 9:55 AM

Please login or register to post a reply.