Car will not start after replacing fuel pump

Tiny
BDROPE
  • MEMBER
  • 1999 OLDSMOBILE 88
  • 4 CYL
  • 2WD
  • MANUAL
  • 250,000 MILES
Just changed the fuel pump, check engine light started flashing, now car will not start.
Sunday, September 2nd, 2018 AT 7:27 AM

10 Replies

Tiny
JACOBANDNICKOLAS
  • MECHANIC
  • 110,192 POSTS
Hi and thanks for using 2CarPros.com.

If the check engine light was flashing, that indicates a misfire. First, scan the computer to determine what codes are stored in the computer.

https://youtu.be/YV3TRZwer8k

https://www.2carpros.com/articles/checking-a-service-engine-soon-or-check-engine-light-on-or-flashing

Next, confirm the new fuel pump is producing the proper amount of fuel pressure. Here is a link showing how it is done:

https://www.2carpros.com/articles/how-to-check-fuel-system-pressure-and-regulator

With the key on and engine off, the pressure should be 48-55 psi

If that checks okay, next you need to check if there is spark to the spark plugs. Here is a link that shows how:

https://www.2carpros.com/articles/how-to-test-an-ignition-system

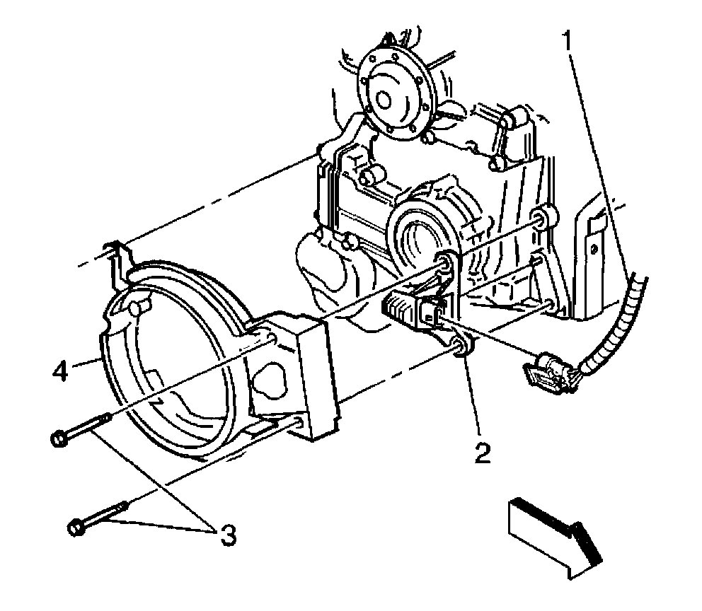
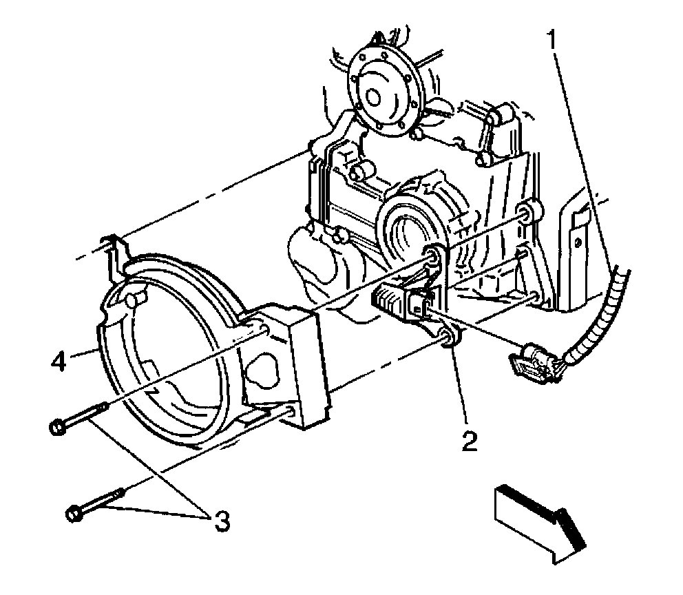
If there is no spark, suspect a bad crankshaft position sensor. Picture 1 indicates its location.

I realize you indicated little knowledge, but here are the directions for sensor replacement if you decide you would like to do it. Starting with picture 2, all pictures correlate with these directions.

______________________________________

REMOVAL PROCEDURE

TOOLS REQUIRED
J 36660 Torque/Angle Meter
J 37096 Flywheel Holding Tool
J 38197 Balancer Remover

CAUTION: Refer to Battery Disconnect Caution in Service Precautions.

1. Disconnect the negative battery cable.
2. Remove the serpentine belt(s) from the crankshaft pulley.

CAUTION: Refer to Hoist Caution in Service Precautions.

3. Raise the vehicle on a hoist.
4. Remove the right front wheel and tire assembly.
5. Remove the right inner fender splash shield.
6. Remove the flywheel inspection cover.
7. Hold the flywheel with J 37096 Flywheel Holding Tool.
8. Using 28 mm socket, remove the crankshaft harmonic balancer retaining bolt.
9. Remove the crankshaft harmonic balancer using special tool J 38197 Balancer Remover.
10. Disconnect the sensor electrical connector (1).
11. Remove the crankshaft position sensor shield. (Do Not use a pry bar).
12. Remove the 2 attaching bolts from the crankshaft position sensor (3).
13. Remove the Crankshaft Position (CKP) sensor from block face.

INSTALLATION PROCEDURE
1. Position the crankshaft position (CKP) sensor to the block.

NOTE: Refer to Fastener Notice in Service Precautions.

2. Install the bolts to hold the CKP sensor to the block face.

Tighten
Tighten the bolts to 30 N.m (22 lb ft).
3. Install the crankshaft position sensor shield.
4. Connect the CKP sensor electrical connector (1).
5. Position the crankshaft harmonic balancer on the crankshaft.
6. Hold the flywheel with J 37096 Flywheel Holding Tool.

Tighten
Tighten the harmonic balancer bolt to 150 N.m +76° (110 lb ft +76°).

7. Remove the right inner fender splash shield.
8. Install the right front wheel and tire assembly.

Tighten
9. Lower the vehicle.
10. Install the serpentine belt(s) from the crankshaft pulley.
11. Connect the negative battery cable.
12. Perform the Crankshaft Position System Variation Learn Procedure. Refer to CKP System System Variation Learn Procedure. See: Vehicle > Programming and Relearning

_____________________________________

Let me know if this helps or if you have other questions.

Take care,
Joe
Was this
answer
helpful?
Yes
No
+1
Sunday, September 2nd, 2018 AT 8:19 PM
Tiny
BDROPE
  • MEMBER
  • 9 POSTS
So I found a broken plug wire, apparently got caught in the fan. Replaced that, car starts now but really rough idle, runs for a couple of minutes and shuts off if I am not pumping the gas.
Was this
answer
helpful?
Yes
No
Monday, September 3rd, 2018 AT 6:40 AM
Tiny
JACOBANDNICKOLAS
  • MECHANIC
  • 110,192 POSTS
Hi again. There is a good chance the engine was flooded when you were trying to start it prior to finding the wire issue. See if it cleans up and starts running better. If it does not, you may have to replace the spark plugs.

Here is a link that shows in general how it is done:

https://www.2carpros.com/articles/how-to-change-spark-plugs

One other thought, make sure no engine vacuum lines are disconnected, damaged, or pinched shut.

Let me know what happens.

Take care,
Joe
Was this
answer
helpful?
Yes
No
Monday, September 3rd, 2018 AT 7:17 PM
Tiny
BDROPE
  • MEMBER
  • 9 POSTS
So if one plug is bad do you have to replace them all? Because I have changed that plug on that wire, also changed the O2 sensor up-flow, still misfiring.
Was this
answer
helpful?
Yes
No
+1
Wednesday, September 5th, 2018 AT 9:36 AM
Tiny
JACOBANDNICKOLAS
  • MECHANIC
  • 110,192 POSTS
Honestly, fuel would have gone to all cylinders. Therefore, it could have fouled any of them. Again, make sure there are no vacuum leaks. Also, if the engine has a misfire, the check engine light should have come on. If you scan the computer, it should indicate which cylinder has the misfire.

Let me know.
Was this
answer
helpful?
Yes
No
Wednesday, September 5th, 2018 AT 6:36 PM
Tiny
BDROPE
  • MEMBER
  • 9 POSTS
Got code p0135. Which is why I changed the O2 sensor. Changed the coil, not sure if its a faulty coil or I have bigger problems, but the car was starting, put the new coil on, car would not start. Also new coil got really hot in just the minute or two of trying to start it. Put the old coil back on and car started, but still misfiring and back firing. At my wits end. Had a mechanic come out, charged me $40.00 to tell me it might be the coil.
Was this
answer
helpful?
Yes
No
Wednesday, September 5th, 2018 AT 7:42 PM
Tiny
BDROPE
  • MEMBER
  • 9 POSTS
Got code p0135. Which is why I changed the O2 sensor. Changed the coil, not sure if its a faulty coil or I have bigger problems, but the car was starting, put the new coil on, car would not start. Also new coil got really hot in just the minute or two I trying to start it. Put the old coil back on and car started, but still misfiring and backfiring. At my wits end. Had a mechanic come out, charged me $40.00 to tell me it might be the coil.
Was this
answer
helpful?
Yes
No
Thursday, September 6th, 2018 AT 6:38 AM
Tiny
BDROPE
  • MEMBER
  • 9 POSTS
Could it be the catalytic converter? I smell sulfur and I am still getting the p0135 code after replacing the O2 sensor.
Was this
answer
helpful?
Yes
No
Thursday, September 6th, 2018 AT 6:40 AM
Tiny
BDROPE
  • MEMBER
  • 9 POSTS
Replaced plugs, wires, O2 sensor, all codes are gone except p0300. Not backfiring or really misfiring but idling really rough. Any ideas?
Was this
answer
helpful?
Yes
No
Friday, September 7th, 2018 AT 9:40 AM
Tiny
BDROPE
  • MEMBER
  • 9 POSTS
Ended up being the module that coils sit on, and the intake air temperature sensor. Runs like a dream now. Thanks y'all!
Was this
answer
helpful?
Yes
No
Saturday, September 8th, 2018 AT 2:23 PM

Please login or register to post a reply.