Saturday, May 13th, 2023 AT 11:35 PM
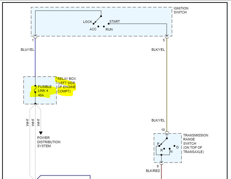
About 2 weeks ago, I drove my car to a friend's house, and everything was fine. When I came out later on to go to the store, I turned the key and all it did was click. One single click. I tried it again and again, same click. I had to have it towed home, the tow truck driver hit the battery with a jumper box, didn't do anything. The battery tested good. He hit the starter a few times, didn't work. So, I went ahead and ordered a new starter, put it in today and the same thing! It just clicks once. I took a voltage tester and hooked it to the positive and negative terminals on the battery and tried to start it and didn't notice any real noticeable drop in voltage. So, I was going to try to locate the starter relay in the fuse box and could not find it. I saw a few articles pointing out different ones but was getting different answers due to one being automatic and the other manual. I guess they're in different spots. But once I do find it and let's say its good, would my next thing to check be the neutral safety switch or maybe the ignition switch itself? So, sum it up, I want to find the starter relay first.



