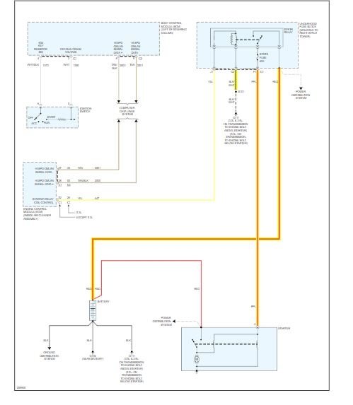
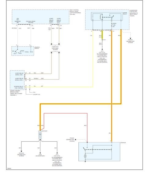
Side note - while installing the new ignition I was putting the wiring clip (sits on top of the shell above the ignition) and I jammed the screw driver into it too hard and busted it. I have to replace that now too and I'm not ever sure what it's called.
I don't know what to do anymore. This problem is starting to become a money pit and I'm at my wits end.
What do I do to solve this issue so I can get my car back on the road?
Corey
Was this helpful?
Yes
No
Saturday, March 6th, 2021 AT 5:55 PM
(Merged)





