My engine will not crank over but I did everything

Tiny
JACOBANDNICKOLAS
  • MECHANIC
  • 110,194 POSTS
I have to be honest, what you described sounds like a bad connection at the battery. When you have one click and you loose everything, that is usually the cause. Remove the battery terminals and retighten them. If it doesn't change, check fuses in the main fuse block under the hood.
Was this
answer
helpful?
Yes
No
Saturday, March 6th, 2021 AT 5:53 PM (Merged)
Tiny
GRANTTOFTE
  • MEMBER
  • 2 POSTS
Thank you. I readjusted and tightened the terminals, and checked the fuses. I did get power again but I tried to start it and the same thing happened. There is no power and my keys are still locked in the ignition. What fuses or relays would maybe cause this to happen?
Was this
answer
helpful?
Yes
No
Saturday, March 6th, 2021 AT 5:54 PM (Merged)
Tiny
JACOBANDNICKOLAS
  • MECHANIC
  • 110,194 POSTS
If it was a fuse or relay, it wouldn't give you a click. Something is loose. Check the ground on the engine block. Make sure the connections at the starter are tight.
Was this
answer
helpful?
Yes
No
Saturday, March 6th, 2021 AT 5:54 PM (Merged)
Tiny
AEISHA DAWN
  • MEMBER
  • 1 POST
  • 2007 CHEVROLET IMPALA
  • 3.5L
  • 4 CYL
  • 188,000 MILES
Lights and radio come on but car will not crank. Changed the starter and fuses checked ground wire and car still will not start.
Was this
answer
helpful?
Yes
No
Saturday, March 6th, 2021 AT 5:54 PM (Merged)
Tiny
KEN L
  • MASTER CERTIFIED MECHANIC
  • 55,469 POSTS
Can I ask if the security light is flashing? If so this guide will help you reset the system.

https://www.2carpros.com/articles/how-to-reset-a-security-system

Please run down this guide and report back.

Cheers, Ken
Was this
answer
helpful?
Yes
No
Saturday, March 6th, 2021 AT 5:54 PM (Merged)
Tiny
CLIFF CONNER
  • MEMBER
  • 4 POSTS
  • 2007 CHEVROLET IMPALA
  • 3.9L
  • V6
  • 2WD
  • AUTOMATIC
  • 100 MILES
Changed ignition switch, changed battery, checked starter it's good. Put test light on fuse box and about 5 fuses are not getting power in box. Please help.
Was this
answer
helpful?
Yes
No
Saturday, March 6th, 2021 AT 5:54 PM (Merged)
Tiny
JACOBANDNICKOLAS
  • MECHANIC
  • 110,194 POSTS
Hi,

I attached two pics. The first is the under hood box and the second is in the vehicle. I highlighted two that I believe you are referring to in pic one, and circled one in pic 2. Are these the fuses?

Joe
Was this
answer
helpful?
Yes
No
Saturday, March 6th, 2021 AT 5:54 PM (Merged)
Tiny
CLIFF CONNER
  • MEMBER
  • 4 POSTS
Yes they are.
Was this
answer
helpful?
Yes
No
Saturday, March 6th, 2021 AT 5:54 PM (Merged)
Tiny
JACOBANDNICKOLAS
  • MECHANIC
  • 110,194 POSTS
I want you to switch the fuel pump relay with another relay in the box that has the same part number to see if you then have power to the fuse. According to the schematic, power is fused after the relay. See pic 1.

Let me know.

Joe
Was this
answer
helpful?
Yes
No
Saturday, March 6th, 2021 AT 5:54 PM (Merged)
Tiny
CLIFF CONNER
  • MEMBER
  • 4 POSTS
Did it, still no power. I also have a 2005 impala that I have been switching fusing and relays with trying to duplicate the problem, when I remove the bcm fuse from the 05 it has the very same no start condition. Problem is the 05 bcm crank is in the cars cabin.
Was this
answer
helpful?
Yes
No
Saturday, March 6th, 2021 AT 5:54 PM (Merged)
Tiny
JACOBANDNICKOLAS
  • MECHANIC
  • 110,194 POSTS
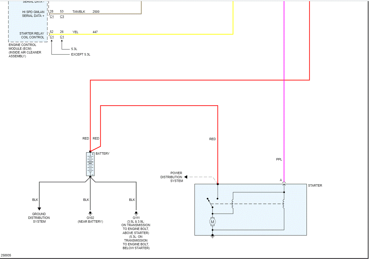
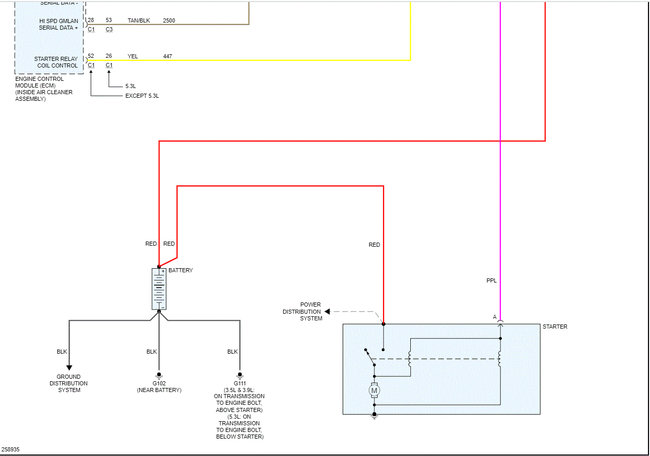
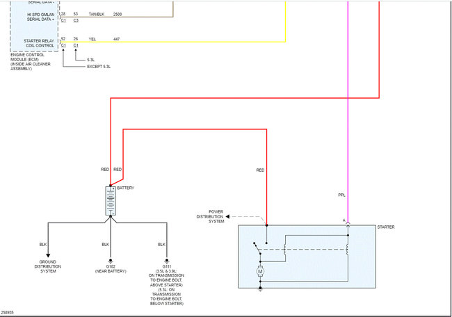
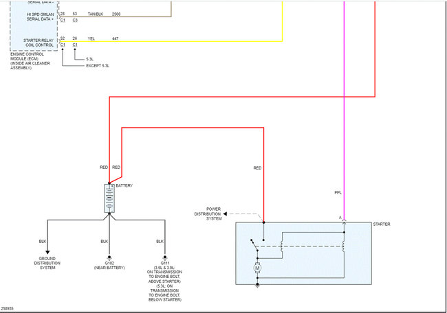
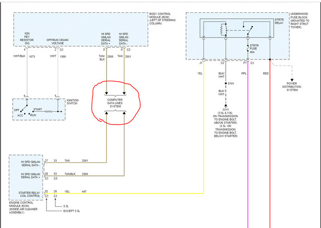
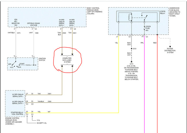
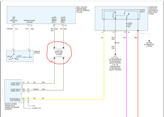
It could be a body control module issue. Here are the wiring schematics for the entire starting system. Note that I circled the data lines. That is a part of the vehicle's CAN bus system. CAN stands for computer area network. You may want to get your hands on a scan too that can check all modules to see if there is a break down. Here is a video that shows how it's done and why:

https://youtu.be/InIlnsjOVFA

See if the schematics are helpful. I overlapped the two when I copied them so you could follow them easier.

Let me know.
Joe
Was this
answer
helpful?
Yes
No
Saturday, March 6th, 2021 AT 5:54 PM (Merged)
Tiny
CLIFF CONNER
  • MEMBER
  • 4 POSTS
Thanks for all the help. I disconnected my air conditioner and it was burned in the back harness, once disconnected the car started right up.
Was this
answer
helpful?
Yes
No
Saturday, March 6th, 2021 AT 5:54 PM (Merged)
Tiny
JACOBANDNICKOLAS
  • MECHANIC
  • 110,194 POSTS
Happy to hear that you found the issue, and you are very welcome. Please feel free to come back anytime in the future if you have questions.

Take care,
Joe
Was this
answer
helpful?
Yes
No
Saturday, March 6th, 2021 AT 5:54 PM (Merged)
Tiny
GOOBER62
  • MEMBER
  • 5 POSTS
  • 2007 CHEVROLET IMPALA
  • 3.5L
  • 6 CYL
  • FWD
  • AUTOMATIC
  • 85,000 MILES
Starter remains on after engine start, when engine is shut down, starter will continue to crank for few seconds then stop, as soon as ignition is turned on, engine startscranking, will also start cranking with ignition in acc. Position. This will even occur with starter relays removed. Starter and ignition switch both repaced new, problem still exists
Was this
answer
helpful?
Yes
No
Saturday, March 6th, 2021 AT 5:54 PM (Merged)
Tiny
HMAC300
  • MECHANIC
  • 48,601 POSTS
If the starter drive is not hanging up then recheck install as one wire may be touching main battery wire. If that is not the problem have a mechanic scan for codes as it will need to be physically looked at.
Was this
answer
helpful?
Yes
No
-1
Saturday, March 6th, 2021 AT 5:54 PM (Merged)
Tiny
GOOBER62
  • MEMBER
  • 5 POSTS
No, that is not it, for some reason, the ignition wire to the solenoid is maintaining twelve volt with the ignition switch in the run position, even with the start relay and ignition fuse removed. I am thinking a possible short in wiring harness or fuse block.
Was this
answer
helpful?
Yes
No
Saturday, March 6th, 2021 AT 5:54 PM (Merged)
Tiny
GOOBER62
  • MEMBER
  • 5 POSTS
Found the problem, the wiring harness from the fuse block had been rubbed through by it laying against the idler pulley, causing five wires to be shorted together, we removed the wrap from the wires and repaired them, everything was back to normal after that.
Was this
answer
helpful?
Yes
No
Saturday, March 6th, 2021 AT 5:54 PM (Merged)
Tiny
KEN L
  • MASTER CERTIFIED MECHANIC
  • 55,469 POSTS
Glad you could get it fixed please use 2CarPros. Com anytime we are here to help

Best, Ken
Was this
answer
helpful?
Yes
No
Saturday, March 6th, 2021 AT 5:54 PM (Merged)
Tiny
THATONEGIZMOGUY
  • MEMBER
  • 1 POST
  • 2007 CHEVROLET IMPALA
  • 3.5L
  • V6
  • 2WD
  • AUTOMATIC
  • 133,000 MILES
Hi there. I have the car listed above with a no crank condition. I had reason to believe that it was the starter due to the fact that when I would turn the key nothing would happen and you would just hear a humming like sound from the starter. Upon further inspection I would see smoke coming right from the post at the connection where the battery cable bolts on. Any ideas as to what would've cause this? It also seemed to happen out of nowhere as one moment it was working fine.

Thank you guys in advance.
Was this
answer
helpful?
Yes
No
Saturday, March 6th, 2021 AT 5:54 PM (Merged)
Tiny
SCGRANTURISMO
  • MECHANIC
  • 4,897 POSTS
Hello,

I would check the ground wire coming the engine block to the frame and the ground wires from the frame to the negative battery terminal. If the cranking amperage from the battery has no path back to the battery it would cause this condition, as well a melting whatever smaller wire it finds a path through. If the ground wires check out okay, then I would recommend replacing the starter motor. Here is a helpful link for you to go to:

https://www.2carpros.com/articles/starter-not-working-repair

If this is what you decide to do here is a link describing how to do this below:

https://www.2carpros.com/articles/how-to-replace-a-starter-motor

Please check the ground wires and get back to us with what you decide to do and how it turns out.

Thanks,
Alex
2CarPros

Was this
answer
helpful?
Yes
No
Saturday, March 6th, 2021 AT 5:54 PM (Merged)

Please login or register to post a reply.