Car will not start

Tiny
DIDI7154
  • MEMBER
  • 1993 TOYOTA CAMRY
  • 4 CYL
  • 2WD
  • AUTOMATIC
  • 215,000 MILES
It has a new battery, new starter, and alternator. I checked the starter relay and that is fine. The starter fuse is okay as well. The connections to the battery and starter look good also. The ignition switch turns, and the radio comes on, but the car will not start. No sounds are made when I try to start the car (no clicks). I am literally out of ideas and any help would be appreciated. I called the mechanic who Installed the starter and they said it could be a dud starter and offered to replace it under warranty, but any help is greatly appreciated!
Tuesday, December 28th, 2021 AT 7:11 PM

1 Reply

Tiny
JACOBANDNICKOLAS
  • MECHANIC
  • 110,194 POSTS
Hi,

If you are getting nothing, here is where I would start. First, you mentioned the starter fuse in the under-hood fuse box is good. Did you confirm there is power to and from it? The fuse is good, but it may not have power to it. See link below.

https://www.2carpros.com/articles/how-to-check-a-car-fuse

Next, for power to reach the starter relay, it starts at the ignition switch, runs through the park/neutral safety switch, and then to ground. When that circuit is complete, it causes the starter relay to actuate and allows power to reach the starter (s) terminal. So, see if it starts in neutral. There could be an issue with the P/N switch.

Now, the final part is at the starter motor. The larger wire is direct from the battery and has 12v (battery voltage) at all times. The smaller wire is the trigger wire. It comes from the relay only when the key is in the start position. So, if you have a helper turn the key to the start position while you check for voltage at that wire, it will tell you if there is an electrical issue or the starter is bad.

If power is there, the starter has failed. If there is no power, then we need to determine where power is lost.

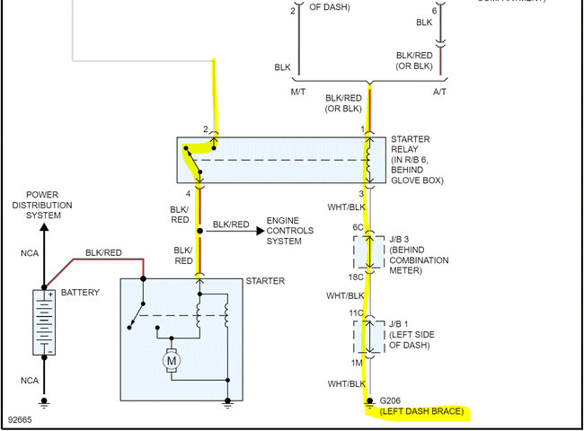
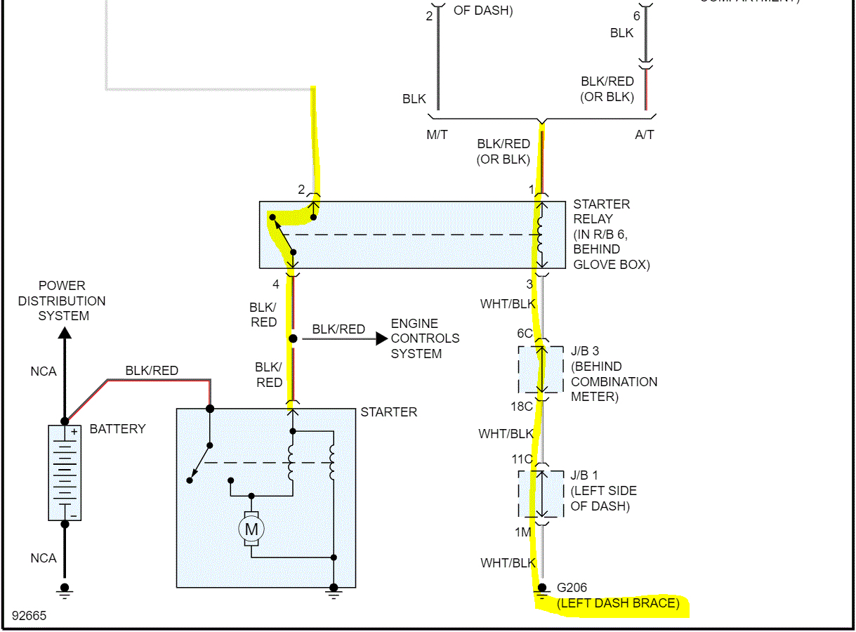
I attached a copy of the starting system wiring schematic below for your reference. Also, please confirm power at the relay. With the relay removed, the white wire from the fuse should have power always. Also, the black/red (or all black) wire should have power when the key is in the start position. Check that as well. If you were to jump pins 2 and 4 (white wire and black/red wire in the relay box, the starter should engage.

Here is a link you may find helpful as well.

https://www.2carpros.com/articles/starter-not-working-repair

I hope this helps. Let me know what you find or if I can help in any way.

Take care,

Joe

See pics below. I had to cut the schematic in half to make it readable for you, but I did overlap them for you to follow from one to the next.
Was this
answer
helpful?
Yes
No
Tuesday, December 28th, 2021 AT 8:11 PM

Please login or register to post a reply.