I shut it off and it would not crank over again?

Tiny
KEVIN EASTERDAY
  • MEMBER
  • 2000 CHEVROLET S-10
  • 2.2L
  • 4 CYL
  • 2WD
  • MANUAL
  • 40,000 MILES
It ran fine until one day I shut it off and it would not start again. Now it sounds funny when it turns over and it it straining the starter.
Saturday, December 10th, 2016 AT 2:08 PM

1 Reply

Tiny
SQM
  • MECHANIC
  • 6,383 POSTS
Hello,

You need to see if you are getting spark and fuel.
As missing either will not start the engine.

First check to see if you are getting spark to the plugs.
Usually no spark can cause by faulty ignition module or coil pack.
You can also check power to the coils.

Here is a helpful article on how to do that:

https://www.2carpros.com/articles/how-to-test-an-ignition-system

If you have spark then you need to check for fuel.
Typically no fuel will cause by either a bad pump or a relay.
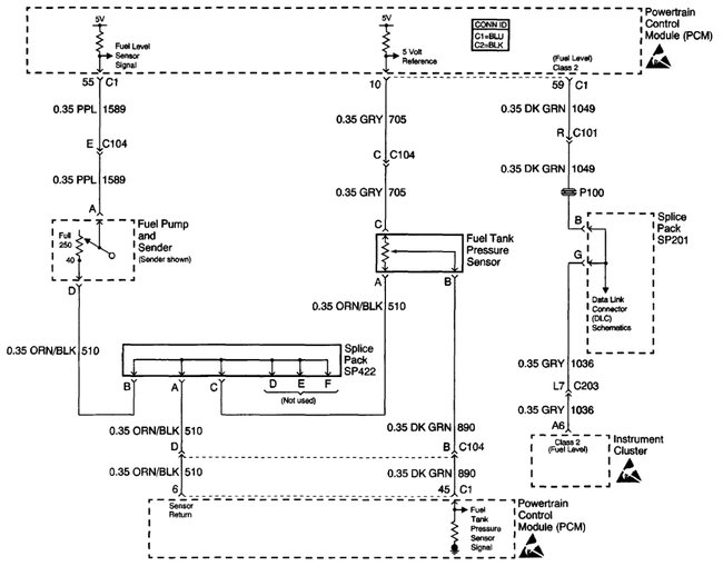
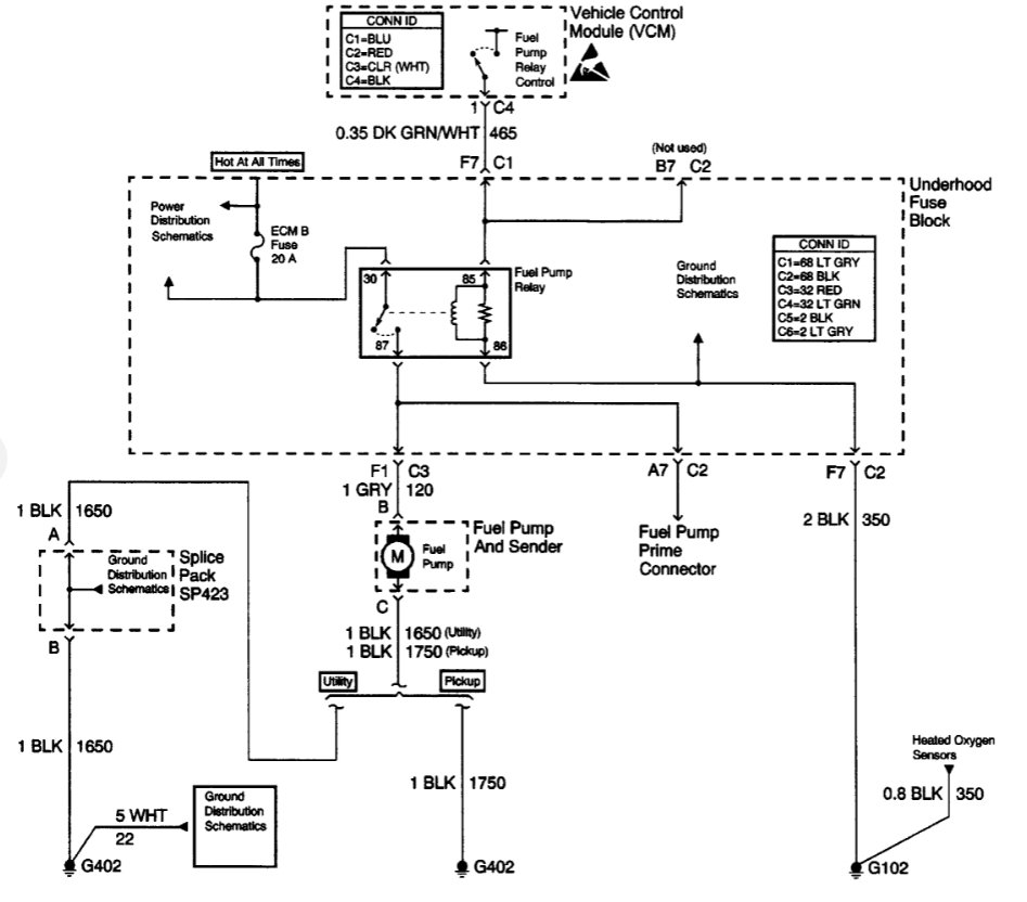
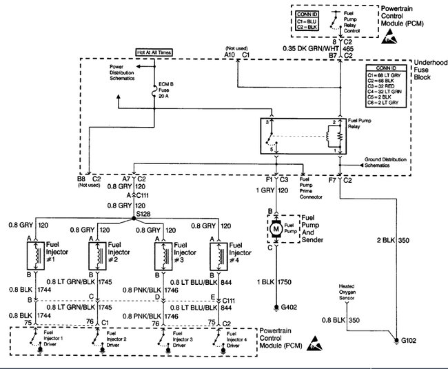
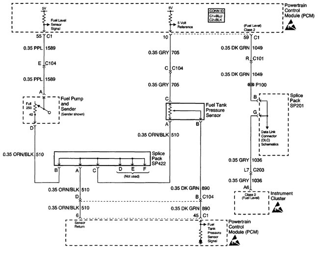
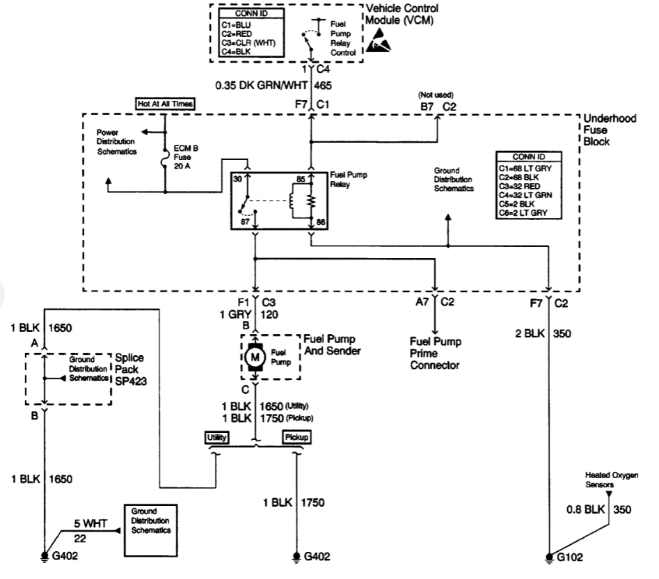
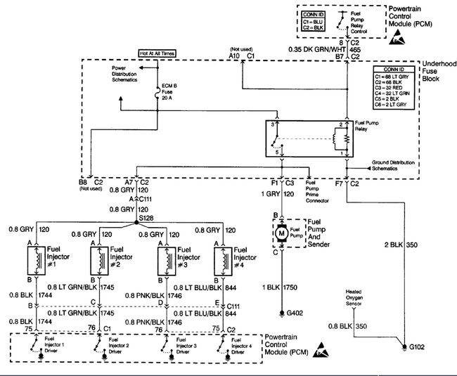
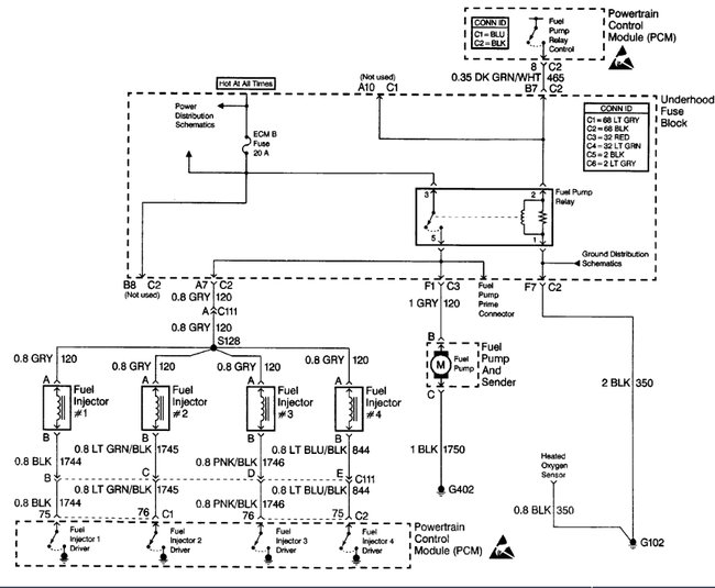
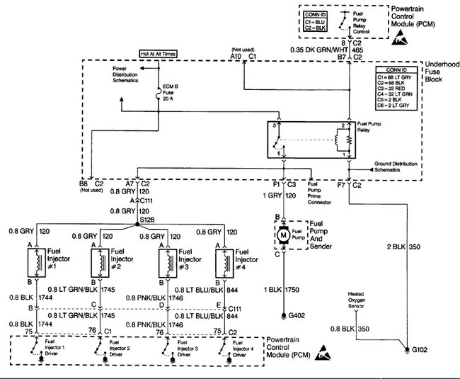
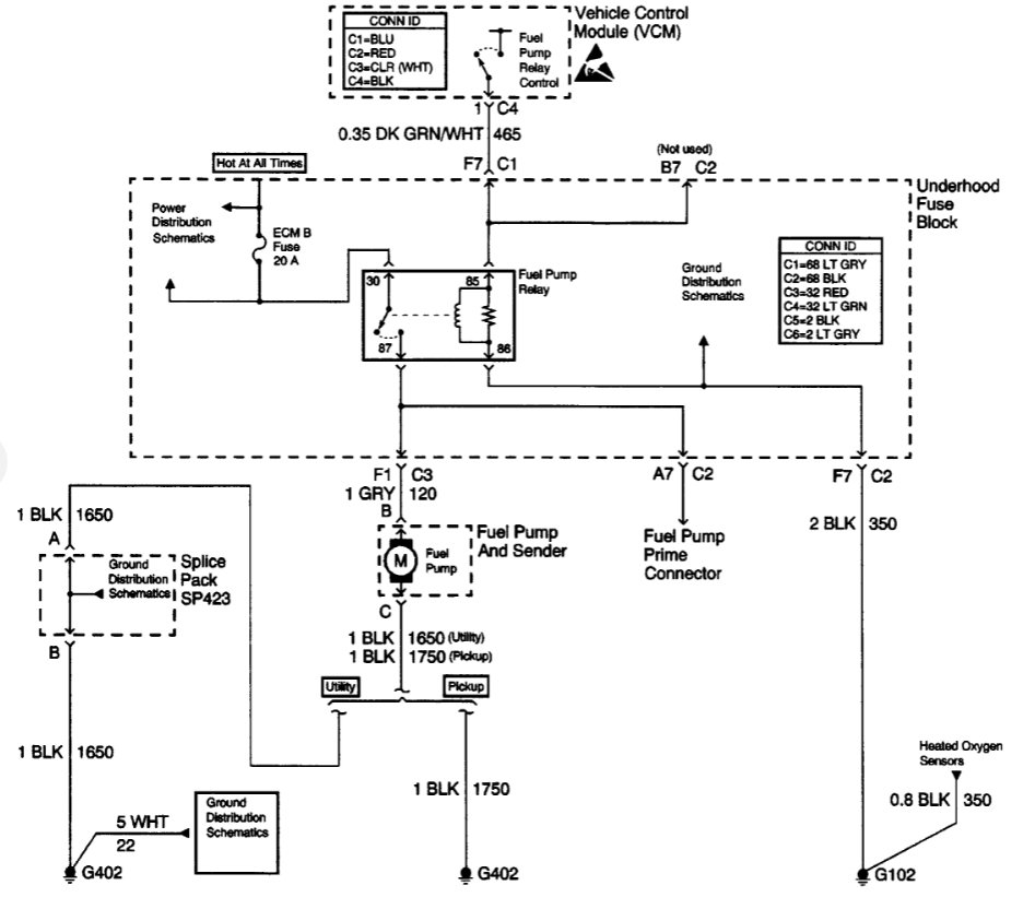
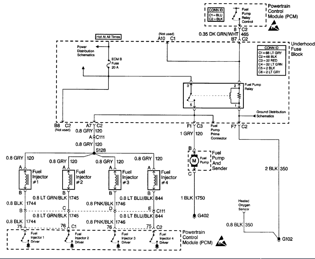
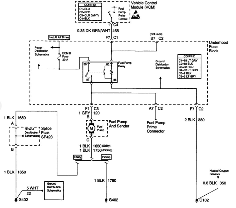
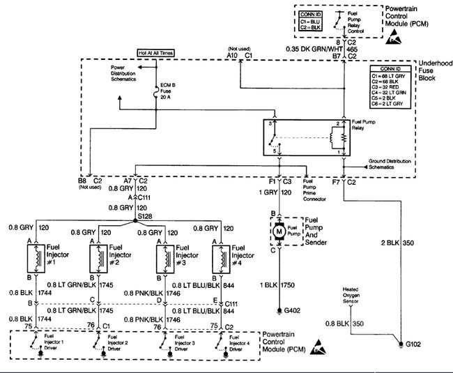
The relay is located under the hood fuse block (see diagram below).

Check the fuel pressure. You should have 41-47 PSI with key on and engine off.

https://www.2carpros.com/articles/how-to-check-fuel-system-pressure-and-regulator

I have also attached the fuel pump wiring diagram for your reference.

Please let me know of any questions.

Thank you.
Was this
answer
helpful?
Yes
No
Sunday, August 8th, 2021 AT 9:05 PM

Please login or register to post a reply.