Saturday, February 8th, 2020 AT 4:39 PM
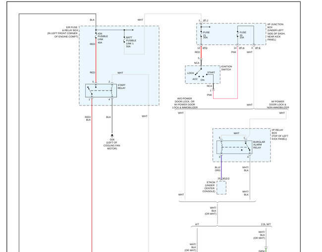
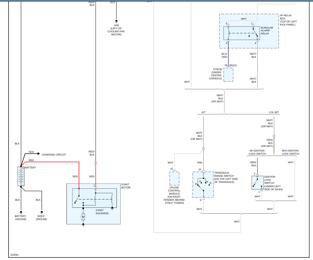
My heater and wipers quit working and I had a loose battery terminal. So I turned the car off to replace the terminal and then the car wouldn't crank back. It has power because the heater lights and everything comes on but the blower and wipers still won't and it still won't crank. I also know that it's not the battery because it has a brand new one. Please help me.







