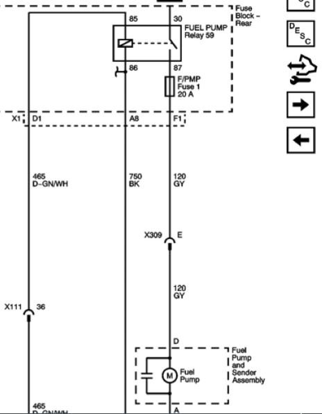
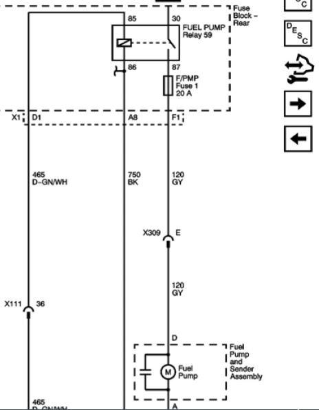
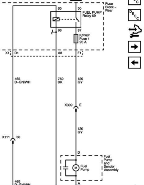
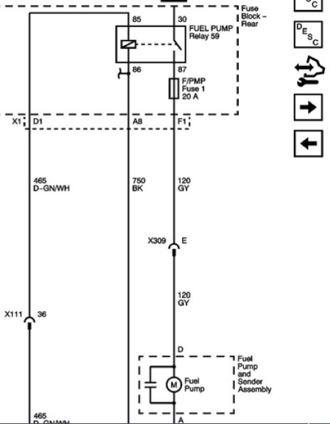
Tuesday, August 14th, 2018 AT 7:57 AM
My car will not take a fuse, try to put one in and it blows automatically. I unplugged the fuel pump and ignition module and still hot. What could it be?




