Friday, March 24th, 2023 AT 6:50 PM
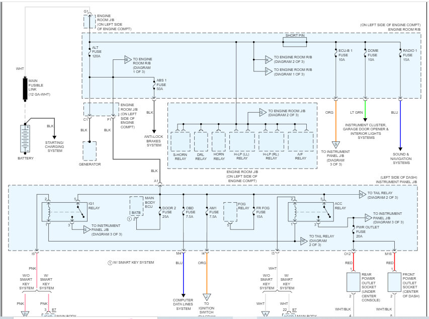
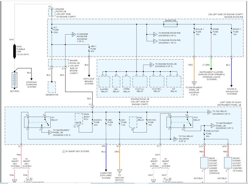
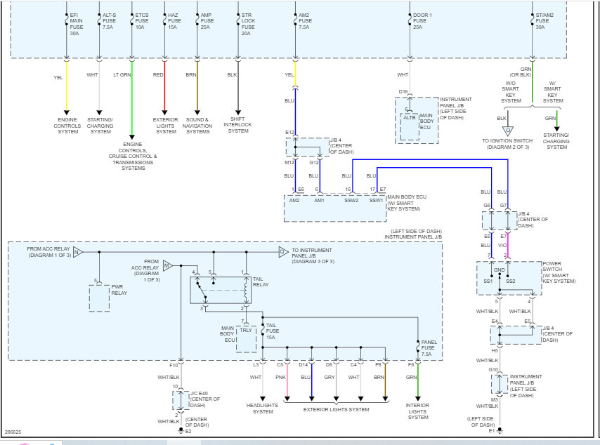
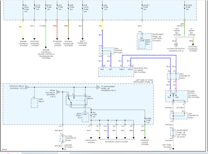
My car was broken into, they stole my stereo, they cut all the wires in my car and cut extra wires, I guess. So, now my car does not start and my electric and my fuse box is only getting power and half of it. The car doesn't start, doesn't crank, radio doesn't work, heater doesn't work, windows won't roll up or down. I rewired all the stereo back in still not working. So, there's power not getting to half of my fuse box. What do I do? (Fuse box under the hood)








