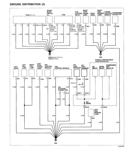
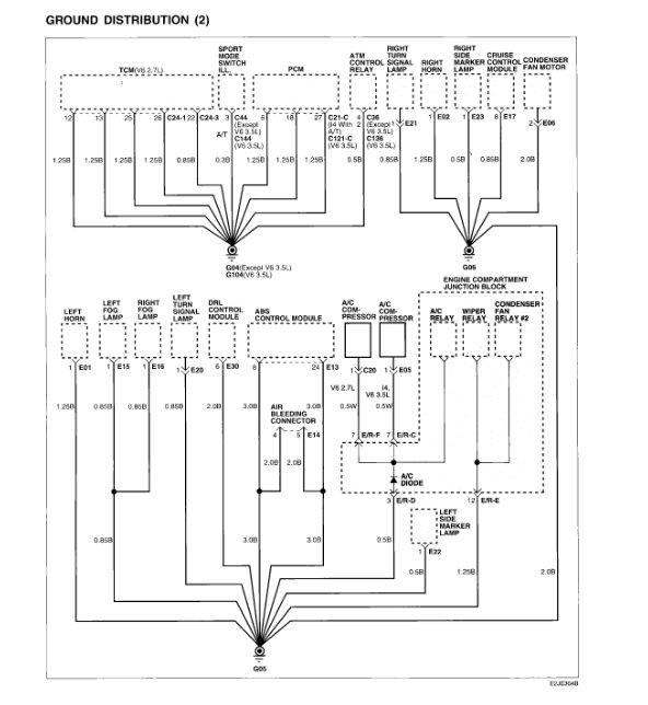
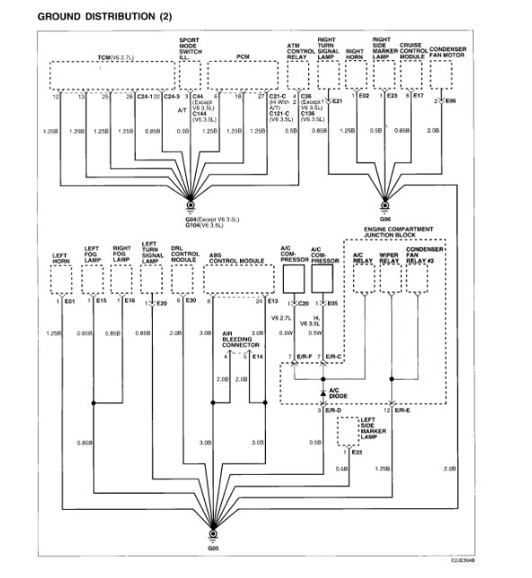
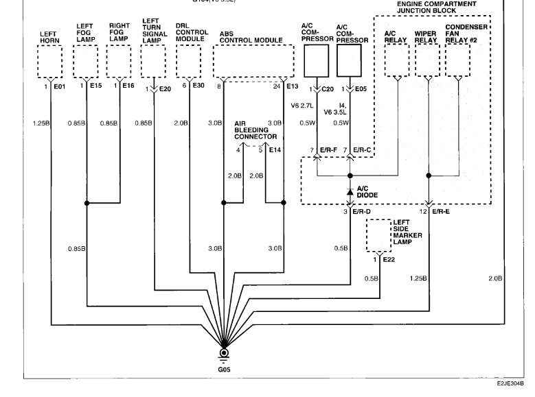
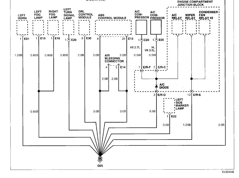
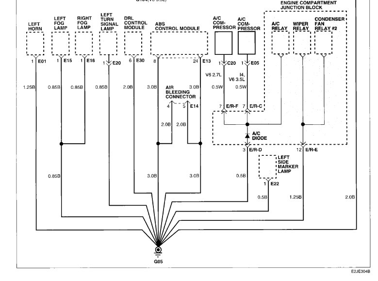
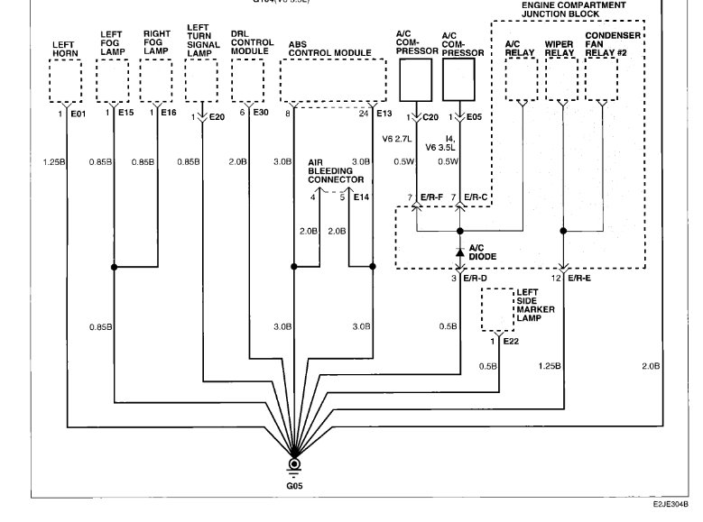
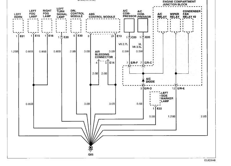
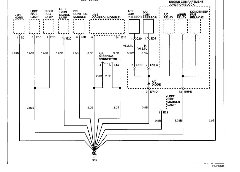
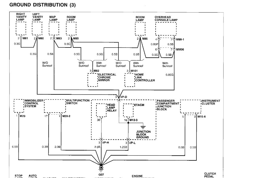
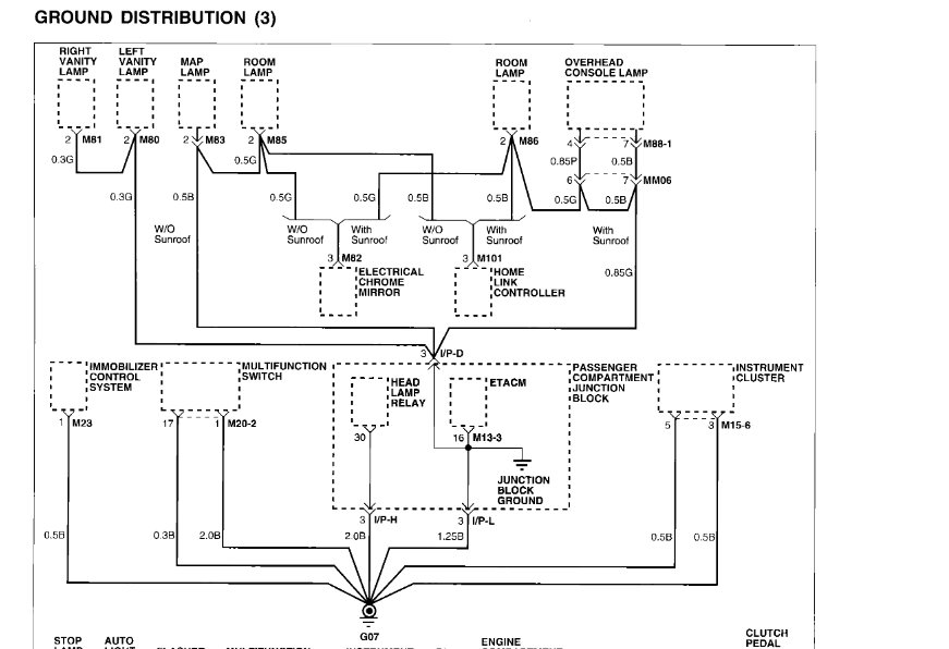
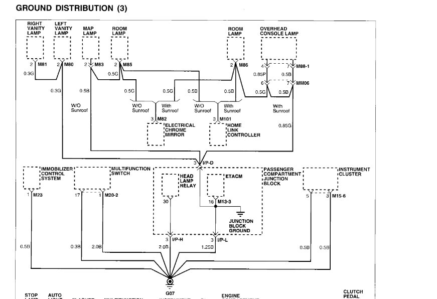
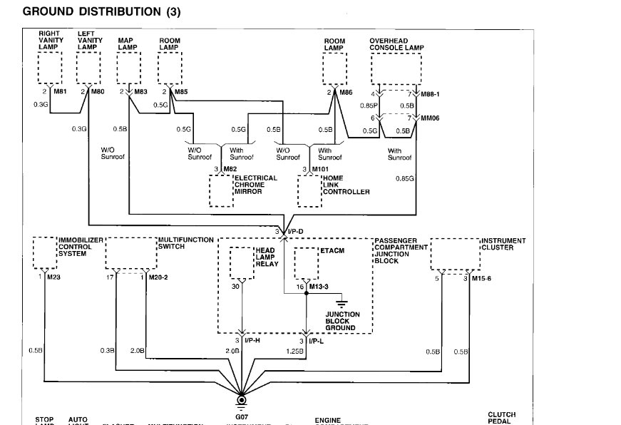
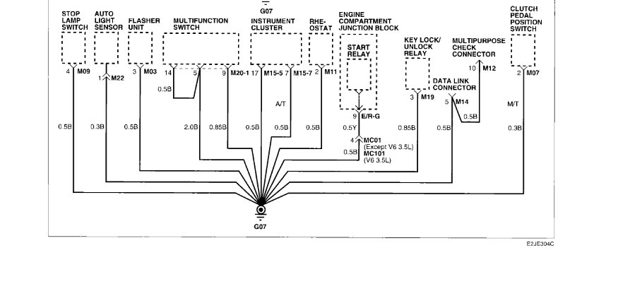
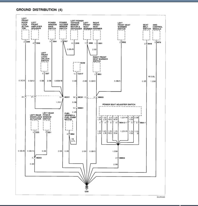
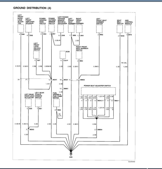
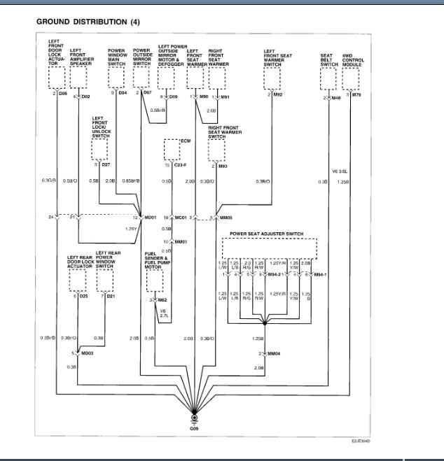
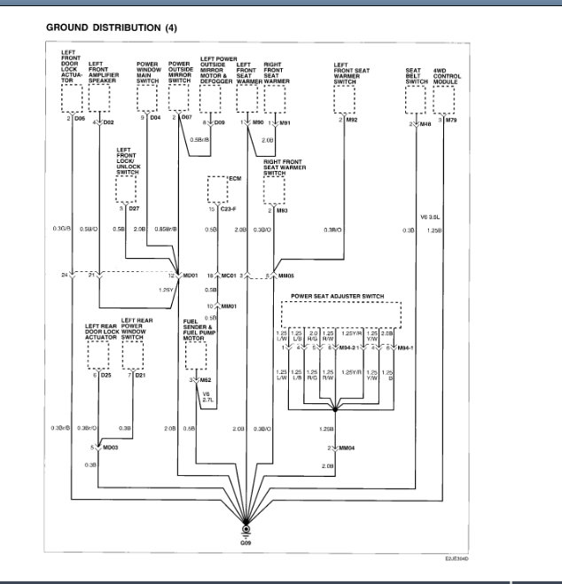
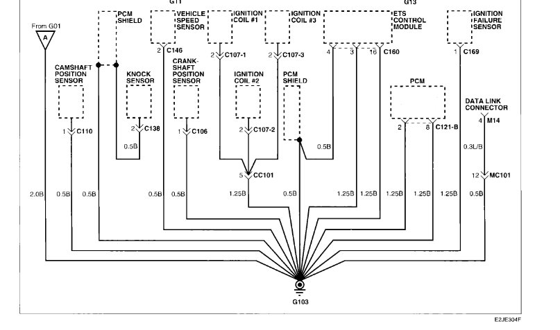
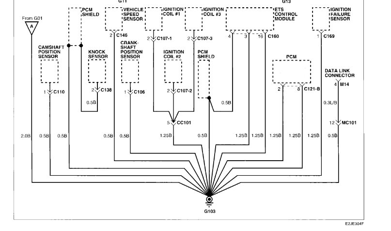
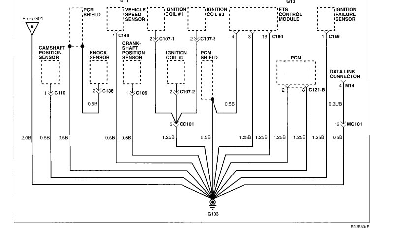
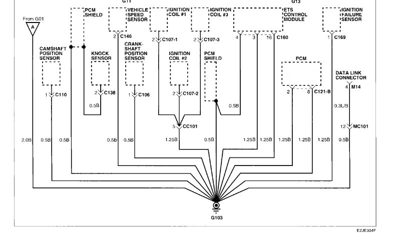
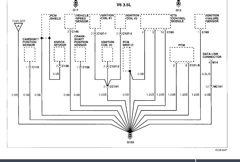
Have you checked the Grounds that I sent earlier? They are all of the ground locations for your entire vehicle. In the diagrams down below I have also included the ground distribution wiring diagrams for you that show where all the vehicle components are grounded to. Please get back to us with what you are able to find out.
Thanks,
Alex
2CarPros
Was this helpful?
Yes
No
Wednesday, October 16th, 2019 AT 9:06 AM





























