Car stalling

Tiny
NANA209X3
  • MEMBER
  • 1999 HONDA ACCORD
  • 2.4L
  • 4 CYL
  • AUTOMATIC
  • 233,000 MILES
My car started acting like it was running out of gas then stalling and starting up, but backfiring and stalling.
Thursday, August 30th, 2018 AT 6:12 PM

1 Reply

Tiny
JACOBANDNICKOLAS
  • MECHANIC
  • 110,192 POSTS
Hi and thanks for using 2CarPros.com.

The first thing I recommend is to confirm that the fuel pump pressure is within the manufacturer's specifications.

Here is a general link that shows how it is done:

https://www.2carpros.com/articles/how-to-check-fuel-system-pressure-and-regulator

Here is the required pressure:
With Regulator Vacuume Hose Disconnected
47-54 Psi.

You will need a gauge to check this, but most parts stores will lend you one. If you determine the pressure is too low, here are the directions specific to your vehicle for replacing the fuel pump. The two attached pictures correlate with these directions.

___________________________________________

Remove the trunk floor.
2. Remove the access panel from the floor.
3. Turn the ignition switch OFF, then disconnect the fuel pump 5P connector.
4. Remove the fuel cap.
5. Relieve the fuel pressure.
6. Disconnect the quick-connect fittings from the fuel pump.
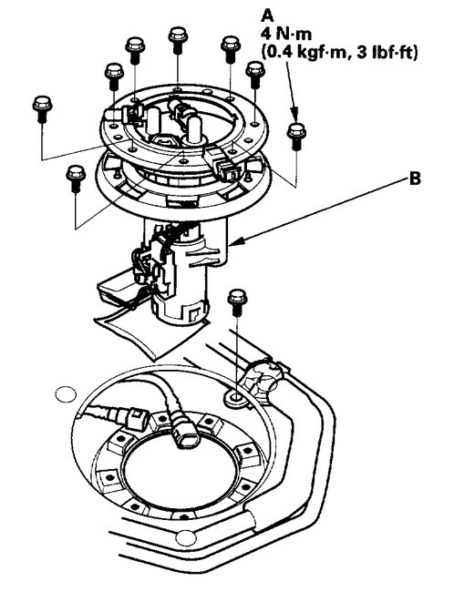
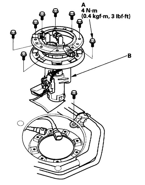
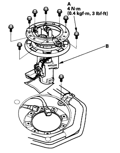
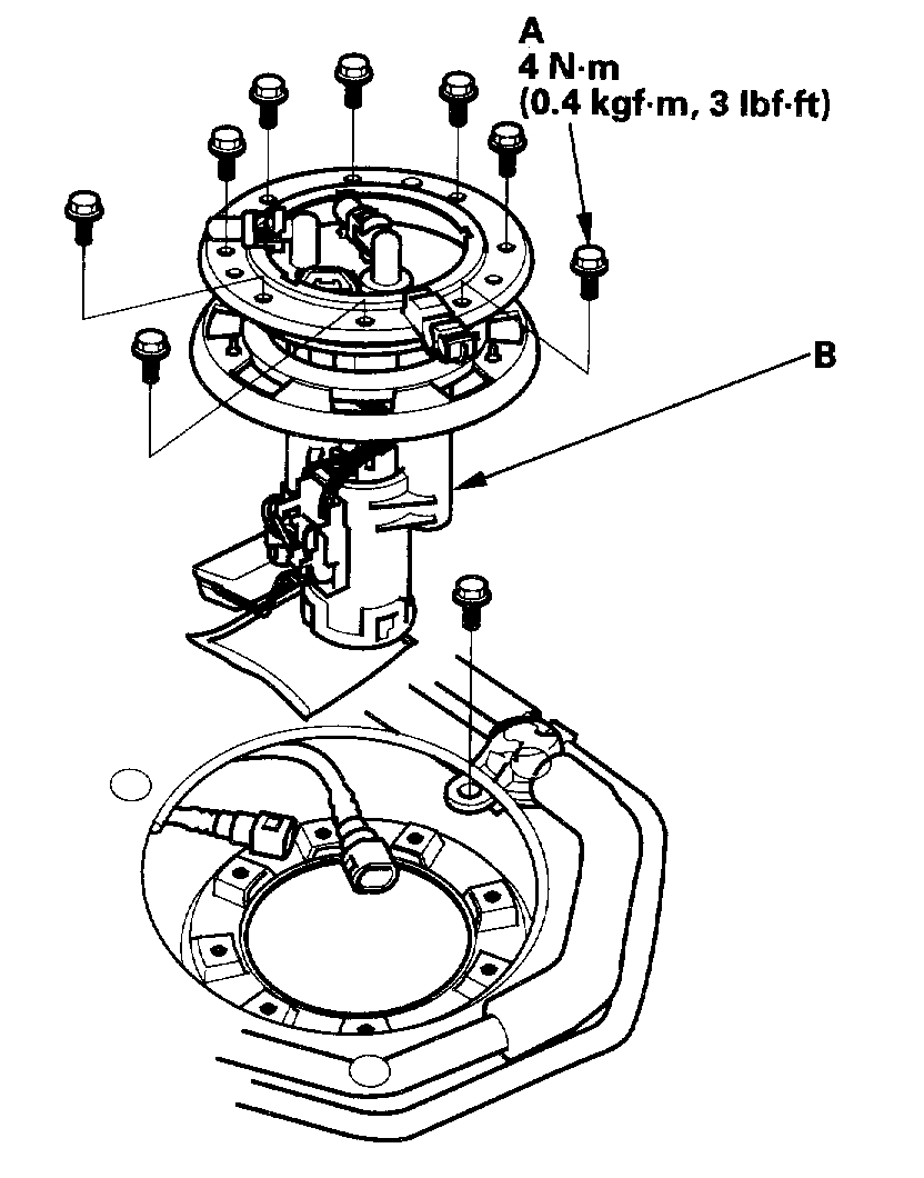
7. Remove the bolts (A), and the fuel tank unit (B).
8. Remove the bracket (A), the fuel filter (B), the fuel gauge sending unit (C), the hose (D), and the wire harness (E).
9. When connecting the fuel pump, make sure the connection is secure and the suction filter (H) is firmly connected to the fuel pump (I).
10. Install the part in the reverse order of removal with a new base gasket, then check these items:
- When connecting the wire harness, make sure the connection is secure and the terminal (F) is firmly locked into the place.
- Check that the tab of the clamp (G) does not interfere with the wire harness.
- Do not push the lower part of the suction filter.
- When installing the fuel gauge sending unit, make sure the connection is secure and the connector is firmly locked into place. Be careful not to bend or twist it excessively.

________________________________

I hope this helps. Let me know if you have other questions.

Take care,
Joe
Was this
answer
helpful?
Yes
No
Thursday, August 30th, 2018 AT 7:03 PM

Please login or register to post a reply.

Related Engine Stall While Driving Content