Drive the vehicle and after thirty minutes the car stalls

Tiny
CARE
  • MEMBER
  • 2010 FORD FIVE HUNDRED
  • 6 CYL
  • 2WD
  • MANUAL
  • 150,000 MILES
I have tried VR sensors, fuel pump, starter motor, battery, core pack, and have taken it to two mechanics but the problem still exists.
What can I do to rectify this problem?
Saturday, November 30th, 2019 AT 2:19 AM

4 Replies

Tiny
SCGRANTURISMO
  • MECHANIC
  • 4,897 POSTS
Hello,

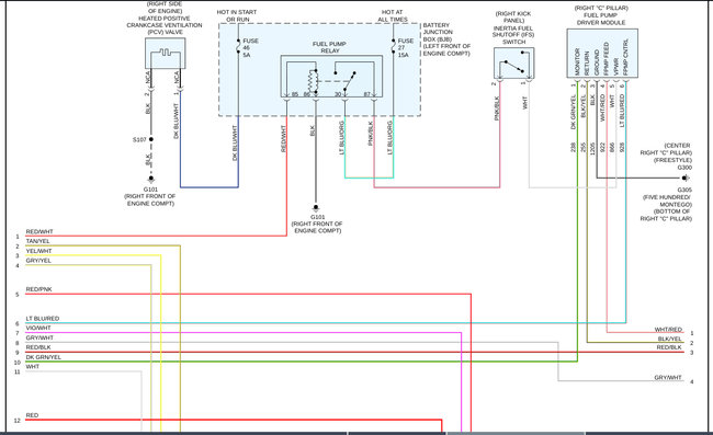
This could a problem with your vehicle's Camshaft Position Senso r[CMP] intermittently failing. The CMP on your vehicle is responsible for providing the Power-train Control Module [PCM] information on where the pistons are in their 4 stroke cycle. The PCM uses this signal to synchronize not only the fuel injectors but the ignition timing as well. If this signal does not make it to the PCM, your vehicle will not run. In the diagrams down below I have included a diagram with the location of your vehicle's CMP, and I have also included the wiring diagrams for your vehicle's engine management circuits for reference. Here is a link below explaining how to change your vehicle's CMP:

https://www.2carpros.com/articles/camshaft-angle-sensor-replacement

Please go through these guides and get back to us with how everything turns out. We can go from there if necessary.

Thanks,
Alex
2CarPros
Was this
answer
helpful?
Yes
No
Saturday, November 30th, 2019 AT 6:17 AM
Tiny
SCGRANTURISMO
  • MECHANIC
  • 4,897 POSTS
Hello again,

F.Y.I. 2007 was the last year that the Ford 500 was manufactured.

Thanks,
Alex
2CarPros
Was this
answer
helpful?
Yes
No
Saturday, November 30th, 2019 AT 6:19 AM
Tiny
CARE
  • MEMBER
  • 2 POSTS
Hi Alex, your suggestion has already been done by mechanics but still no good. The vehicle still stalls. Any other suggestions?
Was this
answer
helpful?
Yes
No
Saturday, November 30th, 2019 AT 6:25 AM
Tiny
SCGRANTURISMO
  • MECHANIC
  • 4,897 POSTS
Hello again,

Okay, they replaced the sensor, but have they checked the CMP wiring? The sensor could be brand new but if there is a problem with the electrical connector or the wires going to the PCM, you could have the best sensor in the world installed in your vehicle and it would make no difference. I have already sent you the engine management wiring diagrams previously, so in the diagrams down below I have included the guides for how to find intermittent problems in an electrical circuit, and how to find unwanted resistance in an automotive electrical circuit by the voltage drop method, the preferred way to do this. You will need to use a Digital Altimeter [DMM] to do this, so here is a link explaining how to do that, if needed, below:

https://www.2carpros.com/articles/how-to-use-a-voltmeter

Please go through these guides and test the CMP circuit, paying attention to the electrical connector and get back to us with what you are able to find out.

Thanks,
Alex
2CarPros
Was this
answer
helpful?
Yes
No
Saturday, November 30th, 2019 AT 6:54 AM

Please login or register to post a reply.