Car overheating fans not kicking on

Tiny
IGENIUS92
  • MEMBER
  • 1997 CHEVROLET CAMARO
  • 3.8L
  • V6
  • 2WD
  • MANUAL
  • 156,000 MILES
Hello, I have a 3800 series engine noticed the temperature gauge rising up past halfway mark indicating the car is getting hot after a few minutes, bought a nee thermostat problem remained, bought a new coolant temperature sensor aftermarket from O'Riley problem remained. I noticed my fans not coming on unless I cut my AC on, tested the fans and they are working. Checked my relays they are working as well. So I bled the system I took the radiator cap off and let the car idle until it almost reached the halfway mark took about ten minutes or so. Added coolant and it did have a few bubble that needed to get out, but here is the thing; I noticed in a blog one person took their plug off their coolant temperature sensor and the fans came on, so I did the same I took the plug off the sensor fans did not come on. However, once I plugged I back it the fans kicked on!
So I am thinking it is the sensor that is maybe bad even though it is brand new or I have to go for the OEM ACdelco coolant temperature sensor because aftermarket will not work. Just like the MAF sensor I bought last year aftermarket would not work until I got the OEM one. What are anyone's thoughts on this?
Thursday, July 19th, 2018 AT 12:09 PM

43 Replies

Tiny
KEN L
  • MASTER CERTIFIED MECHANIC
  • 55,488 POSTS
Good call on the sensor, I would get AC Delco. Next the fact the fan did not come on when you disconnect the sensor tells me there might be problem with the PCM fan signal driver.

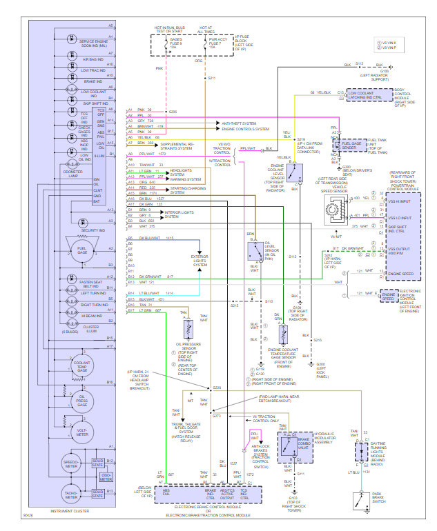
Try the sensor first then replace the PCM with a used one, its plug and play. Here is the location.

Check out the diagrams (below). Please run some tests and get back to us.

Cheers, Ken
Was this
answer
helpful?
Yes
No
Saturday, July 21st, 2018 AT 1:56 PM
Tiny
IGENIUS92
  • MEMBER
  • 205 POSTS
  • 1997 CHEVROLET CAMARO
  • 3.8L
  • V6
  • 2WD
  • MANUAL
  • 156,000 MILES
My cooling fans will not turn on even when it is 220 or more degrees while running but they do work when hooked up straight wired to the battery. So far I have changed the temperature sensor, thermostat, checked fluids, multi-meter tested the wires and relays still nothing has changed, the fans just will not come on. So instead I am going to be hooking the fans up to a toggle switch to make sure the fans come on so the car will not overheat while driving. Can anyone help me step by step with the procedure in properly wiring the fans to a toggle switch so nothing will be blown and or burn out? Where should I start? What wires am I looking for and what colors? The toggle switch is a three prong switch one is for the 12 volts one for the load and one for the ground please anyone help!
Was this
answer
helpful?
Yes
No
Saturday, July 21st, 2018 AT 2:42 PM (Merged)
Tiny
STEVE W.
  • MECHANIC
  • 15,697 POSTS
Using a toggle switch to do that will set codes in the system and turn on the CEL. If all of the external parts are working then the PCM is not turning the fans on.

Did you test using the jumper wires as I put in the earlier posts? Did they turn on/off with the jumper wires? If not then you still have a problem in the wiring or a bad relay. Just because they click does not mean they work.
Was this
answer
helpful?
Yes
No
Saturday, July 21st, 2018 AT 10:22 PM
Tiny
IGENIUS92
  • MEMBER
  • 205 POSTS
  • 1997 CHEVROLET CAMARO
  • 3.8L
  • 6 CYL
  • 2WD
  • MANUAL
  • 156,000 MILES
If there is one problem it is another with this car, so I will start from the beginning. I replaced the bulbs in my cluster with LED's and added a back face panel to go over the gauges. I had to take the needles off to do so. I placed the needles back on to what seemed cores took some adjusting because I forgot to mark them before I removed them and my gas gauge does not move anymore. Could be a ground issue or the gauge itself? Some said because seems my float is working (I sent a video texting it with a multi meter), so instead I bought a aftermarket gas gauge hooked it up to the wires connected to the original wired to the fuel pump and float, purple for the sender wire, black for the ground and grey for the power 12 volts seems to work okay. I guess now the temperature gauge seems to be showing the car is overheating while driving I noticed the temperature needle moving into the middle line of the gauge. Usually it never even reaches that far. Then I noticed it went passed the half way mark as if it was overheating. My gas gauge seems to have dropped also because I have not driven that far. Is it a thermostat issue? Or what? Can anyone help please?
I am sending some pictures of how the gauge looks while I was driving for over thirty minutes.
Was this
answer
helpful?
Yes
No
Sunday, July 22nd, 2018 AT 11:53 AM (Merged)
Tiny
ROL*S.
  • MECHANIC
  • 61 POSTS
Hi Genius, that is a bit on the hot side is it not. Have you seen what the temperature gauge displays when the radiator fan turns on? Or what the temperature gauge displays when the A/C is turned on? Not having a radiator fan work proper would make it run pretty hot. Did you notice if the fan was on when the temperature gauge displayed that hot? You have an ohmmeter? Need a measurement at the coolant sensor. It needs about 1400ohms for the temperature gauge to read cold. And then when its warmed up, the coolant sensors reads about 700ohms but if the temperature gauge displays hot temperature, then there is the problem. You could check that right away but radiator fan operation and real engine temperature is more important than what the temperature gauge displays. Let me know how it goes.
Was this
answer
helpful?
Yes
No
Sunday, July 22nd, 2018 AT 11:53 AM (Merged)
Tiny
IGENIUS92
  • MEMBER
  • 205 POSTS
Well I replaced the thermostat does not seem like it helped at all. Coolant seems to be topped off good. Could use maybe a half a quart of oil. Here is a short video on what it is doing.
Was this
answer
helpful?
Yes
No
Sunday, July 22nd, 2018 AT 11:54 AM (Merged)
Tiny
ROL*S.
  • MECHANIC
  • 61 POSTS
No video.

Have you seen the radiator fan do its job? If not, turn on A/C open the hood and take a look to see if radiator fan is running. If it is, turn off A/C, fan should stop. If it stays running, restart engine. Fan should not be running, let engine run until the fan turns on. Then take a look at temperature gauge, see where the needle is pointing. Usually it is about a bit over middle temperature. Then when the fan reduces temperature and turns off, take another look at temperature gauge. It is usually a bit under middle temperature. Now if the fan does not turn on with the A/C, that is probably the problem.
Was this
answer
helpful?
Yes
No
-1
Sunday, July 22nd, 2018 AT 11:54 AM (Merged)
Tiny
IGENIUS92
  • MEMBER
  • 205 POSTS
Sorry, I tried up loading the video. The fan cuts on when I turn the AC on but it did not seem to kick in when the car is just running and the temperature sensor seems to read hot.
Was this
answer
helpful?
Yes
No
Sunday, July 22nd, 2018 AT 11:54 AM (Merged)
Tiny
ROL*S.
  • MECHANIC
  • 61 POSTS
And if you could borrow a scanner it can tell you if there is a sensor problem. Because you can see sensor voltage which would probably throw a code if it was bad anyway. But when you see the sensor is normal and the gauge showing hot then well you know. Can measure sensor with ohmmeter it is in the other post. Is it really getting that hot though? When it is parked and you let it idle, does it get as hot as the pictures you sent show? And no fan?
Was this
answer
helpful?
Yes
No
Sunday, July 22nd, 2018 AT 11:54 AM (Merged)
Tiny
IGENIUS92
  • MEMBER
  • 205 POSTS
Well in a video I tried to send the engine was hot but not scalding enough for me to touch it. I tested the sensor with a multi-meter, seemed to have jumped around before I started to read, but I possibly had the polarity wrong while trying to get a reading. I will see if I can send the video's again.
Was this
answer
helpful?
Yes
No
Sunday, July 22nd, 2018 AT 11:54 AM (Merged)
Tiny
IGENIUS92
  • MEMBER
  • 205 POSTS
Let me know if the video works now.
Was this
answer
helpful?
Yes
No
Sunday, July 22nd, 2018 AT 11:54 AM (Merged)
Tiny
ROL*S.
  • MECHANIC
  • 61 POSTS
No video.
Have YouTube? Leave a link?
When the car is cold and the key is off, where is the temperature gauge needle? It is a bit below 160 right? Then when you turn the key on, the needle moves to 160 right? Or does it move a bit above 160? Then, when you start it, about how long does it take to get to 210?
Was this
answer
helpful?
Yes
No
Sunday, July 22nd, 2018 AT 11:54 AM (Merged)
Tiny
IGENIUS92
  • MEMBER
  • 205 POSTS
Okay, I will post a link. Well it takes about five minutes to get to the middle point on the needle then keeps moving up, key off it drops down a little the on start moves right back.
Was this
answer
helpful?
Yes
No
Sunday, July 22nd, 2018 AT 11:54 AM (Merged)
Tiny
ROL*S.
  • MECHANIC
  • 61 POSTS
Have you had a chance to make a video? Be sure to make it from full cold.
That needle start at 160?
Was this
answer
helpful?
Yes
No
Sunday, July 22nd, 2018 AT 11:54 AM (Merged)
Tiny
IGENIUS92
  • MEMBER
  • 205 POSTS
Well it starts from the starting point of the needle like normal then after about five minutes it seems to go all the way up to the half way mark on the needle.
Was this
answer
helpful?
Yes
No
Sunday, July 22nd, 2018 AT 11:54 AM (Merged)
Tiny
IGENIUS92
  • MEMBER
  • 205 POSTS
Can you view the video now? I converted it.
Was this
answer
helpful?
Yes
No
Sunday, July 22nd, 2018 AT 11:54 AM (Merged)
Tiny
IGENIUS92
  • MEMBER
  • 205 POSTS
Video 1.
Was this
answer
helpful?
Yes
No
Sunday, July 22nd, 2018 AT 11:54 AM (Merged)
Tiny
IGENIUS92
  • MEMBER
  • 205 POSTS
Sorry for some reason it only lets let upload 43 seconds of the video.
Was this
answer
helpful?
Yes
No
Sunday, July 22nd, 2018 AT 11:54 AM (Merged)
Tiny
IGENIUS92
  • MEMBER
  • 205 POSTS
I uploaded the videos to YouTube. Here is my link to the first video, sorry for the trouble.

https://www.youtube.com/watch?v=6TMR0RMYQy4&feature=youtu.be
Was this
answer
helpful?
Yes
No
Sunday, July 22nd, 2018 AT 11:54 AM (Merged)
Tiny
IGENIUS92
  • MEMBER
  • 205 POSTS
Here is the temperature sensor test video link:

https://youtu.be/Rsv2jqnIq48
Was this
answer
helpful?
Yes
No
Sunday, July 22nd, 2018 AT 11:54 AM (Merged)

Please login or register to post a reply.