Monday, August 6th, 2018 AT 12:28 PM
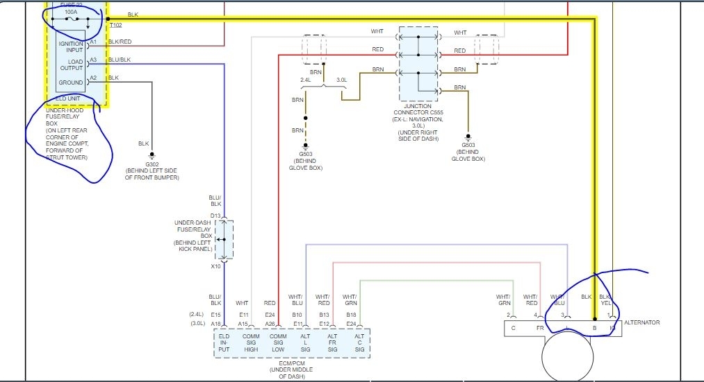
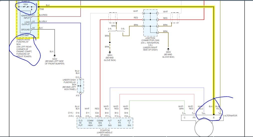
The alternator went out in the car, while I was replacing it I forgot to unplug the battery to the car and a spark went off while I was trying to undo a bolt on the alternator. The spark was not huge maybe the size of a penny to a nickel is diameter. I then unplugged the battery and continued to take out the alternator and put the new one in. When I hooked everything back up, had the new alternator in, and battery plugged in again. I went to start the car and it would not turn on. No lights, no beeping when car door opens with key in, nothing at all. I checked the fuses, battery and ignition ones were all okay. I am not sure what else to do or check. Any ideas?








