Will not start and keeps blowing number eight fuse

Tiny
AABBL
  • MEMBER
  • 2006 CHRYSLER SEBRING
  • V6
  • 2WD
  • AUTOMATIC
  • 130,000 MILES
Car stopped starting suddenly one day, doesn't make any noise when the key is turned. The number 8 fuse keeps blowing every time I replace it (20 amp). We've already tested the battery, and it's fine. The battery terminals were a bit corroded, one was cleaned and the other was replaced, both were covered in some dielectric grease. After that, the car started twice, but the third time the number 8 fuse blew again, and then immediately once I replaced it.

The number 8 fuse socket tests one side grounded the other not, which is definitely why the fuse is blowing, but beyond that we're pretty stumped.
Tuesday, December 31st, 2019 AT 12:15 PM

1 Reply

Tiny
SCGRANTURISMO
  • MECHANIC
  • 4,897 POSTS
Hello,

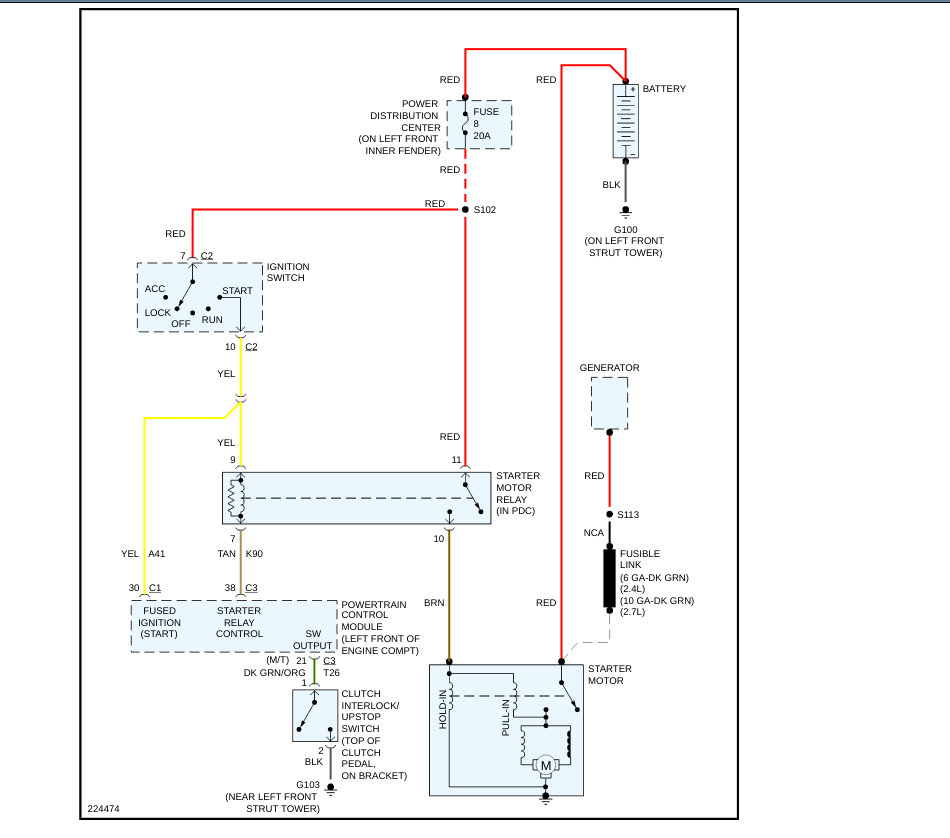
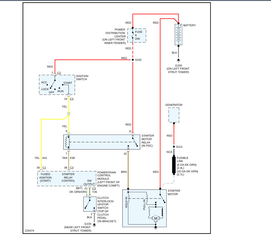
Okay, so you understand why the fuse keeps blowing, that's 75% of the battle. In the diagrams down below I have included the starting circuit wiring diagram and a guide on how to find shorts to grounds and shorts in between electrical circuits in an automotive electrical circuit for you. I have also included a flowchart from the vehicle manufacturer on testing the ignition switch as well. Please go through these guides and get back to us with what you find out. Happy Holidays.

Thanks,
Alex
2CarPros
Was this
answer
helpful?
Yes
No
+1
Wednesday, January 1st, 2020 AT 12:52 AM

Please login or register to post a reply.