After replacing the starter it will not start?

Tiny
ALEXISALIZA1989
  • MEMBER
  • 2007 PONTIAC G6
  • 3.5L
  • 6 CYL
  • AUTOMATIC
  • 80,000 MILES
I put a new starter in my car listed above and it started one time but after that no more. Before I replaced it with a new one I put a used one in it and it did the same thing. What can be causing this?
Tuesday, September 7th, 2021 AT 4:41 PM

5 Replies

Tiny
JACOBANDNICKOLAS
  • MECHANIC
  • 110,192 POSTS
Hi,

Does it make a difference if you place it in neutral? If not, we need to do some checking.

Since it started once, I doubt you have a blown fuse. However, that doesn't mean the starter fuse or ignition 1 fuse isn't loose, damaged, or corroded. So start there.

In the under hood fuse box, locate fuses 3 and 26. Inspect the fuse and its connection in the box. Also, confirm there is power to and from the fuse when it is plugged in.

Here is a link you may find helpful:

https://www.2carpros.com/articles/how-to-check-a-car-fuse

If that checks good, locate the starter relay (31) and run/start relay (32) in the same box. If there are other relays with the same part number, switch them and see if it makes a difference. If there isn't, here is a link that explains how to test a relay.

https://www.2carpros.com/articles/how-to-check-an-electrical-relay-and-wiring-control-circuit

_____________________________

If the above all check good, then follow this link to identify if power is going where it needs to be on the starter.

https://www.2carpros.com/articles/starter-not-working-repair

___________________________

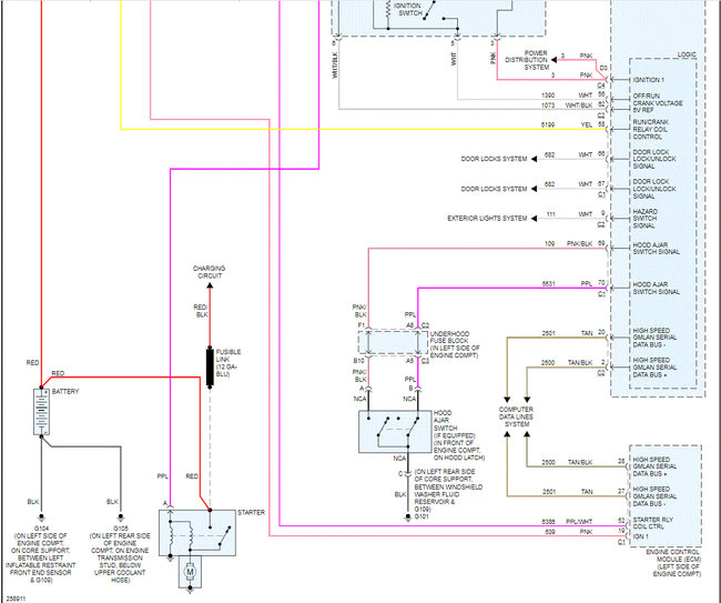
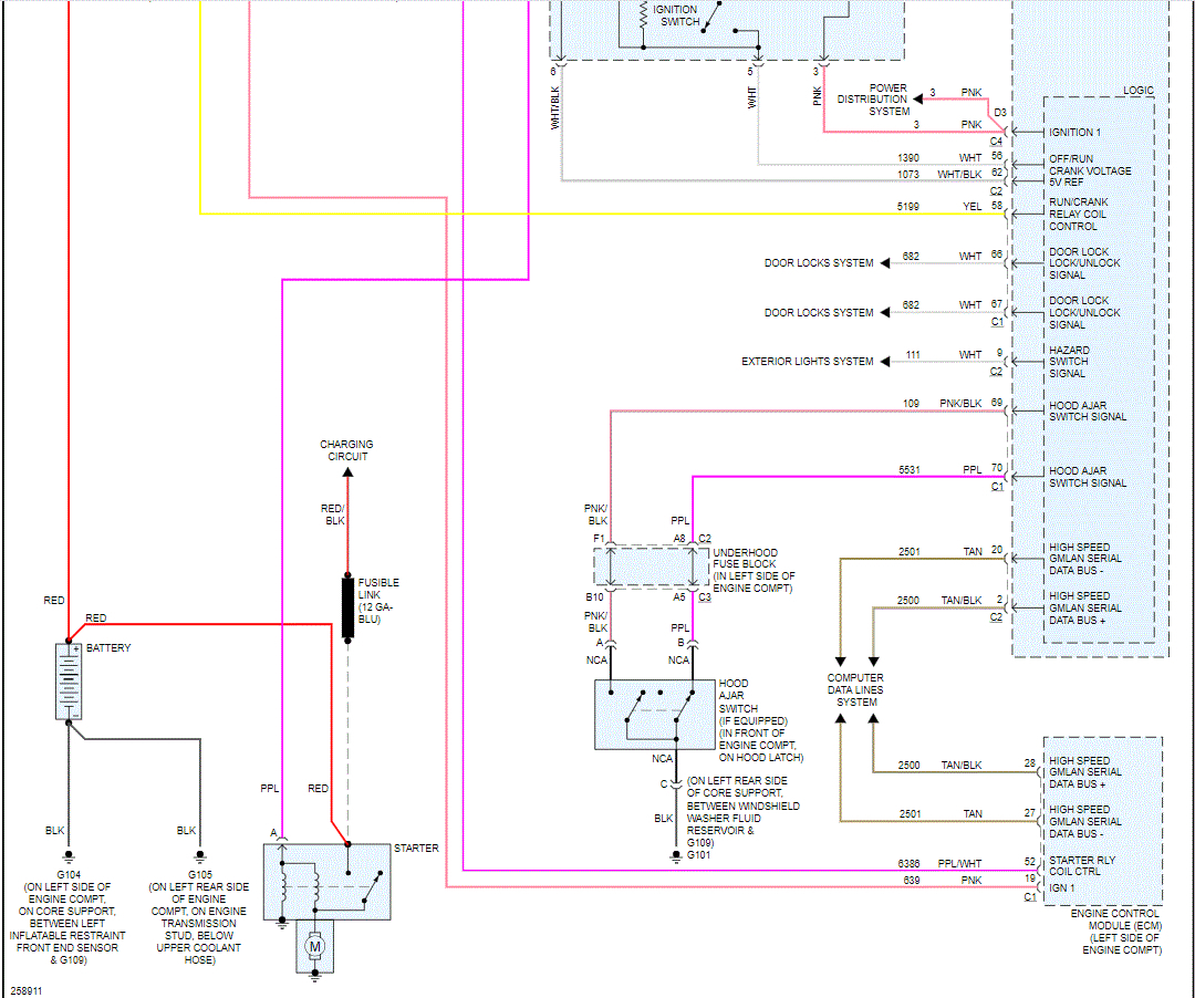
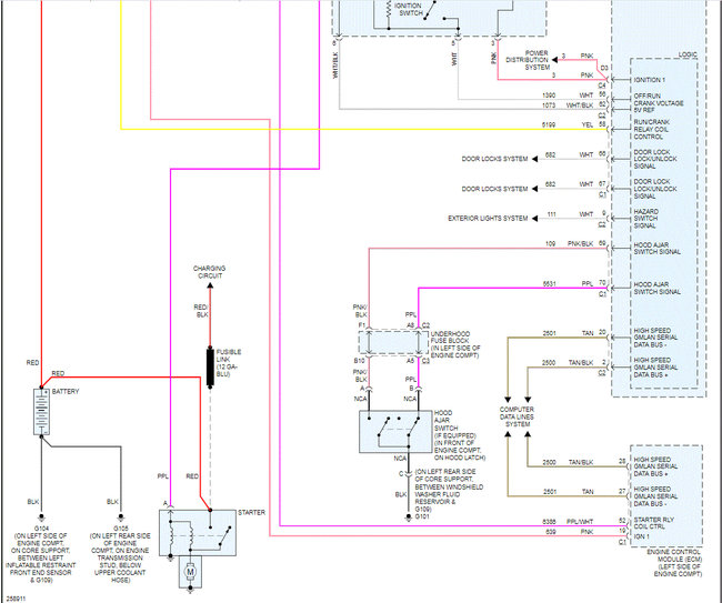
I attached the wiring schematic for the starting system below. I had to cut the pic in half to make it readable for you, but I did overlap them so you can follow from one to the next.

Also, and don't laugh, make sure the battery terminals are both clean and tight.

Pics 1 and 2 are the wiring schematics. Pic 3 shows the fuse and relay locations in the box.

Let me know what you find or if you have other questions.

Take care.

Joe

See pics below.
Was this
answer
helpful?
Yes
No
Tuesday, September 7th, 2021 AT 8:29 PM
Tiny
ALEXISALIZA1989
  • MEMBER
  • 3 POSTS
So I did check all the fuses and everything was good, my car battery is good. I know before I changed my starter when I was trying to figure out what was wrong with it I tried to start it with a paper clip at the relay fuse and it tried to start but didn't. So I tried that with this new starter to see if that would work but it doesn't even do anything at all. It does not try to start at all, I just see sparks that's it.
Was this
answer
helpful?
Yes
No
Wednesday, September 8th, 2021 AT 2:06 AM
Tiny
JACOBANDNICKOLAS
  • MECHANIC
  • 110,192 POSTS
Hi,

Where do you see sparks? That is likely a loose connection.

Let me know.
Joe
Was this
answer
helpful?
Yes
No
Wednesday, September 8th, 2021 AT 7:24 PM
Tiny
ALEXISALIZA1989
  • MEMBER
  • 3 POSTS
I see sparks where I stick the paper clip at where I try to start it. Inside where the fuse goes.
Was this
answer
helpful?
Yes
No
Wednesday, September 8th, 2021 AT 9:48 PM
Tiny
JACOBANDNICKOLAS
  • MECHANIC
  • 110,192 POSTS
Okay, if you are referring to where you jump it, that is expected. I was thinking you saw them at a different location.

If the starter does nothing when you jump it, I need you to check to make sure the larger wire on the starter has 12v. It should have it at all times straight from the starter.

Do that before we move on. If there is 12v at the large wire on the starter, the fuses are good and have power to and from them, the relays are good, then we need to start by checking for power at the smaller purple wire at the starter. That wire needs to receive 12v only when the key is in the start position. You will need a helper to perform that test.

Have a helper turn the key to the start position while you check the purple wire for power at the starter itself. If you have constant12v at the larger wire and get 12v to the smaller purple wire with the key in the start position, the "new" starter is bad as well.

Please understand I am assuming there is no noise whatsoever coming from the starter. Also, please reconfirm that the fuses are good, power goes to and from them, and the relays are good that I mentioned above. Also, let me know if you tried starting it in neutral and if the gear indicator is lit and identifying the correct gear selection.

Let me know.

Joe
Was this
answer
helpful?
Yes
No
Thursday, September 9th, 2021 AT 3:13 PM

Please login or register to post a reply.