Starter not cranking the engine over?

Tiny
ASEMASTER6371
  • MECHANIC
  • 52,796 POSTS
You are welcome.

Always glad to help.

Roy
Was this
answer
helpful?
Yes
No
Monday, December 2nd, 2019 AT 6:44 PM
Tiny
AFRAUSTO94
  • MEMBER
  • 16 POSTS
So the batteries are reading 12.84 and 13.13.
Was this
answer
helpful?
Yes
No
Tuesday, December 3rd, 2019 AT 11:03 AM
Tiny
ASEMASTER6371
  • MECHANIC
  • 52,796 POSTS
Okay, does it start?

Roy
Was this
answer
helpful?
Yes
No
Tuesday, December 3rd, 2019 AT 1:16 PM
Tiny
AFRAUSTO94
  • MEMBER
  • 16 POSTS
Yes, it does.
Has a little bit of trouble, and one of the pulleys is squeaking.
Was this
answer
helpful?
Yes
No
Tuesday, December 3rd, 2019 AT 1:49 PM
Tiny
ASEMASTER6371
  • MECHANIC
  • 52,796 POSTS
Sounds like the idler pulley. Remove the belt and spin it by hand.

What is the voltage at the battery with the engine running?

Roy
Was this
answer
helpful?
Yes
No
Tuesday, December 3rd, 2019 AT 2:25 PM
Tiny
AFRAUSTO94
  • MEMBER
  • 16 POSTS
Okay.
And the voltage of the battery is 14.3.
Was this
answer
helpful?
Yes
No
Tuesday, December 3rd, 2019 AT 2:30 PM
Tiny
ASEMASTER6371
  • MECHANIC
  • 52,796 POSTS
Okay, need to find the source of the noise.

Roy
Was this
answer
helpful?
Yes
No
Tuesday, December 3rd, 2019 AT 2:39 PM
Tiny
AFRAUSTO94
  • MEMBER
  • 16 POSTS
Is the idler pulley going to be the one on the right side of the alternator pulley, above the tensioner?
If so, we had just replaced it the other day.
Was this
answer
helpful?
Yes
No
Tuesday, December 3rd, 2019 AT 3:36 PM
Tiny
ASEMASTER6371
  • MECHANIC
  • 52,796 POSTS
Yes, it looked like the tensioner was replaced but not the idler pulley.

If it was, remove the belt and spin each component one at a time to find the source of the noise.

Roy
Was this
answer
helpful?
Yes
No
Tuesday, December 3rd, 2019 AT 4:25 PM
Tiny
DOUBLEDUCKS
  • MEMBER
  • 1 POST
  • 2001 JEEP GRAND CHEROKEE
  • AUTOMATIC
Pretty much desperate for help!

My Dad's 2001 Jeep Grand Cherokee's engine has immobilized itself. We have hooked it to 3 different diagnostic machines, and each one has come up with no result.

We get to first stage ignition but there is no engine turnover and the dials do not move at all. It seems that all of the other electric work, e.G. Door open notifications etc.

Please help!
Was this
answer
helpful?
Yes
No
Monday, August 31st, 2020 AT 12:46 PM (Merged)
Tiny
HMAC300
  • MECHANIC
  • 48,601 POSTS
Try resetting security system if no manual look online.
Was this
answer
helpful?
Yes
No
Monday, August 31st, 2020 AT 12:46 PM (Merged)
Tiny
BON21354
  • MEMBER
  • 1 POST
  • 2001 JEEP GRAND CHEROKEE
  • 6.0L
  • 6 CYL
  • 4WD
  • AUTOMATIC
  • 200,000 MILES
I turn key and only get 1click I changed starter and battery and check ground wires and still only one click please help
Was this
answer
helpful?
Yes
No
Monday, August 31st, 2020 AT 12:46 PM (Merged)
Tiny
JDL
  • MECHANIC
  • 16,098 POSTS
I would have to check wiring circuits at your starter. Any testing at starter make sure tranny is in park or neutral and the parking brake is set. Check applicable fuses. I would have to be sure battery has a full charge and charging system is ok?
Was this
answer
helpful?
Yes
No
Monday, August 31st, 2020 AT 12:46 PM (Merged)
Tiny
JDL
  • MECHANIC
  • 16,098 POSTS
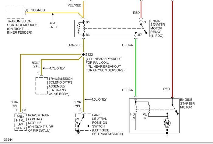
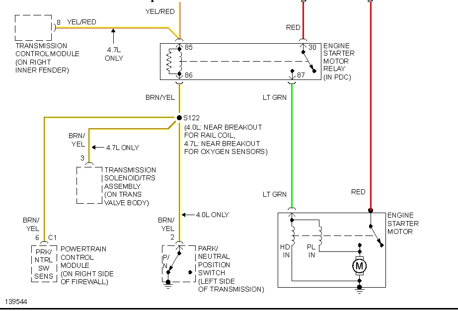
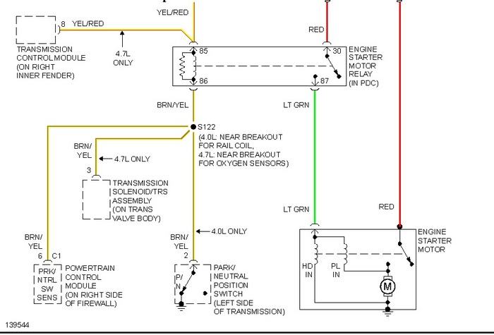
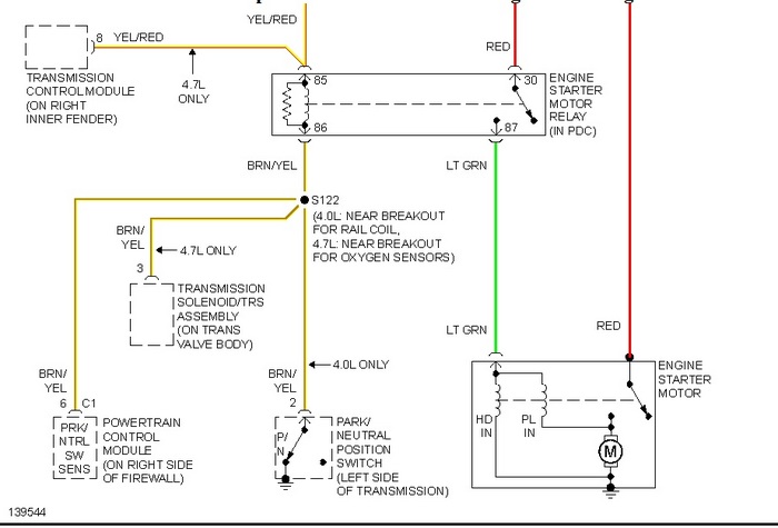
Just to add, no 6.0 so looked at 4.0L engine. Note the relay, terminal 30 is hot all the time and is fuse protected. When the relay is energized that line with the arrowhead moves to terminal 87 and voltage goes to starter. Also, red wire at starter, hot all the time

The coil side of relay to the left, also needs voltage and ground. I'm not sure about that clkicking noise either relay or starter itself.

Any body else has any ideas, jump in, no problem.
Was this
answer
helpful?
Yes
No
Monday, August 31st, 2020 AT 12:46 PM (Merged)
Tiny
JEEPGIRL
  • MEMBER
  • 1 POST
  • 2001 JEEP GRAND CHEROKEE
  • V8
  • 2WD
  • AUTOMATIC
If this is free, why do I have to go through the annoyance of "signing up"? Dumb!
Here's my problem: 2001 Jeep GR CH runs great. Problem been developing over a year. Did not happen every day or even every week. When I turn the key all electrics come on but the engine does not crank. NO noise is associated with this. Usually on the second try it cranks right up no problem! As of 2 days ago it took 5+ tries. Today 5-10 tries with THREE keys all properly programmed at dealer when we bought the car new. Now repair man said "I don't know. Just drive it around and 'call me'(!)" HUH? I think it is the ignition switch because everything comes on when the key is turned. Please help as this is my primary vehicle and I need to be able to travel long distances with confidence. Thanks
Was this
answer
helpful?
Yes
No
Monday, August 31st, 2020 AT 12:46 PM (Merged)
Tiny
JDL
  • MECHANIC
  • 16,098 POSTS
I don't know of any site that will let you post without registering. There are many reasons to have you register. The least of all is to try to control trouble-makers.

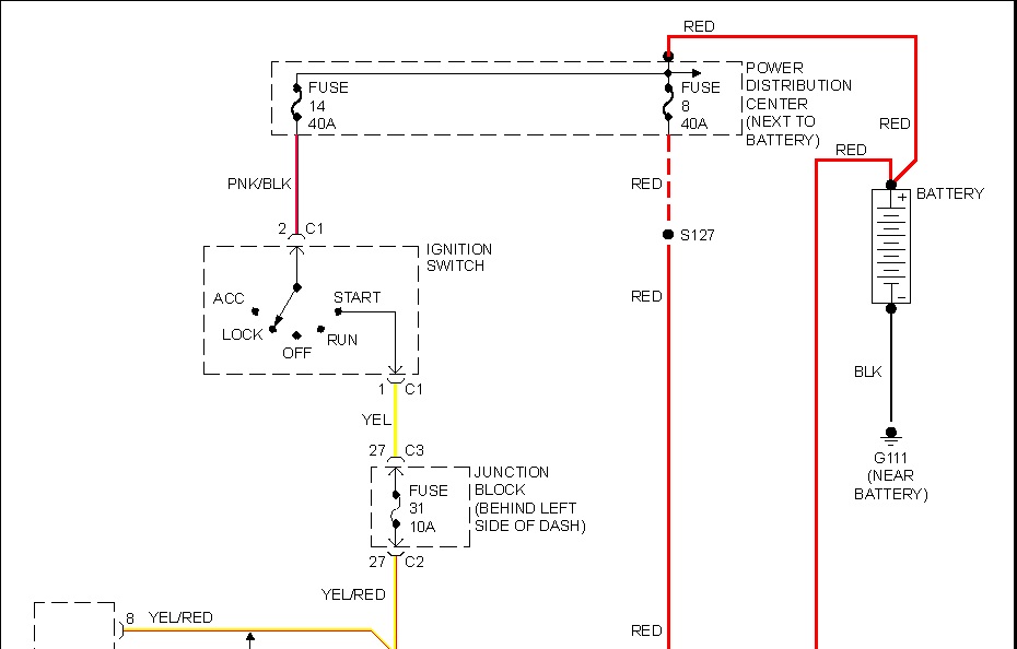
With intermittent issues, you have to test when the problem is ongoing. Below is a wiring diagram for your starter circuit. If you have any questions about the diagram, holler. Any testing make sure the tranny is in park or neutral and the e-brake is set.
Was this
answer
helpful?
Yes
No
Monday, August 31st, 2020 AT 12:46 PM (Merged)
Tiny
JANJERA32
  • MEMBER
  • 1 POST
  • 2001 JEEP GRAND CHEROKEE
  • 143,578 MILES
We put the key in the ignition(we have two keys) and it feels as if we are forcing it to start. The keys just fall out after we start as if it's not catching all the pins inside. It starts 98% of the time but the dash lights, radio and speedometer don't come on. Also the brake light and ABS come on. Then when we start driving the transmission takes a long time to shift and sometimes the gears grind when changing gears when we go from park to reverse and so on. I checked the fuses I could and there're all fine. Is the the starter or ignition switch or an electrical problem?
Was this
answer
helpful?
Yes
No
Monday, August 31st, 2020 AT 12:46 PM (Merged)
Tiny
CJ MEDEVAC
  • MECHANIC
  • 11,005 POSTS
SOUNDS LIKE YOU MIGHT HAVE MULTIPLE ISSUES

THE "KEY THING" SOUNDS LIKE THE IGNITION LOCK CYLINDER NEEDS TO BE REPLACED (KEYS FALLING OUT)

. AND MAYBE THE IGNITION SWITCH ACTUATOR (WHOSE HOUSING IS MADE OF PLASTIC. PROBABLY FALLING APART)

. IT'S ALSO POSSIBLE THE ACTUAL IGNITION SWITCH COULD BE IN THE MIX TOO

ARE YOU GONNA DIY THIS PUPPY?

DO YOU HAVE A REPAIR MANUAL?

I MAY BE ABLE TO GET YOU SOME DIAGRAMS

SOMETHING IS WRONG WITH "ME" GETTING E-MAIL NOTIFICATIONS, I HOPE THEY GET IT FIXED. OTHERWISE I WILL NOT KNOW IF. ANY. OF THE MANY. HAVE RESPONDED TO ME. THIS HAS BEEN GOING ON FOR DAYS

YOUR TURN (GOOD LUCK)

THE MEDIC
Was this
answer
helpful?
Yes
No
Monday, August 31st, 2020 AT 12:46 PM (Merged)
Tiny
JACOBANDNICKOLAS
  • MECHANIC
  • 110,192 POSTS
Based on your description, it sounds like the ignition switch itself is going bad and causing the issues. The switch is located on the steering column (about 2/3rds of the way down). There is a steel linkage rod that goes between the tumbler (where the key goes) and the switch. As far as it being tight to turn, try to lube the tumbler to see if that helps. A special graphite grease is made for key tumblers and you can get it at most parts stores.
Was this
answer
helpful?
Yes
No
Monday, August 31st, 2020 AT 12:46 PM (Merged)
Tiny
CHRISTAL1
  • MEMBER
  • 6 POSTS
  • 2001 JEEP GRAND CHEROKEE
  • 4.0L
  • V6
  • 4WD
  • AUTOMATIC
  • 160,000 MILES
So I got a new starter and a battery for my vehicle listed above it is the Laredo model. My battery is from a friend and my capacitor for my system reads 13.8 for the battery. (The old one was 12.4) It started perfectly fine until I hooked up my amp and speakers. When we hooked the system back up it had a rough idle and acted like it wanted to stall. We disconnected the wire and it ran fine again. So we cleaned the ground under the hood and ran a new ground from the system, then hooked the system back up. I started it twice acted fine no rough idle or anything. It started right up both times. After I took someone home and went to the gas station and it was running fine. Idle was normal, drove it for twenty minutes. After I got gas it did not want to start again. Just kept clicking each time I turned the key. I disconnected the system from the wire in the back and still did not want to start. It only started when I got a jump.
When I got home I turned it off and about thirty minutes later I tried starting it again. The first time it clicked so I turned the key off and tried again, it started right up. I had let it run for about ten then turned it off. Tried to start it right away and it did not want to start until last second and it did. Any idea what this is? I have already clean the grounds.

(The system worked perfectly fine before we replaced the starter and battery. It has been hooked up since I first got it.)
Was this
answer
helpful?
Yes
No
Monday, August 31st, 2020 AT 12:47 PM (Merged)

Please login or register to post a reply.